Поскажите плиз, будут ли 2SK1529 и 2SJ201 работать в паре на выхлопе в схеме https://forum.vegalab.ru/attachment....3&d=1154074778
или обязательно нужно комплементарные пары?
Спасибо.
Поскажите плиз, будут ли 2SK1529 и 2SJ201 работать в паре на выхлопе в схеме https://forum.vegalab.ru/attachment....3&d=1154074778
или обязательно нужно комплементарные пары?
Спасибо.
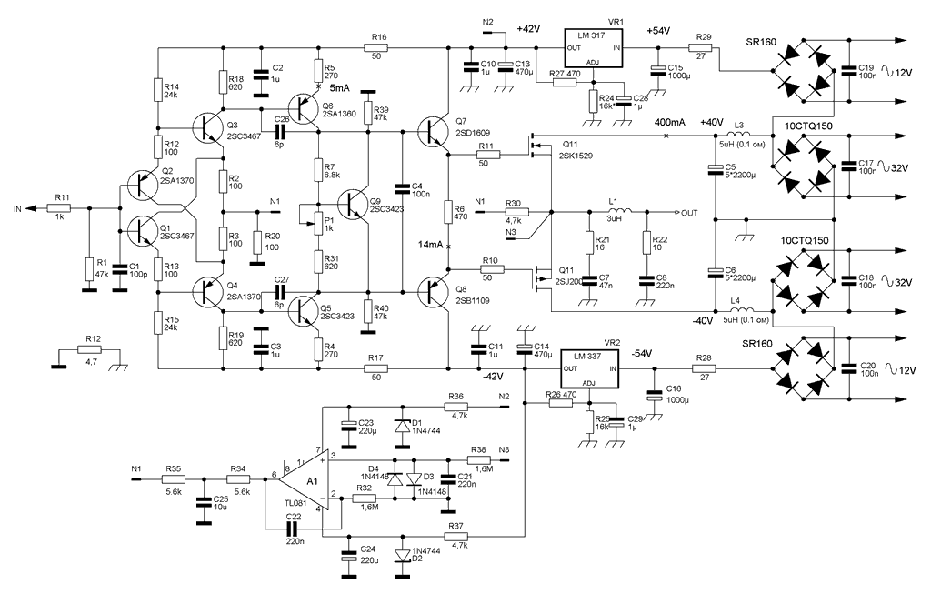
1529+200 - это и есть пара.Ну или там 1530 и 201. А в оригинале в схеме что стояло?
Добавлено через 4 минуты
только вот зачем крайние мосты было цеплять еще и на внутренние - загадка.Если уж хотите раздельное питание и Высокий Конец - отдельную обмотку или отдельный транс. Иначе смысла не имеет.Это была попытка "добрать" недостающее напряжение для питания преда за счет питальника конца что ли?![]()
Последний раз редактировалось Black_Panther; 02.11.2007 в 20:27. Причина: Добавлено сообщение
Моя религия:
Люблю комфортное, окрашенное приятное звучание.
STK и дискрет.
No IRF, no TDA, no class D\T\H.
DC Servo - must die.
Мостовой УНЧ - suxx.
Трансформатора и радиатора много не бывает.
Импульсные БП - от лукавого.
За нулями в Кг не гонюсь.
Такая организация питания позволила использовать стабилизаторы 317/337.
Зачем на преде и раскачке нужно 42 вольта, а на выхлопе 40?
Добавлено через 9 минут
Искал, не смог найти эту ветку
Схему взял здесь: https://forum.vegalab.ru/showthread....&highlight=BBK
А вообще-то меня интересует другой ворос: будут ли дружить 1529 с 201 на выхлопе
Последний раз редактировалось schyuri; 02.11.2007 в 23:42. Причина: Добавлено сообщение
Игорь. Meridian 507.24 => DAC6 v2+свой выхлоп => Noosfera Master => Celestion A2 + Hand-made cable
Социальные закладки