Страница 1 из 4 123 ... Последняя
Показано с 1 по 20 из 67

Тема: Слабосигнальные трансформаторы сверх-высокого разрешения (серия ТСМ)

  1. #1
    Старый знакомый
    Автор темы
    Аватар для А.Воробьев
    Регистрация
    20.05.2005
    Адрес
    Кишинев
    Возраст
    72
    Сообщений
    691

    По умолчанию Слабосигнальные трансформаторы сверх-высокого разрешения (серия ТСМ)

    Данная серия была разработана как альтернативный вариант для замены винтажного пермаллоя. Об их звучании, наиболее полно рассказал Констанитин Мусатов в своем отчете, за что ему огромное спасибо!

    http://audioportal.spb.ru/forums/sho...171#post161171

    МС трансформаторы от Воробьева

    Заказал я у Александра для себя трансформаторы ТКМ-210. Их можно использовать или для МС-ММ конвертации или как послецаповые. Можно их коммутировать или на коэффициент 1:10 или на 1:20. Пришли они ко мне на замену достаточно давно проданным трансформаторам Sowter 9570. Поскольку память уже стерла звук старого комплекта, то, поначалу, мне трудно было что-то сказать относительное. Но тут случилось чудо, меня попросили засунуть в корпус комплект новоприобретенных Саутеровских трансов. Что бы не терять хороший шанс, я постарался провести наиболее точное сравнение. Для этого были взяты одинаковые разъемы Cardas на сторону МС, одинаковые квадрупольные балансные кабели Canare одинаковой длины и XLR разъемы HiCon.
    Итак, имеем два комплекта с одинаковыми потребительскими параметрами с коэффициентом 1:10. Если смотреть по объективным параметрам, 9570 выигрывает у 210 по полосе, не сильно но есть.
    Для начала я послушал оба комплекта у себя дома. Но, по опыту, я не доверяю своим прослушиванием самокупленных вещей, опасаюсь эффекта плацебо. Тракт у меня такой:
    Стол – Thorens 125MKII
    Тонарм – SME3009
    Голова – Lyra
    Корректор – Musatoff RC5i (с балансным входом)
    Усилитель – Musatoff PA6 (использован балансный вход)
    АС – трехполоски с расширенным СЧ диапазоном.
    Погонял один трансформатор, другой, погрел тракт. Начинаю слушать 2-й Бранденбургский концерт Баха по очереди. Отмечаю, что я гораздо лучше слышу струнные на 210-м трансформаторе. Ладно, запомнил и упаковываю. Через день у меня будет хороший шанс получше вслушаться.
    Сегодня (точнее уже вчера) заехал в гости к другу. Он с энтузиазмом берется сравнить трансформаторы, к тому же 9570 – его и останутся у него. Я молчу, про свои впечатления не заикаюсь. Слушаем в его тракте:
    Стол – Жерардек
    Тонарм – какая-то из хороших Рег
    Голова – Шелтер 910
    Корректор – прототип моего балансного корректора, но индуктивности в коррекции на аморфе намотаны
    Усилитель – ультимативный вариант моего усилителя без ООС с трансформаторами от Саутера
    АС – Vienna Acoustic Beethoven
    Сначала слушаем 9570. Все хорошо, все на месте. Хорошая глубина сцены, локализация. В общем-то особо ни к чему не придерешься. Ставим 210. Но тут двух мнений уже не получилось. Ситуация повторилась. Тембры инструментов стали естественнее. Симфонический оркестр (а слушали 4-ую симфонию Бетховена) гораздо нагляднее высвечен. Сложные импульсные отклики струн не теряются, а хорошо прорабатываются. Загрустил мой друг и попросил заказать и ему комплект 210 трансформаторов. Да и я понял, что будущему ЦАПу ну никак не обойтись без таких трансформаторов.
    Вот так. Уж как получилось.
    Спасибо Александру Воробьеву за замечательные трансики, Sowter отдыхает.
    Миниатюры Миниатюры Нажмите на изображение для увеличения. 

Название:	TCM-220-mini..png 
Просмотров:	3417 
Размер:	30.0 Кб 
ID:	167078   Нажмите на изображение для увеличения. 

Название:	TCM-210.png 
Просмотров:	4711 
Размер:	24.9 Кб 
ID:	21663   Нажмите на изображение для увеличения. 

Название:	TCM-211.png 
Просмотров:	4418 
Размер:	25.3 Кб 
ID:	21664   Нажмите на изображение для увеличения. 

Название:	TCM-212.png 
Просмотров:	3991 
Размер:	21.1 Кб 
ID:	21665  

    Нажмите на изображение для увеличения. 

Название:	TCM-213.png 
Просмотров:	3834 
Размер:	30.2 Кб 
ID:	21666   Нажмите на изображение для увеличения. 

Название:	TCM-214.png 
Просмотров:	3586 
Размер:	30.3 Кб 
ID:	21667   Нажмите на изображение для увеличения. 

Название:	TCM-215.png 
Просмотров:	3270 
Размер:	25.2 Кб 
ID:	22231  
    Последний раз редактировалось А.Воробьев; 15.10.2012 в 17:56.
    "Не видящий, да услышит. Не слышащий, да увидит!"... (C)

  2. #2
    Новичок
    Регистрация
    31.10.2007
    Адрес
    Украина
    Возраст
    54
    Сообщений
    27

    По умолчанию Re: Слабосигнальные трансформаторы сверх-высокого разрешения (серия ТСМ)

    Для Воробьёва Александра Евгеньевича
    Я доволен как "слон",знаете как говорят - "НИЗКО
    КЛАНЯЮСЬ И ЦЕЛУЮ НОГИ", а я ещё добавляю РУКИ И ГЕНИАЛЬНУЮ
    ГОЛОВУ- это я за Ваши ТСМ 210 .Сразу о звуке ,не описать немогу!!!!Крупная огромная
    сцена,солист просто во весь рост,очень ,очень много воздуха - как на
    виниле с большой нюансировкой...мда..глубина поражает......бас ..нет
    слов очень интеллегентный и не CD формата ,слушал "Жоржа Дюка" у него
    просто кожа на барабане чувствуется и барабан огромный,о Вотерсе
    молчу...точно письмо 20метров будет. Включать трансы пробовал
    поразному сразу скажу что остановился 1/10 ,I/V - чистая первичка
    без резистора , с резиком пробовал от 10...50ом ставил дорогущие Caddock TC5/0.1%.
    Что на 10оМ,что на 20..30..50..оМ резистор параллельно
    первичке ворует много качества ,звук нивелируется.
    у меня по выходу трансев на этот момент стоят
    BUF634F,тоже их уберу и поставлю ECC85 в аноде с Вашим AGT-220

    Линейность трансев ТСМ 210 очень высока,с 200гЦ и до 20гЦ идёт
    плавный спад в 2,5dB на слух спад не заметен.У меня структура DAC
    1X,раньше при I/V преобр. на AD811 красивого синуса небыло,а сейчас
    есть аж самому удевительно. С тестового диска бросал прямоугольник,
    после транса как и до него чистая форма без выбросов.....идеально
    даже на 10кГц .На первичке транса полная амплитуда 360мВ
    ,на вторичке 3,6В .Не знаю почему так с первичной обмоткой происходит, но трогать не
    буду ЗВУК ПРОСТО ОШЕЛОМЛЯЮЩИЙ!!!!!!!!!!!! Меня уже второй человек
    начал доставать по поводу ваших SE трансов на усилитель .Знаю что
    работать без отдыха по ночам тяжело ,но всёже может ВЫ позволите сделать
    заказ? Если ДА то в следующем письме всё опишу что нужно.
    --
    С глубоким уважением и признанием,
    Alex
    Последний раз редактировалось Galka Alex; 30.03.2008 в 15:34.

  3. #3
    Завсегдатай Аватар для Eugene Balakin
    Регистрация
    24.12.2004
    Адрес
    Киев
    Возраст
    60
    Сообщений
    1,573

    По умолчанию Re: Слабосигнальные трансформаторы сверх-высокого разрешения (серия ТСМ)

    Я вообще шокирован - в хорошем смысле слова и ТСМ210 - после резистора преобразователя ток-напряжения в ЦАП и АГТ433 в качестве выходного в ламповом буфере.
    Все что у меня было собрано до этого - в том числе и столь распространенные архитекуры типа I2S - 5847-реклок-1862n-j -811-843 с кошерным обвесом - в контексте звучания - даже рядом не лежали - консервные банки - несравнимо....
    ИМХО.
    Александр, спасибо.
    Я бы тоже позаказывал - но очередь такая....
    С уважением
    Евгений Балакин

  4. #4
    Новичок
    Регистрация
    31.10.2007
    Адрес
    Украина
    Возраст
    54
    Сообщений
    27

    По умолчанию Re: Слабосигнальные трансформаторы сверх-высокого разрешения (серия ТСМ)

    ТСМ 215Е Воробьева Александра Евгеньевича.

    После опробования ТСМ-210 в даке 1 Х на AD1861 и навязчивых предложений о продаже дака с данным грейдом от товарища пришлось продать дачёк "со скоростью звука ".Шикарный звук очень надолго откладывается в мозгу.Сразу скажу ,что схемотехнические решения даков которыми я пользуюсь это девственные разработки моего Уважаемого мною Кума "Arny", его даки обладают высокой технологичностью и качеством,САМОЕ главное огромной музыкальностью(кому этот фактор не ясен,обьясняю-это живописно энергетическая возможность передачи музыкального материала, а не звуков музыки.) На данный момент я стал обладателем шикарней шего дака 1Х последней разработки на AD1865 от "Arny" (ну естественно ре клок ,тактовый ,опто развязки ,баланс цапов ,приемник с отличным восстановлением данных и музыкальностью!!!,и т.д.) И как же к этому ВСЕМУ не добавить ТСМ-215е ,от которого также зависит 50% звука! Отличные трансики!!!
    ДА - ЭТО мною теперь любимый ТСМ-215е.Не зря один знакомый говорил ,что технологий Воробьева А.Е. хватит на две человеческие жизни!!!!!ЭТО ТАК .О звуке всё ещё незаконченного дака можно многое сказать - это
    просто ошеломляющий виниловый звук с высокой музыкальностью ,микро и макро динамикой и огромным воздухом. Мне лично очень нравится текстура баса своей проработанностью и архитектурой,который на данном этапе уже давно не цифровой как у всего CD - формата ,середина и верх настолько живопоющие ,что мысли посещаемые меня о LP просто растаяли как "мартовский снег" .ТСМ-215е просто супер!!!! за что огромное спасибо Александру Евгеньевичу.Ну а сроки изготовления
    это чепуха ,данный грейд стоит того ,чтобы его ждать и год времени!
    Дак с трансиками Александра Е. реально сравнивался с CD LUA с ламповым выходом стоимостью в 7400$ и ламповым двутактом LUA 80W - tube 6550 стоимостью в 9200$ АС пробовались разные ,но преимущество дака на AD1865 c ТСМ-215е было однозначно!!!Музыкальные жанры были разные ,описывать все не вижу смысла. Да самое главное линейный выход брался прямо с трансов ТСМ-215е ,что заведомо считаю не коректным,но завала АЧХ небыло.Когда доделаю ламповый стаб и выхлоп
    SE на AGT-220 от Воробьёва звука ещё только прибудет.....
    Миниатюры Миниатюры Нажмите на изображение для увеличения. 

Название:	DSC01895.JPG 
Просмотров:	2123 
Размер:	146.2 Кб 
ID:	29238   Нажмите на изображение для увеличения. 

Название:	DSC01892_1.jpg 
Просмотров:	1978 
Размер:	51.4 Кб 
ID:	29382  
    Последний раз редактировалось Galka Alex; 04.04.2008 в 01:31.

  5. #5
    Новичок
    Регистрация
    25.01.2008
    Адрес
    Украина, Запорожье
    Сообщений
    7

    По умолчанию Re: Слабосигнальные трансформаторы сверх-высокого разрешения (серия ТСМ)

    ТСМ 215Е - какие параметры? Чем отличаются от ТСМ 215? Цена?

  6. #6
    Старый знакомый
    Автор темы
    Аватар для А.Воробьев
    Регистрация
    20.05.2005
    Адрес
    Кишинев
    Возраст
    72
    Сообщений
    691

    По умолчанию Re: Слабосигнальные трансформаторы сверх-высокого разрешения (серия ТСМ)

    gvkk, Было бы неплохо посмотреть 1-й пост и самому сравнить характеристики. Насчет цены, скорее всего она будет уже в Евро, курс по отношению к рублю и доллару более стабильный. Ориентировочно, 80 Eur за согласованную пару.
    Последний раз редактировалось А.Воробьев; 02.04.2008 в 00:09.
    "Не видящий, да услышит. Не слышащий, да увидит!"... (C)

  7. #7
    Новичок
    Регистрация
    25.01.2008
    Адрес
    Украина, Запорожье
    Сообщений
    7

    По умолчанию Re: Слабосигнальные трансформаторы сверх-высокого разрешения (серия ТСМ)

    Прошу пардону. Читал бегло и не внимательно. Сравниваю и определяюсь.

  8. #8
    Завсегдатай Аватар для ditter
    Регистрация
    04.07.2004
    Адрес
    RUS
    Возраст
    52
    Сообщений
    1,121

    По умолчанию Re: Слабосигнальные трансформаторы сверх-высокого разрешения (серия ТСМ)

    Galka Alex, а чего там конденсаторы дженсен делают ?

    А.Воробьев, вы у трансиков выводы из какого провода делаете ? есть ли разница между пучком и когда все распаяно в платку и оформлены выводы (Lundal вроде так делает)

  9. #9
    Новичок
    Регистрация
    31.10.2007
    Адрес
    Украина
    Возраст
    54
    Сообщений
    27

    По умолчанию Re: Слабосигнальные трансформаторы сверх-высокого разрешения (серия ТСМ)

    ditter , конденсаторы дженсен облагораживают работу дачков

  10. #10
    Старый знакомый
    Автор темы
    Аватар для А.Воробьев
    Регистрация
    20.05.2005
    Адрес
    Кишинев
    Возраст
    72
    Сообщений
    691

    По умолчанию Re: Слабосигнальные трансформаторы сверх-высокого разрешения (серия ТСМ)

    ditter, Провод, который я использую для выводов трансов, винтажный 40 летней давности. Был закуплен для профессионального использования в аудио студиях и аппаратных на "золотые рубли" через 2-е и 3-и страны. Насчет распайки выводов катушек сразу на провода, или на колодку, первое лучше. Получается меньше переходных паек, что особенно важно при работе с очень малым уровнем сигнала от едениц микровольт, до сотен милливольт.
    "Не видящий, да услышит. Не слышащий, да увидит!"... (C)

  11. #11

    По умолчанию Re: Слабосигнальные трансформаторы сверх-высокого разрешения (серия ТСМ)


    Offтопик:
    Цитата Сообщение от Galka Alex Посмотреть сообщение
    " (ну естественно ре клок ,тактовый ,опто развязки ,баланс цапов ,приемник с отличным восстановлением данных и музыкальностью!!!,и т.д.)
    Єта... а чо все так секретно? маркировка на цифре покоцана... али мне привиделос?


  12. #12
    Новичок
    Регистрация
    31.10.2007
    Адрес
    Украина
    Возраст
    54
    Сообщений
    27

    По умолчанию Re: Слабосигнальные трансформаторы сверх-высокого разрешения (серия ТСМ)

    Wired
    Єта... а чо все так секретно? маркировка на цифре покоцана... али мне привиделос?
    К огромному сожалению, схемотехнические решения не мои и данным правом на распространение уникальных технологий я не обладаю ,все целиком принадлежит "Arny".Надписи все стерты - это идеология производителя, да и как у многих уважающих свой труд и идеи производителей например:Burmeister—CD Transport 969
    Да и Александр Евгеньевич Воробьев продает уникальные моточные изделия но не открывает своих ноу хау пропиток и технологий сердечников и намотки.
    Последний раз редактировалось Galka Alex; 05.04.2008 в 18:22.

  13. #13
    Новичок
    Регистрация
    21.03.2008
    Сообщений
    24

    По умолчанию Re: Слабосигнальные трансформаторы сверх-высокого разрешения (серия ТСМ)

    Цитата Сообщение от Galka Alex Посмотреть сообщение
    Wired
    К огромному сожалению, схемотехнические решения не мои и данным правом на распространение уникальных технологий я не обладаю ,все целиком принадлежит "Arny".Надписи все стерты - это идеология производителя, да и как у многих уважающих свой труд и идеи производителей например:Burmeister—CD Transport 969
    Да и Александр Евгеньевич Воробьев продает уникальные моточные изделия но не открывает своих ноу хау пропиток и технологий сердечников и намотки.
    А добавленный трансформатор ТСМ - оригинальная разработка или Ваша доработка?

  14. #14
    Новичок
    Регистрация
    31.10.2007
    Адрес
    Украина
    Возраст
    54
    Сообщений
    27

    По умолчанию Re: Слабосигнальные трансформаторы сверх-высокого разрешения (серия ТСМ)

    BloomJack
    А добавленный трансформатор ТСМ - оригинальная разработка или Ваша доработка?

    Данный трансформатор ТСМ 215е личная разработка А.Е.Воробьёва ,который я заказывал специально для этого проекта - о чем ни чуть не жалею ,а даже горжусь,так как очередь у Александра Воробьёва оч большая, а звучек оч серьёзный, внешне я их окультурил и подписал для эстетичности проэкта,до этого планировалось ставить забугорные трансы итальянской фирмочки с позолоченными кожухами,но они ушли на второй план.
    Вы не подумайте - это не реклама ,а предостережение от ошибок,ведь они так дороги эти забугорные ошибки

  15. #15
    Новичок
    Регистрация
    21.03.2008
    Сообщений
    24

    По умолчанию Re: Слабосигнальные трансформаторы сверх-высокого разрешения (серия ТСМ)

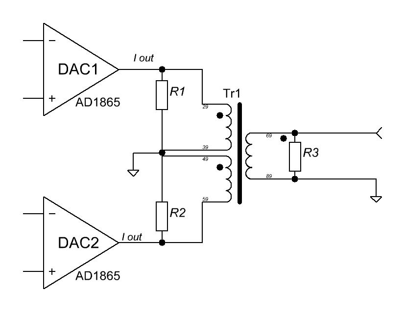
    Эээ... Неправильно выразился, речь шла о плате ЦАП, Можно взглянуть на схему включения данного транса в тракт ЦАП?

  16. #16
    Новичок
    Регистрация
    31.10.2007
    Адрес
    Украина
    Возраст
    54
    Сообщений
    27

    По умолчанию Re: Слабосигнальные трансформаторы сверх-высокого разрешения (серия ТСМ)

    BloomJack
    Всё очень просто, включение балансное,это позволяет сделать структура 215го он под это заточен

  17. #17
    Новичок
    Регистрация
    31.10.2007
    Адрес
    Украина
    Возраст
    54
    Сообщений
    27

    По умолчанию Re: Слабосигнальные трансформаторы сверх-высокого разрешения (серия ТСМ)

    BloomJack
    таким образом
    Миниатюры Миниатюры Нажмите на изображение для увеличения. 

Название:	1.jpg 
Просмотров:	1788 
Размер:	33.2 Кб 
ID:	29450  

  18. #18
    Новичок
    Регистрация
    25.01.2008
    Адрес
    Украина, Запорожье
    Сообщений
    7

    По умолчанию Re: Слабосигнальные трансформаторы сверх-высокого разрешения (серия ТСМ)

    В данном случае DAC1 и DAC2 это один канал (и один корпус) AD1865? Или я чего-то не понимаю?

  19. #19
    Новичок
    Регистрация
    21.03.2008
    Сообщений
    24

    По умолчанию Re: Слабосигнальные трансформаторы сверх-высокого разрешения (серия ТСМ)

    Полную схемку или ссылку в студию!

  20. #20
    Старый знакомый
    Автор темы
    Аватар для А.Воробьев
    Регистрация
    20.05.2005
    Адрес
    Кишинев
    Возраст
    72
    Сообщений
    691

    По умолчанию Re: Слабосигнальные трансформаторы сверх-высокого разрешения (серия ТСМ)

    Хочу напомнить, что это ветка не для флейма и все сообщения не имеющие никакого отношения к названию темы, вскоре будут удалены.
    "Не видящий, да услышит. Не слышащий, да увидит!"... (C)

Страница 1 из 4 123 ... Последняя

Социальные закладки

Социальные закладки

Ваши права

  • Вы не можете создавать новые темы
  • Вы не можете отвечать в темах
  • Вы не можете прикреплять вложения
  • Вы не можете редактировать свои сообщения
  •