Страница 97 из 317 Первая ... 879596979899107 ... Последняя
Показано с 1,921 по 1,940 из 6324

Тема: DC-DC преобразователи напряжения (для авто)

  1. #1 Показать/скрыть первое сообщение.
    Новичок
    Автор темы
    Аватар для WARIOR
    Регистрация
    19.01.2005
    Сообщений
    66

    По умолчанию Re: Импульсные источники питания и преобразователи.

    Здравствуйте !

    Я решил возвратиться к статье "АВТО 400", а именно к ПН. Я заканчиваю сборку по той схеме и хотел спросить нет ли там каких-либо ошибок или недостатков, недочётов, неохото получать negative consequences. (Пытался связаться с автором, чтоб узнать у него - не получилось). Может кто-нибудь собитал подобный ПН ?
    Заранее огромное спасибо !
    https://www.vegalab.ru/index.php?opt...=184&Itemid=52
    Миниатюры Миниатюры Нажмите на изображение для увеличения. 

Название:	pic002-1.gif 
Просмотров:	37512 
Размер:	37.4 Кб 
ID:	19604  

  2. #1921
    Регистрация не подтверждена
    Регистрация
    28.01.2007
    Адрес
    Украина, Полтава.
    Возраст
    38
    Сообщений
    283

    Улыбка Re: DC-DC преобразователи напряжения (для авто)

    Цитата Сообщение от Dimon74 Посмотреть сообщение
    Moi preobrazovatel dlya usilka Korolkova na IR2010 s vozmognostu raboti na 1 ohm.V preobrazovaele stoyat 16 HUF75339P3 ,8 diodov FES16DT, i na vihode 8 kondensatorov po 4700 mf na 80V,po vhodu 16 po 2200 mf na 25V.Vihodnaya napruga +-70 ot 13V vhoda.V kachestve driverov mosfetof stoyat MC34152 po odnoi na 8 shtuk.Vtorichki transov posle diodnih mostov zaparalelini.Transi motalis v pervichke 20 provodov po 1mm,vtorichka 10 po 1mm

    Сколько мощности можно получить на выходе в течении длительного времени? (>20мин)

    Какая просадка при макс. нагрузке?
    Последний раз редактировалось Dr.Gradus; 11.02.2009 в 15:01. Причина: Добавлено сообщение

  3. #1922
    Частый гость Аватар для ali-ufa
    Регистрация
    11.02.2006
    Сообщений
    234

    По умолчанию Re: DC-DC преобразователи напряжения (для авто)

    у меня вот такой вопрос у меня преобразователь на tl494 на выходе напряжение -+75 просаживаеться до -+50вольт пробывал поднимать до -+95 вольт просадка до -+65 вольт кондеры в питании 20000мкф*100в диоды hfa30ta60 ЕСТЕСТВЕННО при просадке напряжения уменьшаеться мощность усилителя(усь тоже на тл494) и появляеться постоянка на выходе КАК по максимуму убрать просадку напряжения ?

  4. #1923
    Завсегдатай
    Регистрация
    06.01.2007
    Адрес
    г. Пенза
    Возраст
    61
    Сообщений
    2,684

    По умолчанию Re: DC-DC преобразователи напряжения (для авто)

    Цитата Сообщение от ali-ufa Посмотреть сообщение
    и появляеться постоянка на выходе КАК по максимуму убрать просадку напряжения ?
    Если появляется постоянка, это не порядок, надо для начала с усилителем разобраться.

    И посмотрите, сколько просаживается на музыке?

  5. #1924
    Частый гость Аватар для ali-ufa
    Регистрация
    11.02.2006
    Сообщений
    234

    По умолчанию Re: DC-DC преобразователи напряжения (для авто)

    Цитата Сообщение от korolkov24 Посмотреть сообщение
    Если появляется постоянка, это не порядок, надо для начала с усилителем разобраться.

    И посмотрите, сколько просаживается на музыке?
    написал просадку при музыкальной нагрузке! усь на tl494 просто такой без ос также пробывал питать мосфит из интервалки так же просаживаеться.транс мотали мне нормально с пропитками как пологаеться!! так что посоветуете?

  6. #1925
    Новичок
    Регистрация
    02.08.2008
    Сообщений
    5

    По умолчанию Re: DC-DC преобразователи напряжения (для авто)

    Usilok eshe ne gotov.Snachala dumal delat mostovoi,no potom otkazalsya.Seichas proektiruu pechatku na ir2110, v vihode 14 mosfetof IRF640.Dostalis 25 shtuk po deshevke.Zashita ot postoyanki na rele.V file LAY preobrazovatelya,i ne zakoncheni mostovoi
    Вложения Вложения

  7. #1926
    Новичок
    Регистрация
    02.08.2008
    Сообщений
    5

    По умолчанию Re: DC-DC преобразователи напряжения (для авто)

    Kupil ne rabochii KICKER ZX1000.1 Vot v nem kakaya krasota sluchilas kogda pochti na polnoi moshe (on daet 1000 na 2 ohm) v vihodnoi inductivnosti proizoshlo megvitkovoe zamikanie.Lak na provode vigorel, nu i sotvetstvenno kolechko zagarilos toge.U KICKER eta problema vsegda.V rmonte bilo uge 7 ihnih usilkov D klassa i u vseh vigorevshi inductor.Usilok uge rabotaet
    Последний раз редактировалось Dimon74; 16.03.2009 в 07:41.

  8. #1927
    Регистрация не подтверждена
    Регистрация
    28.01.2007
    Адрес
    Украина, Полтава.
    Возраст
    38
    Сообщений
    283

    По умолчанию Re: DC-DC преобразователи напряжения (для авто)

    Цитата Сообщение от Dimon74 Посмотреть сообщение
    Kupil ne rabochii KICKER ZX1000.1 Vot v nem kakaya krasota sluchilas kogda pochti na polnoi moshe (on daet 1000 na 2 ohm) v vihodnoi inductivnosti proizoshlo megvitkovoe zamikanie.Lak na provode vigorel, nu i sotvetstvenno kolechko zagarilos toge.U KICKER eta problema vsegda.V rmonte bilo uge 7 ihnih usilkov D klassa i u vseh vigorevshi inductor.Usilok uge rabotaet
    Песец. За такое бабло можно было и намальный провод поставить.

    ПН резистивной нагрузкой не нагружал? Интересно сколько ватт отдаст! И при какой просадке!

    Добавлено через 2 минуты
    Цитата Сообщение от ali-ufa Посмотреть сообщение
    КАК по максимуму убрать просадку напряжения ?
    На входе насколько просаживается? На хх пусть 13,5 вольт, но на нагрузке 1кило на аккуме будет 12. Еще на проводах просадка будет. Запусти синус и померяй сколько вольт на входе преобраза на ХХ и под нагрузкой!!!!!!!
    Последний раз редактировалось Dr.Gradus; 13.02.2009 в 10:32. Причина: Добавлено сообщение

  9. #1928
    Частый гость Аватар для ali-ufa
    Регистрация
    11.02.2006
    Сообщений
    234

    По умолчанию Re: DC-DC преобразователи напряжения (для авто)

    Цитата Сообщение от Dr.Gradus Посмотреть сообщение
    Песец. За такое бабло можно было и намальный провод поставить.

    ПН резистивной нагрузкой не нагружал? Интересно сколько ватт отдаст! И при какой просадке!

    Добавлено через 2 минуты


    На входе насколько просаживается? На хх пусть 13,5 вольт, но на нагрузке 1кило на аккуме будет 12. Еще на проводах просадка будет. Запусти синус и померяй сколько вольт на входе преобраза на ХХ и под нагрузкой!!!!!!!
    на входе преобраз. нет просадки !!!Просадка на выходе!!!

  10. #1929
    Частый гость
    Регистрация
    13.10.2008
    Адрес
    Киев
    Сообщений
    159

    По умолчанию Re: DC-DC преобразователи напряжения (для авто)

    ali-ufa, посмотри осциллографом, что происходит на выходе транса.

    ложный прирост напряжения могут давать всплески на переключении ключей. Теоретически должно падать до расчетного даже при небольшой нагрузке. Так-же благополучно сказывается дроссель груповой стабилизации между выходом с выпрямителя и фильтрами. и пульсации гасит, и рип-карент на конденсаторы от шим модуляции ослабляет, и радикальный софт-старт...

    И неправильное питание ТЛки. Сейчас столкнулся с тем, что при увеличении тока и пульсаций по питанию, при всех принудительно заглушенных входах (усилителей ошибки и деадтайма), "включается" ШИМ модуляция. Порешил введением второго питания (с дополнительной обмотки силового трансформатора) с дроссельной развязкой и стабилизацией через 7815.

    либо не та частота работы трансформатора или ошибки в сборке...

  11. #1930
    Новичок
    Регистрация
    15.02.2009
    Сообщений
    1

    По умолчанию Re: DC-DC преобразователи напряжения (для авто)

    Здраствуйте уважаемые гуру DC-DC преобразователей!
    Могли бы Вы подсказать имеет ли право на жизнь такой вариант разводки печатки? За основу была взята разработка (точно не помню, уже столько вариаций ПН перебрал ))) ) Акнодика, вроде... Питаться будут две TDA7293, в корпусе места очень ограничено по-этому за пределы 100ммх85мм выходить не могу. Делаю из того что под рукой, т.е. TL494, в общем у меня есть куча БП от компьютеров.

    Не пойдёт.... Пересмотрел полностью концепцию автоусилителя, чем так городить, сделаю всё на одной плате (БП, УМ и тд), нашёл подходящий корпус.
    Не подскажете на какое напряжение расчитывать БП, на бортовое при заведённой или же на бортовое при не заведённой? Я расчитывал где-то на 11,5 вольт.
    Вложения Вложения
    Последний раз редактировалось ruslanus; 24.02.2009 в 09:39.

  12. #1931
    Новичок
    Регистрация
    07.07.2008
    Адрес
    г.Н-Тагил-г.Н-Тура
    Возраст
    42
    Сообщений
    17

    По умолчанию Re: DC-DC преобразователи напряжения (для авто)

    Цитата Сообщение от Dimon74 Посмотреть сообщение
    Kupil ne rabochii KICKER ZX1000.1 Vot v nem kakaya krasota sluchilas kogda pochti na polnoi moshe (on daet 1000 na 2 ohm) v vihodnoi inductivnosti proizoshlo megvitkovoe zamikanie.Lak na provode vigorel, nu i sotvetstvenno kolechko zagarilos toge.U KICKER eta problema vsegda.V rmonte bilo uge 7 ihnih usilkov D klassa i u vseh vigorevshi inductor.Usilok uge rabotaet
    А схема ИПН есть на этого монстра?

  13. #1932
    Регистрация не подтверждена Аватар для witali
    Регистрация
    21.02.2005
    Адрес
    Владимир
    Возраст
    49
    Сообщений
    880

    По умолчанию Re: DC-DC преобразователи напряжения (для авто)

    Цитата Сообщение от GruVital Посмотреть сообщение
    А схема ИПН есть на этого монстра?
    А собственная голова вам на что? Неужели трудно под себя доработать схему?

  14. #1933
    Завсегдатай Аватар для Артём
    Регистрация
    26.07.2004
    Адрес
    Минск
    Возраст
    38
    Сообщений
    1,115

    По умолчанию Re: DC-DC преобразователи напряжения (для авто)

    Цитата Сообщение от witali Посмотреть сообщение
    А собственная голова вам на что? Неужели трудно под себя доработать схему?

    Offтопик:
    Не, головой не интересно, ведь это нада думать, разбирацо как оно работает и т.д. А так залез на форум, попросил схему, задал стопицот вопросов что, как, на что и зачем? Собрал, нихера не заработало, задал еще кучу вопросов(данную ветку прочитать-то сложно) Наконец оно начало показывать признаки жизни и то, вместо запланированых 2кВт, кое как удается выжить 200вт

  15. #1934
    Новичок
    Регистрация
    07.07.2008
    Адрес
    г.Н-Тагил-г.Н-Тура
    Возраст
    42
    Сообщений
    17

    По умолчанию Re: DC-DC преобразователи напряжения (для авто)

    Ну ладно вам глумиться ! Плохого вы мнения обо мне! Сказали бы сразу,что такого ПН не встречали (не собирали) . Понимаю прекрасно ,что заявленую мощность трудно реализовать. Но ламером меня считать ненадо!

    Добавлено через 42 минуты
    Первый опыт в конструировании ИПН был Удачно реализован в 2005г УМЗЧ с ИПН ж.Радио.
    Миниатюры Миниатюры Нажмите на изображение для увеличения. 

Название:	amp18_3.gif 
Просмотров:	1192 
Размер:	14.3 Кб 
ID:	46619  
    Последний раз редактировалось GruVital; 25.02.2009 в 19:33. Причина: Добавлено сообщение

  16. #1935
    Регистрация не подтверждена Аватар для witali
    Регистрация
    21.02.2005
    Адрес
    Владимир
    Возраст
    49
    Сообщений
    880

    По умолчанию Re: DC-DC преобразователи напряжения (для авто)

    Цитата Сообщение от GruVital Посмотреть сообщение
    Ну ладно вам глумиться ! Плохого вы мнения обо мне! Сказали бы сразу,что такого ПН не встречали (не собирали) . Понимаю прекрасно ,что заявленую мощность трудно реализовать. Но ламером меня считать ненадо!
    Да никто не плохого мнения о вас, просто почитайте сколько приходит людей дайсхемудай, а потом полгода разбираются почему не работает, сделайте проще, сходите на сайт Рода Эллиота http://sound.westhost.com/project89.htm там есть разборки простого Пна , потом скачайте даташЫт на sg3525 (самый простой контроллер), внимательно почитайте, и будет счастье, многа!

  17. #1936
    Новичок
    Регистрация
    07.07.2008
    Адрес
    г.Н-Тагил-г.Н-Тура
    Возраст
    42
    Сообщений
    17

    По умолчанию Re: DC-DC преобразователи напряжения (для авто)

    Спасибо ! по ссылке всё понятно, знаком с содержимым ссылки. Вот как раз простой ПН и не нужен. Мне что нибудь серьезней ! с защитой, и стабилизацией выходного напряжения.
    Последний раз редактировалось GruVital; 25.02.2009 в 19:42.

  18. #1937
    Регистрация не подтверждена Аватар для witali
    Регистрация
    21.02.2005
    Адрес
    Владимир
    Возраст
    49
    Сообщений
    880

    По умолчанию Re: DC-DC преобразователи напряжения (для авто)

    Цитата Сообщение от GruVital Посмотреть сообщение
    Вот как раз простой ПН и не нужен. Мне что нибудь серьезней ! с защитой, стабилизированный.
    Начинать надо с простого, потом дойдете до более серьезного, кстати защиту прикрутить к схеме по ссылке 1 минута, а стабилизация не нужна в звуке

  19. #1938
    Частый гость
    Регистрация
    07.01.2007
    Адрес
    г.Пенза
    Возраст
    42
    Сообщений
    265

    По умолчанию Re: DC-DC преобразователи напряжения (для авто)

    Цитата Сообщение от GruVital Посмотреть сообщение
    Мне что нибудь серьезней ! с защитой
    Вот и защита http://vegalab.ru/forum/showpost.php...&postcount=585 А умощьнить и сам сможеш...

  20. #1939
    Новичок
    Регистрация
    19.03.2006
    Адрес
    Из Днепродзержинска. (Днепропетровская обл.)
    Возраст
    35
    Сообщений
    82

    По умолчанию Re: DC-DC преобразователи напряжения (для авто)

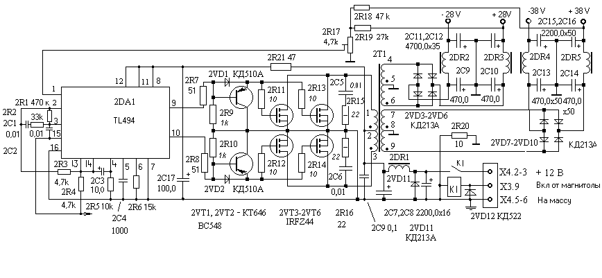
    Привет ребят. Тут на сайте наших коллег новую статейку опубликовали, собственно вот http://cxem.net/sound/amps/amp138.php
    Пригляделась простота схемотехники ПН. Что скажете, какую мощьность можно будет снять с такой схемы? Стоит ли собирать, мож чего предложете интересней? Буду очень признателен.
    Давно мечтаю собрать нормальный авто усил с ПН, для Саба, начал собирать это - http://www.atomlink.ru/~slash/pr1.html , застрял с трансформатором..., да и не хвалят её. Теперь ищу простую и проверенную рабочую схему.

    Заранее Благодарен.
    Последний раз редактировалось Dj-Vlad; 01.03.2009 в 18:24. Причина: Исправил ссылку, перепутанную по запарке :)

  21. #1940
    Регистрация не подтверждена Аватар для witali
    Регистрация
    21.02.2005
    Адрес
    Владимир
    Возраст
    49
    Сообщений
    880

    По умолчанию Re: DC-DC преобразователи напряжения (для авто)

    Цитата Сообщение от Ku777 Посмотреть сообщение
    А умощьнить и сам сможеш...
    куда нах ее умощнять? легко 800-1000 ватт с этой схемой

    Добавлено через 31 секунду
    Цитата Сообщение от Dj-Vlad Посмотреть сообщение
    Теперь ищу простую и проверенную рабочую схему.
    Читать лень форум?
    Последний раз редактировалось witali; 26.02.2009 в 14:23. Причина: Добавлено сообщение

Страница 97 из 317 Первая ... 879596979899107 ... Последняя

Социальные закладки

Социальные закладки

Ваши права

  • Вы не можете создавать новые темы
  • Вы не можете отвечать в темах
  • Вы не можете прикреплять вложения
  • Вы не можете редактировать свои сообщения
  •