Страница 96 из 317 Первая ... 869495969798106 ... Последняя
Показано с 1,901 по 1,920 из 6324

Тема: DC-DC преобразователи напряжения (для авто)

  1. #1 Показать/скрыть первое сообщение.
    Новичок
    Автор темы
    Аватар для WARIOR
    Регистрация
    19.01.2005
    Сообщений
    66

    По умолчанию Re: Импульсные источники питания и преобразователи.

    Здравствуйте !

    Я решил возвратиться к статье "АВТО 400", а именно к ПН. Я заканчиваю сборку по той схеме и хотел спросить нет ли там каких-либо ошибок или недостатков, недочётов, неохото получать negative consequences. (Пытался связаться с автором, чтоб узнать у него - не получилось). Может кто-нибудь собитал подобный ПН ?
    Заранее огромное спасибо !
    https://www.vegalab.ru/index.php?opt...=184&Itemid=52
    Миниатюры Миниатюры Нажмите на изображение для увеличения. 

Название:	pic002-1.gif 
Просмотров:	37512 
Размер:	37.4 Кб 
ID:	19604  

  2. #1901
    Завсегдатай Аватар для Артём
    Регистрация
    26.07.2004
    Адрес
    Минск
    Возраст
    38
    Сообщений
    1,115

    По умолчанию Re: DC-DC преобразователи напряжения (для авто)

    oleg_72, ну и пофиг, главное чтоб не выпаялись Можешь уменьшить номинал конденсатора.

  3. #1902
    Новичок
    Регистрация
    09.02.2006
    Сообщений
    32

    По умолчанию Re: DC-DC преобразователи напряжения (для авто)

    oleg_72,
    как правило чуть теплые.

  4. #1903
    Старый знакомый
    Регистрация
    08.04.2005
    Адрес
    Краснодар
    Возраст
    37
    Сообщений
    642

    По умолчанию Re: DC-DC преобразователи напряжения (для авто)

    имеется 2 кольца эпкос 35*20*10.нужно сделать преобразователь на 400вт.кольца подходят.вопрос:как будет лучше:сложить их вместе и намотать 2 вторички или добавить пару ключей и сделать 2 трансформатора с одинарными вторичками?

  5. #1904
    Регистрация не подтверждена Аватар для witali
    Регистрация
    21.02.2005
    Адрес
    Владимир
    Возраст
    49
    Сообщений
    880

    По умолчанию Re: DC-DC преобразователи напряжения (для авто)

    Цитата Сообщение от m01971 Посмотреть сообщение
    или добавить пару ключей и сделать 2 трансформатора с одинарными вторичками?

  6. #1905
    Завсегдатай Аватар для ditter
    Регистрация
    04.07.2004
    Адрес
    RUS
    Возраст
    52
    Сообщений
    1,121

    По умолчанию Re: DC-DC преобразователи напряжения (для авто)

    witali, имхо разделение ключей и прочая это уже когда выше 1кВт. а так сложить вместе да обмотать

  7. #1906
    Старый знакомый
    Регистрация
    08.04.2005
    Адрес
    Краснодар
    Возраст
    37
    Сообщений
    642

    По умолчанию Re: DC-DC преобразователи напряжения (для авто)

    witali, а как стабилизацию делать тогда?или лучше без стабилизации?и для ключей делать отдельные драйвера или от одной 3525 питать 4 ключа?

  8. #1907
    Частый гость Аватар для ali-ufa
    Регистрация
    11.02.2006
    Сообщений
    234

    По умолчанию Re: DC-DC преобразователи напряжения (для авто)

    Цитата Сообщение от witali Посмотреть сообщение
    доделал преобразователь для авто усилка так вот в холостую напряжение +-60 при нагрузке лампой 60 ватт напряжение падает до -+45 вольт -нормально ли это в питании кондеры пока 470*63в?

  9. #1908
    Регистрация не подтверждена Аватар для witali
    Регистрация
    21.02.2005
    Адрес
    Владимир
    Возраст
    49
    Сообщений
    880

    По умолчанию Re: DC-DC преобразователи напряжения (для авто)

    Цитата Сообщение от ditter Посмотреть сообщение
    witali, имхо разделение ключей и прочая это уже когда выше 1кВт. а так сложить вместе да обмотать
    Миш мотать проще 2 маленьких чем 1 большой
    Цитата Сообщение от m01971 Посмотреть сообщение
    witali, а как стабилизацию делать тогда?или лучше без стабилизации?и для ключей делать отдельные драйвера или от одной 3525 питать 4 ключа?
    не нужна она, по незнанию можно не стабилизацию а головную боль получить, и да надо делать драйвера для какждого транза, bc807+817

  10. #1909
    Завсегдатай Аватар для Артём
    Регистрация
    26.07.2004
    Адрес
    Минск
    Возраст
    38
    Сообщений
    1,115

    По умолчанию Re: DC-DC преобразователи напряжения (для авто)

    Цитата Сообщение от witali Посмотреть сообщение
    Миш мотать проще 2 маленьких чем 1 большой
    И что-то мне подсказывает, в данном случаи и в одно кольцо можно провода напихать на 400вт, а так как это скорее всего будет музыкальная нагрузка, то транс даже не нагреется.

  11. #1910
    Завсегдатай
    Регистрация
    27.01.2007
    Адрес
    White city
    Возраст
    40
    Сообщений
    1,406

    По умолчанию Re: DC-DC преобразователи напряжения (для авто)

    Отчет о проделанной работе))
    БП для 200 ваттного холтона в сабвуфер.
    Миниатюры Миниатюры Нажмите на изображение для увеличения. 

Название:	IMG_1810.JPG 
Просмотров:	727 
Размер:	147.9 Кб 
ID:	44807  
    Вложения Вложения
    • Тип файла: rar БП.rar (227.1 Кб, Просмотров: 437)

  12. #1911
    Старый знакомый
    Регистрация
    08.04.2005
    Адрес
    Краснодар
    Возраст
    37
    Сообщений
    642

    По умолчанию Re: DC-DC преобразователи напряжения (для авто)

    Цитата Сообщение от Артём Посмотреть сообщение
    И что-то мне подсказывает, в данном случаи и в одно кольцо можно провода напихать на 400вт
    в см увеличить толщину первички?

  13. #1912
    Завсегдатай Аватар для Артём
    Регистрация
    26.07.2004
    Адрес
    Минск
    Возраст
    38
    Сообщений
    1,115

    По умолчанию Re: DC-DC преобразователи напряжения (для авто)

    Цитата Сообщение от m01971 Посмотреть сообщение
    в см увеличить толщину первички?
    Увеличить относительно какой ?
    Просто сделать ее разумной

  14. #1913
    Старый знакомый
    Регистрация
    08.04.2005
    Адрес
    Краснодар
    Возраст
    37
    Сообщений
    642

    По умолчанию Re: DC-DC преобразователи напряжения (для авто)

    сколько витков первички нужно для такого кольца?2*4 витка пойдёт? частота 50-60кГц.

  15. #1914
    Завсегдатай Аватар для Артём
    Регистрация
    26.07.2004
    Адрес
    Минск
    Возраст
    38
    Сообщений
    1,115

    По умолчанию Re: DC-DC преобразователи напряжения (для авто)

    m01971, в разделе есть ветка, по расчету транса. Но 4 витка, скорее всего хватит.
    По простому, спаяй ПН, намотай на кольцо первичку любым проводом, хоть витой парой, включи и посмотри ток потребления. Я обычно таким способом подбираю первичку, ориентируясь на ток 200мА +-

  16. #1915
    Частый гость
    Регистрация
    14.02.2007
    Адрес
    Greece
    Возраст
    49
    Сообщений
    144

    По умолчанию Re: DC-DC преобразователи напряжения (для авто)

    Я например всега мотаю в первичке 4 витка, и подбираю частоту до еле
    заметного нагрева транса на хх.

  17. #1916
    Завсегдатай
    Регистрация
    06.01.2007
    Адрес
    г. Пенза
    Возраст
    61
    Сообщений
    2,684

    По умолчанию Re: DC-DC преобразователи напряжения (для авто)

    Не в тему, но вдруг кому, то надо. Автомобильный стабилизатор, входное напряжение 9…15В, выходное, стабилизированное, регулируемое до 16В. Выходной ток 40А, при входном напряжении 9В и выходном 16В. Номиналы не показываю, но принцип действия понятен.
    При токе 20А транзисторы без радиатора, просто горячи.
    Миниатюры Миниатюры Нажмите на изображение для увеличения. 

Название:	40a.png 
Просмотров:	684 
Размер:	36.8 Кб 
ID:	45415   Нажмите на изображение для увеличения. 

Название:	40a.jpg 
Просмотров:	575 
Размер:	103.9 Кб 
ID:	45416  

  18. #1917
    Частый гость Аватар для Flid
    Регистрация
    02.01.2008
    Адрес
    Красноярск
    Возраст
    36
    Сообщений
    146

    По умолчанию Re: DC-DC преобразователи напряжения (для авто)

    korolkov24, а есть что-нибудь проверенное 24=>12?

  19. #1918
    Завсегдатай
    Регистрация
    06.01.2007
    Адрес
    г. Пенза
    Возраст
    61
    Сообщений
    2,684

    По умолчанию Re: DC-DC преобразователи напряжения (для авто)

    Цитата Сообщение от Flid Посмотреть сообщение
    korolkov24, а есть что-нибудь проверенное 24=>12?
    Проверенного нет, но это просто, например, так.
    Миниатюры Миниатюры Нажмите на изображение для увеличения. 

Название:	24_12.png 
Просмотров:	543 
Размер:	91.3 Кб 
ID:	45427  

  20. #1919
    Частый гость Аватар для Flid
    Регистрация
    02.01.2008
    Адрес
    Красноярск
    Возраст
    36
    Сообщений
    146

    По умолчанию Re: DC-DC преобразователи напряжения (для авто)

    Ясно, что-нибудь придумаю. Спасибо.

  21. #1920
    Новичок
    Регистрация
    02.08.2008
    Сообщений
    5

    По умолчанию Re: DC-DC преобразователи напряжения (для авто)

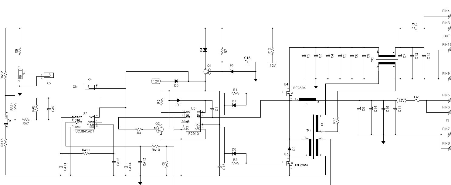
    Moi preobrazovatel dlya usilka Korolkova na IR2010 s vozmognostu raboti na 1 ohm.V preobrazovaele stoyat 16 HUF75339P3 ,8 diodov FES16DT, i na vihode 8 kondensatorov po 4700 mf na 80V,po vhodu 16 po 2200 mf na 25V.Vihodnaya napruga +-70 ot 13V vhoda.V kachestve driverov mosfetof stoyat MC34152 po odnoi na 8 shtuk.Vtorichki transov posle diodnih mostov zaparalelini.Transi motalis v pervichke 20 provodov po 1mm,vtorichka 10 po 1mm
    Последний раз редактировалось Dimon74; 16.03.2009 в 07:41.

Страница 96 из 317 Первая ... 869495969798106 ... Последняя

Социальные закладки

Социальные закладки

Ваши права

  • Вы не можете создавать новые темы
  • Вы не можете отвечать в темах
  • Вы не можете прикреплять вложения
  • Вы не можете редактировать свои сообщения
  •