Страница 9 из 11 Первая ... 7891011 Последняя
Показано с 161 по 180 из 217

Тема: Настраиваемый на пульт ДУ контроллер для усилителя.

  1. #1 Показать/скрыть первое сообщение.
    Не хочу!
    Автор темы
    Аватар для Alex
    Регистрация
    20.03.2003
    Адрес
    Worldwide
    Возраст
    62
    Сообщений
    39,050

    По умолчанию Настраиваемый на пульт ДУ контроллер для усилителя.

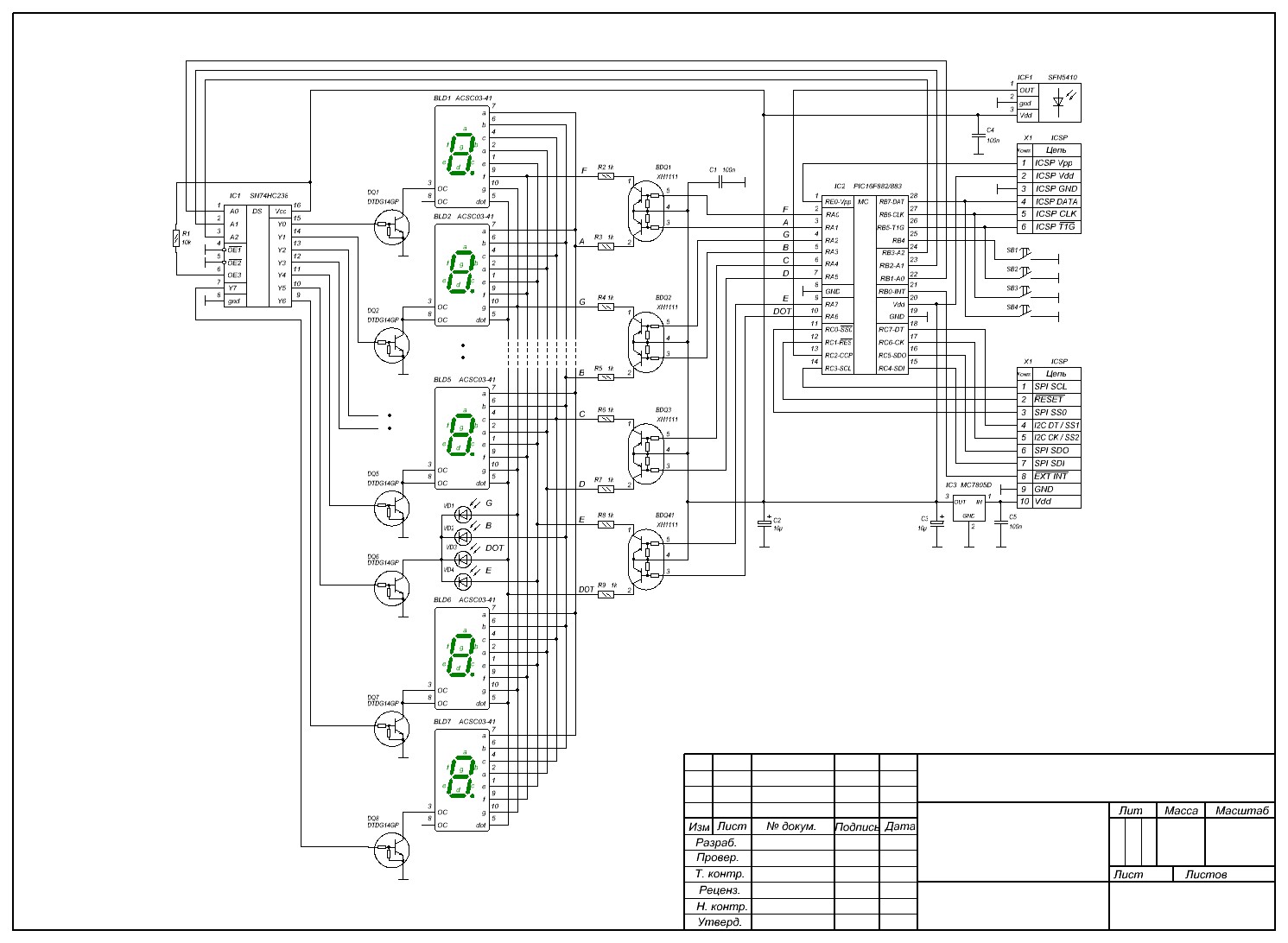
    Вот, обещал по случаю ДР выложить статейку. Написана в черновике давно, только подправил и добавил чуть-чуть.
    На сайте: http://altor1.narod.ru/DIY_Hobby/Own...v_control.html внизу.

    14 Авг. 2010: перезалил ПДФ и добавил софт.

    Внимание - в схеме опечатка - на 14-ю ногу микросхемы надо подать +5в !!!!
    Вложения Вложения
    Последний раз редактировалось Alex; 15.04.2011 в 18:12.
    "Замполит, чайку?"(с)"Охота за Красным Октябрем".
    "Да мне-то что, меняйтесь!"(с)анек.
    <-- http://altor1.narod.ru --> Вопросы - в личку, е-мейл, скайп.

  2. #161
    Не хочу!
    Автор темы
    Аватар для Alex
    Регистрация
    20.03.2003
    Адрес
    Worldwide
    Возраст
    62
    Сообщений
    39,050

    По умолчанию Re: Настраиваемый на пульт ДУ контроллер для усилителя.

    Цитата Сообщение от KNLL Посмотреть сообщение
    Alex, Со стеком - к сожалению переполнялся при работе.
    Как ты увидел что он переполняется, в симуляторе?
    У меня ни в эмуляторе ни в реальном кристалле переполнений нет.
    Киношный усилитель с этой прошивкой (для 628) работает года 3 не выключаясь, с пультом от Панасоника, ни одного глюка ни разу не было.


    Цитата Сообщение от KNLL Посмотреть сообщение
    По компилёру 9.80 вот здесь, после //

    //rcAR100msChannel,rcAR100msChannel,\

    "видит" перенос " \ " на что и ругается.
    По переносам этим мы с тобой кажется в личке и е-0мейле уже общались. Я тебе говорил - это проблемы твоего компилятора.
    Pro вообще корявый, во всяком случае 9.60 и 9.70, все пользуются STD.
    (есть подозрения, что в Про эти глюки именно в кракнутом, проверить не могу - его у меня нет, а STD у меня легальный).

    Цитата Сообщение от KNLL Посмотреть сообщение
    При чем тут CARRY я так и не понял, проще оказалось переписать.
    Непонятно почему из-за этого у тебя не компилировалось., но очень жаль что бы не понял при чем тут оно. И если даже у тебя почему-то не получилось как у меня написано, что ты не сделал этого другим способом.

    В каких-то случаях твой вариант конечно будет работать (скорее всего даже в моей программе), но в других - будет беда. А я как ты понимаешь, писал эту подпрограмму вовсе не для этого проекта.
    (там, собственно, больше половины с других проектов, ну а уж такие вещи как п/п записи/чтения ЕЕ я пишу раз, и потом много лет пользуюсь)

    Но ведь у тебя и какие-то другие куски тоже не хотели твоим горбатым компилятором компилироваться?

    Даже такие как:
    Код:
    Ругается на это:
    static void FillHeaders(byte Protocol){
    byte i;
         for (i=0; i<4; i++) {
             header[i] = (Protocol==0) ? 0: hb[Protocol-1][i];
        }
    }
    static void FillBorders(byte Protocol){
    byte i;
        for (i=0; i<8; i++) {
               bits[i] = (Protocol==0) ? 0: bt[Protocol-1][i];
       }
    }
    Не говоря уже что у тебя ругалось на отсутствие ";" и "}" там где они есть.

    Тут тоже у меня в программе "глюки" ?
    Последний раз редактировалось Alex; 03.10.2010 в 01:19.
    "Замполит, чайку?"(с)"Охота за Красным Октябрем".
    "Да мне-то что, меняйтесь!"(с)анек.
    <-- http://altor1.narod.ru --> Вопросы - в личку, е-мейл, скайп.

  3. #162
    Старый знакомый
    Регистрация
    15.04.2008
    Адрес
    СПб
    Возраст
    56
    Сообщений
    788

    По умолчанию Re: Настраиваемый на пульт ДУ контроллер для усилителя.

    Alex, Компилер у меня сейчас в Pro в триале, срок подойдет - раскошелюсь на годовой STD, там посмотрим. Тем более, что сам-то компилер - один, просто ключики разные в отличие от версии....

    А в этом фрагменте я разобрался - компилер именно на \ ругался, он предыдущей строчкой идет. А вот сообщения об ошибках компилер действительно может выдать "не по теме" - т.е совершенно никак не стыкуещееся с собственно ошибкой.

    Запись ЕЕ компилируется нормально. Вот только глючит она в твоём варианте. В моем - нет.

    Может я чего не понимаю - объясни почему же должна вдруг быть "беда" в моём варианте?

    По стеку - в твоем варианте по факту работает "на пределе" - добавляешь один уровень вложения - и всё - висит родной.... Так что явно не 5-й......

    Вообще сама идея с определением протоколов и записи - классная. Думаю, что "полный" вариант тоже работает "как надо". Скорее здесь именно в упращении где-то проблемы вылезли....

    А про ошибки при сохранении команд - так оно вылезло после того, как я вместо "мигалок" приспособил текстовые сообщения. Залил проект в
    такую схему -

    https://forum.vegalab.ru/attachment....8&d=1235642017
    уже года два лежала собранная платка -

    Нажмите на изображение для увеличения. 

Название:	DSC00026.JPG 
Просмотров:	276 
Размер:	191.7 Кб 
ID:	99097

    Вот теперь тоже заработала

    Там получается конфликт между сохраненными и вновь записываемыми командами, да и то не на всех протоколах.... Разберусь что к чему - скажу. А пока надо на платке 882 на 883 менять - USER FRENDLY интерфейс не лезет.......

  4. #163
    Частый гость
    Регистрация
    07.02.2008
    Адрес
    Таймыр
    Сообщений
    105

    По умолчанию Re: Настраиваемый на пульт ДУ контроллер для усилителя.

    2 KNLL, компелировал, переделывал прошивку Александра множество раз. зависаний, проблем с работаспособностью=0. компилятор официальный std.

  5. #164
    Не хочу!
    Автор темы
    Аватар для Alex
    Регистрация
    20.03.2003
    Адрес
    Worldwide
    Возраст
    62
    Сообщений
    39,050

    По умолчанию Re: Настраиваемый на пульт ДУ контроллер для усилителя.

    Цитата Сообщение от KNLL Посмотреть сообщение
    Запись ЕЕ компилируется нормально. Вот только глючит она в твоём варианте. В моем - нет.

    Да ничего она в моем не глючит, используется в десятках проектах.

    Более того, кусок с CARRY точно таккой-же как в родной стандартной библиотеке и родном макросе. Как говорится - найди два отличия:
    Код:
    моя п/п :
    void EE_Write(byte data, byte addr){ // function for MCU with internal EEprom.
            EEADR=addr;
            EEDATA=data;
            CARRY=0;
            if(GIE)CARRY=1;
            GIE=0;
            WREN=1;
            EECON2=0x55;
            EECON2=0xAA;
            WR=1;
            WREN=0;
            if(CARRY)GIE=1;
            while(WR)CLRWDT();
            EEADR=0;
    }
    
    
    //  библиотечный макрос
    #define	EEPROM_WRITE(addr, value) \
    do{ \
            while(WR)continue;\
            EEADR=(addr);     \
            EEDATA=(value);   \
    	EECON1&=0x7F;     \
            CARRY=0;          \
            if(GIE)CARRY=1;   \
            GIE=0;            \
    	WREN=1;           \
            EECON2=0x55;      \
            EECON2=0xAA;      \
            WR=1;             \
            WREN=0;           \
    	if(CARRY)GIE=1;   \
    }while(0)

    Цитата Сообщение от KNLL Посмотреть сообщение
    Может я чего не понимаю - объясни почему же должна вдруг быть "беда" в моём варианте?
    Я не говорил что "должна", я говорил что" может быть", с некоторых случаях.
    Ты попробуй записать что-то в ЕЕ твоей подпрограммой, когда у тебя выключены прерывания.
    Моя-то сохраняет прерывания в том-же виде, в каком они были до вызова EE_WRITE - на время ее выполнения прерывания блокируются, но при окончании - если они были разрешены, то и останутся разрешены, если были запрещены - остануться запрещены.
    В твоей п/п - прерывания принудительно разрешаются в конце. Потому я и говорю - где-то будет нормлаьно. а где-то - будет беда (когда прерывания разрешаться там, где их совсем не надо разрешать).


    Цитата Сообщение от KNLL Посмотреть сообщение
    А про ошибки при сохранении команд - так оно вылезло после того, как я вместо "мигалок" приспособил текстовые сообщения.
    Ну я же не знаю как и что ты там "приспосабливал", а за чужие программы я ответственности не несу
    У меня сообщения прекрасно выводятся в ЖКИ, и проблем не возникало.


    Цитата Сообщение от KNLL Посмотреть сообщение
    А пока надо на платке 882 на 883 менять - USER FRENDLY интерфейс не лезет.......
    Ну так уже 886 бы поставил, на всякий случай
    "Замполит, чайку?"(с)"Охота за Красным Октябрем".
    "Да мне-то что, меняйтесь!"(с)анек.
    <-- http://altor1.narod.ru --> Вопросы - в личку, е-мейл, скайп.

  6. #165
    Старый знакомый
    Регистрация
    15.04.2008
    Адрес
    СПб
    Возраст
    56
    Сообщений
    788

    По умолчанию Re: Настраиваемый на пульт ДУ контроллер для усилителя.

    Alex, Я ж не из желания обо...ть, а чтобы ты поправил глюк....

    Разница м-ду твоей подпрограммой и библиотечной - ПРИНЦИПИАЛЬНАЯ.
    В библиотечной (и в моем варианте) разрешение прерывания делается (восстанавливается) ПОСЛЕ окончания цикла записи, у тебя - ДО.
    В результате, если до окончания цикла приходит прерывание - МК переходит к его обработке, что может вызывать переполнение стека, (если обработка прерывания достаточно сложная - это ещё несколько уровней вложения, по факту у меня именно это и происходило, пока я не переписал подпрограмму записи ЕЕ)
    Если же if(CARRY)GIE=1; перенести ПОСЛЕ цикла - такой проблемы не существует.

    За сохранение значения прерывания - спасибо, я это добавил. Что тестить в цикле WR или EEIF - всё равно.



    Цитата Сообщение от Alex Посмотреть сообщение
    Ну так уже 886 бы поставил, на всякий случай
    887 будет, но в другом проекте.


    Цитата Сообщение от Alex Посмотреть сообщение
    Ну я же не знаю как и что ты там "приспосабливал", а за чужие программы я ответственности не несу
    Так никто и не привлекает......
    Просто говорю, с чем столкнулся при переделке, понятно, что это уже не совсем твой код.....

  7. #166
    Не хочу!
    Автор темы
    Аватар для Alex
    Регистрация
    20.03.2003
    Адрес
    Worldwide
    Возраст
    62
    Сообщений
    39,050

    По умолчанию Re: Настраиваемый на пульт ДУ контроллер для усилителя.

    Цитата Сообщение от KNLL Посмотреть сообщение
    Разница м-ду твоей подпрограммой и библиотечной - ПРИНЦИПИАЛЬНАЯ.
    В библиотечной разрешение прерывание делается (восстанавливается) ПОСЛЕ окончания цикла записи, у тебя - ДО.
    Нет конечно, ты что , сам не видишь?

    Разница там в том, что в библиотечной окончание записи проверяется и ожидается в начале п/п а у меня в конце (мне так надо было в свое время по некоторым причинам).
    А самой записи совершенно наплевать включены прерывания или выключены. Они должны быть выключены только при инициализации записи, чтобы не прерывать "magic sequence".


    Цитата Сообщение от KNLL Посмотреть сообщение
    В результате, если до окончания цикла приходит прерывание - МК переходит к его обработке, что может вызывать переполнение стека.
    С чего вдруг?!


    Цитата Сообщение от KNLL Посмотреть сообщение
    Если же if(CARRY)GIE=1; перенести ПОСЛЕ цикла - такой проблемы не существует.
    Ага, и всю ту кучу времени, что идет запись а ЕЕПРОМ (а это аж несколько миллисекунд!!!!), контроллер будет с выключенными прерываниями. Так программы для embedded не пишут

    Цитата Сообщение от KNLL Посмотреть сообщение
    По факту у меня именно это и происходио, пока я не переписал подпрограмму записи ЕЕ)
    Что у тебя там происходило - мне неведомо, но я не думаю что в этой теме самое место учиться программированию микроконтроллеров.
    Последний раз редактировалось Alex; 05.10.2010 в 19:39.
    "Замполит, чайку?"(с)"Охота за Красным Октябрем".
    "Да мне-то что, меняйтесь!"(с)анек.
    <-- http://altor1.narod.ru --> Вопросы - в личку, е-мейл, скайп.

  8. #167
    Старый знакомый
    Регистрация
    15.04.2008
    Адрес
    СПб
    Возраст
    56
    Сообщений
    788

    По умолчанию Re: Настраиваемый на пульт ДУ контроллер для усилителя.

    Alex,

    Offтопик:
    По поводу где ожидание и чего ждем - конечно вижу. В данном случае - это непринципиально, возможно тебе так было удобнее.
    А вот включать прерывания только ПОСЛЕ завершения цикла записи ЕЕ - рекомендовано в датшитах на ПИКи и, наверное, не зря. Во всяком случае я на эти "грабли" нарвался - если разрешить прерывания ДО - МК "виснет". после - нет. Хотя времени, конечно, жалко. А для для систем реального времени - либо не писАть в ЕЕ, либо делать это при инициализации или выключении. Временно хранить в регистрах.


    Ладно, забили, действительно здесь не место.

  9. #168
    Не хочу!
    Автор темы
    Аватар для Alex
    Регистрация
    20.03.2003
    Адрес
    Worldwide
    Возраст
    62
    Сообщений
    39,050

    По умолчанию Re: Настраиваемый на пульт ДУ контроллер для усилителя.

    Цитата Сообщение от KNLL Посмотреть сообщение
    А вот включать прерывания только ПОСЛЕ завершения цикла записи ЕЕ - рекомендовано в датшитах на ПИКи и, наверное, не зря.
    17 лет с пиками работаю, впервые слышу.
    А нахрена тогда существует прерывание по окончанию записи? Если прерывания запрещены во время записи - оно никогда не сработает и смысла в нем никакого.
    Но дело в том, что ты просто ошибаешся, и там такого нет.

    Цитата Сообщение от KNLL Посмотреть сообщение
    Во всяком случае я на эти "грабли" нарвался -
    "Грабли" - ищи в своей программе.
    Цитата Сообщение от KNLL Посмотреть сообщение
    А для для систем реального времени - либо не писАть в ЕЕ, либо делать это при инициализации или выключении
    "Ох уж эти сказки, ох уж эти сказочники..."(с)?
    Ты вообще в курсе, что начиная с 9.хх версий компилятора, можно просто обычную переменную обьявить находящейся в ЕЕПРОМ, и работать с ней прозрачным образом, как с любой другой переменной, без всех этих подпрограмм?

    Давай все же ликбез по микроконтроллерам и программированию будет не в этой теме?
    "Замполит, чайку?"(с)"Охота за Красным Октябрем".
    "Да мне-то что, меняйтесь!"(с)анек.
    <-- http://altor1.narod.ru --> Вопросы - в личку, е-мейл, скайп.

  10. #169
    Частый гость
    Регистрация
    23.06.2006
    Сообщений
    248

    По умолчанию Re: Настраиваемый на пульт ДУ контроллер для усилителя.

    Добрый день. Фрагмент из даташыта на PIC16F628A.

    13.4 Writing to the EEPROM Data
    Memory
    To write an EEPROM data location, the user must firs
    write the address to the EEADR register and the data
    to the EEDATA register. Then the user must follow a
    specific sequence to initiate the write for each byte.

    EXAMPLE 13-2: DATA EEPROM WRITE

    BSF STATUS, RP0 ;Bank 1
    BSF EECON1, WREN ;Enable write
    BCF INTCON, GIE ;Disable INTs.
    BTFSC INTCON,GIE ;See AN576

    GOTO $-2
    MOVLW 55h ;
    MOVWF EECON2 ;Write 55h
    MOVLW AAh ;
    MOVWF EECON2 ;Write AAh
    BSF EECON1,WR ;Set WR bit
    ;begin write
    BSF INTCON, GIE ;Enable INTs.

    The write will not initiate if the above sequence is no
    followed exactly (write 55h to EECON2, write AAh to
    EECON2, then set WR bit) for each byte. We strongly
    recommend that interrupts be disabled during this
    code segment.

  11. #170
    Не хочу!
    Автор темы
    Аватар для Alex
    Регистрация
    20.03.2003
    Адрес
    Worldwide
    Возраст
    62
    Сообщений
    39,050

    По умолчанию Re: Настраиваемый на пульт ДУ контроллер для усилителя.

    Цитата Сообщение от ypvypv Посмотреть сообщение
    The write will not initiate if the above sequence is no
    followed exactly (write 55h to EECON2, write AAh to
    EECON2, then set WR bit) for each byte. We strongly
    recommend that interrupts be disabled during this
    code segment.

    Во-во, именно это у меня и делается - на время передачи "магической последовательности" прерывания запрещаются, и их предыдущее состояние запоминается в CARRY.
    После передачи магической последовательности (0x55,0xAA) и начала записи (WR=1), прерывания, если они были разрешены ранее, разрешаются (GIE восстанавливается из CARRY), и сама запись идет с включенными прерываниями.
    "Замполит, чайку?"(с)"Охота за Красным Октябрем".
    "Да мне-то что, меняйтесь!"(с)анек.
    <-- http://altor1.narod.ru --> Вопросы - в личку, е-мейл, скайп.

  12. #171
    Частый гость
    Регистрация
    23.06.2006
    Сообщений
    248

    По умолчанию Re: Настраиваемый на пульт ДУ контроллер для усилителя.

    Век живи век учись!
    Я огульно распространил требование отключения прерываний на весь процесс записи данных в память.
    Прошу прощение.

  13. #172
    Старый знакомый Аватар для brier
    Регистрация
    09.05.2008
    Возраст
    50
    Сообщений
    592

    По умолчанию Re: Настраиваемый на пульт ДУ контроллер для усилителя.

    А у меня сразу не получилось. Впервые "прошивкой" занялся. Тут Нажмите на изображение для увеличения. 

Название:	точечный рисун&#10.gif 
Просмотров:	196 
Размер:	43.8 Кб 
ID:	101444 всё верно (htc_628_4NS.hex) ? При включении устройства с установленным контроллером светодиод STB не горит, D1-D4 тоже не моргают при включении и нажатой SW1. Сразу после включения на выводе 6 контроллера какое напряжение должно быть ?
    Последний раз редактировалось brier; 27.10.2010 в 17:03.

  14. #173
    Не хочу!
    Автор темы
    Аватар для Alex
    Регистрация
    20.03.2003
    Адрес
    Worldwide
    Возраст
    62
    Сообщений
    39,050

    По умолчанию Re: Настраиваемый на пульт ДУ контроллер для усилителя.

    Цитата Сообщение от friday Посмотреть сообщение
    Сразу после включения на выводе 6 контроллера какое напряжение должно быть ?
    Такое, какое придет с приемника.
    "Замполит, чайку?"(с)"Охота за Красным Октябрем".
    "Да мне-то что, меняйтесь!"(с)анек.
    <-- http://altor1.narod.ru --> Вопросы - в личку, е-мейл, скайп.

  15. #174
    Старый знакомый Аватар для brier
    Регистрация
    09.05.2008
    Возраст
    50
    Сообщений
    592

    По умолчанию Re: Настраиваемый на пульт ДУ контроллер для усилителя.

    Цитата Сообщение от Alex Посмотреть сообщение
    Такое, какое придет с приемника.
    С установленным МК просаживается до 2.25В. Убль, тупо по пдф-ке печатку сделал, а там на VDD питание не подаётся, т.ч. нормально всё вроде, после чая продолжу.
    Последний раз редактировалось brier; 27.10.2010 в 23:45.

  16. #175
    Старый знакомый Аватар для brier
    Регистрация
    09.05.2008
    Возраст
    50
    Сообщений
    592

    По умолчанию Re: Настраиваемый на пульт ДУ контроллер для усилителя.

    Не понял, зачем "Последовательность ввода команд следующая: ... Ch1, Ch2, Ch3, Ch3." , если получается "Каждая версия дана для ... несеквентального управления с
    передней панели и секвентального в пульта ДУ.".
    Использую пульт от DVD-плеера Samsung (NEC). При нажатии запрограммированной кнопки "громкость+" (или"-") на мотор подаётся короткий, полсекунды импульс, при удержании импульсы не повторяются. Это лечится изменением настроек программного одновибратора ?
    Последний раз редактировалось brier; 28.10.2010 в 02:08.

  17. #176
    Не хочу!
    Автор темы
    Аватар для Alex
    Регистрация
    20.03.2003
    Адрес
    Worldwide
    Возраст
    62
    Сообщений
    39,050

    По умолчанию Re: Настраиваемый на пульт ДУ контроллер для усилителя.

    Цитата Сообщение от friday Посмотреть сообщение
    Не понял, зачем "Последовательность ввода команд следующая: Power (ON/STB), Volume+, Volume-,
    Ch1, Ch2, Ch3, Ch3." , если получается "Каждая версия дана для 2-х, 3-х и 4-х каналов, несеквентального управления с
    передней панели и секвентального в пульта ДУ.".
    Чтобы алгоритм настройка был всегда одинаковый. На ненужных командах (Ch2,Ch3,Ch4, в случае секвентального управления) - можно понажимать на пульте любыю ненужные кнопки.
    Цитата Сообщение от friday Посмотреть сообщение
    Использую пульт от DVD-плеера Samsung (NEC).
    Так Нэк или Самсунг? Это разные протоколы. У Сасунга действительно наблюдался не всегда четкий автоповтор. У Нэка - все идеально.
    "Замполит, чайку?"(с)"Охота за Красным Октябрем".
    "Да мне-то что, меняйтесь!"(с)анек.
    <-- http://altor1.narod.ru --> Вопросы - в личку, е-мейл, скайп.

  18. #177
    Старый знакомый Аватар для brier
    Регистрация
    09.05.2008
    Возраст
    50
    Сообщений
    592

    По умолчанию Re: Настраиваемый на пульт ДУ контроллер для усилителя.

    Цитата Сообщение от Alex Посмотреть сообщение
    Так Нэк или Самсунг? Это разные протоколы. У Сасунга действительно наблюдался не всегда четкий автоповтор. У Нэка - все идеально.
    Пульт SAMSUNG (надпись на пульте, могу сфоткать), определяется контроллером как NEC.

    ---------- Добавлено в 02:59 ---------- Предыдущее сообщение в 02:11 ----------

    Цитата Сообщение от Alex Посмотреть сообщение
    Чтобы алгоритм настройка был всегда одинаковый. На ненужных командах (Ch2,Ch3,Ch4, в случае секвентального управления) - можно понажимать на пульте любыю ненужные кнопки.
    Поторопился я этот вопрос задавать, надо было глянуть пдф-ку, по изменению EEPROM. Благодарю Вас, Alex за моё счастливое радиолюбительство.

  19. #178
    Старый знакомый Аватар для brier
    Регистрация
    09.05.2008
    Возраст
    50
    Сообщений
    592

    По умолчанию Re: Настраиваемый на пульт ДУ контроллер для усилителя.

    А пятый канал селектора входов сюда можно добавить ? Наверное, для этого надо будет какую другую функцию удалить, например, секвентальное переключение ?
    Последний раз редактировалось brier; 28.10.2010 в 17:46.

  20. #179
    Не хочу!
    Автор темы
    Аватар для Alex
    Регистрация
    20.03.2003
    Адрес
    Worldwide
    Возраст
    62
    Сообщений
    39,050

    По умолчанию Re: Настраиваемый на пульт ДУ контроллер для усилителя.

    Цитата Сообщение от friday Посмотреть сообщение
    А пятый канал селектора входов сюда можно добавить ?
    Да, при небольшом изменении схемы и программы.


    Цитата Сообщение от friday Посмотреть сообщение
    Наверное, для этого надо будет какую другую функцию удалить, например, секвентальное переключение ?
    Нет конечно, причем тут секвентальное управление?
    Нужно отказаться от бинарного управления реле входов, чтобы освободить 2 ножки проца (RA6 и RA7), использующиеся сейчас для этого. И исползьовать одну под вход, другую под выход (RA6 и RA7) пятого канала.
    Или наоборот, оставить только бинарное управление, увеличив разрядность до 3 бит.
    Исходники выложены, так что любой может переделать все под себя, не затрагивая ядро.
    "Замполит, чайку?"(с)"Охота за Красным Октябрем".
    "Да мне-то что, меняйтесь!"(с)анек.
    <-- http://altor1.narod.ru --> Вопросы - в личку, е-мейл, скайп.

  21. #180
    Старый знакомый Аватар для brier
    Регистрация
    09.05.2008
    Возраст
    50
    Сообщений
    592

    По умолчанию Re: Настраиваемый на пульт ДУ контроллер для усилителя.

    Цитата Сообщение от Alex Посмотреть сообщение
    Нужно отказаться от бинарного управления реле входов, чтобы освободить 2 ножки проца (RA6 и RA7), использующиеся сейчас для этого.
    Я это и имел ввиду.

Страница 9 из 11 Первая ... 7891011 Последняя

Социальные закладки

Социальные закладки

Ваши права

  • Вы не можете создавать новые темы
  • Вы не можете отвечать в темах
  • Вы не можете прикреплять вложения
  • Вы не можете редактировать свои сообщения
  •