Страница 83 из 109 Первая ... 73818283848593 ... Последняя
Показано с 1,641 по 1,660 из 2163

Тема: Индукция меньше 0.8 в торрах, насколько это необходимо

  1. #1 Показать/скрыть первое сообщение.
    Завсегдатай
    Автор темы
    Аватар для Dmitry Korneev
    Регистрация
    27.11.2004
    Адрес
    Павшинская пойма
    Возраст
    47
    Сообщений
    1,513

    По умолчанию Индукция меньше 0.8 в торах, насколько это необходимо

    Просто ведет к удорожанию трансформатора, стоит ли этого придерживаться?
    Последний раз редактировалось Dmitry Korneev; 27.02.2009 в 21:11.

  2. #1641
    Старый знакомый Аватар для poddel
    Регистрация
    03.07.2010
    Адрес
    сибирь
    Сообщений
    513

    По умолчанию Re: Индукция меньше 0.8 в торрах, насколько это необходимо

    Цитата Сообщение от hydr Посмотреть сообщение
    У этого обвиняемого хорошее алиби. Свидетель сам Фурье. Свидетельствует о том, что как не складывай два синусоидальных сигнала, постоянной составляющей не получишь.

    С уважением hydr.
    Вот как бы такой момент: попытались представить асимметрию напряжений, а не несинусоидальность (термины по ГОСТу). Если говорить о несинусоидальности, то есть о присутствии всяческих гармоник вплоть до 40, то это обстоятельство само по себе никакого серьезного ущерба для симметричного перемагничивания трансформатора не представляет. Несимметричность в перемагничивании появляется при появлении коэффициентов несимметрии нулевого порядка, то есть фактически воздействия постоянной составляющей. И для этого обстоятельства Фурье не свидетель.

  3. #1642
    Завсегдатай
    Регистрация
    03.05.2010
    Сообщений
    3,486

    По умолчанию Re: Индукция меньше 0.8 в торрах, насколько это необходимо

    Цитата Сообщение от hydr Посмотреть сообщение
    Смотреть то нужно результирующую картинку токов в первичке
    А что с ней непонятно? Там будет ровно то, что всегда и бывает, когда от вторички отбирают постоянный ток.

    Во вторичке появилась постоянная составляющая тока. Она намагничивает сердечник.
    А на первичке, закономерным образом, никакого постоянного тока нет.
    Т.е. в первичке импульсы заряда емкостей БП (условно - в верхнем полупериоде) будут "скомпенсированы" импульсами тока на участках периода, соответствующих насыщению магнитопровода (условно, в нижнем полупериоде).

    Естественно, это все чуть сложнее (с учетом фазовых соотношением между токами хх, выпрямленным, напряжением и насыщением).
    Но объяснять это - пальцы об клаву сотрешь, а симулировать лень.
    Проще - тупо посмотреть ток в первичке осциллографом (только не совать пальцы/щупы в сеть 220 вольт!!)
    Будет что-то вроде такого (это нарисовано для выпрямителя без емкости, т.е. выпрямленный ток - полпериода)
    Нажмите на изображение для увеличения. 

Название:	DC_tr.png 
Просмотров:	161 
Размер:	33.4 Кб 
ID:	316211
    Коротко:
    1. Тонкая линия - изначальный индуктивный ток хх (идеализированно синусоидальный).
    2. Небольшие иголки, которые обычно видны на токе хх разрастутся в одной из полярностей очень сильно (это пики вниз),
    3. В противоположной полярности будут импульсы тока от выпрямителя.
    Площади вверху и внизу равны. Постоянная составляющая - ноль. Транс чуть не четверть времени в насыщении, с соответствующими эффектами.
    Работает. Как может. Плохо, с нагревом и гулом.

    Ну а как это в реальности - тоже понятно. Нарисовать более реалистично ток хх (опрямоуголенный с иголками), сузить и повысить ток выпрямителя, работающего на емкость и т.п. Суть не меняется. Частоты около 25, 75.. Гц - не самое приятное для 50Гц транса с выпрямителем.
    Последний раз редактировалось ViktKors; 28.03.2018 в 18:32.

  4. #1643
    Забанен (навсегда)
    Регистрация
    27.02.2005
    Адрес
    село Самбек
    Сообщений
    2,080

    По умолчанию Re: Индукция меньше 0.8 в торрах, насколько это необходимо

    Цитата Сообщение от hydr Посмотреть сообщение
    Приметы подозреваемого определены. Кандидаты?
    Коллега, обратите внимание на вот эти свидетельские показания.


    Из них следует, что при работе на однополупериодный выпрямитель трансформатор насыщается во время ненагруженных полупериодов. А это на кое-что намекает...

    ---------- Сообщение добавлено 19:57 ---------- Предыдущее сообщение было 19:41 ----------

    И кстати, популярные лозунги аля "трансформатор не может передавать постоянку" в некотором смысле от лукавого. Во всяком случае однополярные импульсы трансформатор передавать может, чему есть много примеров.

  5. #1644
    Завсегдатай
    Регистрация
    21.11.2012
    Сообщений
    2,002

    По умолчанию Re: Индукция меньше 0.8 в торрах, насколько это необходимо

    Цитата Сообщение от poddel Посмотреть сообщение
    Несимметричность в перемагничивании появляется при появлении коэффициентов несимметрии нулевого порядка, то есть фактически воздействия постоянной составляющей.
    Нулевая последовательность ни какого отношения к постоянному току не имеет. Это ток возникающий в нейтрали трансформатора, естественно в сети с заземленной нейтралью, вызван несимметричной нагрузкой по фазам.

    С уважением hydr.

  6. #1645
    Старый знакомый Аватар для poddel
    Регистрация
    03.07.2010
    Адрес
    сибирь
    Сообщений
    513

    По умолчанию Re: Индукция меньше 0.8 в торрах, насколько это необходимо

    Цитата Сообщение от hydr Посмотреть сообщение
    Нулевая последовательность ни какого отношения к постоянному току не имеет. Это ток возникающий в нейтрали трансформатора, естественно в сети с заземленной нейтралью, вызван несимметричной нагрузкой по фазам.

    С уважением hydr.
    Да. Не имеет. Будем точны в терминах. Так, если уж, мы имеем неконтролируемый нами ток в нейтрали, то есть "модулированный" ноль (так я его обозвал изначально чуть выше) для однофазного потребителя, то почему бы не предположить, что это и является искомым подозреваемым?

  7. #1646
    Завсегдатай
    Регистрация
    21.11.2012
    Сообщений
    2,002

    По умолчанию Re: Индукция меньше 0.8 в торрах, насколько это необходимо

    Цитата Сообщение от poddel Посмотреть сообщение
    то почему бы не предположить, что это и является искомым подозреваемым?
    Потому, что ток нулевой последовательности синусоидален и имеет частоту 50Гц. И в какой фазе не складывай два синусоидальных сигнала получится то же синусоидальный сигнал в данном случае частотой 50Гц.

    С уважением hydr.

  8. #1647
    Забанен (навсегда)
    Регистрация
    27.02.2005
    Адрес
    село Самбек
    Сообщений
    2,080

    По умолчанию Re: Индукция меньше 0.8 в торрах, насколько это необходимо

    Цитата Сообщение от poddel Посмотреть сообщение
    то почему бы не предположить, что это и является искомым подозреваемым?
    По поводу обычного трансформатора с однотактным выпрямителем хочу обратить внимание коллег на некоторые выявленные следствием обстоятельства.
    1) Постоянная составляющая тока вторички сама по себе сердешник не подмагничивает. Это хорошо известно всем, кто имел дело с импульсными источниками, где однотактные прямоходы с однотактным же выпрямителем общее место. Да, там другие материалы, частоты, форма сигналов, но сама физика процессов абсолютно та же. Но к сожалению, среди остальной публики заблуждение на этот счёт весьма популярно.
    2) "Однобокий" ток вторички приводится к первичке и вызывает там разные падения напряжения на активных сопротивлениях в нагруженном и в холостом полупериодах. Из-за чего получаются разные площади полупериодов в вольт*секундах. "Вольт*секунды на первичке" и есть фамилия подозреваемого, или уже обвиняемого.
    3) На первичке в холостом полупериоде вольт*секунд получается больше, чем в нагруженном, что собсно и вызывает подмагничивание. Ток намагничивания в холостом полупериоде нарастает до тех пор, пока вольт*секунды не сравняются. Этим равенством величина тока намагничивания и определяется.

  9. #1648
    Старый знакомый Аватар для poddel
    Регистрация
    03.07.2010
    Адрес
    сибирь
    Сообщений
    513

    По умолчанию Re: Индукция меньше 0.8 в торрах, насколько это необходимо

    Цитата Сообщение от hydr Посмотреть сообщение
    Потому, что ток нулевой последовательности синусоидален и имеет частоту 50Гц. И в какой фазе не складывай два синусоидальных сигнала получится то же синусоидальный сигнал в данном случае частотой 50Гц.

    С уважением hydr.
    Согласен. Вот только такой момент не до конца снимает подозрения: совместно с током "нашей" фазы в нулевом проводе протекают софазно с "нашим" током ещё два тока нулевой последовательности. И вот есть смутное предположение, что эти два "ненаших" тока могут дать несимметрию в перемагничивании.

    ---------- Сообщение добавлено 08:03 ---------- Предыдущее сообщение было 08:01 ----------

    Цитата Сообщение от лысый Посмотреть сообщение
    По поводу обычного трансформатора с однотактным выпрямителем хочу обратить внимание коллег на некоторые выявленные следствием обстоятельства.
    1) Постоянная составляющая тока вторички сама по себе сердешник не подмагничивает. Это хорошо известно всем, кто имел дело с импульсными источниками, где однотактные прямоходы с однотактным же выпрямителем общее место. Да, там другие материалы, частоты, форма сигналов, но сама физика процессов абсолютно та же. Но к сожалению, среди остальной публики заблуждение на этот счёт весьма популярно.
    2) "Однобокий" ток вторички приводится к первичке и вызывает там разные падения напряжения на активных сопротивлениях в нагруженном и в холостом полупериодах. Из-за чего получаются разные площади полупериодов в вольт*секундах. "Вольт*секунды на первичке" и есть фамилия подозреваемого, или уже обвиняемого.
    3) На первичке в холостом полупериоде вольт*секунд получается больше, чем в нагруженном, что собсно и вызывает подмагничивание. Ток намагничивания в холостом полупериоде нарастает до тех пор, пока вольт*секунды не сравняются. Этим равенством величина тока намагничивания и определяется.
    С описанными процессами согласен. Осталось объяснить, почему трансформатор подмагничивается на холостом ходу (или ходе )?

  10. #1649
    Завсегдатай
    Регистрация
    21.11.2012
    Сообщений
    2,002

    По умолчанию Re: Индукция меньше 0.8 в торрах, насколько это необходимо

    По трансформаторно - выпрямительной теме есть хорошая книга (может есть и лучше, но эту хорошо знаю, долгое время была настольной) "Основы преобразовательной техники" Сенько, Руденко, Чиженко. Дается вывод всех соотношений, требований к трансформаторам, вентилям, разных выпрямителей на активную, активно -индуктивную, емкостную, нагрузки. Там же можно прочитать есть или нет пресловутая "постоянка" во вторичных обмотках выпрямительного трансформатора.
    Кому лень следить за акробатикой дифференциальных уравнений, может использовать в работе сводную таблицу в которой дана выжимка всех важных соотношений. Во втором издании эта таблица на стр56. Некоторые цифры могут удивить.

    С уважением hydr.

  11. #1650
    Старый знакомый Аватар для poddel
    Регистрация
    03.07.2010
    Адрес
    сибирь
    Сообщений
    513

    По умолчанию Re: Индукция меньше 0.8 в торрах, насколько это необходимо

    Цитата Сообщение от hydr Посмотреть сообщение
    По трансформаторно - выпрямительной теме есть хорошая книга (может есть и лучше, но эту хорошо знаю, долгое время была настольной) "Основы преобразовательной техники" Сенько, Руденко, Чиженко. Дается вывод всех соотношений, требований к трансформаторам, вентилям, разных выпрямителей на активную, активно -индуктивную, емкостную, нагрузки. Там же можно прочитать есть или нет пресловутая "постоянка" во вторичных обмотках выпрямительного трансформатора.
    Кому лень следить за акробатикой дифференциальных уравнений, может использовать в работе сводную таблицу в которой дана выжимка всех важных соотношений. Во втором издании эта таблица на стр56. Некоторые цифры могут удивить.

    С уважением hydr.
    Да, книгу обязательно просмотрю. Нужно же чему-то удивляться.
    Года три назад лично наблюдал следующее: трансформатор типа ТПП с 220-вольтового исполнения около 100 ва включался в городскую сеть 220 Вольт (измерялось FLUKE 325) в режиме ХХ. Трансформатор "гудел" и вибрировал, ток намагничивания на осциллографе был "кривой". Тот же трансформатор подключался к выходу on-line UPS SURT3000 с выходным напряжением 230 Вольт. Трансформатор "молчал", форма тока намагничивания - симметричная. Вот я как бы склонен "растолмачить" эту картину модуляцией потенциала нулевого провода токами нулевой последовательности "несвоей" фазы. И я почти склоняюсь к тому, что такая модуляция в какой-то мере сродни действию постоянного тока (типа батарейка в приведенном примере из жизни). Иначе придется "копать" в направлении полупроводниковых свойств электрохимических потенциалов алюминия с медью и ещё чем-то в электрических проводах от квартиры до трансформаторной подстанции.

  12. #1651
    Забанен (навсегда)
    Регистрация
    27.02.2005
    Адрес
    село Самбек
    Сообщений
    2,080

    По умолчанию Re: Индукция меньше 0.8 в торрах, насколько это необходимо

    Цитата Сообщение от hydr Посмотреть сообщение
    По трансформаторно - выпрямительной теме есть хорошая книга (может есть и лучше, но эту хорошо знаю, долгое время была настольной) "Основы преобразовательной техники" Сенько, Руденко, Чиженко. Дается вывод всех соотношений, требований к трансформаторам, вентилям, разных выпрямителей на активную, активно -индуктивную, емкостную, нагрузки. Там же можно прочитать есть или нет пресловутая "постоянка" во вторичных обмотках выпрямительного трансформатора.
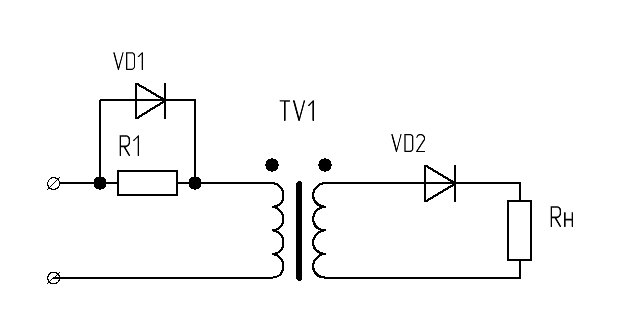
    По части описания процессов в трансформаторе с однотактным выпрямителем наблюдается странная картина. Лично мне не попадалось вообще ни одной книжки, где достаточно внятно описывалось бы, чем именно и как конкретно там подмагничивается трансформатор. Везде только пара общих фраз про "постоянную составляющую тока", и на том всё. И упомянутая книжка не исключение. Притом что эта самая "постоянная составляющая" связана с подмагничиванием лишь косвенно. Например, добавив в первичку простейшую цепочку R+VD, подмагничивание можно значительно уменьшить при той же "постоянной составляющей".
    Нажмите на изображение для увеличения. 

Название:	ОПВ+RD.GIF 
Просмотров:	168 
Размер:	3.2 Кб 
ID:	316276

  13. #1652
    Завсегдатай
    Регистрация
    21.11.2012
    Сообщений
    2,002

    По умолчанию Re: Индукция меньше 0.8 в торрах, насколько это необходимо

    Цитата Сообщение от лысый Посмотреть сообщение
    По части описания процессов в трансформаторе с однотактным выпрямителем наблюдается странная картина. Лично мне не попадалось вообще ни одной книжки, где достаточно внятно описывалось бы, чем именно и как конкретно там подмагничивается трансформатор. Везде только пара общих фраз про "постоянную составляющую тока", и на том всё. И упомянутая книжка не исключение.
    Коллега в упомянутой книге авторы и в страшном сне не могли бы себе представить, что кому то понадобится однотактный выпрямитель.
    В трансформаторе в интересующим Вас случае, хулиганит остаточная индукция. Т.е. наводится индукция в сердечнике катушкой с током, затем ток убывает до нуля а индукция сохраняется. Теперь при подаче импульса той же полярности остаточная индукция суммируется к вновь возникающей.
    В современных электротехнических сталях Br доходит до 0,9Вm, у горячекатаных до 0,6-0,8. В конкретном сердечнике зависит от конструкции максимальна в тороидах ( нет технологического зазора).

    С уважением hydr.

  14. #1653
    Забанен (навсегда)
    Регистрация
    27.02.2005
    Адрес
    село Самбек
    Сообщений
    2,080

    По умолчанию Re: Индукция меньше 0.8 в торрах, насколько это необходимо

    Цитата Сообщение от hydr Посмотреть сообщение
    В трансформаторе в интересующим Вас случае, хулиганит остаточная индукция. Т.е. наводится индукция в сердечнике катушкой с током, затем ток убывает до нуля а индукция сохраняется.
    Индукция наводится какой катушкой, с каким током?

  15. #1654
    Завсегдатай
    Регистрация
    21.11.2012
    Сообщений
    2,002

    По умолчанию Re: Индукция меньше 0.8 в торрах, насколько это необходимо

    Цитата Сообщение от лысый Посмотреть сообщение
    Индукция наводится какой катушкой, с каким током?
    ??? Так в трансформаторе есть всякие катушки и токи речь о суммарном магнитном потоке создаваемом всем этим гамузом. В один полпериод этот магнитный поток больше чем в другой, проще некуда.

    С уважением hydr.

  16. #1655
    Забанен (навсегда)
    Регистрация
    27.02.2005
    Адрес
    село Самбек
    Сообщений
    2,080

    По умолчанию Re: Индукция меньше 0.8 в торрах, насколько это необходимо

    Цитата Сообщение от hydr Посмотреть сообщение
    ??? Так в трансформаторе есть всякие катушки и токи речь о суммарном магнитном потоке создаваемом всем этим гамузом.
    Вообще-то магнитный поток в сердешнике создаётся не "всем этим гамузом", а током намагничивания, который течёт в индуктивности намагничивания, и куда, кстати, ток нагрузки вообще не заходит (согласно общепринятым эквивалентным схемам трансформатора).

  17. #1656
    Завсегдатай
    Регистрация
    21.11.2012
    Сообщений
    2,002

    По умолчанию Re: Индукция меньше 0.8 в торрах, насколько это необходимо

    Гамузом, гамузом. Магнитный поток намагничивания есть суммарный, с учетом направленности и фазы. Грубо говоря это разность магнитных потоков создаваемых токами в первичке и вторичке.

    С уважением hydr.

  18. #1657
    Забанен (навсегда)
    Регистрация
    27.02.2005
    Адрес
    село Самбек
    Сообщений
    2,080

    По умолчанию Re: Индукция меньше 0.8 в торрах, насколько это необходимо

    Цитата Сообщение от hydr Посмотреть сообщение
    Магнитный поток намагничивания есть суммарный, с учетом направленности и фазы. Грубо говоря это разность магнитных потоков создаваемых токами в первичке и вторичке.
    ОК, тогда спрошу по-другому. Допустим Ктр=1. В "нагруженном" периоде ток вторички 2А, ток первички 2,1А, магнитные потоки от них взаимно вычитаются, и остаётся только магнитный поток от тока намагничивания 0,1 А. В "холостом" периоде ток вторички 0А, ток первички 0,1А, магнитный поток тот же от такого же тока намагничивания 0,1А. Так откуда же берутся вот эти ужосы:
    Цитата Сообщение от hydr Посмотреть сообщение
    В трансформаторе в интересующим Вас случае, хулиганит остаточная индукция. Т.е. наводится индукция в сердечнике катушкой с током, затем ток убывает до нуля а индукция сохраняется. Теперь при подаче импульса той же полярности остаточная индукция суммируется к вновь возникающей.
    Последний раз редактировалось лысый; 29.03.2018 в 17:23.

  19. #1658
    Завсегдатай
    Регистрация
    21.11.2012
    Сообщений
    2,002

    По умолчанию Re: Индукция меньше 0.8 в торрах, насколько это необходимо

    Цитата Сообщение от лысый Посмотреть сообщение
    магнитные потоки от них взаимно вычитаются, и остаётся только магнитный поток от тока намагничивания 0,1 А. В "холостом" периоде ток вторички 0А, ток первички 0,1А, магнитный поток тот же от такого же тока намагничивания 0,1А. Так откуда же берутся вот эти ужосы:
    Коллега Вы удивитесь еще больше когда узнаете что максимальная индукция в сердечнике трансформатора на холостом ходу а не под нагрузкой и пусть ток холостого хода будет хоть 1мкА.
    Без обид, но в сети полно хороших букварей подробно описывающих работу трансформатора.

    С уважением hydr.

  20. #1659
    Завсегдатай Аватар для Nikolav
    Регистрация
    30.05.2005
    Адрес
    Воронеж
    Сообщений
    2,196

    По умолчанию Re: Индукция меньше 0.8 в торрах, насколько это необходимо


    Offтопик:
    лысый, Лёха, дожил, тебя молодёжь посылает буквари по трансформаторам читать.
    E=mc^2 ± 3 dB

  21. #1660
    Забанен (навсегда)
    Регистрация
    27.02.2005
    Адрес
    село Самбек
    Сообщений
    2,080

    По умолчанию Re: Индукция меньше 0.8 в торрах, насколько это необходимо


    Offтопик:
    Nikolav, да это не мОлодёж, а походу такой же упёртый старый пердун.

Страница 83 из 109 Первая ... 73818283848593 ... Последняя

Социальные закладки

Социальные закладки

Ваши права

  • Вы не можете создавать новые темы
  • Вы не можете отвечать в темах
  • Вы не можете прикреплять вложения
  • Вы не можете редактировать свои сообщения
  •