Страница 80 из 317 Первая ... 70787980818290 ... Последняя
Показано с 1,581 по 1,600 из 6324

Тема: DC-DC преобразователи напряжения (для авто)

  1. #1 Показать/скрыть первое сообщение.
    Новичок
    Автор темы
    Аватар для WARIOR
    Регистрация
    19.01.2005
    Сообщений
    66

    По умолчанию Re: Импульсные источники питания и преобразователи.

    Здравствуйте !

    Я решил возвратиться к статье "АВТО 400", а именно к ПН. Я заканчиваю сборку по той схеме и хотел спросить нет ли там каких-либо ошибок или недостатков, недочётов, неохото получать negative consequences. (Пытался связаться с автором, чтоб узнать у него - не получилось). Может кто-нибудь собитал подобный ПН ?
    Заранее огромное спасибо !
    https://www.vegalab.ru/index.php?opt...=184&Itemid=52
    Миниатюры Миниатюры Нажмите на изображение для увеличения. 

Название:	pic002-1.gif 
Просмотров:	37512 
Размер:	37.4 Кб 
ID:	19604  

  2. #1581

    По умолчанию Re: DC-DC преобразователи напряжения (для авто)

    подвёл ваш английский конкретно.. current mode SMPS совсем не значит токовый выход
    Импульсно всё, в этом мире бушующем..

  3. #1582
    Завсегдатай Аватар для ditter
    Регистрация
    04.07.2004
    Адрес
    RUS
    Возраст
    52
    Сообщений
    1,121

    По умолчанию Re: DC-DC преобразователи напряжения (для авто)

    IVX, а где написано мной про токовый выход ?
    топология ясен пень . прикладую исходник.
    ток выходной у 3808 теже 0.5А. 1А максимум.
    Вложения Вложения
    Последний раз редактировалось ditter; 17.01.2008 в 14:13.

  4. #1583
    Старый знакомый
    Регистрация
    08.04.2005
    Адрес
    Краснодар
    Возраст
    37
    Сообщений
    642

    По умолчанию Re: DC-DC преобразователи напряжения (для авто)

    IVX, а схему набросать сожешь на UCC3808 или ей подобных? может есть уже готовые варианты?транзисторы тогда тоже 2804S поставлю...

    Добавлено через 10 часов 16 минут
    вот тема и заглохла....ну хоть примерные наброски ЗГ у кого есть?я в даташите не могу разобраться что к чему...может кто подскажет?
    Последний раз редактировалось m01971; 17.01.2008 в 23:53. Причина: Добавлено сообщение

  5. #1584
    Новичок Аватар для Bender
    Регистрация
    28.12.2005
    Адрес
    Красногорск
    Сообщений
    1,595

    По умолчанию Re: DC-DC преобразователи напряжения (для авто)

    m01971, в даташите на UCC3808 есть пример включения, отправная точка задана .

  6. #1585

    По умолчанию Re: DC-DC преобразователи напряжения (для авто)

    боже, мне даташиты перерисовывать чтоли? ну посмотрите 38083 ещё, там совсем просто, я как-то на макете её пробовал, CS ISET просто на GND бросал, если не ошибаюсь. Дед тайм можно задать любой через CTL, в том числе и как софтстарт и как выключатель его же юзать можно или CS. 15V только предел VDD -неприятно, внутри зенер вероятно, поэтому через 47ом питать безопаснее.
    Импульсно всё, в этом мире бушующем..

  7. #1586
    Новичок
    Регистрация
    05.02.2007
    Сообщений
    50

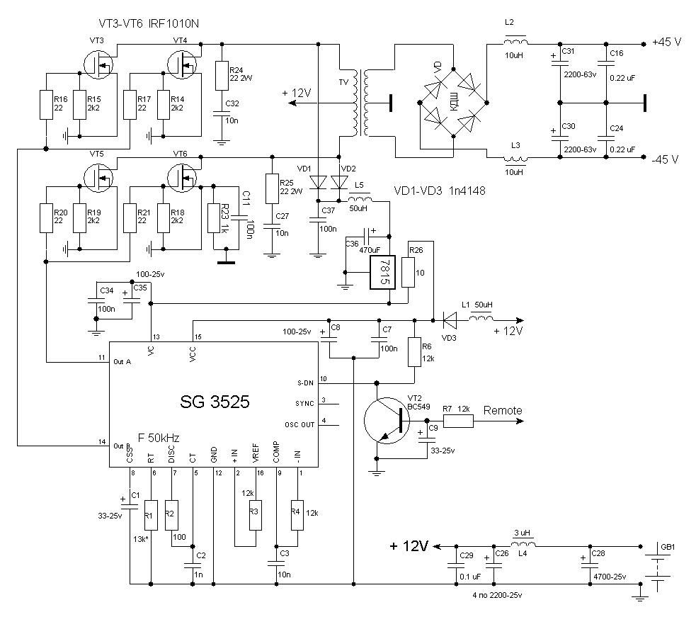
    По умолчанию Re: DC-DC преобразователи напряжения (для авто)

    Подскажите будет работать такая схема ?
    Последний раз редактировалось Virus; 30.08.2008 в 21:19.

  8. #1587
    Старый знакомый
    Регистрация
    08.04.2005
    Адрес
    Краснодар
    Возраст
    37
    Сообщений
    642

    По умолчанию Re: DC-DC преобразователи напряжения (для авто)

    да будет...

  9. #1588
    Завсегдатай Аватар для ditter
    Регистрация
    04.07.2004
    Адрес
    RUS
    Возраст
    52
    Сообщений
    1,121

    По умолчанию Re: DC-DC преобразователи напряжения (для авто)

    только вот как.
    очень многа "упрощений" . лучше найти схемку типа SG, даже если не нужно ставить аж 4 полевика.
    Миниатюры Миниатюры Нажмите на изображение для увеличения. 

Название:	SG.GIF 
Просмотров:	615 
Размер:	19.3 Кб 
ID:	26834  

  10. #1589
    Новичок
    Регистрация
    05.02.2007
    Сообщений
    50

    По умолчанию Re: DC-DC преобразователи напряжения (для авто)

    Спасибо .

  11. #1590
    Частый гость
    Регистрация
    07.01.2007
    Адрес
    г.Пенза
    Возраст
    42
    Сообщений
    265

    По умолчанию Re: DC-DC преобразователи напряжения (для авто)

    Цитата Сообщение от Virus Посмотреть сообщение
    Спасибо .
    Vd1-Vd2 и стабилизатор можно убрать.

  12. #1591
    Новичок
    Регистрация
    05.02.2007
    Сообщений
    50

    По умолчанию Re: DC-DC преобразователи напряжения (для авто)

    а не кто не пробывал синхронизировать две SG 3525 ?

  13. #1592
    Завсегдатай Аватар для ditter
    Регистрация
    04.07.2004
    Адрес
    RUS
    Возраст
    52
    Сообщений
    1,121

    По умолчанию Re: DC-DC преобразователи напряжения (для авто)

    Ku777,
    Vd1-Vd2 и стабилизатор можно убрать.
    с чего бы это их убирать ?

  14. #1593
    Старый знакомый Аватар для strannicmd
    Регистрация
    28.04.2006
    Адрес
    Modena (I)
    Возраст
    62
    Сообщений
    903

    По умолчанию Re: DC-DC преобразователи напряжения (для авто)

    Цитата Сообщение от ditter Посмотреть сообщение
    с чего бы это их убирать ?
    Лучше убрать R26

  15. #1594
    Частый гость
    Регистрация
    07.01.2007
    Адрес
    г.Пенза
    Возраст
    42
    Сообщений
    265

    По умолчанию Re: DC-DC преобразователи напряжения (для авто)

    Цитата Сообщение от ditter Посмотреть сообщение
    Ku777,
    с чего бы это их убирать ?
    Я же не сказал обязательно. Просто чтоб упростить... Новички и без них сложно понимают, что к чему...

  16. #1595
    Завсегдатай Аватар для ditter
    Регистрация
    04.07.2004
    Адрес
    RUS
    Возраст
    52
    Сообщений
    1,121

    По умолчанию Re: DC-DC преобразователи напряжения (для авто)

    хехе
    13 нога это коллектора выхлопа
    15 нога это остальная логика.
    так что дельта в этом месте вполне оправдана.
    единственно надо только разобраться кому должно больше доставаться.
    выхлопу или драйверам.
    а вот упрощая можно вернуться к схемке из поста 1586

  17. #1596
    Частый гость
    Регистрация
    07.01.2007
    Адрес
    г.Пенза
    Возраст
    42
    Сообщений
    265

    По умолчанию Re: DC-DC преобразователи напряжения (для авто)

    Кстати, а мне вот интересно, можно ли в качестве сердечника использовать феррит от строчных трансформаторов, цветных телевизоров??? Там и сечение норм. и окно большое

  18. #1597
    Новичок
    Регистрация
    05.02.2007
    Сообщений
    50

    По умолчанию Re: DC-DC преобразователи напряжения (для авто)

    Подскажите такой Remote пойдет ?
    Последний раз редактировалось Virus; 30.08.2008 в 21:19.

  19. #1598
    Завсегдатай Аватар для Артём
    Регистрация
    26.07.2004
    Адрес
    Минск
    Возраст
    38
    Сообщений
    1,115

    По умолчанию Re: DC-DC преобразователи напряжения (для авто)

    Virus, транзистор будет открыт всегда, пока на его базе будет напряжение на ~0.7в меньше чем на эмитере. А оно именно так и будет, так как в самой магнитоле на ремуте выходит меньше чем питающее напряжение.
    Мягкий старт не обеспечивается

  20. #1599
    Новичок
    Регистрация
    05.02.2007
    Сообщений
    50

    По умолчанию Re: DC-DC преобразователи напряжения (для авто)

    А если вот так ?
    Последний раз редактировалось Virus; 30.08.2008 в 21:19.

  21. #1600
    Завсегдатай Аватар для Артём
    Регистрация
    26.07.2004
    Адрес
    Минск
    Возраст
    38
    Сообщений
    1,115

    По умолчанию Re: DC-DC преобразователи напряжения (для авто)

    Virus, Это больше похоже на правду

Страница 80 из 317 Первая ... 70787980818290 ... Последняя

Социальные закладки

Социальные закладки

Ваши права

  • Вы не можете создавать новые темы
  • Вы не можете отвечать в темах
  • Вы не можете прикреплять вложения
  • Вы не можете редактировать свои сообщения
  •