Страница 8 из 25 Первая ... 67891018 ... Последняя
Показано с 141 по 160 из 492

Тема: LESART#17

  1. #1 Показать/скрыть первое сообщение.
    Завсегдатай
    Автор темы
    Аватар для SAPR
    Регистрация
    01.12.2009
    Адрес
    Геленджик - СПб
    Возраст
    64
    Сообщений
    3,943

    По умолчанию LESART#17

    АВ повторитель напряжения.
    При указанном напр. питания мощность 40 Вт\ 8 Ом.
    Искажения на 10 кГц, ампл. 20 В менее -100 дБ.
    Скорость нарастания вых. напр. не менее 40 В\мкс.
    Смещение нуля не более +\- 10 мВ.
    Ток покоя выходных транзисторов 150 мА.
    Полоса пропускания (малосигнальная) по уровню -3 дБ = 2.5 мГц.
    Повторитель собран в виде единой конструкции с БП. Габариты ПП 140*65 мм.
    Детали:
    БТ 2N3904\3906. Q10 - BD140. ПТ 2SK1058, 2SJ162. Диодный мост RS 407.
    Электролиты EPCOS 3300*35V, 220*25V. 0.33u, 0.1u (Цобель) - пленка. Керамика 0.1u шунтирующая электролиты по питанию - SMD 1206.
    Дроссель L1 ДМ 0.4. Катушка L2 - 16 витков проводом d=1мм в одну сторону и 14 в другую, на оправке 8 мм, потом на нее термоусадка.
    Клемники 10*15 мм, с шагом 5 мм.
    Схема, ПП под утюг, фото (извиняюсь за качество - телефоном снимал ), расположение элементов (позже проставлю номера деталей, сейчас лень) - во вложениях.
    Миниатюры Миниатюры Нажмите на изображение для увеличения. 

Название:	DSC00020.JPG 
Просмотров:	2965 
Размер:	293.7 Кб 
ID:	180013   Нажмите на изображение для увеличения. 

Название:	DSC00014.JPG 
Просмотров:	2651 
Размер:	257.6 Кб 
ID:	180014   Нажмите на изображение для увеличения. 

Название:	LESART#17.PNG 
Просмотров:	10547 
Размер:	33.9 Кб 
ID:	180024  
    Вложения Вложения
    Последний раз редактировалось SAPR; 25.03.2013 в 07:17.

  2. #141
    Завсегдатай Аватар для jett
    Регистрация
    15.11.2009
    Адрес
    г. Киев
    Сообщений
    3,488

    По умолчанию Re: LESART#17

    Цитата Сообщение от SAPR Посмотреть сообщение
    Но п#94 лучше.
    А в железе она собиралась? И где номиналы?
    Meridian G08 / DAC 6V2 + Jettout 2.4 / Pioneer CT S740S / ЯНУС-УМ / Dynaudio Special 25 / Nordost Tyr XLR / Silent Wire NF8, LS12.

  3. #142
    Завсегдатай
    Автор темы
    Аватар для SAPR
    Регистрация
    01.12.2009
    Адрес
    Геленджик - СПб
    Возраст
    64
    Сообщений
    3,943

    По умолчанию Re: LESART#17

    Собиралась.
    Номиналы во вложении. Но это "разогнанный" вариант - полоса по уровню - 3 дБ = 10 МГц, скорость нарастания более 150 В\мкс.
    Миниатюры Миниатюры Нажмите на изображение для увеличения. 

Название:	LESART#78.png 
Просмотров:	3012 
Размер:	49.8 Кб 
ID:	190596  

  4. #143
    Завсегдатай Аватар для jett
    Регистрация
    15.11.2009
    Адрес
    г. Киев
    Сообщений
    3,488

    По умолчанию Re: LESART#17

    SAPR, ОК. На чём же всё-таки посоветуете остановиться? Нужен повторитель, "прозрачный и нейтральный".
    И как быть с ВК для 4 ом?
    Meridian G08 / DAC 6V2 + Jettout 2.4 / Pioneer CT S740S / ЯНУС-УМ / Dynaudio Special 25 / Nordost Tyr XLR / Silent Wire NF8, LS12.

  5. #144
    Завсегдатай
    Автор темы
    Аватар для SAPR
    Регистрация
    01.12.2009
    Адрес
    Геленджик - СПб
    Возраст
    64
    Сообщений
    3,943

    По умолчанию Re: LESART#17

    Цитата Сообщение от jett Посмотреть сообщение
    На чём же всё-таки посоветуете остановиться?
    Не знаю
    Примерный итог (не все схемы, наиболее удачные):
    1. Пост#1. 10 транзисторов (биполярных), двухполюсная (индуктивная) корр. Все ОК. Но слишком много деталей и напрягает наличие дросселя в цепи ОС.
    2. Пост #91. 4 тр-ра, однополюсная корр. Удачная схема.
    3. Пост #94. 4 тр-ра, двухполюсная коррекция. Искажения меньше, чем в предыдущей. Недостаток - электролиты вольтдобавки в цепи ОС. Очень хороша как ВК в осном УМ (схему полного УМ с таким ВК привел выше).
    4. Пост#124. 6 транз.,трехполюсная корр. Самая лучшая по х-м и звуку (как бы полная нейтральность ). Хреновый клиппинг. Лечится добавлением еще 2-х транз. В этом варианте находится на уровне разводки ПП и последующих окончательных испытаний.
    Последний раз редактировалось SAPR; 31.08.2013 в 04:50.

  6. #145
    Завсегдатай
    Автор темы
    Аватар для SAPR
    Регистрация
    01.12.2009
    Адрес
    Геленджик - СПб
    Возраст
    64
    Сообщений
    3,943

    По умолчанию Re: LESART#17

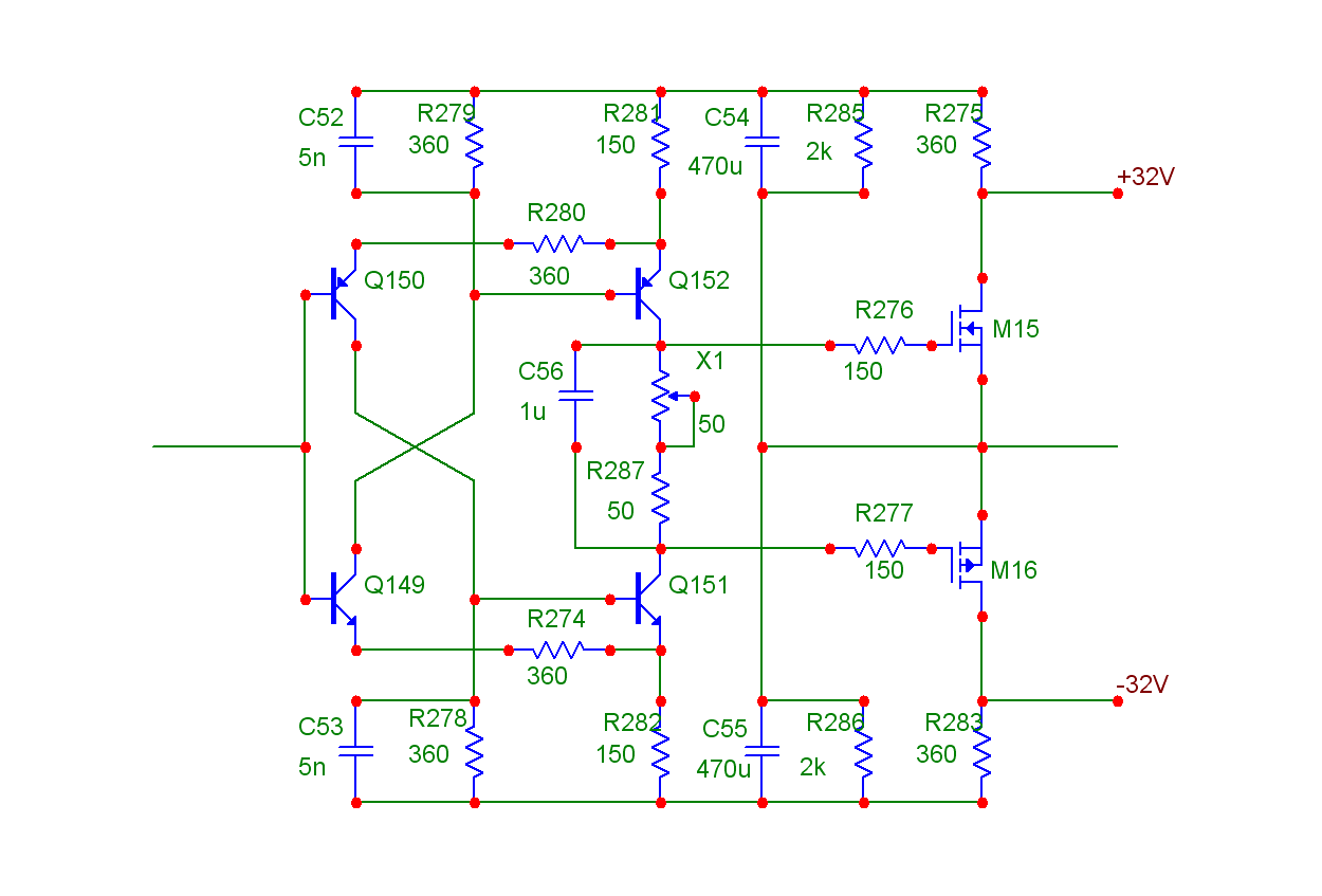
    Пожалуй, вот схема, на которой эпопея с повторителями в АВ закончится .
    Миниатюры Миниатюры Нажмите на изображение для увеличения. 

Название:	LESART_F_AB_СХЕМА.png 
Просмотров:	2733 
Размер:	50.7 Кб 
ID:	190629  

  7. #146
    Завсегдатай
    Автор темы
    Аватар для SAPR
    Регистрация
    01.12.2009
    Адрес
    Геленджик - СПб
    Возраст
    64
    Сообщений
    3,943

    По умолчанию Re: LESART#17

    Цитата Сообщение от jett Посмотреть сообщение
    как быть с ВК для 4 ом?
    в принципе, они и 4 Ом потянут, только хуже используется напряжение питания. Хотя можно либо пересчитать номиналы (чтобы на шинах вольтдобавки было бОльшее напряжение), либо поставить две пары мосфетов.

  8. #147
    Завсегдатай Аватар для jett
    Регистрация
    15.11.2009
    Адрес
    г. Киев
    Сообщений
    3,488

    По умолчанию Re: LESART#17

    Цитата Сообщение от SAPR Посмотреть сообщение
    Не знаю
    Умеете вы запутать... Постараюсь через недельку что-нибудь собрать-послушать, а за это время, глядишь, ещё варианты подтянутся...
    Meridian G08 / DAC 6V2 + Jettout 2.4 / Pioneer CT S740S / ЯНУС-УМ / Dynaudio Special 25 / Nordost Tyr XLR / Silent Wire NF8, LS12.

  9. #148
    СамоПисец Аватар для kaskod
    Регистрация
    15.12.2004
    Адрес
    VILNUS
    Возраст
    57
    Сообщений
    2,173

    По умолчанию Re: LESART#17

    Цитата Сообщение от SAPR Посмотреть сообщение
    Пожалуй, вот схема, на которой эпопея с повторителями в АВ закончится
    Ну лично мне данная схемка нравиться всё чётко и лаконично Погоняю в симе потом решу что делать. Х1 я так понял балансировка "0" ?
    ---------------------------------------------------------

    Offтопик:
    Есть лишние детали надо ж их куда нибудь пристроить и собрать 101 усь, солить их что ли.

  10. #149
    Завсегдатай
    Автор темы
    Аватар для SAPR
    Регистрация
    01.12.2009
    Адрес
    Геленджик - СПб
    Возраст
    64
    Сообщений
    3,943

    По умолчанию Re: LESART#17

    Цитата Сообщение от kaskod Посмотреть сообщение
    Х1 я так понял балансировка "0" ?
    Да.
    Цитата Сообщение от jett Посмотреть сообщение
    ещё варианты подтянутся...
    Уже

  11. #150
    Завсегдатай Аватар для jett
    Регистрация
    15.11.2009
    Адрес
    г. Киев
    Сообщений
    3,488

    По умолчанию Re: LESART#17

    SAPR, а стабилитроны на какое напряжение (#145)? И какие транзисторы лучше применить?
    Meridian G08 / DAC 6V2 + Jettout 2.4 / Pioneer CT S740S / ЯНУС-УМ / Dynaudio Special 25 / Nordost Tyr XLR / Silent Wire NF8, LS12.

  12. #151
    Завсегдатай
    Автор темы
    Аватар для SAPR
    Регистрация
    01.12.2009
    Адрес
    Геленджик - СПб
    Возраст
    64
    Сообщений
    3,943

    По умолчанию Re: LESART#17

    10...12 В. 2N3904\3906 и им подобные.

    ---------- Добавлено в 15:36 ---------- Предыдущее сообщение в 15:07 ----------

    Цитата Сообщение от SAPR Посмотреть сообщение
    4. Пост#124. 6 транз.,трехполюсная корр. Самая лучшая по х-м и звуку (как бы полная нейтральность ). Хреновый клиппинг. Лечится добавлением еще 2-х транз. В этом варианте находится на уровне разводки ПП и последующих окончательных испытаний.
    Удалось побороть клипп. и без доп. транзисторов ( в схеме п#145 это Q5, Q6)
    Добавил еще пару выходных мосфетов. Итого - 6 маломощных биполяров + 4 латерала. ПП вместе с диодным мостом и конд. фильтра получается примерно 60*95 мм. Питание подниму до +\- 40 В (имеется пару лишних ТПП281-220-50).

  13. #152
    СамоПисец Аватар для kaskod
    Регистрация
    15.12.2004
    Адрес
    VILNUS
    Возраст
    57
    Сообщений
    2,173

    По умолчанию Re: LESART#17

    Отмоделировал, неплохо. В железе возможно потребуется корректировка. С4 здесь обязателен, без него с меаннром проблемы возникают. А так весьма весьма.
    Вот только меня гложет один вопрос : чем лучше применение выхода со 100% оос от глубокоООСника с классическими выходами ?

  14. #153
    Завсегдатай
    Автор темы
    Аватар для SAPR
    Регистрация
    01.12.2009
    Адрес
    Геленджик - СПб
    Возраст
    64
    Сообщений
    3,943

    По умолчанию Re: LESART#17

    Цитата Сообщение от kaskod Посмотреть сообщение
    чем лучше применение выхода со 100% оос от глубокоООСника с классическими выходами ?
    1.Устойчивость. Повышал частоту среза до 10 мГц (но этого и не надо - 3 ... 5 мГц достаточно) - устойчив. Цеплял к выходу емкость 10n - без проблем. Даже индуктивность на выходе (10 мкГн) похоже не нужна (от Цобеля я отказался).
    2. Простота - короткий тракт - попробуйте сделать глубокоосник (с такой глубиной ОС) на 8 тр-рах.
    3. Скорострельность - 150 ... 200 в \мкс - не вопрос.
    4. из п.п.3, 4 - отсуствие предпосылок для возникновения DIM.
    5. Все БТ находятся под следящим питанием - девиация мощности на них в звуковом диапазоне ничтожна - отсуствие тепловых искажений. + очень высокое входное сопр.
    6. Как следствие следящего питания для бип. транзисторов - некритичность к БП - хорошее подавление пульсаций\помех от БП
    Себестоимость - копеечная. Кстати, изготовлю 3 блока, над одним хочу поиздеваться. В том числе загнать в режим почти А (с сумм. током покоя 500 мА ... 1 А).
    Минус - проблема с адекватным УН. Чтобы был не хуже.
    Последний раз редактировалось SAPR; 01.09.2013 в 17:01.

  15. #154
    СамоПисец Аватар для kaskod
    Регистрация
    15.12.2004
    Адрес
    VILNUS
    Возраст
    57
    Сообщений
    2,173

    По умолчанию Re: LESART#17

    SAPR, Спасибо за ответ.

  16. #155
    Регистрация не подтверждена
    Регистрация
    23.11.2006
    Сообщений
    314

    По умолчанию Re: LESART#17

    Цитата Сообщение от SAPR Посмотреть сообщение
    10...12 В. 2N3904\3906 и им подобные.

    ---------- Добавлено в 15:36 ---------- Предыдущее сообщение в 15:07 ----------


    Удалось побороть клипп. и без доп. транзисторов ( в схеме п#145 это Q5, Q6)
    Добавил еще пару выходных мосфетов. Итого - 6 маломощных биполяров + 4 латерала. ПП вместе с диодным мостом и конд. фильтра получается примерно 60*95 мм. Питание подниму до +\- 40 В (имеется пару лишних ТПП281-220-50).
    Эту схему покажете ?

  17. #156
    Завсегдатай
    Автор темы
    Аватар для SAPR
    Регистрация
    01.12.2009
    Адрес
    Геленджик - СПб
    Возраст
    64
    Сообщений
    3,943

    По умолчанию Re: LESART#17

    Конечно. Как запущу в железе в чистовом виде - с ПП, обмерами и т.п.

  18. #157
    Завсегдатай Аватар для jett
    Регистрация
    15.11.2009
    Адрес
    г. Киев
    Сообщений
    3,488

    По умолчанию Re: LESART#17

    Собрал сегодня макет схемы #145. Питание +/-35, R1=62ком, R2=20 ом, С1=15пф, R3-R6=28 ом, остальное в точности по схеме, зенеры на 12 В, а R17-R18 =400 ом.
    Первое впечатление - перед нами действительно весьма хороший глубокоосник с чистым и нейтральным звучанием. Пока ещё что-то добавить сложно, нужно послушать дольше. Пред ламповый - дифкаскад + катодный повт. Вых. сопр. не более 100 ом.
    Измерял полосу - с катушкой на выходе около 300 кгц, без - заметно шире, но выше 400 кгц померять не удалось, амплитуда "проваливается", видимо возбуд. На отрицательной нарастающей стороне синуса выше 100 кгц немного заметна ступенька в районе -4...-5 В. Почему? Выходные транзисторы не подбирал.
    Меандр 20 кгц имеет очень лёгкие выбросы фронтов (без катушки), но и небольшую генерацию на фронтах. Это при подачи сигнала с ГЗ-111, вых. сопр. 600 ом + метровый кабель.
    При подаче сигнала через вышеупомянутый пред - всё чисто, но и полоса пропускания в этом случаи около 140 кгц.
    Думаю, постоянную времени RC на входе лучше увеличить, дабы возбудам шанса не оставить.

    ---------- Добавлено в 00:39 ---------- Предыдущее сообщение в 00:34 ----------

    Токи покоя получились примерно: входной каскад - 8 ма, второй -11 ма, третий - 0,4 ма, четвёртый - 16 ма, выходной - 150...180 ма (держится стабильно, ноль на выходе - практически тоже).
    Meridian G08 / DAC 6V2 + Jettout 2.4 / Pioneer CT S740S / ЯНУС-УМ / Dynaudio Special 25 / Nordost Tyr XLR / Silent Wire NF8, LS12.

  19. #158
    Завсегдатай
    Автор темы
    Аватар для SAPR
    Регистрация
    01.12.2009
    Адрес
    Геленджик - СПб
    Возраст
    64
    Сообщений
    3,943

    По умолчанию Re: LESART#17

    Цитата Сообщение от jett Посмотреть сообщение
    третий - 0,4 ма
    Маловато будет. Попробуй увеличить до 1.5 ... 2 мА (уменьшив сопр. R11 раза в три).

  20. #159
    Завсегдатай Аватар для jett
    Регистрация
    15.11.2009
    Адрес
    г. Киев
    Сообщений
    3,488

    По умолчанию Re: LESART#17

    Цитата Сообщение от SAPR Посмотреть сообщение
    Маловато будет.
    Мне тоже так показалось, поэтому увеличивал в два раза (15 ком), но разницы пока не увидел/не услышал.
    Meridian G08 / DAC 6V2 + Jettout 2.4 / Pioneer CT S740S / ЯНУС-УМ / Dynaudio Special 25 / Nordost Tyr XLR / Silent Wire NF8, LS12.

  21. #160
    Завсегдатай
    Автор темы
    Аватар для SAPR
    Регистрация
    01.12.2009
    Адрес
    Геленджик - СПб
    Возраст
    64
    Сообщений
    3,943

    По умолчанию Re: LESART#17

    Цитата Сообщение от jett Посмотреть сообщение
    постоянную времени RC на входе лучше увеличить, дабы возбудам шанса не оставить.
    Входная RC цепь на входе - не основой ФНЧ (у меня он в преде, с частотой среза 200 кГц). Эта цепь - просто, чтобы не возник возбуд при отключении преда. Если в преде есть свой ФНЧ, тогда все ОК, если нет - тогда эту цепь пересчитать.
    Цитата Сообщение от jett Посмотреть сообщение
    На отрицательной нарастающей стороне синуса выше 100 кгц немного заметна ступенька в районе -4...-5 В. Почему? Выходные транзисторы не подбирал.
    Не знаю . У меня на макете не было. Может связано с режимами по постоянке? Токи первой и второй пары должны быть одинаковы, третьей - в два раза выше. Свою ПП запущу - выложу результаты. Еще: коррекция регулируется сопр. R3,4,5,6 - пропорционально их увеличению сужается полоса пропускания с замкнутой ОС.
    PS А с каким нибудь безосным повторителем не сравнивал (по звуку)?

Страница 8 из 25 Первая ... 67891018 ... Последняя

Социальные закладки

Социальные закладки

Ваши права

  • Вы не можете создавать новые темы
  • Вы не можете отвечать в темах
  • Вы не можете прикреплять вложения
  • Вы не можете редактировать свои сообщения
  •