Страница 757 из 1210 Первая ... 747755756757758759767 ... Последняя
Показано с 15,121 по 15,140 из 24193

Тема: Электроника ТА1-003, Электроника-004, Олимп-003, Олимп-004, Олимп-005

  1. #1 Показать/скрыть первое сообщение.
    Завсегдатай
    Автор темы
    Аватар для Jenyok
    Регистрация
    05.11.2007
    Адрес
    Moscow
    Сообщений
    2,970

    По умолчанию Электроника ТА1-003, Электроника-004, Олимп-003, Олимп-004, Олимп-005

    .
    12.01.2020 года.
    .
    .
    Апгрейд, модернизация, ремонт катушечных магнитофонов (смотри заголовок темы), а также, магнитофонов Олимп-006, Олимп-700, Олимп-701, Олимп-702, Олимп А-400.
    .
    Обсуждается конструкция магнитофонов и узлов, схемотехника магнитофонов и отдельных блоков.
    .
    Любые схемы, новые схемы модернизации магнитофонов приветствуются.
    Любые печатные платы, новые печатные платы модернизации магнитофонов приветствуются.
    .
    Любые чертежи узлов, чертежи модернизаций узлов магнитофонов приветствуются.
    Любые чертежи новых деталей для магнитофонов приветствуются.
    .
    Любая документация по магнитофонам приветствуется.
    Любые описания по магнитофонам приветствуются.
    .
    Применение любой, даже экзотической элементной базы приветствуется, в том числе высокоскоростных ОУ, качественных конденсаторов и т.д.
    .
    Любая другая полезная техническая и иная информация по магнитофонам приветствуется.
    .
    Любые ссылки на аналогичные темы в других форумах приветствуются.
    .
    Посты, с архивами файлов PCB , SCH , гербер файлов, смотри сообщения на форуме.
    Некоторые схемы и платы выложены на форуме в нескольких вариантах, обратите на это внимание.
    .
    Проекты, реализованные в этой ветке.
    Ссылка.
    .
    https://cloud.mail.ru/public/vnhr/BfCatSVWf
    .
    Часть дерева директорий по ссылке
    (по тематике - магнитофоны с проектами схем и печатных плат (гербер файлы) для самостоятельного изготовления).
    .
    - Tape_Recorders
    |
    +- Electronika-004 - магнитофон Электроника-004 (некоторые специфичные проекты)
    |
    +- Olimp-003 - магнитофоны Электроника ТА1-003 , Электроника-004 , Олимп-003 (основные проекты)
    |
    +- Olimp-004 - магнитофон Олимп-004
    |
    +- Olimp-005C - магнитофон Олимп-005С
    |
    +- Olimp-005C-1 - магнитофон Олимп-005С-1
    |
    +- Idel-001 - магнитофон Идель-001
    |
    +- Nota-203 - магнитофон Нота-203
    |
    +- PCAD2006_Libraries - библиотеки компонентов САПР PCAD 2006 , используемых для магнитофонных проектах.
    |
    +- Multisym - схемы симуляции различных магнитофонных проектов и не только
    .
    и другие директории по ссылке, которые Вы смотрите и обследуете самостоятельно...
    Последний раз редактировалось Konkere; 26.07.2022 в 03:52.

  2. #15121
    Новичок
    Регистрация
    14.02.2012
    Сообщений
    16

    По умолчанию Re: Электроника ТА1-003, Электроника-004, Олимп-003, Олимп-004, Олимп-005

    Leoniv была выложен схема и прошивка под RC-5 .Для ДУ под родной пульт прошивки не кого нет ?

  3. #15122
    Завсегдатай
    Регистрация
    20.04.2016
    Адрес
    Minsk
    Возраст
    22
    Сообщений
    5,588

    По умолчанию Re: Электроника ТА1-003, Электроника-004, Олимп-003, Олимп-004, Олимп-005

    Цитата Сообщение от NIK23 Посмотреть сообщение
    Для ДУ под родной пульт прошивки не кого нет ?
    Родной пульт - проводной. Для него не нужна прошивка.

  4. #15123
    Частый гость Аватар для Timbuktu
    Регистрация
    21.03.2008
    Адрес
    Москва
    Сообщений
    482

    По умолчанию Re: Электроника ТА1-003, Электроника-004, Олимп-003, Олимп-004, Олимп-005

    Синтез катушечника и планшета
    https://youtu.be/W9wMOGU_ob0

  5. #15124
    Завсегдатай
    Регистрация
    20.04.2016
    Адрес
    Minsk
    Возраст
    22
    Сообщений
    5,588

    По умолчанию Re: Электроника ТА1-003, Электроника-004, Олимп-003, Олимп-004, Олимп-005

    Ролик подводится очень плавно. А лента разгоняется еще до его касания. Никаких рывков натяжения при старте нет. Красиво, но старт долгий. Надо держать Mute до полного подвода ролика, иначе звучать такой старт будет некрасиво. А вот при торможении натяжение проседает до нуля, петля на 2:03.

  6. #15125
    Частый гость Аватар для Timbuktu
    Регистрация
    21.03.2008
    Адрес
    Москва
    Сообщений
    482

    По умолчанию Re: Электроника ТА1-003, Электроника-004, Олимп-003, Олимп-004, Олимп-005

    Ход роликов натяжителя меньше чем на Олимпо-Электрониках

  7. #15126
    Завсегдатай
    Регистрация
    20.04.2016
    Адрес
    Minsk
    Возраст
    22
    Сообщений
    5,588

    По умолчанию Re: Электроника ТА1-003, Электроника-004, Олимп-003, Олимп-004, Олимп-005

    На фотографиях вообще прорезей для них почти нет. Думал, что там тензодатчики. Но на видео они довольно сильно двигаются

    Датчик окончания работает на отражение? Интересно, может ли он отличить ракорд от ленты?

    Нажмите на изображение для увеличения. 

Название:	aad_tr-1000_5__large_full.jpg 
Просмотров:	297 
Размер:	849.5 Кб 
ID:	392435

  8. #15127
    Частый гость Аватар для Timbuktu
    Регистрация
    21.03.2008
    Адрес
    Москва
    Сообщений
    482

    По умолчанию Re: Электроника ТА1-003, Электроника-004, Олимп-003, Олимп-004, Олимп-005

    На фото они в среднем положении, поэтому не видны, это можно отследить по видео. когда в моменты заправки ленты они "исчезают".

  9. #15128
    Частый гость Аватар для romax
    Регистрация
    01.03.2020
    Адрес
    Красноярск
    Сообщений
    183

    По умолчанию Re: Электроника ТА1-003, Электроника-004, Олимп-003, Олимп-004, Олимп-005

    Цитата Сообщение от Leoniv Посмотреть сообщение
    Родной пульт - проводной. Для него не нужна прошивка.
    ...В детстве встраивал плату от ДУ О 004 внутрь Э 003 . Классно было, для того времени, но, всего четыре команды, и , пульт - как полено размером. Пришлось делать - два плэя, стоп и откат в качестве перемотки... "Новый" пульт очень хочется...

  10. #15129
    Завсегдатай
    Регистрация
    20.04.2016
    Адрес
    Minsk
    Возраст
    22
    Сообщений
    5,588

    По умолчанию Re: Электроника ТА1-003, Электроника-004, Олимп-003, Олимп-004, Олимп-005

    Цитата Сообщение от Timbuktu Посмотреть сообщение
    На фото они в среднем положении, поэтому не видны, это можно отследить по видео. когда в моменты заправки ленты они "исчезают".
    Нет, на видео совсем другая конструкция, прорези узкие и ход большой. На ранних фото вырезы в панели были по размеру роликов и с очень небольшим запасом хода.

    Цитата Сообщение от romax Посмотреть сообщение
    "Новый" пульт очень хочется...
    Так а в чем проблема?

  11. #15130
    Частый гость Аватар для Koren
    Регистрация
    09.11.2019
    Адрес
    Москва-Якутск
    Сообщений
    415

    По умолчанию Re: Электроника ТА1-003, Электроника-004, Олимп-003, Олимп-004, Олимп-005

    Платы ув сухова олимп005 разосланы.

  12. #15131
    Завсегдатай
    Автор темы
    Аватар для Jenyok
    Регистрация
    05.11.2007
    Адрес
    Moscow
    Сообщений
    2,970

    По умолчанию Re: Электроника ТА1-003, Электроника-004, Олимп-003, Олимп-004, Олимп-005

    Цитата Сообщение от Leoniv Посмотреть сообщение
    Почему во внешних блоках dbx (например, модели 140, 150, 224) номинальный уровень по умолчанию настроен на 316 мВ, а не на 775 мВ?
    .
    Есть предположение, что сигнал выше по амплитуде вызывает большие искажения в схеме шумоподавителя.
    Вот и ограничились уровнем в 316 мВольт.
    На других схемах шумоподавителей сталкивался с таким же ограничением входного сигнала, например 250 мВ или 500 мВ .
    .

  13. #15132
    Частый гость Аватар для romax
    Регистрация
    01.03.2020
    Адрес
    Красноярск
    Сообщений
    183

    По умолчанию Re: Электроника ТА1-003, Электроника-004, Олимп-003, Олимп-004, Олимп-005

    Цитата Сообщение от Leoniv Посмотреть сообщение
    Так а в чем проблема?
    Мне казалось - будет "централизованный" заказ плат и накладок. Мож, я, чего недопонял?

  14. #15133
    Завсегдатай
    Регистрация
    20.04.2016
    Адрес
    Minsk
    Возраст
    22
    Сообщений
    5,588

    По умолчанию Re: Электроника ТА1-003, Электроника-004, Олимп-003, Олимп-004, Олимп-005

    Цитата Сообщение от Jenyok Посмотреть сообщение
    Есть предположение, что сигнал выше по амплитуде вызывает большие искажения в схеме шумоподавителя.
    Вот и ограничились уровнем в 316 мВольт.
    В мануале сказано, что номинальный уровень может быть установлен в пределах от 20 мВ до 2 В, а по умолчанию - 316 мВ (dbx 140x) или 200 мВ (dbx 224x). Интересно, где такие сигналы, в бытовухе? Зато у 140A уровень установлен 1 В.

    Цитата Сообщение от romax Посмотреть сообщение
    Мне казалось - будет "централизованный" заказ плат и накладок. Мож, я, чего недопонял?
    По этому поводу ничего не знаю, мое дело - разработать плату и этикетку.

  15. #15134
    Частый гость Аватар для pccodecs
    Регистрация
    13.11.2018
    Адрес
    Донбасс
    Сообщений
    343

    По умолчанию Re: Электроника ТА1-003, Электроника-004, Олимп-003, Олимп-004, Олимп-005

    Цитата Сообщение от Koren Посмотреть сообщение
    Платы ув сухова олимп005 разосланы.
    По Украине, платы УВ Сухова на ОЛИМП-005 отдам! только платите за пересылку...
    Начитался литературы,(противоречивые чувства остались НО) чуток переработал свою плату и заказал...как придет проверю, поделюсь!

  16. #15135
    Старый знакомый Аватар для chapai
    Регистрация
    25.04.2012
    Адрес
    San Francisco, CA
    Сообщений
    655

    По умолчанию Re: Электроника ТА1-003, Электроника-004, Олимп-003, Олимп-004, Олимп-005

    Цитата Сообщение от Борисыч44 Посмотреть сообщение
    Если ни кого не покоробит использование вторсырья)), то в плашетах и пр. "плоских" экранах есть пленки с "оптической" шагренью - краска, думаю, будет отлично держаться, там их штук 6 разных и толщины вродебы тоже разные, есть чисто белая довольно толстая
    О! точно. а я то думаю, зачем я тогда от монитора отодрал и сохранил. Прекрасный рассеиватель для индикатора должен выйти.

  17. #15136
    Новичок
    Регистрация
    14.02.2012
    Сообщений
    16

    По умолчанию Re: Электроника ТА1-003, Электроника-004, Олимп-003, Олимп-004, Олимп-005

    Leoniv
    вы не правы СДУ ОЛИМП ДУ-005 можно подключить к Электронике и Олимпу.
    У них и разьемы для подключения ДУ одинаковые СНЦ4-10/20Р-1.
    я хочу подключить в свой ОЛИМП 005 эту плату в место блока СДУ ОЛИМП ДУ-005.

  18. #15137
    Завсегдатай
    Регистрация
    20.04.2016
    Адрес
    Minsk
    Возраст
    22
    Сообщений
    5,588

    По умолчанию Re: Электроника ТА1-003, Электроника-004, Олимп-003, Олимп-004, Олимп-005

    Цитата Сообщение от chapai Посмотреть сообщение
    Прекрасный рассеиватель для индикатора должен выйти.
    Пробовал. Рассеивает плохо. Молочное стекло 2 мм - гораздо лучше. И белая основа пленки для лазерной гравировки - тоже лучше.

    Цитата Сообщение от NIK23 Посмотреть сообщение
    Leoniv
    вы не правы СДУ ОЛИМП ДУ-005 можно подключить к Электронике и Олимпу.
    Называть его "родным" для Э-004 нельзя.

    Цитата Сообщение от NIK23 Посмотреть сообщение
    я хочу подключить в свой ОЛИМП 005 эту плату в место блока СДУ ОЛИМП ДУ-005.
    Где-то встречал сообщение (возможно даже, что в этой ветке), что кто-то сделал декодер для штатного пульта О-005. Я такой декодер сделать не могу, потому что у меня нет этого пульта. Да и вряд ли имеет смысл - пульт страшный, да и половина кнопок на нем работать не будет - они относятся не к магнитофону, а к блоку ДУ. Лучше использовать нормальный пульт, который сейчас сделан для Э-004. На этикетке можно фирменным шрифтом написать "Олимп-005".

    Кстати, вот интересный лот - новодельная плата ДУ "Олимп-005".

    Нажмите на изображение для увеличения. 

Название:	226893924.0.jpg 
Просмотров:	187 
Размер:	484.1 Кб 
ID:	392467 Нажмите на изображение для увеличения. 

Название:	226893924.1.jpg 
Просмотров:	215 
Размер:	280.4 Кб 
ID:	392468
    Последний раз редактировалось Leoniv; 10.03.2021 в 09:51.

  19. #15138
    Новичок Аватар для zahar9
    Регистрация
    04.05.2010
    Адрес
    Иркутская обл.
    Сообщений
    55

    По умолчанию Re: Электроника ТА1-003, Электроника-004, Олимп-003, Олимп-004, Олимп-005

    Евгений, написал в личку.

  20. #15139
    Завсегдатай
    Автор темы
    Аватар для Jenyok
    Регистрация
    05.11.2007
    Адрес
    Moscow
    Сообщений
    2,970

    По умолчанию Re: Электроника ТА1-003, Электроника-004, Олимп-003, Олимп-004, Олимп-005

    По схемам усилителей воспроизведения УВ, которые заслуживают внимания и повторения с отличными результатами.
    .
    УВ Иван понятно.
    УВ Агеева понятно. Но какая схема ? С полевиками (4 шт. в параллель) на входе или с конденсаторами на входе (журнал Радио, понятно, о чем я говорю) ?
    УВ Sagittarius это, простите, какая схема ? С каскодом во входном каскаде ?
    УВ Перельмана без интегратора можно сделать схему ?
    УВ скромняжечка сверхлинейный понятно.
    УВ Галахова понятно.
    УВ Галахова исправленные схемы (от Bishbosh) стоит делать ?
    .
    УВ Сухова стандартная схема понятно.
    УВ Сухова схема с интегратором на транзисторе (типа Маяк-010) понятно.
    УВ Сухова с полевиком на входе понятно.
    УВ Сухова с полевиком на входе и интегратором на транзисторе понятно.
    УВ Сухова с полевиком на входе и интегратором на ОУ понятно.
    .
    По этим перечисленным схемам стоит или нет делать "охлажденное сопротивление" ?
    .
    И еще...
    По схемам УВ Сухова и Галахова.
    Может в этих схемах вынести коррекцию во "второй каскад", назовем условно это так, на отдельный ОУ ?
    Схемы упомянутых УВ сделать только для линейного усиления (50-100-150-200 мВ на выходе) и далее ОУ с коррекцией и усилением до 775-1000 мВ ?
    .
    Вот столько разных и интересных схем УВ есть для повторения с отличными характеристиками.
    .

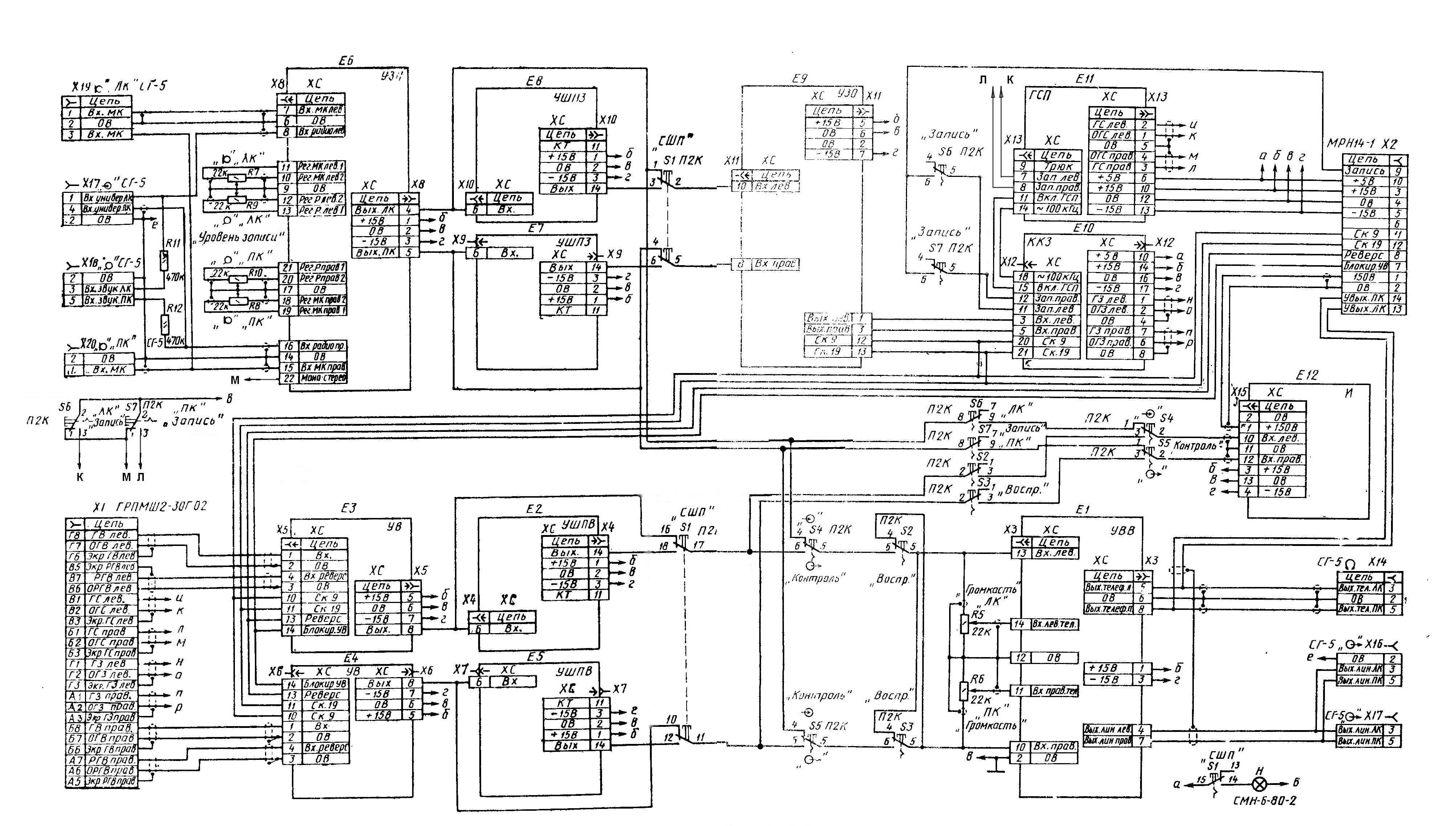
    ---------- Сообщение добавлено 20:30 ---------- Предыдущее сообщение было 14:36 ----------

    Блок схема электрических соединений блока маломощной электроники.
    Для понимания сути, что и как соединено.
    .
    Нажмите на изображение для увеличения. 

Название:	EL004_str17-18_02_new.jpg 
Просмотров:	354 
Размер:	1.98 Мб 
ID:	392488
    .

  21. #15140
    Старый знакомый
    Регистрация
    17.04.2010
    Адрес
    Крым Керчь
    Возраст
    61
    Сообщений
    749

    По умолчанию Re: Электроника ТА1-003, Электроника-004, Олимп-003, Олимп-004, Олимп-005

    Цитата Сообщение от Jenyok Посмотреть сообщение
    И еще...
    По схемам УВ Сухова и Галахова.
    Может в этих схемах вынести коррекцию во "второй каскад", назовем условно это так, на отдельный ОУ ?
    Схемы упомянутых УВ сделать только для линейного усиления (50-100-150-200 мВ на выходе) и далее ОУ с коррекцией и усилением до 775-1000 мВ ?
    .

    .

    Вот этого делать не стоит -теряется перегрузочная на ВЧ и соответственно там растут искажения

Страница 757 из 1210 Первая ... 747755756757758759767 ... Последняя

Социальные закладки

Социальные закладки

Ваши права

  • Вы не можете создавать новые темы
  • Вы не можете отвечать в темах
  • Вы не можете прикреплять вложения
  • Вы не можете редактировать свои сообщения
  •