Страница 67 из 86 Первая ... 57656667686977 ... Последняя
Показано с 1,321 по 1,340 из 1706

Тема: Космос, как технологии в конце концов рвут архаику АР аналайзеров

  1. #1 Показать/скрыть первое сообщение.
    一万
    Автор темы
    Аватар для IVX
    Регистрация
    16.03.2005
    Сообщений
    4,404

    По умолчанию Космос, как технологии в конце концов рвут архаику АР аналайзеров

    Сижу, калибрую, вот такое https://e1dashz.wixsite.com/index/cosmos-adc
    Вчера Wolf L7 опубликовал первый тест https://www.l7audiolab.com/f/e1da-cosmos-adc/
    Но, как и многие ревьюверы с АРх555, он попросту олень и не заметил, что АЦП стоит в моно-моде, это переключается громкостью виндового слайдера >50% = моно. Дальше, он замерил "линейность", как он полагает, но вместе с шумом, в итоге она у него вышла смехотворно низкой - 100дб линейности при -140дб гармониках, серьёзно?? )) Точно так же он намерил какой-то свой атрефакт искажений на 40гц, которого нет, если мерить медленно, а не в свипе. Тем не менее, блогер есть блогер, все свои косяки он опубликовал, как свойства Cosmos ADC, через 3 минуты после получения сэмпла. 5 других сэмплов были отправлены на ревью в разные страны, только Архимаго с канады сделал короткий обзор здесь https://archimago.blogspot.com/2021/...ffordable.html
    Но Архимаге сравнить не с чем, только со рванью RME ADI-2 Pro FS R BE, зато он не тупой, иногда начинаю подозревать, что купившие АРх555 тупеют, поэтому АЦА не пйдёт на съедение Амиру на www.audiosciencereview.com ))
    вот настоящие искажения на 40Гц https://www.youtube.com/watch?v=K3zPA5nJSoE
    а здесь тутор, как калибровать мои же ЦАПЫ 9038S/9038D с помощью космоса, собсно для мох юзеров и делался этот "миниатюрный АР" https://www.youtube.com/watch?v=eguKMNZ-XJw&t=81s
    вот такие попадаются "платиновые" юниты, грэйд-0 https://www.youtube.com/watch?v=pdFm4Pkd9DU
    Последний раз редактировалось IVX; 11.10.2021 в 06:11.
    Импульсно всё, в этом мире бушующем..

  2. #1321
    Новичок
    Регистрация
    23.07.2019
    Адрес
    Москва
    Сообщений
    8

    По умолчанию Re: Космос, как технологии в конце концов рвут архаику АР аналайзеров

    Цитата Сообщение от maxssau Посмотреть сообщение
    этому генератору можно(нужно) поставить памятник
    А можно чуть подробнее, как дорабатывался анализатор system 1, я бы и себе также сделал)

  3. #1322
    Завсегдатай Аватар для maxssau
    Регистрация
    15.08.2015
    Адрес
    Самара
    Возраст
    41
    Сообщений
    2,585

    По умолчанию Re: Космос, как технологии в конце концов рвут архаику АР аналайзеров


    Offтопик:

    без четкого понимания зачем это нужно и как вообще работает станция на уровне узлов, я бы браться не стал. да и генератор нет смысла дорабатывать, он и так отлично работает.

    доработать можна анализатор, но что от этого? нужно много нулей ищите сис2, какую нибудь 2322 или 2522, дорого конечно но лучше.

    если всё таки хочется то так:

    генератор не трогать, даже если его частота не всегда попадает в режектор, у меня она не совпадает на 8 Гц в бОльшую сторону, поэтому когда оооочень хочется измерить низкие искажения, частоту режектора я выставляю в настройках ручками. И кстати точно попадать в частоту режектора нет особого смысла, 2/3 гармошка там выше подавленного тона, хотя иногда хочется положить основной тон под шумовую полку. Подавление у режектора очень большое, на вскидку более 110-120 дб.

    Схему замены на АД797 с ходу не нашел, как буду дома скину.

    На плате DIS нужно заменить переменные резисторы R5504 и R5505 на многооборотные. При замене выставить такое же сопротивление, какое было на старых. Далее выставить наименьшие искажения при подключении генератора напряму в анализатор (балансным кабелем), я делал при 1В амплитуды. Так же подключить ослик на контрольные точки, ноги резисторов R4504 и R4503, в ветку NULL должно быть чисто, его то и нужно выставлять по минимуму. На спектре это хорошо будет видно.

    Особого чуда ждать не стоит, т.к. настройка плывёт с температурой, поэтому настраивать при хорошо прогретой станции, минут через 20 после включения.

    Можно настроить и частоту режектора, но лично мне не особо важно, т.к. кроме Кг есть 100500 других измерений.

    на сайте Ар в разделе тех. библиотеки есть архив с сервис мануалом и калибровочными лдискетами. там есть алгоритм калибровки станции.

    S1-SM_298.pdf




    ---------- Сообщение добавлено 19.11.2023 в 19:34 ---------- Предыдущее сообщение было 18.11.2023 в 20:39 ----------


    Offтопик:


    в приложении схема доработки входа, путем замены оу 5534 на AD797, источник найти будет трудно, файл взят с какого то из форумов, там были картинки сравнения до и после, у меня уже не осталось
    SYS1_AD797.doc


    таки нашел https://www.diyaudio.com/community/t...4/post-4300813

    Последний раз редактировалось maxssau; 18.11.2023 в 19:50.
    _________________
    Евгений

  4. #1323
    Новичок
    Регистрация
    23.07.2019
    Адрес
    Москва
    Сообщений
    8

    По умолчанию Re: Космос, как технологии в конце концов рвут архаику АР аналайзеров

    Спасибо!

  5. #1324
    Частый гость Аватар для Viktor_vy
    Регистрация
    23.07.2009
    Адрес
    Moscow
    Сообщений
    197

    По умолчанию Re: Космос, как технологии в конце концов рвут архаику АР аналайзеров

    Как лицо, ожидающее заказ рассматриваемого девайса, прошу разъяснить после долгого листания ветки.(

    1. Чем отличаются Cosmos ADC от Cosmos ADC Iso?
    2. Cosmos ADC Iso линия питания USB-C (отсутствует на Cosmos ADC), подключается к тому же компьютеру или лучше подключать к отдельному источнику питания по USB?

    Спасибо!

  6. #1325
    一万
    Автор темы
    Аватар для IVX
    Регистрация
    16.03.2005
    Сообщений
    4,404

    По умолчанию Re: Космос, как технологии в конце концов рвут архаику АР аналайзеров

    ADCiso имеет изолированный USB-C интерфейс, для того чтобы избежать проблем с земляными петлями, + дополнительный USB-C только для питания, который можно подключить к тому же компьютеру, что и изолированный, но обычно люди питают его пауэрбанком, или чарджером от телефона, например.
    Импульсно всё, в этом мире бушующем..

  7. #1326
    Завсегдатай Аватар для DrModd
    Регистрация
    17.07.2019
    Сообщений
    1,149

    По умолчанию Re: Космос, как технологии в конце концов рвут архаику АР аналайзеров

    Иван, а нет ли у вас в планах сделать устройство типа скалера, только с автоматическим ослаблением сигнала от усилителя для Космос АЦП?

  8. #1327
    Завсегдатай Аватар для sousmanster
    Регистрация
    13.03.2008
    Адрес
    Ивано-Франковск
    Возраст
    43
    Сообщений
    2,970

    По умолчанию Re: Космос, как технологии в конце концов рвут архаику АР аналайзеров

    Вопрос аналогичный. Возможно, конечно, для большинства применений можно перед САБЖем делитель прриделать, но все же это не совсем то.

  9. #1328
    一万
    Автор темы
    Аватар для IVX
    Регистрация
    16.03.2005
    Сообщений
    4,404

    По умолчанию Re: Космос, как технологии в конце концов рвут архаику АР аналайзеров

    что за делитель, зачем? К слову, у ADCiso оставлены не запаянными футпринты под буфер/инструментальный амп, правда теряется AUX вход при этом, по понятным причинам, но это кому что нужнее.
    Импульсно всё, в этом мире бушующем..

  10. #1329
    Завсегдатай Аватар для DrModd
    Регистрация
    17.07.2019
    Сообщений
    1,149

    По умолчанию Re: Космос, как технологии в конце концов рвут архаику АР аналайзеров

    Цитата Сообщение от IVX Посмотреть сообщение
    что за делитель, зачем?
    Автоматический, чтобы делитель не ставить перед АЦП. Чтобы свободно можно было навалить на усилителе больше 10 вольт выхода. Типа вашего скалера.
    Цитата Сообщение от IVX Посмотреть сообщение
    под буфер/инструментальный амп
    Можете рассказать подробнее?

  11. #1330
    一万
    Автор темы
    Аватар для IVX
    Регистрация
    16.03.2005
    Сообщений
    4,404

    По умолчанию Re: Космос, как технологии в конце концов рвут архаику АР аналайзеров

    По мере распространения космос-дивайсов, возникает всё больше вопросов относительно LPF для замера class D усилов. Кроме того, замеры некоторых ЦАП так же осложнены недофильтрованным ВЧ контентом.
    Как я вижу, юзеры уже массово кинулись повторять AP AUX0025 фильтр, который, мягко говоря, неоптимален, а попросту негоден для замеров ДД ЦАПов, в силу великоватого импеданса=шума, да и class D он ограничит в этом, по крайней мере лучшие из них. В связи с вышеизложенным, предполагаю выработать концепт простого, доступного и универсального LPF, годного, как для class D, так и для ЦАПов.
    Требуется:
    1) низкий импеданс, для наименьшего шума, ну и минимальные искажения.
    2) встроенный делитель с несколькими ступенями, примерно от 0 до 15дб.
    3) 4й порядок AUX0025 вообще ни к чему, особенно, если нужна полоса замера до 20кГц, достаточно 2го т.е. LCR c -30db на 400кГц.
    4) LPF само собой, дифференциальный и способный работать на разный входной импеданс от 400ом ацп, до 100к скалера.
    Если делитель есть, стало быть нам выгодно добавить LPF уже после него, чтобы только входной резистор был под мах напряжением, в отличие от AUX0025, где все его партсы приходится брать огромными-высоковольтными. Чтобы не мотать воздушный индуктор, можно взять готовый SMD TDK на 1-2А, с замкнутым сердечником, что обеспечит иммунитет от внешних EMI и искажения ниже -130дб, что вполне ок для class D и для замеров ДД ЦАПов. Можно два последовательных индуктора, для меньших искажений, ну и для переключения частоты LPF, если вдруг понадобится. Получается, что входной резистор придётся набрать из MELF0207, примерно 1000ом в максимуме, так чтоб собрать из них последовательно мощность 50V^2/1000ohm=2.5W, ну и золоченый DIP-Switch на них, для настройки К-делителя. Хороший, но не всякий 1206 100V 100n C0G/NP0 даст Н3 <-140дб при 1кГц и 5В, так что не проблема тоже, тем более, что потребуется <100nF. Нижний резистор делителя отключаемый, в случае замера ДД ЦАПа т.е. для делителя на 0дб, а для class D видимо 200-400ом MELF0207, можно посадить на тот же DIP-Switch и дать три положения: 200, 400, Off. Выходной импеданс ЦАПов может оказаться под сотню ом, но чтоб выше того, эдаких вроде больше не осталось, тут может пригодиться упомянутый выше переключатель коротящий один из составных индукторов. Ясно, что в связи с очень разным импедансом, такой LPF с ачх красивого баттерворта невозможен, я предлагаю на это забить и подготовить несколько калибрующих файлов для REW. Спрос невысокий, думаю300-500шт/год, так что долларов по 20 это можно сделать в виде РСВА, можно было бы дешевле, но доставка минимум 5, потом 8% заберёт Али.
    Импульсно всё, в этом мире бушующем..

  12. #1331
    Завсегдатай Аватар для maxssau
    Регистрация
    15.08.2015
    Адрес
    Самара
    Возраст
    41
    Сообщений
    2,585

    По умолчанию Re: Космос, как технологии в конце концов рвут архаику АР аналайзеров

    имхо

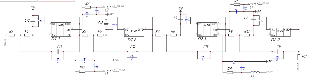
    для замера цапикофф и прочего я задумал вот такой фильтр:

    Нажмите на изображение для увеличения. 

Название:	1.png 
Просмотров:	123 
Размер:	36.5 Кб 
ID:	445300

    в зависимости от требуемого порядка второй оу можно не впаивать и получать от 2 до 8 порядка

    печатка под фильтры Ар, в таком же форм факторе и совместимом разъеме /габаритам

    Нажмите на изображение для увеличения. 

Название:	2.png 
Просмотров:	75 
Размер:	107.6 Кб 
ID:	445301

    номиналы можно рассчитать через Ti Filter Pro

    100k.zip

    такой фильтр естественно ставить после делителя и защитных диодов. как наберется 4-5 плат к заказу обязательно закажу
    _________________
    Евгений

  13. #1332
    一万
    Автор темы
    Аватар для IVX
    Регистрация
    16.03.2005
    Сообщений
    4,404

    По умолчанию Re: Космос, как технологии в конце концов рвут архаику АР аналайзеров

    не про то речь, нужен пассивный LPF для class D + R/R на 3-6х, чтобы мерить вольт 50 и выше, просто подключаемый insert/врезкой, без питания и без дополнительного шума, искажений.
    Импульсно всё, в этом мире бушующем..

  14. #1333
    Завсегдатай Аватар для maxssau
    Регистрация
    15.08.2015
    Адрес
    Самара
    Возраст
    41
    Сообщений
    2,585

    По умолчанию Re: Космос, как технологии в конце концов рвут архаику АР аналайзеров

    а, понятно
    _________________
    Евгений

  15. #1334
    一万
    Автор темы
    Аватар для IVX
    Регистрация
    16.03.2005
    Сообщений
    4,404

    По умолчанию Re: Космос, как технологии в конце концов рвут архаику АР аналайзеров

    то есть нечто вроде AUX0025, но проще и универсальнее.
    Импульсно всё, в этом мире бушующем..

  16. #1335
    Завсегдатай Аватар для dortonyan
    Регистрация
    03.06.2009
    Адрес
    BLR
    Возраст
    39
    Сообщений
    4,043

    По умолчанию Re: Космос, как технологии в конце концов рвут архаику АР аналайзеров

    IVX, а какое ослабление в нынешнем ФНЧ на частоте модулятора? Сколько там в АЦП оверсемплинг модулятора?
    Если х128, то где-то на 5,5МГц должно быть ослабление 130..140дБ, для выполнения условия неналожения спектров. На глаз, 4..5 порядка должно хватать: пара MFB 2..3 порядка включенные друг за другом.
    И может нубский вопрос, но зачем для фильтрации Д-класса обязательно пассивный фильтр?

    Цитата Сообщение от maxssau Посмотреть сообщение
    для замера цапикофф и прочего я задумал вот такой фильтр:
    Линейность Селлен-Кея не очень. Ну и на таком порядке разброс номиналов будет сильно портить АЧХ.
    Для такого случая наверное лучше SFDR фильтры, только недавно упоминались.
    Нашел пример из стародавних времен, когда в аудио использовались SAR АЦП с частотой семплирования всего 192к, и входной ФНЧ приходилось делать высокого порядка:
    Нажмите на изображение для увеличения. 

Название:	изображение_2023-12-05_151527108.png 
Просмотров:	88 
Размер:	231.5 Кб 
ID:	445306

  17. #1336
    一万
    Автор темы
    Аватар для IVX
    Регистрация
    16.03.2005
    Сообщений
    4,404

    По умолчанию Re: Космос, как технологии в конце концов рвут архаику АР аналайзеров

    у 9822 128х оверсэмплинг до 384к, и 64х на 768к, но дело не в ацп, вернее не только, тот же APU с 60дб гейна легко покажет левый результат с 1-5МГц 1-3мВ помехами в сигнале.
    Речь же о низких искажениях и шумах, так что не ацп единым.
    Class D переключается обычно 400-800кГц, со свингом до +\-50в и более, дальше LPF 2ord, просто LC на 30-100кГц, ну и посчитайте, что там выйдет в реале на выходе, даже если вход усила молчит, до единиц вольт 400кГц..
    Импульсно всё, в этом мире бушующем..

  18. #1337
    Завсегдатай Аватар для dortonyan
    Регистрация
    03.06.2009
    Адрес
    BLR
    Возраст
    39
    Сообщений
    4,043

    По умолчанию Re: Космос, как технологии в конце концов рвут архаику АР аналайзеров

    Цитата Сообщение от IVX Посмотреть сообщение
    у 9822 128х оверсэмплинг до 384к, и 64х на 768к, но дело не в ацп, вернее не только, тот же APU с 60дб гейна легко покажет левый результат с 1-5МГц 1-3мВ помехами в сигнале.
    Речь же о низких искажениях и шумах, так что не ацп единым.
    Т.е. для линейного преобразования СДМ АЦП выполнения одного критерия Найквиста недостаточно?

    Цитата Сообщение от IVX Посмотреть сообщение
    Class D переключается обычно 400-800кГц, со свингом до +\-50в и более, дальше LPF 2ord, просто LC на 30-100кГц, ну и посчитайте, что там выйдет в реале на выходе, даже если вход усила молчит, до единиц вольт 400кГц..
    То что надо много фильтровать это понятно, а зачем именно пассивный фильтр?
    Ну и не понятно еще: если при оцифровке отсутствует наложение спектров (а это обеспечивается достаточным ослаблением на частоте немного ниже частоты модулятора), то далее при задании выходной частоты семплирования 44,1к все должно отфильтроваться цифровым фильтром, причем гораздо лучше любого аналогового.

  19. #1338
    一万
    Автор темы
    Аватар для IVX
    Регистрация
    16.03.2005
    Сообщений
    4,404

    По умолчанию Re: Космос, как технологии в конце концов рвут архаику АР аналайзеров

    повторяю, не в ацп дело, у него иммунити к ВЧ вполне достаточно, люди мерили class D без какого либо фильтра и с ним, разница несколько дб + некоторые странные пики на FFT. Но вот LNA с таким ВЧ шумом на входе
    нормально уже не отработает.
    Импульсно всё, в этом мире бушующем..

  20. #1339
    Завсегдатай Аватар для dortonyan
    Регистрация
    03.06.2009
    Адрес
    BLR
    Возраст
    39
    Сообщений
    4,043

    По умолчанию Re: Космос, как технологии в конце концов рвут архаику АР аналайзеров

    А делитель на инверсном ОУ (можно включить сразу по схеме MFB-2order) не годится?
    Выход Д-класса - это по сути то же самое, что выход однобитного ЦАПа. Работают же как-то каскады I/U на таких конверторах.
    Только что частота конечно пониже, чем в ЦАПах.

  21. #1340
    一万
    Автор темы
    Аватар для IVX
    Регистрация
    16.03.2005
    Сообщений
    4,404

    По умолчанию Re: Космос, как технологии в конце концов рвут архаику АР аналайзеров

    ну что я буду повторять 3й раз уже, не годится мне активный LPF, само собой это было бы лучше.
    Импульсно всё, в этом мире бушующем..

Страница 67 из 86 Первая ... 57656667686977 ... Последняя

Социальные закладки

Социальные закладки

Ваши права

  • Вы не можете создавать новые темы
  • Вы не можете отвечать в темах
  • Вы не можете прикреплять вложения
  • Вы не можете редактировать свои сообщения
  •