Страница 65 из 317 Первая ... 55636465666775 ... Последняя
Показано с 1,281 по 1,300 из 6324

Тема: DC-DC преобразователи напряжения (для авто)

  1. #1 Показать/скрыть первое сообщение.
    Новичок
    Автор темы
    Аватар для WARIOR
    Регистрация
    19.01.2005
    Сообщений
    66

    По умолчанию Re: Импульсные источники питания и преобразователи.

    Здравствуйте !

    Я решил возвратиться к статье "АВТО 400", а именно к ПН. Я заканчиваю сборку по той схеме и хотел спросить нет ли там каких-либо ошибок или недостатков, недочётов, неохото получать negative consequences. (Пытался связаться с автором, чтоб узнать у него - не получилось). Может кто-нибудь собитал подобный ПН ?
    Заранее огромное спасибо !
    https://www.vegalab.ru/index.php?opt...=184&Itemid=52
    Миниатюры Миниатюры Нажмите на изображение для увеличения. 

Название:	pic002-1.gif 
Просмотров:	37512 
Размер:	37.4 Кб 
ID:	19604  

  2. #1281
    Новичок
    Регистрация
    23.10.2007
    Адрес
    С.Петербург, Стрельна.
    Сообщений
    14

    По умолчанию Re: DC-DC преобразователи напряжения (для авто)

    Ладно вам! Не вредничайте! Конечно чайникам подсказывать дело муторное. Но на то вы и сэнсЭи, чтоб молодым и глупым свой опыт передать.
    Витки попробую просто в двое поднять. Тут всё понял.

    теперь про TL-ку.
    На кой леший мудрить с её питанием? В её описАлове допустимое питание до 48(кажись) вольтей. Может проще переделать схему задающую частоту генерации(если она питалово-зависимая)? Там ведь не сложно вроде? Если так, тогда на повестке только вопрос с драйверами останется. Т.е. если TL ку на 24в питаем, драйвера очевидно тоже можно на 24?
    Поправьте пожалста если что не так .

  3. #1282
    Частый гость
    Регистрация
    07.01.2007
    Адрес
    г.Пенза
    Возраст
    42
    Сообщений
    265

    По умолчанию Re: DC-DC преобразователи напряжения (для авто)

    Цитата Сообщение от FreeWind Посмотреть сообщение
    Ладно вам! Не вредничайте! Конечно чайникам подсказывать дело муторное. Но на то вы и сэнсЭи, чтоб молодым и глупым свой опыт передать.
    Витки попробую просто в двое поднять. Тут всё понял.

    теперь про TL-ку.
    На кой леший мудрить с её питанием? В её описАлове допустимое питание до 48(кажись) вольтей. Может проще переделать схему задающую частоту генерации(если она питалово-зависимая)? Там ведь не сложно вроде? Если так, тогда на повестке только вопрос с драйверами останется. Т.е. если TL ку на 24в питаем, драйвера очевидно тоже можно на 24?
    Поправьте пожалста если что не так .
    А для драйверов наверно многовато, это напряжение ведь пойдёт на затвор полевика, оптимальное вроде 12в, если что подправте

  4. #1283
    Завсегдатай Аватар для Артём
    Регистрация
    26.07.2004
    Адрес
    Минск
    Возраст
    38
    Сообщений
    1,115

    По умолчанию Re: DC-DC преобразователи напряжения (для авто)

    питать ТЛку и драйвера от 12в, именно для того, чтоб не перезаряжаться затворы. Проще будет закрывать транзистор и он дольше прослужит

  5. #1284
    Частый гость Аватар для Igor_K
    Регистрация
    08.06.2005
    Адрес
    Приднестровье
    Возраст
    58
    Сообщений
    392

    По умолчанию Re: DC-DC преобразователи напряжения (для авто)

    Приветсвую всех! Нарыл вот сердечник от старого AT блока питания. Хочу собрать БП (http://sound.westhost.com/project89.htm) для автомобильного усилителя мощностью 100-120Вт
    1) Скажите можно ли этот сердечник использовать?
    2) Какую частоту выбрать?
    3) Сколько витков мотать? (надо 2x25В переменки)
    4) Какой диаметр провода использовать?
    Миниатюры Миниатюры Нажмите на изображение для увеличения. 

Название:	Ш.jpg 
Просмотров:	348 
Размер:	86.3 Кб 
ID:	22699  
    Последний раз редактировалось Igor_K; 02.11.2007 в 16:00.

  6. #1285

    По умолчанию Re: DC-DC преобразователи напряжения (для авто)

    Цитата Сообщение от dEmon Посмотреть сообщение
    вот я дурак, да?
    вот не скажу так сразу Вы бы чуть прямее изъяснялись, вам же было бы легче, я например так и не уверен заработало у вас всё от того, что заменили диоды или нет?
    Импульсно всё, в этом мире бушующем..

  7. #1286
    Частый гость
    Регистрация
    07.01.2007
    Адрес
    г.Пенза
    Возраст
    42
    Сообщений
    265

    По умолчанию Re: DC-DC преобразователи напряжения (для авто)

    Цитата Сообщение от Igor_K Посмотреть сообщение
    Приветсвую всех! Нарыл вот сердечник от старого AT блока питания. Хочу собрать БП (http://sound.westhost.com/project89.htm) для автомобильного усилителя мощностью 100-120Вт
    1) Скажите можно ли этот сердечник использовать?
    2) Какую частоту выбрать?
    3) Сколько витков мотать? (надо 2x25В переменки)
    4) Какой диаметр провода использовать?
    если он был выпаян из бп, то нужно было посчитать число витков, а так только по калькулятору Лысого
    есть ещё програмка для расчёта

  8. #1287
    Частый гость
    Регистрация
    07.01.2007
    Адрес
    г.Пенза
    Возраст
    42
    Сообщений
    265

    По умолчанию Re: DC-DC преобразователи напряжения (для авто)

    вот она
    Вложения Вложения

  9. #1288
    Регистрация не подтверждена Аватар для dEmon
    Регистрация
    16.12.2004
    Адрес
    Москва, Перово
    Возраст
    38
    Сообщений
    702

    По умолчанию Re: DC-DC преобразователи напряжения (для авто)

    Цитата Сообщение от IVX Посмотреть сообщение
    Вы бы чуть прямее изъяснялись, вам же было бы легче, я например так и не уверен заработало у вас всё от того, что заменили диоды или нет?
    Да, заработало, пытать на больших мощностях пока не могу по причине отсутствия радиатора, времени и подобающего первичного источника.
    А объясняюсь как могу. как в том анекдоте про надпись в салуне "в пианиста не стрелять: он играет как умеет"

  10. #1289
    Завсегдатай
    Регистрация
    20.02.2007
    Адрес
    Россия, Пермь
    Возраст
    41
    Сообщений
    1,274

    По умолчанию Re: DC-DC преобразователи напряжения (для авто)

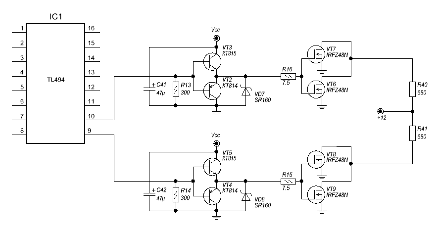
    Вот такая схема. На выходе меандра нет. Ключи очень медленно закрываются. Не могу понять в чём дело, помогите пожалуйста.
    Миниатюры Миниатюры Нажмите на изображение для увеличения. 

Название:	SPS.GIF 
Просмотров:	515 
Размер:	11.5 Кб 
ID:	22755  

  11. #1290
    Завсегдатай Аватар для Артём
    Регистрация
    26.07.2004
    Адрес
    Минск
    Возраст
    38
    Сообщений
    1,115

    По умолчанию Re: DC-DC преобразователи напряжения (для авто)

    Цитата Сообщение от Niroborn Посмотреть сообщение
    Вот такая схема. На выходе меандра нет. Ключи очень медленно закрываются. Не могу понять в чём дело, помогите пожалуйста.
    Лучше покажи картинку что на выходе.

  12. #1291
    Новичок Аватар для Bender
    Регистрация
    28.12.2005
    Адрес
    Красногорск
    Сообщений
    1,595

    По умолчанию Re: DC-DC преобразователи напряжения (для авто)

    Niroborn, меняйте кт815, кт814 на кт940 (нпн), кт9115(пнп). В крайнем случае 972, 973 (они составные). Можно вообще обойтись bc807, bc817 в сот23. ПОлагаю у тл коллекторвы выходных (8,11) на + питания?

  13. #1292
    Завсегдатай
    Регистрация
    20.02.2007
    Адрес
    Россия, Пермь
    Возраст
    41
    Сообщений
    1,274

    По умолчанию Re: DC-DC преобразователи напряжения (для авто)

    Цитата Сообщение от Артём Посмотреть сообщение
    Лучше покажи картинку что на выходе.
    Вот
    Миниатюры Миниатюры Нажмите на изображение для увеличения. 

Название:	Сток 3.jpg 
Просмотров:	295 
Размер:	13.0 Кб 
ID:	22760  

  14. #1293
    Завсегдатай
    Регистрация
    20.02.2007
    Адрес
    Россия, Пермь
    Возраст
    41
    Сообщений
    1,274

    По умолчанию Re: DC-DC преобразователи напряжения (для авто)

    Цитата Сообщение от Bender Посмотреть сообщение
    Niroborn, меняйте кт815, кт814 на кт940 (нпн), кт9115(пнп). В крайнем случае 972, 973 (они составные). Можно вообще обойтись bc807, bc817 в сот23. ПОлагаю у тл коллекторвы выходных (8,11) на + питания?
    Попробую поставить КТ972/973 - они у меня есть. Спасибо.
    Вся обвязка по мануалу. 8, 11, 12 на +

    Добавлено через 57 минут
    Замена результата не дала - ничего не изменилось. Видимо причина не в этом.
    Последний раз редактировалось Niroborn; 04.11.2007 в 16:51. Причина: Добавлено сообщение

  15. #1294
    Завсегдатай Аватар для Артём
    Регистрация
    26.07.2004
    Адрес
    Минск
    Возраст
    38
    Сообщений
    1,115

    По умолчанию Re: DC-DC преобразователи напряжения (для авто)

    Ключи именно закрываются медленно или открываются ? В какой точке смотрелся сигнал и относительно чего ? На 9 и 10 меандр ? Если именно закрываются медлено, то можно попробовать параллельно резисторам в затворах поставить диод.

  16. #1295
    Регистрация не подтверждена
    Регистрация
    02.03.2007
    Адрес
    Воронеж
    Возраст
    69
    Сообщений
    708

    По умолчанию Re: DC-DC преобразователи напряжения (для авто)

    Цитата Сообщение от Niroborn Посмотреть сообщение
    Не могу понять в чём дело
    Посмотрите картинку:
    Миниатюры Миниатюры Нажмите на изображение для увеличения. 

Название:	управа.gif 
Просмотров:	560 
Размер:	33.0 Кб 
ID:	22764  

  17. #1296
    Новичок Аватар для Bender
    Регистрация
    28.12.2005
    Адрес
    Красногорск
    Сообщений
    1,595

    По умолчанию Re: DC-DC преобразователи напряжения (для авто)

    Niroborn, я-то думал на реальную нагрузку работаете .

  18. #1297
    Завсегдатай
    Регистрация
    20.02.2007
    Адрес
    Россия, Пермь
    Возраст
    41
    Сообщений
    1,274

    По умолчанию Re: DC-DC преобразователи напряжения (для авто)

    Цитата Сообщение от gyrator Посмотреть сообщение
    Посмотрите картинку:

    Мне стыдно за свою глупость.
    Банально мощных резиков не было, поставил высокоомный. При этом один "специалист" сказал, что на такую нагрузку должен быть меандр и я его тупо пытался получить. Спасибо.

  19. #1298
    Новичок Аватар для Bender
    Регистрация
    28.12.2005
    Адрес
    Красногорск
    Сообщений
    1,595

    По умолчанию Re: DC-DC преобразователи напряжения (для авто)

    Niroborn, в любом случае от 814, 815 лучше уйти, от 973(973) тоже .

  20. #1299
    Новичок
    Регистрация
    05.11.2007
    Сообщений
    85

    По умолчанию Re: DC-DC преобразователи напряжения (для авто)

    Bender,
    Простите, но с чем связано это, почему уйти? Неужели они медленные , а может ток не держат, может еще что? Насколько я знаю, они до 1 А точно выдержат, а в коротеньком пике могут и до 3 Ампер дать... Чем 973 лучше, тем что высокочастотнее?
    Кстати СКОРОСТЬ переключения фронтов затвора и соответсвенно вашего IRFZ48N БОЛЬШАЯ не нужна, почему? Да просто в связи с такой быстрой скоростью изменения dv/dt у вас будут выбпросы на СТОКЕ, а значит КПД упадет , помехи в радиоэфир и в усь вы пустите и драйверу ПЛОХО БУДЕТ, так что ТОЛКУ НЕТ от быстрой скорости.....
    Ставьте 50Ом в ЗАТВОР именно на ЗАРЯД и хватит, ибо дальше все гораздо хуже будет. РАЗРЯД у вас НОРМА...
    А почему 50 ом? Да просто практика показала, что для этих транзисторов такая скорость заряда достаточная и оптимальная.....Если у вас N транзисторов в плече, тогда этот резистор надо делать на N. Для 2х полевиков - уже 25-30 Ом надо ставить, а для 10 полевиков уже не более 5-10 Ом

  21. #1300

    По умолчанию Re: DC-DC преобразователи напряжения (для авто)

    Misterioo, ну драйверу-то ничего такого не будет, к тому же повторителями почти любые биполяры быстры достаточно, дарлингтонов лучше не применять, всвязи с большим КЭ падением на них, никакие резисторы не надо делить на N, надо просто взять их N штук по теже 50ом.
    Импульсно всё, в этом мире бушующем..

Страница 65 из 317 Первая ... 55636465666775 ... Последняя

Социальные закладки

Социальные закладки

Ваши права

  • Вы не можете создавать новые темы
  • Вы не можете отвечать в темах
  • Вы не можете прикреплять вложения
  • Вы не можете редактировать свои сообщения
  •