Страница 52 из 317 Первая ... 42505152535462 ... Последняя
Показано с 1,021 по 1,040 из 6324

Тема: DC-DC преобразователи напряжения (для авто)

  1. #1 Показать/скрыть первое сообщение.
    Новичок
    Автор темы
    Аватар для WARIOR
    Регистрация
    19.01.2005
    Сообщений
    66

    По умолчанию Re: Импульсные источники питания и преобразователи.

    Здравствуйте !

    Я решил возвратиться к статье "АВТО 400", а именно к ПН. Я заканчиваю сборку по той схеме и хотел спросить нет ли там каких-либо ошибок или недостатков, недочётов, неохото получать negative consequences. (Пытался связаться с автором, чтоб узнать у него - не получилось). Может кто-нибудь собитал подобный ПН ?
    Заранее огромное спасибо !
    https://www.vegalab.ru/index.php?opt...=184&Itemid=52
    Миниатюры Миниатюры Нажмите на изображение для увеличения. 

Название:	pic002-1.gif 
Просмотров:	37512 
Размер:	37.4 Кб 
ID:	19604  

  2. #1021
    Новичок Аватар для AlexVr
    Регистрация
    20.03.2005
    Адрес
    Ульяновск
    Сообщений
    17

    По умолчанию Re: Импульсный преобразователь в авто

    Конечно можно . Вот весь комплект .
    Вложения Вложения

  3. #1022
    Новичок
    Регистрация
    01.06.2005
    Сообщений
    17

    По умолчанию Re: Импульсный преобразователь в авто

    У меня вот вопрос созрел. А можно ли к одному шим контроллеру (например SG3525) присабачить два трансформатора. И как это сделать никто не посоветует? Две вторички, вместо двух трансформаторов не советовать!

  4. #1023
    Регистрация не подтверждена Аватар для aknodik
    Регистрация
    11.12.2005
    Адрес
    Минск
    Возраст
    45
    Сообщений
    1,065

    По умолчанию Re: Импульсный преобразователь в авто

    Вот пожалуйста.
    Миниатюры Миниатюры Нажмите на изображение для увеличения. 

Название:	SMPS_pa200 normal.png 
Просмотров:	832 
Размер:	52.9 Кб 
ID:	16978  

  5. #1024
    Регистрация не подтверждена Аватар для aknodik
    Регистрация
    11.12.2005
    Адрес
    Минск
    Возраст
    45
    Сообщений
    1,065

    По умолчанию Re: Импульсный преобразователь в авто

    А что Вы такое делаете? HI-FI или полагаете что мощи много так можно снять?

  6. #1025
    Частый гость
    Регистрация
    18.05.2006
    Адрес
    Мытищи
    Возраст
    45
    Сообщений
    463

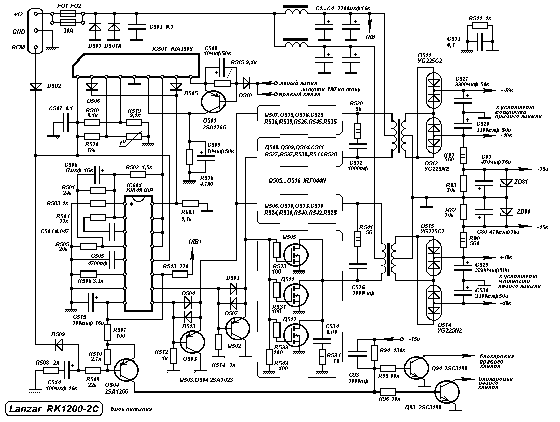
    По умолчанию Re: Импульсный преобразователь в авто

    Цитата Сообщение от DubeL Посмотреть сообщение
    У меня вот вопрос созрел. А можно ли к одному шим контроллеру (например SG3525) присабачить два трансформатора. И как это сделать никто не посоветует? Две вторички, вместо двух трансформаторов не советовать!
    Вот, глянь:
    Миниатюры Миниатюры Нажмите на изображение для увеличения. 

Название:	lan1200p.gif 
Просмотров:	897 
Размер:	33.7 Кб 
ID:	16980  

  7. #1026
    Новичок
    Регистрация
    01.06.2005
    Сообщений
    17

    По умолчанию Re: Импульсный преобразователь в авто

    Уёё. Ладно буду разбиратся. Спасибо. Дело не только в моще, а и в размерах корпуса по высоте. Хочется сделать преобразователь для усилителя Ускова. Два канала. Возможность подключения в мост. На каждый канал по своему трансу +-45В. Например как тут.
    http://www.techhome.ru/catalog/auto/E60006BD_2.htm

  8. #1027
    Регистрация не подтверждена Аватар для aknodik
    Регистрация
    11.12.2005
    Адрес
    Минск
    Возраст
    45
    Сообщений
    1,065

    По умолчанию Re: Импульсный преобразователь в авто

    slpl80 теперь явно DubeL будет что выбрать.

    Добавлено через 1 час 14 минут
    Цитата Сообщение от DubeL Посмотреть сообщение
    Хочется сделать преобразователь для усилителя Ускова. Два канала. Возможность подключения в мост. На каждый канал по своему трансу +-45В. Например как тут.
    если позволите маленький совет по питанию Ускова не повторяйте мои грабли (питалово +-48 уже менял один 142.), если использовать TIP 142 147 то питалово у них 100 вольт. Слишком полагаю рискованно ходить 90 вольтами под 100. Лучше по рекомендации WP из прямого эфира:
    "И третья причина TIP142 TIP147 довольно дерьмовые транзисторы.
    2SA1943 2SC5200 немного дороже, но гораздо приличнее и на порядок надежнее из-за значительно большей электрической прочности."
    тогда и питалово можно гнать выше.
    Последний раз редактировалось aknodik; 12.12.2006 в 20:06. Причина: Добавлено сообщение

  9. #1028
    Новичок
    Регистрация
    01.06.2005
    Сообщений
    17

    По умолчанию Re: Импульсный преобразователь в авто

    aknodik спасибо за совет. Но TIP уже куплены 8 штук. По 4 на каждый канал. Когда купил, уже потом прочитал рекомендации WP. Поставлю , посмотрим. Может стабилизацию на 40 вольт сделаю. Кстати сначала не понял что в схеме, которую ты выложил, не так. Оказалось, что разрисованно справа на лево. Т.е. слева выходы, справа - входы

  10. #1029
    Частый гость
    Регистрация
    18.05.2006
    Адрес
    Мытищи
    Возраст
    45
    Сообщений
    463

    По умолчанию Re: Импульсный преобразователь в авто

    Вот, почти доделал...
    Миниатюры Миниатюры Нажмите на изображение для увеличения. 

Название:	20.jpg 
Просмотров:	706 
Размер:	84.6 Кб 
ID:	17020   Нажмите на изображение для увеличения. 

Название:	21.jpg 
Просмотров:	569 
Размер:	34.9 Кб 
ID:	17021   Нажмите на изображение для увеличения. 

Название:	15.jpg 
Просмотров:	675 
Размер:	110.3 Кб 
ID:	17022  
    Последний раз редактировалось slpl80; 13.12.2006 в 14:06.

  11. #1030
    Завсегдатай Аватар для Артём
    Регистрация
    26.07.2004
    Адрес
    Минск
    Возраст
    38
    Сообщений
    1,115

    По умолчанию Re: Импульсный преобразователь в авто

    slpl80, а смысл мелких кандеров в этой большой батарее ?

  12. #1031
    Частый гость
    Регистрация
    18.05.2006
    Адрес
    Мытищи
    Возраст
    45
    Сообщений
    463

    По умолчанию Re: Импульсный преобразователь в авто

    Цитата Сообщение от Артём Посмотреть сообщение
    а смысл мелких кандеров в этой большой батарее
    Это керамические конденсаторы для шунтирования по ВЧ (смысл в них, по моему, есть).


    Цитата Сообщение от 7doswerfertu7 Посмотреть сообщение
    Какова общая ёмкость батареи?
    0,5 Ф (без учета керамики и пленки).

  13. #1032
    Регистрация не подтверждена Аватар для TDA
    Регистрация
    30.10.2004
    Адрес
    Люберцы
    Возраст
    40
    Сообщений
    1,190

    По умолчанию Re: Импульсный преобразователь в авто

    slpl80, Солидно но действительно вместо КМок и оранжевых кондёров напрашивются смд 1206 их туда и поставить можно в разы больше а по стоимости будут копейки (100шт по 0.47-1мк - 50р) да и вч они будут давить лучше.

  14. #1033
    Частый гость
    Регистрация
    18.05.2006
    Адрес
    Мытищи
    Возраст
    45
    Сообщений
    463

    По умолчанию Re: Импульсный преобразователь в авто

    Цитата Сообщение от TDA Посмотреть сообщение
    Солидно
    Спасибо!

    Цитата Сообщение от TDA Посмотреть сообщение
    напрашивются смд 1206 их туда и поставить можно в разы больше а по стоимости будут копейки (100шт по 0.47-1мк - 50р) да и вч они будут давить лучше.
    TDA, не спорю, но ни один из тех керамических кондеров, что там стоят я не покупал, поэтому не особо расстраиваюсь, да и ВЧ они давят нормально.

  15. #1034
    Регистрация не подтверждена Аватар для 7doswerfertu7
    Регистрация
    18.07.2006
    Адрес
    Бутово
    Возраст
    55
    Сообщений
    128

    По умолчанию Re: Импульсный преобразователь в авто

    Цитата Сообщение от slpl80 Посмотреть сообщение
    slpl80
    Кулер выдувает те заветные 100 градусов из трансов,
    уводя от оптимального КПД. Мож лучше на радиаторы дуть?

    Offтопик:
    Ща скажет: во чё приколебался-то.
    Последний раз редактировалось 7doswerfertu7; 15.12.2006 в 00:15. Причина: Добавлено сообщение

  16. #1035
    Частый гость
    Регистрация
    18.05.2006
    Адрес
    Мытищи
    Возраст
    45
    Сообщений
    463

    По умолчанию Re: Импульсный преобразователь в авто

    Цитата Сообщение от 7doswerfertu7 Посмотреть сообщение
    Кулер выдувает те заветные 100 градусов из трансов,
    уводя от оптимального КПД. Мож лучше на радиаторы дуть?

    Offтопик:
    Ща скажет: во чё приколебался-то.
    Не понял, как получается, что при охлаждении транса "выдувании заветных 100 градусов" уводим КПД от оптимального?

    Трансформаторы еле-еле нагреваются (40 град цельсия) и без вентилятора, т.к. сечение проводников первички расчитано на 50 А (для каждого транса в отдельности, т.е. оба транса легко держат 100 А) при плотности тока 5 А/мм2.
    Вторички расчитаны на 13,5 А при той же плотности и напряжении 50 В (опять же для каждого транса в отдельности).
    Греются сильно (не более 70 градусов) резисторы снабберов и драйвера силовых ключей (т.к. в затворах стоят токоограничительные резисторы всего по 1,8 Ом, плюс от этого - более быстрое перключение силовых ключей).
    Радиаторы греются несильно, поэтому охлаждать их особо не надо.
    Вентиляторы стоят для создания воздушного потока и снижения общей температуры внутри усилителя больше на случай высокой температуры летом на солнышке в авто в багажнике, которая может достигать 50-60 градусов, ну и, конечно, для красоты, раз с подсветкой ставлю.

  17. #1036
    Частый гость
    Регистрация
    30.05.2005
    Адрес
    Омск
    Сообщений
    180

    По умолчанию Re: Импульсный преобразователь в авто

    У меня вопрос по поводу сердечников. Первый транс для преобразователя мотал на двух сердечниках попавшихся под руку к45*28*8 из М2000НМ, первичка 16 кв. мм. вторичка 4 кв. мм. (набраны жгутом из провода 0,8). Частота около 70 кГц. Сечения рассчитывал исходя из плотности тока в обмотках 3 А/мм2. Суть в том что транс даже на половине расчетной мозности ощутимо грелся. Сейчас собрался перемотать, выяснилось что кольца я взял 67 года выпуска (достаю из блоков питания старых танковых радиостанций). Порыл интернет на предмет изменения параметров ферритов со временем и ничего вразумительного не нашел, кроме того, что ферриты с высокой магнитной проницаемостью, как правило, обладают невысоким удельным сопротивлением. Сейчас взял 4 таких же кольца (два 68 года и два 83 года выпуска), померил их сопротивление с противоположных сторон, получилось те что старее дали около 100 кОм, новые около 10 кОм. Вопрос: стоит ли покупать новые ферриты?

    Щас попробовал прокалить на плитке одно кольцо для интереса, нагрел до 300 градусов и медленно остудил. Сопротивление с 100 кОм выросло до 500 кОм... Кажись убил кольцо...
    Последний раз редактировалось Kortium; 05.01.2007 в 20:04.

  18. #1037
    Частый гость Аватар для sonja
    Регистрация
    16.02.2006
    Адрес
    Минск
    Сообщений
    134

    По умолчанию Re: Импульсный преобразователь в авто

    Цитата Сообщение от Kortium Посмотреть сообщение
    У меня вопрос по поводу сердечников. Первый транс для преобразователя мотал на двух сердечниках попавшихся под руку к45*28*8 из М2000НМ, первичка 16 кв. мм. вторичка 4 кв. мм. (набраны жгутом из провода 0,8). Частота около 70 кГц. Сечения рассчитывал исходя из плотности тока в обмотках 3 А/мм2. Суть в том что транс даже на половине расчетной мозности ощутимо грелся. Сейчас собрался перемотать, выяснилось что кольца я взял 67 года выпуска (достаю из блоков питания старых танковых радиостанций). Порыл интернет на предмет изменения параметров ферритов со временем и ничего вразумительного не нашел, кроме того, что ферриты с высокой магнитной проницаемостью, как правило, обладают невысоким удельным сопротивлением. Сейчас взял 4 таких же кольца (два 68 года и два 83 года выпуска), померил их сопротивление с противоположных сторон, получилось те что старее дали около 100 кОм, новые около 10 кОм. Вопрос: стоит ли покупать новые ферриты?

    Щас попробовал прокалить на плитке одно кольцо для интереса, нагрел до 300 градусов и медленно остудил. Сопротивление с 100 кОм выросло до 500 кОм... Кажись убил кольцо...
    У советских ферритовых колец вообще параметры разные т.е во много раз отличаются от паспортных данных, например у самого распростроненного НМ1 2000 значение колеблется + - 20%, естественно с ростом температуры этот параметор ИМХНО уходит.
    Поищи японские EPCOS очень хорошие колечки, да и склеивать их не надо.
    Транс наверное греется из-за плохого изготовления (намотка витков). Попробуй сначала посчитать параметры транса в проге Transformer 2.0.0.0, потом воплащать на практике

  19. #1038
    Завсегдатай Аватар для Артём
    Регистрация
    26.07.2004
    Адрес
    Минск
    Возраст
    38
    Сообщений
    1,115

    По умолчанию Re: Импульсный преобразователь в авто

    вот
    Вложения Вложения
    Последний раз редактировалось Артём; 19.01.2007 в 23:22.

  20. #1039
    Новичок
    Регистрация
    05.02.2006
    Возраст
    36
    Сообщений
    19

    По умолчанию Re: Импульсный преобразователь в авто

    Всем добрый день.
    Хотел спросить об этой схеме.
    Сколько мощи можно будет с неё снять?
    Трансформатор расщитан примерно на 1кВт если чистота кГц гдето 70.
    Думаю сделать его только генератор заменить на ТЛ494, со стабилизацией на АОТ128. Хочу спросить Ваше мнение.
    Вложения Вложения

  21. #1040
    Завсегдатай Аватар для Артём
    Регистрация
    26.07.2004
    Адрес
    Минск
    Возраст
    38
    Сообщений
    1,115

    По умолчанию Re: Импульсный преобразователь в авто

    valkom, ИМХО тупо применять IRFP064. Что за бред - 4 кольца, 3 витка в первичке для такой частоты это дохрена. Снаберов можно и поменьше. Вход оптрона подключать через делитель к выходу ПНа. Драйвер можно и попроще с другими транзисторами - не составными

Страница 52 из 317 Первая ... 42505152535462 ... Последняя

Социальные закладки

Социальные закладки

Ваши права

  • Вы не можете создавать новые темы
  • Вы не можете отвечать в темах
  • Вы не можете прикреплять вложения
  • Вы не можете редактировать свои сообщения
  •