Страница 51 из 317 Первая ... 41495051525361 ... Последняя
Показано с 1,001 по 1,020 из 6324

Тема: DC-DC преобразователи напряжения (для авто)

  1. #1 Показать/скрыть первое сообщение.
    Новичок
    Автор темы
    Аватар для WARIOR
    Регистрация
    19.01.2005
    Сообщений
    66

    По умолчанию Re: Импульсные источники питания и преобразователи.

    Здравствуйте !

    Я решил возвратиться к статье "АВТО 400", а именно к ПН. Я заканчиваю сборку по той схеме и хотел спросить нет ли там каких-либо ошибок или недостатков, недочётов, неохото получать negative consequences. (Пытался связаться с автором, чтоб узнать у него - не получилось). Может кто-нибудь собитал подобный ПН ?
    Заранее огромное спасибо !
    https://www.vegalab.ru/index.php?opt...=184&Itemid=52
    Миниатюры Миниатюры Нажмите на изображение для увеличения. 

Название:	pic002-1.gif 
Просмотров:	37512 
Размер:	37.4 Кб 
ID:	19604  

  2. #1001
    Новичок Аватар для Bender
    Регистрация
    28.12.2005
    Адрес
    Красногорск
    Сообщений
    1,595

    По умолчанию Re: Импульсные источники питания и преобразователи.

    Цитата Сообщение от slpl80 Посмотреть сообщение
    При закрытии силового ключа возникает ЭДС самоиндукции в первичке (а следовательно и во вторичке) транса, в результате чего образуется достаточно большой по амплитуде выброс
    амплитуда = 2*Uпитания (в случае с бортовой сетью авто ~24-28В) Если правильно понял затею, то результат эксперимента будет эквивалентен к.з. во вторичке...думаю не стоит тратить своё время на то, чтобы посмотреть как это будет выглядеть вживую.

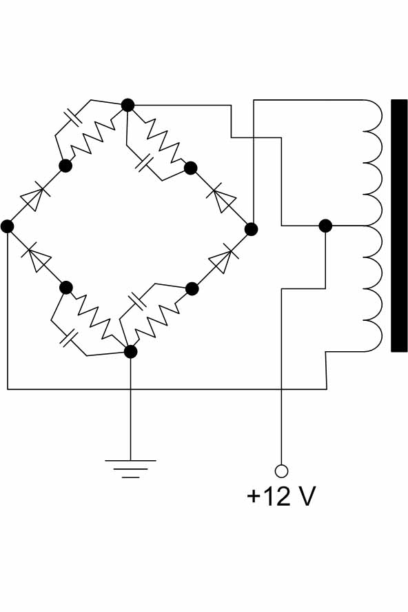
  3. #1002
    Частый гость
    Регистрация
    18.05.2006
    Адрес
    Мытищи
    Возраст
    45
    Сообщений
    463

    По умолчанию Re: Импульсные источники питания и преобразователи.

    Цитата Сообщение от IVX Посмотреть сообщение
    ок, нарисуйте точно как вы хотите диоды поставить и куда, а я объясню махом.
    Вот че предлагаю к рассмотрению...
    Миниатюры Миниатюры Нажмите на изображение для увеличения. 

Название:	Drawing1.jpg 
Просмотров:	554 
Размер:	47.8 Кб 
ID:	15429  

  4. #1003
    Новичок Аватар для Bender
    Регистрация
    28.12.2005
    Адрес
    Красногорск
    Сообщений
    1,595

    По умолчанию Re: Импульсные источники питания и преобразователи.

    В связке диодов идущих на землю нет никакого смысла, а если бы не токоограничивающие резисторы, включённые последовательно с диодами "питающими" бортовую сеть, то нормальным режимом работы ИБП с такими наворотами был бы режим постоянной, потактовой стабилизации тока в первичке.

  5. #1004
    Регистрация не подтверждена Аватар для 7doswerfertu7
    Регистрация
    18.07.2006
    Адрес
    Бутово
    Возраст
    55
    Сообщений
    128

    По умолчанию Re: Импульсные источники питания и преобразователи.

    Цитата Сообщение от slpl80 Посмотреть сообщение
    Вот че предлагаю к рассмотрению...
    Заманчиво, конечно использовать эти ватты не на питание драйверов
    и не на раскрутку систем охлажения ПНа. А просто ли будет их вернуть
    обратно в источник? В составе рекуператора придётся пристроить
    ещё один ПН.

  6. #1005
    Частый гость
    Регистрация
    18.05.2006
    Адрес
    Мытищи
    Возраст
    45
    Сообщений
    463

    По умолчанию Re: Импульсные источники питания и преобразователи.

    Цитата Сообщение от IVX Посмотреть сообщение
    а я объясню махом.
    Жду!
    Ваше мнение, пожалуйста.

  7. #1006

    По умолчанию Re: Импульсные источники питания и преобразователи.

    slpl80, бендер прав.
    Импульсно всё, в этом мире бушующем..

  8. #1007
    Частый гость
    Регистрация
    18.05.2006
    Адрес
    Мытищи
    Возраст
    45
    Сообщений
    463

    По умолчанию Re: Импульсные источники питания и преобразователи.

    Цитата Сообщение от IVX Посмотреть сообщение
    бендер прав.
    Так а без цепочек, идущих на землю, насколько целесообразно использование вместо обчных RC?

  9. #1008
    Частый гость
    Регистрация
    18.05.2006
    Адрес
    Мытищи
    Возраст
    45
    Сообщений
    463

    По умолчанию Re: Импульсный преобразователь в авто

    Bender, покажите, что получилось?

  10. #1009

    По умолчанию Re: Импульсный преобразователь в авто

    это да, на том форуме желательно знать имена тех авторов, которых надо слушать, но искать надо старые посты, а на этот момент там, в основном, юзеры купившие class D уси тусуются.
    Импульсно всё, в этом мире бушующем..

  11. #1010
    Частый гость
    Регистрация
    18.05.2006
    Адрес
    Мытищи
    Возраст
    45
    Сообщений
    463

    По умолчанию Re: Импульсные источники питания и преобразователи.

    IVX, обратите пожалуйста внимание на #3287

  12. #1011

    По умолчанию Re: Импульсные источники питания и преобразователи.

    slpl80, получится разновидность снаббера, но лучше транс правильно намотать, а спайк от L рассеяния и сам мосфет проглотит.
    Импульсно всё, в этом мире бушующем..

  13. #1012

    По умолчанию Re: Импульсный преобразователь в авто

    Подскажите где в нете можно купить сдвоеные диоды шотки на плюс и на минус тоесть соедененные плюсами и минусами , а то у меня в городе есть только на плюса. Весь рынок обходил на минуса не нашел вот и хочу попробовать по нету купить подскажите сайт по Украине.

  14. #1013
    Регистрация не подтверждена Аватар для TDA
    Регистрация
    30.10.2004
    Адрес
    Люберцы
    Возраст
    40
    Сообщений
    1,190

    По умолчанию Re: Импульсный преобразователь в авто

    AleKSANDR, Шоттки не знаю, возможно реально доступные с общим анодом и не существуют. Ультрафасты MUR1620CTR на - MUR1620CT на +.

  15. #1014
    Старый знакомый
    Регистрация
    08.04.2005
    Адрес
    Краснодар
    Возраст
    37
    Сообщений
    642

    По умолчанию Re: Импульсный преобразователь в авто

    TDA,а где брал эти диоды?

  16. #1015
    Регистрация не подтверждена Аватар для aknodik
    Регистрация
    11.12.2005
    Адрес
    Минск
    Возраст
    45
    Сообщений
    1,065

    По умолчанию Re: Импульсный преобразователь в авто

    macha Вам прежде всего нужно обратить внимание на стаб. ПН с выходом +-60 вольт для запитки STK4048 на 8Ом. В виду того что при таком питании 4048 на 8 Ом даст 150W а этой мощности для саба мало, хотя для 8 дюймов и 10 может быть (повторяю именно для 8 и 10 дюймов на 12 можно забить с такой мощёй).

    Offтопик:
    видать Вас соблазнил рассказ умного дяди который 4048 бурно палит 200W головы на 4 Ом. Прежде посмотрите в даташит где указанно 8 Ом -150W +-59в. рек.

  17. #1016

    По умолчанию Re: Импульсный преобразователь в авто

    Подскажите какую максимальную мощность можно снять с кольца М2000 45х28х12.
    И еще как правильно брать частоту например если по номиналам R и С получается 50 кГц то трансформатор будет работать с частотой 25 кГц так как это двухтактный преобразователь , а значит частоту микросхемы делим на два так это или нет.

  18. #1017
    Завсегдатай Аватар для Артём
    Регистрация
    26.07.2004
    Адрес
    Минск
    Возраст
    38
    Сообщений
    1,115

    По умолчанию Re: Импульсный преобразователь в авто

    а нужна ли вам стабилизация и эта калечная защита по току ?

  19. #1018
    Частый гость
    Регистрация
    15.11.2005
    Адрес
    Висагинас/Вильнюс
    Сообщений
    392

    По умолчанию Re: Импульсный преобразователь в авто

    blade_nn, стабилизацию не пробовал отключать?

  20. #1019
    Новичок Аватар для AlexVr
    Регистрация
    20.03.2005
    Адрес
    Ульяновск
    Сообщений
    17

    По умолчанию Re: Импульсный преобразователь в авто

    Выкладываю схему промышленного преобразователя для моноблока. Интересна наличием кучи примочек вплоть до регулятора скорости вращения кулера. Может пригодится кому
    Вложения Вложения

  21. #1020
    Регистрация не подтверждена Аватар для aknodik
    Регистрация
    11.12.2005
    Адрес
    Минск
    Возраст
    45
    Сообщений
    1,065

    По умолчанию Re: Импульсный преобразователь в авто

    Полную схемку моноблока можно глянуть, если она есть конечно?

Страница 51 из 317 Первая ... 41495051525361 ... Последняя

Социальные закладки

Социальные закладки

Ваши права

  • Вы не можете создавать новые темы
  • Вы не можете отвечать в темах
  • Вы не можете прикреплять вложения
  • Вы не можете редактировать свои сообщения
  •