Страница 5 из 98 Первая ... 3456715 ... Последняя
Показано с 81 по 100 из 1945

Тема: 500-700W Сетевой импульсник

  1. #1 Показать/скрыть первое сообщение.
    Частый гость
    Автор темы

    Регистрация
    01.03.2006
    Адрес
    Литва, Вильнюс
    Возраст
    41
    Сообщений
    175

    По умолчанию 500-700W Сетевой импульсник

    Давно почитываю сей форум, и вот надумал слепить собственный импульсник для усилов. Это полумостовая стабилизированная схема на LM5030 и IR2110, есть ограничения по току, мягкий запуск. Надо еще допроектировать обратную связь и посчитать трансформатор.
    Жду общих коментариев по топологии.
    Миниатюры Миниатюры Нажмите на изображение для увеличения. 

Название:	offline_psu_big2.GIF 
Просмотров:	31549 
Размер:	33.0 Кб 
ID:	15589  

  2. #81
    Новичок Аватар для Bender
    Регистрация
    28.12.2005
    Адрес
    Красногорск
    Сообщений
    1,595

    По умолчанию Re: 500-700W Сетевой импульсник

    С чем связан выбор в пользу однотактника? Какие преимущества, кроме простоты силовой части?

  3. #82
    Завсегдатай
    Регистрация
    06.01.2007
    Адрес
    г. Пенза
    Возраст
    61
    Сообщений
    2,684

    По умолчанию Re: 500-700W Сетевой импульсник

    Цитата Сообщение от Bender Посмотреть сообщение
    С чем связан выбор в пользу однотактника? Какие преимущества, кроме простоты силовой части?
    Никаких на сегодняшний день. Три года назад однотактный блок был для меня проще, он несгораемый, феррит подходит любой (не греется). Для запуска достаточно малого тока питания микросхемы, легко и устойчиво работает обратная связь. Отказался от него по причине невозможности применения толстой изоляции между обмотками, нужно хорошее потокосцепление, для уменьшения энергии выброса самоиндукции первичной обмотки. Результатом тонкой изоляции явилось пощипывание губ от прикасания к микрофону.

  4. #83
    Частый гость Аватар для awtoap
    Регистрация
    24.02.2006
    Возраст
    47
    Сообщений
    286

    По умолчанию Re: 500-700W Сетевой импульсник

    To korolkov24 Какие моточные данные и материал сердечника для киловатника?

  5. #84
    Завсегдатай
    Регистрация
    06.01.2007
    Адрес
    г. Пенза
    Возраст
    61
    Сообщений
    2,684

    По умолчанию Re: 500-700W Сетевой импульсник

    Цитата Сообщение от awtoap Посмотреть сообщение
    To korolkov24 Какие моточные данные и материал сердечника для киловатника?
    Я сечас нахожусь дома, а эти данные на работе, на бумаге.
    Сердечник Ш сечением 2см с зазором, Кузнецкий для блоков питания телевизеров, первичная расчитывалась по меандру 400 вольт до насыщения. Отношение числа витков можно расчитать так: если надо выходное напряжение 150В отношение L2=L3=L4
    если надо 75В L3, L4 =L2/2
    Последний раз редактировалось korolkov24; 30.01.2007 в 15:44.

  6. #85
    Новичок Аватар для Bender
    Регистрация
    28.12.2005
    Адрес
    Красногорск
    Сообщений
    1,595

    По умолчанию Re: 500-700W Сетевой импульсник

    3 года назад вроде не было особых проблем в ключах, драйверах и ШИМ контролерах.

  7. #86
    Завсегдатай
    Регистрация
    06.01.2007
    Адрес
    г. Пенза
    Возраст
    61
    Сообщений
    2,684

    По умолчанию Re: 500-700W Сетевой импульсник

    Цитата Сообщение от Bender Посмотреть сообщение
    3 года назад вроде не было особых проблем в ключах, драйверах и ШИМ контролерах.
    Проблема в знаниях была, и в наличии феррита. Я живу в г. Пензе.

  8. #87
    Новичок Аватар для Bender
    Регистрация
    28.12.2005
    Адрес
    Красногорск
    Сообщений
    1,595

    По умолчанию Re: 500-700W Сетевой импульсник

    Хмм... по моему, для того чтобы грамотно однотактник сваять, требуется опыту и познаний в теории побольше нежели, чем для построения полумоста(моста) или пуш-пула.
    А с ферритом в чём проблема? На крайний случай 2000 расчитать на пониженную индукцию и выше 50кГц не лезть. Не EPCOS конечно, но жить можно.

  9. #88
    Старый знакомый
    Регистрация
    02.11.2006
    Адрес
    Эстония, EU
    Возраст
    34
    Сообщений
    660

    По умолчанию Re: 500-700W Сетевой импульсник

    а что скажете насчет импульсника приведенного TDA на личном сайте http://www.classd.fromru.com/circuit...converter.html ? вроде как и конструкция не из сложных, и сердечник тороидальный подбирается..

  10. #89
    Завсегдатай
    Регистрация
    06.01.2007
    Адрес
    г. Пенза
    Возраст
    61
    Сообщений
    2,684

    По умолчанию Re: 500-700W Сетевой импульсник

    Цитата Сообщение от Bender Посмотреть сообщение
    Хмм... по моему, для того чтобы грамотно однотактник сваять, требуется опыту и познаний в теории побольше нежели, чем для построения полумоста(моста) или пуш-пула.
    А с ферритом в чём проблема? На крайний случай 2000 расчитать на пониженную индукцию и выше 50кГц не лезть. Не EPCOS конечно, но жить можно.
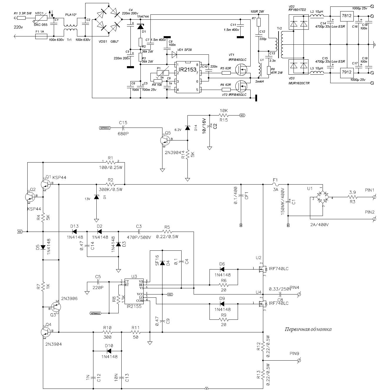
    Вот схема моего первого блока питания ( первый для серийного производства). Феррит был импортный непомню какой. Мощность 3000Вт.
    Феррит запарил греться, обдувал его вентилятором. Условия охлаждения ухудшаются с увеличением размера. Я эту проблему решил только два года назад.
    Миниатюры Миниатюры Нажмите на изображение для увеличения. 

Название:	3000.jpg 
Просмотров:	1721 
Размер:	144.5 Кб 
ID:	18063  

  11. #90
    Новичок Аватар для Bender
    Регистрация
    28.12.2005
    Адрес
    Красногорск
    Сообщений
    1,595

    По умолчанию Re: 500-700W Сетевой импульсник

    SacreD, о схеме уже практически всё было сказано в ветке про ИБП, туда б добавить грамотную защиту по току и можно получить почти неубиваемый БП на 200-300Вт себестоимостью порядка 10$.


    korolkov24, ну не знаю, имхо в защите по току лучше было б одновибратор поставить.
    0.47 в делителе полумоста не маловато? Да и 1500мКф как-то не густо при 3кВт на выходе.И как же была решена проблема нагрева транса?

    Кстати такоая организация силового каскада запатентована CREST, если не ошибаюсь.

  12. #91
    Завсегдатай
    Регистрация
    06.01.2007
    Адрес
    г. Пенза
    Возраст
    61
    Сообщений
    2,684

    По умолчанию Re: 500-700W Сетевой импульсник

    Цитата Сообщение от SacreD Посмотреть сообщение
    а что скажете насчет импульсника приведенного TDA на личном сайте http://www.classd.fromru.com/circuit...converter.html ? вроде как и конструкция не из сложных, и сердечник тороидальный подбирается..
    Генератор запускается после зарядки С3, С4 и преобразователь некоторое время работает на к.з. так как С14, С15 ещё разряжены. Я думаю через некоторое время, возможно через год, выйдет из строя один из входных конденсаторов или транзистор. Со временем превышение допустимых норм этих элементов влечёт за собой не обратимые изменения.
    Не буду объяснять в деталях, но всем известно, что часто ломаются изделия, проработавшие годы, из за медленного изменения свойств полупроводника, находящегося под перегрузкой.
    А вообще работать будет.
    В моей схеме генератор начинает работать сразу после включения, пока ещё работает пусковой резистор, по этому перегрузка небольшая. Питание на микросхему идёт через Q2, после запуска генератора, выпрямитель D2, D3 начинает питать микросхему, а Q2 отключается. Ещё в момент запуска, отключен конденсатор C15 и частота преобразователя в четыре раза выше, потокосцепление ниже, ниже пусковой ток.

    Добавлено через 8 минут
    Цитата Сообщение от Bender Посмотреть сообщение
    И как же была решена проблема нагрева транса?

    Кстати такоая организация силового каскада запатентована CREST, если не ошибаюсь.
    Просто сужением импульсов. Выходной дроссель небольшой индуктивности, по этому импульсы не пропорционально сужены. Примерно так, объяснять долго.
    Схема крестовская это так.
    Последний раз редактировалось korolkov24; 30.01.2007 в 17:31. Причина: Добавлено сообщение

  13. #92
    Забанен (навсегда)
    Регистрация
    27.02.2005
    Адрес
    село Самбек
    Сообщений
    2,080

    По умолчанию Re: 500-700W Сетевой импульсник

    Цитата Сообщение от korolkov24 Посмотреть сообщение
    Отказался от него по причине невозможности применения толстой изоляции между обмотками, нужно хорошее потокосцепление, для уменьшения энергии выброса самоиндукции первичной обмотки.
    Дык в вашей же сцылке в #89 эта причина вполне успешно решена. В такой схеме рассеяние пофиг, ну или почти.
    Цитата Сообщение от Bender Посмотреть сообщение
    Хмм... по моему, для того чтобы грамотно однотактник сваять, требуется опыту и познаний в теории побольше нежели, чем для построения полумоста(моста) или пуш-пула.
    Неа. Если стабилизированный, то проще однотактный. Если к примеру тот же "косой" из сцылки в #89 перевести в каррент мод - система почти неубиваемая.

  14. #93
    Завсегдатай
    Регистрация
    06.01.2007
    Адрес
    г. Пенза
    Возраст
    61
    Сообщений
    2,684

    По умолчанию Re: 500-700W Сетевой импульсник

    Цитата Сообщение от лысый Посмотреть сообщение
    Дык в вашей же сцылке в #89 эта причина вполне успешно решена. В такой схеме рассеяние пофиг, ну или почти.

    Неа. Если стабилизированный, то проще однотактный. Если к примеру тот же "косой" из сцылки в #89 перевести в каррент мод - система почти неубиваемая.
    А как посмотреть ссылку #89?

  15. #94
    Забанен (навсегда)
    Регистрация
    27.02.2005
    Адрес
    село Самбек
    Сообщений
    2,080

    По умолчанию Re: 500-700W Сетевой импульсник

    #89 - это номер сообщения в этой ветке, а сцылку из него вы наверняка где-то видели.
    Хотя точнее не ссылку, а вложеную картинку. У меня просто картинки отключены и я чтоб смотреть кликаю по нужным как по сцылкам.

  16. #95
    Новичок Аватар для Bender
    Регистрация
    28.12.2005
    Адрес
    Красногорск
    Сообщений
    1,595

    По умолчанию Re: 500-700W Сетевой импульсник

    Цитата Сообщение от лысый Посмотреть сообщение
    Если стабилизированный, то проще однотактный.
    в этом случае пожалуй да.

    Цитата Сообщение от korolkov24 Посмотреть сообщение
    В моей схеме генератор начинает работать сразу после включения, пока ещё работает пусковой резистор, по этому перегрузка небольшая. Питание на микросхему идёт через Q2
    что подразумеваеться под пусковым резистором? О какой перегрузке идёт речь?

    Добавлено через 1 минуту
    лысый, офф: ну вот сразу поясничать
    Последний раз редактировалось Bender; 30.01.2007 в 18:01. Причина: Добавлено сообщение

  17. #96
    Завсегдатай
    Регистрация
    06.01.2007
    Адрес
    г. Пенза
    Возраст
    61
    Сообщений
    2,684

    По умолчанию Re: 500-700W Сетевой импульсник

    Цитата Сообщение от Bender Посмотреть сообщение
    в этом случае пожалуй да.

    что подразумеваеться под пусковым резистором? О какой перегрузке идёт речь?
    Пусковым я назвал цепь R1, NTC1.
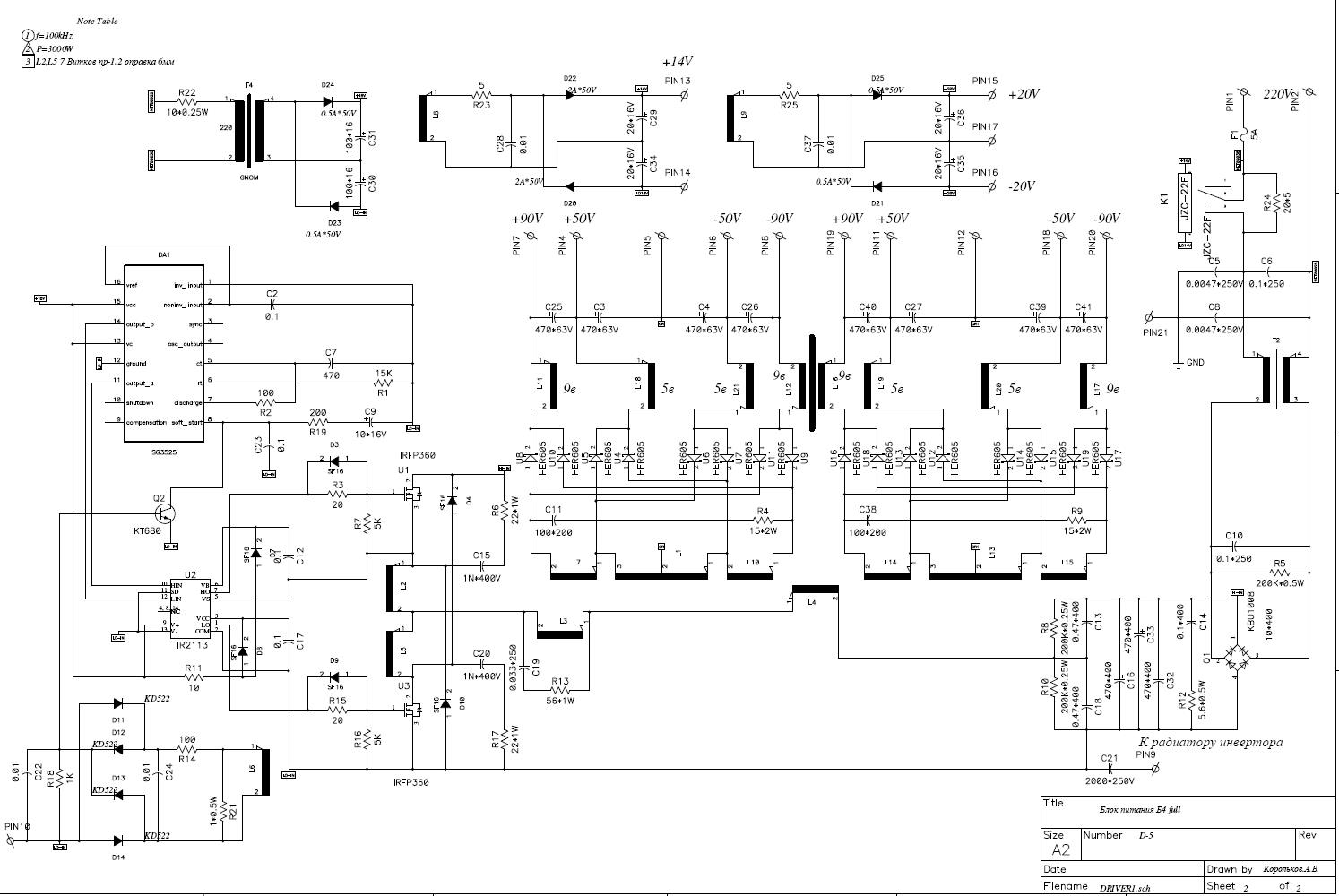
    После включения начинает нарастать напряжение на С3,С4 и С5, при этом напряжение на С5 нарастает медленнее чем напряжение на С3, С4. Задающий генератор начнёт работать только после полной зарядки С3, С4, при этом напряжение на С14, С15 равно 0. Питание на транзисторах будет максимальным, в момент начала генерации, напряжение во вторичной цепи равно 0. Некоторое время выходные ёмкости будут заряжаться огромным током, вот вам и к.з.
    На схеме ниже видно, что генерация запускается после достижения напряжения на С1 напряжения 13В. Ёмкости во вторичной цепи заряжаются одновременно с С1.
    Миниатюры Миниатюры Нажмите на изображение для увеличения. 

Название:	400.jpg 
Просмотров:	1427 
Размер:	124.3 Кб 
ID:	18067  

  18. #97
    Старый знакомый
    Регистрация
    02.11.2006
    Адрес
    Эстония, EU
    Возраст
    34
    Сообщений
    660

    По умолчанию Re: 500-700W Сетевой импульсник

    Цитата Сообщение от Bender Посмотреть сообщение
    что подразумеваеться под пусковым резистором? О какой перегрузке идёт речь?
    подразумеваеться перегрузка во время заряда кондеров, питающих силовой транс, как я понял, а 0.47мкф кажись просядать будут под 3 то киловаттами.. больше 10А всежтаки..

  19. #98
    Завсегдатай
    Регистрация
    06.01.2007
    Адрес
    г. Пенза
    Возраст
    61
    Сообщений
    2,684

    По умолчанию Re: 500-700W Сетевой импульсник

    Цитата Сообщение от SacreD Посмотреть сообщение
    подразумеваеться перегрузка во время заряда кондеров, питающих силовой транс, как я понял, а 0.47мкф кажись просядать будут под 3 то киловаттами.. больше 10А всежтаки..
    Обсуждается схема на миниатюре с верху. На моём последнем ответе.

  20. #99
    Новичок Аватар для Bender
    Регистрация
    28.12.2005
    Адрес
    Красногорск
    Сообщений
    1,595

    По умолчанию Re: 500-700W Сетевой импульсник

    Цитата Сообщение от korolkov24 Посмотреть сообщение
    Ёмкости во вторичной цепи заряжаются одновременно с С1.
    всё, теперь понял, сначала не разглядел связку Q1-Q2. Интересное решение.

  21. #100
    Частый гость
    Автор темы

    Регистрация
    01.03.2006
    Адрес
    Литва, Вильнюс
    Возраст
    41
    Сообщений
    175

    По умолчанию Re: 500-700W Сетевой импульсник


    Offтопик:
    Всю тему засрали, засранцы


    Собственно вот он весь девайс.
    Естессно не работает

    Что выяснил:

    2110 включена как надо и ключами дергает, осциллограммы затворов красивые звона нет.

    Когда пускался от лабораторника в принципе все работало кроме запуска от сети.

    Запуск от сети с током в 2-5 мА очень даже неплохо работает, ток дает, не греется, в моем случае косяк в чем то другом.

    ЛМ5030 скважность регулирует как надо, делает софт старт и все такое.

    В данный момент чую или пожег 5030 или где нить что нить на плате коротит или порвано так как плата не пускается, но если снять с пина сенсора тока все оттуда идет сигнал на рамп-компенсацию (чудес в электронике не бывает, бывают обрывы и короткие замыкания), возьму заффтра лампу увеличилку и пересмотрю всю плату.

    Я там до этого осциллом еще много чего интересного насмотрел, но выводов особых сделать пока не могу, да и устала соображалка у меня щас.

    Фотки девайса приложены.
    Миниатюры Миниатюры Нажмите на изображение для увеличения. 

Название:	30-01-07_2021.jpg 
Просмотров:	1046 
Размер:	55.3 Кб 
ID:	18071   Нажмите на изображение для увеличения. 

Название:	30-01-07_2022.jpg 
Просмотров:	1170 
Размер:	56.1 Кб 
ID:	18072  

Страница 5 из 98 Первая ... 3456715 ... Последняя

Социальные закладки

Социальные закладки

Ваши права

  • Вы не можете создавать новые темы
  • Вы не можете отвечать в темах
  • Вы не можете прикреплять вложения
  • Вы не можете редактировать свои сообщения
  •