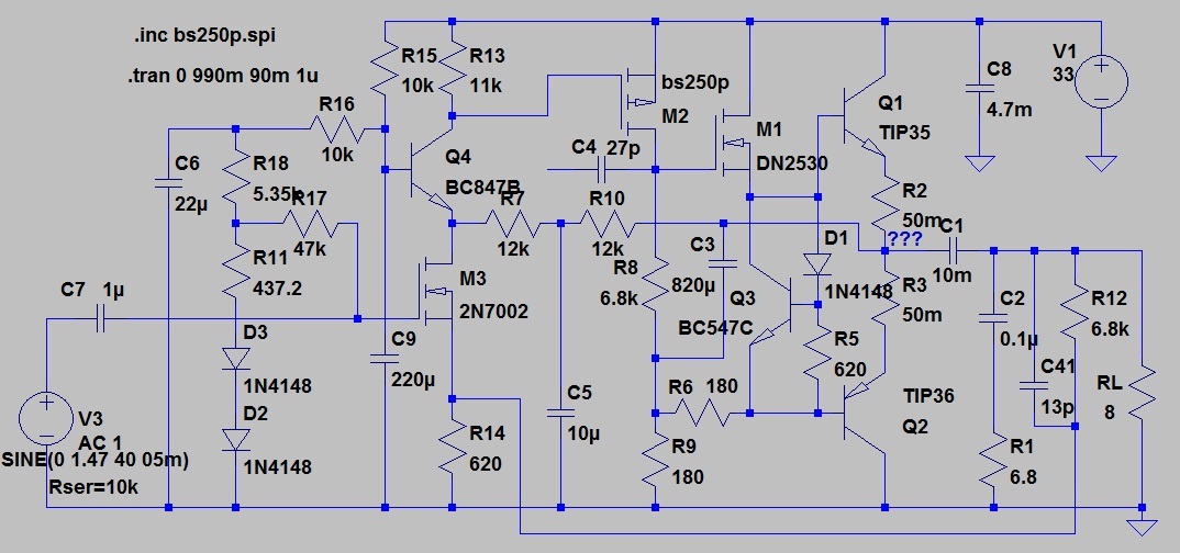
Запустилось, вот что вышло
(100HZ) эта пила есть и на высоких . Ниже 400HZ она выходит из ультразвука и её скорей всего вы слышите(в симуляторе она не всегда появляется ).На звуковом сигнале естественно всё ещё страшней .Вот и схема далеко старался не отходить от первого поста , интересно стало чем вам его звук не понравился(На номера не обращайте внимания лень переписывать)
---------- Сообщение добавлено 22:49 ---------- Предыдущее сообщение было 22:41 ----------
Offтопик:

Сообщение от
Peredelkin1
Сделать лучше, чем на конвейере.

Я посмотрел на колонки defender чуть со стула не.....
Социальные закладки