- Попробовал в качестве эквивалента транса ставил два резистора 5ватт, 5,8ом -последовательно, Т.е. на контакт первого выход первого ключа, далее на контакт второго и первого +12в, Далее на конец второго - выход второго ключа; Ессно для всех проверок и первых запусков использую источник +12в на полтора ампера....Ну а потом цепляю трансы....
Offтопик:
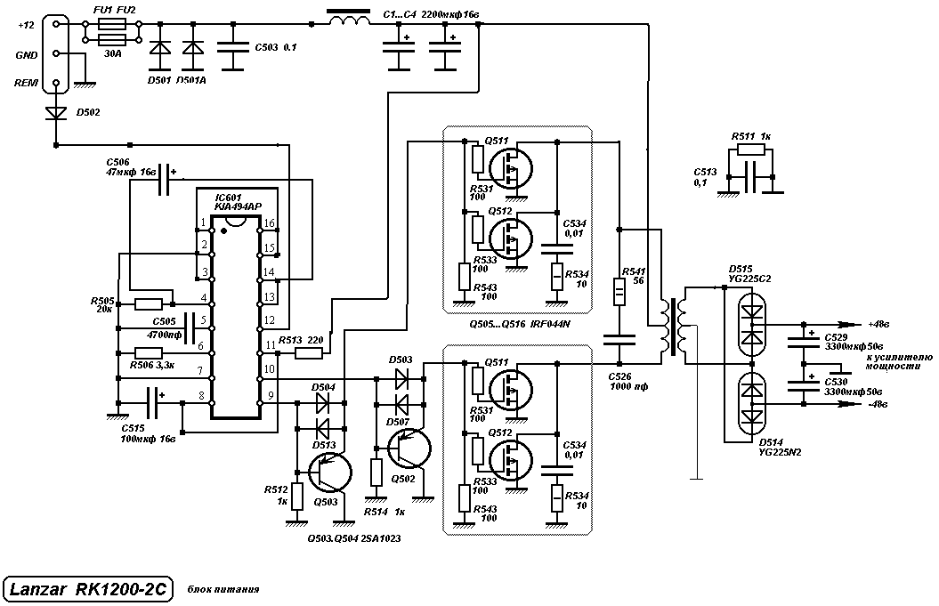
Выходные сбацал новый транс (Уже работает) 100*60*15!!!:twisted: Пока не проверил ского он может одать мощей, тока запустил, на частоте 60кгц, первичка 40 проводов 0,8мм

, Да и акум старенький более 30А не даёт, Надо чего нибудь хотябы на 60А, не в машину жэ его тащить...
Кстати, Мож кто в курсе сколько могут переварить тока диоды кд213а,б,в (10а) и кд2999(20А) в корпусах таблетках без радиаторов ???
Социальные закладки