Страница 37 из 98 Первая ... 27353637383947 ... Последняя
Показано с 721 по 740 из 1945

Тема: 500-700W Сетевой импульсник

  1. #1 Показать/скрыть первое сообщение.
    Частый гость
    Автор темы

    Регистрация
    01.03.2006
    Адрес
    Литва, Вильнюс
    Возраст
    41
    Сообщений
    175

    По умолчанию 500-700W Сетевой импульсник

    Давно почитываю сей форум, и вот надумал слепить собственный импульсник для усилов. Это полумостовая стабилизированная схема на LM5030 и IR2110, есть ограничения по току, мягкий запуск. Надо еще допроектировать обратную связь и посчитать трансформатор.
    Жду общих коментариев по топологии.
    Миниатюры Миниатюры Нажмите на изображение для увеличения. 

Название:	offline_psu_big2.GIF 
Просмотров:	31550 
Размер:	33.0 Кб 
ID:	15589  

  2. #721
    Новичок
    Регистрация
    15.01.2009
    Адрес
    Брянск( около)
    Возраст
    66
    Сообщений
    83

    По умолчанию Re: 500-700W Сетевой импульсник

    Цитата Сообщение от korolkov24 Посмотреть сообщение
    И я о том же .
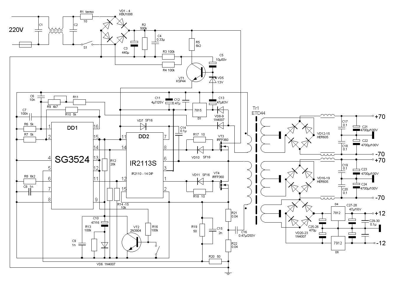
    Доброго дня, Алексей! Собственно собирал я по вот этой схеме. SF16 у нас нет, я поставил 1N4007 и на вольтодобавку и по затворам. Печатку и фото прилагаю.
    Миниатюры Миниатюры Нажмите на изображение для увеличения. 

Название:	БП.JPG 
Просмотров:	1004 
Размер:	149.9 Кб 
ID:	45376   Нажмите на изображение для увеличения. 

Название:	SDC11352.JPG 
Просмотров:	1106 
Размер:	51.1 Кб 
ID:	45378   Нажмите на изображение для увеличения. 

Название:	SDC11355.JPG 
Просмотров:	749 
Размер:	42.8 Кб 
ID:	45379  
    Вложения Вложения

  3. #722
    Регистрация не подтверждена Аватар для witali
    Регистрация
    21.02.2005
    Адрес
    Владимир
    Возраст
    49
    Сообщений
    880

    По умолчанию Re: 500-700W Сетевой импульсник

    Цитата Сообщение от Op.s Посмотреть сообщение
    я поставил 1N4007
    не желательно, низкочастотный диод

  4. #723
    Новичок
    Регистрация
    15.01.2009
    Адрес
    Брянск( около)
    Возраст
    66
    Сообщений
    83

    По умолчанию Re: 500-700W Сетевой импульсник

    Цитата Сообщение от witali Посмотреть сообщение
    не желательно, низкочастотный диод
    Я знаю, но...

    Добавлено через 1 минуту
    А по печатке что скажете?
    Последний раз редактировалось Op.s; 06.02.2009 в 14:28. Причина: Добавлено сообщение

  5. #724
    Завсегдатай
    Регистрация
    06.01.2007
    Адрес
    г. Пенза
    Возраст
    61
    Сообщений
    2,684

    По умолчанию Re: 500-700W Сетевой импульсник

    Цитата Сообщение от Op.s Посмотреть сообщение
    Доброго дня, Алексей! Собственно собирал я по вот этой схеме. SF16 у нас нет, я поставил 1N4007 и на вольтодобавку и по затворам. Печатку и фото прилагаю.
    Диод однозначно надо заменить. Печатка, как я понял, вид со стороны проводников? Как отзеркалить не знаю, в этом редакторе не работаю, а так трудно разбираться.

  6. #725
    Новичок
    Регистрация
    15.01.2009
    Адрес
    Брянск( около)
    Возраст
    66
    Сообщений
    83

    По умолчанию Re: 500-700W Сетевой импульсник

    Завтра обещали SF18...Жду...

  7. #726
    Новичок
    Регистрация
    15.01.2009
    Адрес
    Брянск( около)
    Возраст
    66
    Сообщений
    83

    По умолчанию Re: 500-700W Сетевой импульсник

    Цитата Сообщение от korolkov24 Посмотреть сообщение
    Как отзеркалить не знаю, в этом редакторе не работаю, а так трудно разбираться.
    Отсылаю...
    Миниатюры Миниатюры Нажмите на изображение для увеличения. 

Название:	БП2000.jpg 
Просмотров:	553 
Размер:	147.6 Кб 
ID:	45389  

  8. #727
    Новичок
    Регистрация
    15.01.2009
    Адрес
    Брянск( около)
    Возраст
    66
    Сообщений
    83

    По умолчанию Re: 500-700W Сетевой импульсник

    И еще...SG3524 - 10-я нога должна быть на корпус?

  9. #728
    Новичок
    Регистрация
    15.01.2009
    Адрес
    Брянск( около)
    Возраст
    66
    Сообщений
    83

    По умолчанию Re: 500-700W Сетевой импульсник

    Подскажите, что это за кольца? Похоже стояли в фирменном ККМ...
    Миниатюры Миниатюры Нажмите на изображение для увеличения. 

Название:	Кольца.JPG 
Просмотров:	348 
Размер:	40.5 Кб 
ID:	45391  

  10. #729
    Частый гость
    Регистрация
    06.11.2005
    Адрес
    Рязань
    Возраст
    41
    Сообщений
    185

    По умолчанию Re: 500-700W Сетевой импульсник

    Op.s, полоска с боку есть на них?

  11. #730
    Завсегдатай
    Регистрация
    06.01.2007
    Адрес
    г. Пенза
    Возраст
    61
    Сообщений
    2,684

    По умолчанию Re: 500-700W Сетевой импульсник

    Цитата Сообщение от Op.s Посмотреть сообщение
    Отсылаю...
    Синим - как надо, красным -как ненадо.
    Жёлтая, извилистая – слишком длинные проводники, такой ширины эти проводники должны быть короче 100мм.
    Миниатюры Миниатюры Нажмите на изображение для увеличения. 

Название:	1200.png 
Просмотров:	550 
Размер:	122.7 Кб 
ID:	45412  

  12. #731
    Частый гость
    Регистрация
    03.10.2006
    Адрес
    Екатеринбург
    Возраст
    37
    Сообщений
    199

    По умолчанию Re: 500-700W Сетевой импульсник

    korolkov24, как можно организовать мягкий пуск на 3524 при задействовании уселителя ошибки в качестве шим модулятора?

  13. #732
    Завсегдатай
    Регистрация
    06.01.2007
    Адрес
    г. Пенза
    Возраст
    61
    Сообщений
    2,684

    По умолчанию Re: 500-700W Сетевой импульсник

    Цитата Сообщение от gromilalex Посмотреть сообщение
    korolkov24, как можно организовать мягкий пуск на 3524 при задействовании уселителя ошибки в качестве шим модулятора?
    Просто к выв №9 подключить конденсатор, электролит.

  14. #733
    Регистрация не подтверждена Аватар для witali
    Регистрация
    21.02.2005
    Адрес
    Владимир
    Возраст
    49
    Сообщений
    880

    По умолчанию Re: 500-700W Сетевой импульсник

    Цитата Сообщение от Op.s Посмотреть сообщение
    Подскажите, что это за кольца? Похоже стояли в фирменном ККМ...
    скорее всего что колечки из распыленного железа или Кулмю подобного материала

  15. #734
    Частый гость
    Регистрация
    03.10.2006
    Адрес
    Екатеринбург
    Возраст
    37
    Сообщений
    199

    По умолчанию Re: 500-700W Сетевой импульсник

    korolkov24, а как оценить примерную емкость

  16. #735
    Завсегдатай
    Регистрация
    06.01.2007
    Адрес
    г. Пенза
    Возраст
    61
    Сообщений
    2,684

    По умолчанию Re: 500-700W Сетевой импульсник

    Цитата Сообщение от gromilalex Посмотреть сообщение
    korolkov24, а как оценить примерную емкость
    Зависит от величины ёмкости вторичной цепи. Поставьте 50мкФ.

  17. #736
    Завсегдатай Аватар для Евгений Верис
    Регистрация
    27.05.2004
    Адрес
    Мск
    Сообщений
    1,412

    По умолчанию Re: 500-700W Сетевой импульсник

    народ, а что скажете о таком БП -
    http://interlavka.narod.ru/nabor/nabpreobra05.htm

    ?

  18. #737
    Регистрация не подтверждена
    Регистрация
    02.03.2007
    Адрес
    Воронеж
    Возраст
    69
    Сообщений
    708

    По умолчанию Re: 500-700W Сетевой импульсник

    Цитата Сообщение от Евгений Верис Посмотреть сообщение
    народ, а что скажете о таком БП -
    Извините, уважаемый, но какое отношение этот приборчик имеет к теме ветки: 500-700W Сетевой импульсник?

  19. #738
    Новичок Аватар для Bender
    Регистрация
    28.12.2005
    Адрес
    Красногорск
    Сообщений
    1,595

    По умолчанию Re: 500-700W Сетевой импульсник


    Offтопик:
    Цитата Сообщение от gyrator Посмотреть сообщение
    Извините, уважаемый, но какое отношение этот приборчик имеет к теме ветки: 500-700W Сетевой импульсник?
    вероятно выходной моЧностью

  20. #739
    Регистрация не подтверждена
    Регистрация
    02.03.2007
    Адрес
    Воронеж
    Возраст
    69
    Сообщений
    708

    По умолчанию Re: 500-700W Сетевой импульсник

    Цитата Сообщение от Bender Посмотреть сообщение
    вероятно выходной моЧностью

    Offтопик:
    Логично, но не сурьёзно, ибо в названии ветки Исть слово "сетевой".

  21. #740
    Новичок Аватар для Bender
    Регистрация
    28.12.2005
    Адрес
    Красногорск
    Сообщений
    1,595

    По умолчанию Re: 500-700W Сетевой импульсник


    Offтопик:
    Цитата Сообщение от gyrator Посмотреть сообщение
    Логично, но не сурьёзно, ибо в названии ветки Исть слово "сетевой".
    безусловно, но-таки в том же название есть словосочетание 700W

Страница 37 из 98 Первая ... 27353637383947 ... Последняя

Социальные закладки

Социальные закладки

Ваши права

  • Вы не можете создавать новые темы
  • Вы не можете отвечать в темах
  • Вы не можете прикреплять вложения
  • Вы не можете редактировать свои сообщения
  •