Страница 30 из 32 Первая ... 202829303132 Последняя
Показано с 581 по 600 из 623

Тема: Предусилители электретных микрофонов c низковольтным фантомным питанием от микрофонных входов соврем

  1. #1 Показать/скрыть первое сообщение.
    Старый знакомый
    Автор темы
    Аватар для semimat
    Регистрация
    06.03.2014
    Адрес
    Москва
    Сообщений
    856

    По умолчанию Предусилители электретных микрофонов c низковольтным фантомным питанием от микрофонных входов соврем

    Обсуждается проблема повышения качества работы дешевых электретных микрофонов путем их схемотехнической доработки. Предлагается схема предусилителя с питанием от микрофонного входа современных гаджетов (эти входы оснащены встроенным низковольтным фантомным источником, обычно: 2.5В, 3кОм). Схема имеет стандартное двухпроводное подключение к микрофонному входу, использует самые доступные радиокомпоненты и обладает при этом достаточно высокими характеристиками по сравнению с популярными аналогами.
    Схема содержит только один относительно большой элемент – конденсатор емкостью 47…100 мкФ на напряжение от 3.3 В. При использовании smd-компонентов предусилитель можно уместить непосредственно в корпусе многих продаваемых дешевых моделей микрофонов.

    Создать эту тему меня подвиг интересный пост в блоге Николая Сухова на сайте IXBT.COM:
    http://www.ixbt.com/live/nikolay-suh...diofila_2.html
    Читать сам пост, комментарии к нему и смотреть видео для полного погружения в проблему - обязательно!!!! Необходимо также ознакомиться с материалом от user57 и hectorsky (оппоненты Николая Сухова) по ссылкам на их результаты:
    https://cloud.mail.ru/public/4jkV/uZVvUZzSE
    https://www.dropbox.com/sh/tqks8qt8s...in30y6Tza?dl=0
    Хоть я и не во всём согласен с Николаем Суховым, но благодарен ему за то, что фактически он единственный, кто подготовил самый подробный и эффектно изложенный материал по вопросу повышения качества звукозаписи при использовании дешевых электретных микрофонов.
    Я в свое время также успел столкнуться с этой проблемой и поэтому, понимая её актуальность, решил «замутить» аналогичную тему здесь, дав ей новое продолжение.

    Итак, есть актуальная проблема, состоящая в том, что звукозапись (или голосовая связь) с использованием внутренних микрофонов современных дешевых гаджетов, а также с применением внешних недорогих микрофонов, подключаемых к микрофонным входам значительного количества электронной техники (дальше по тексту я для простоты всё это буду называть гаджетами, заранее прошу прощения), очень часто оставляет желать лучшего. В первую очередь не устраивает малый уровень громкости даже при выведении всех регуляторов на максимум. В некоторых применениях ситуацию можно исправить последующим программным усилением (постобработкой записи), но в случае прямой голосовой связи (например, при интернет-общении) это затруднительно.
    Во-вторых, часто не устраивает малое достигаемое отношение сигнал/шум (С/Ш), иногда сопровождающееся заметными нелинейными искажениями, а это уже гораздо хуже, чем просто тихий звук. Конечно, надо разобраться, почему такое может иметь место, и насколько виноват в этом дешевый электретный капсюль.
    В качестве отправных точек возьмем данные из литературных источников, относящиеся к обозначенной проблеме.


    Для начала определим диапазон уровней громкости звуковых сигналов и уровней акустического фона, с которыми обычно приходится иметь дело при любительской звукозаписи в разнообразных условиях. Вот типичные данные, которые с некоторыми вариациями приводятся в интернет-источниках (http://edu.trudcontrol.ru/~3m/item/43u7haNo , http://www.acousticlab.ru/urovni_gro...ochnikov_shuma ):
    Нажмите на изображение для увеличения. 

Название:	акустические у&#10.png 
Просмотров:	3276 
Размер:	37.1 Кб 
ID:	299818 Нажмите на изображение для увеличения. 

Название:	шумы 1.png 
Просмотров:	2289 
Размер:	7.8 Кб 
ID:	299819 Нажмите на изображение для увеличения. 

Название:	шумы 2.png 
Просмотров:	1888 
Размер:	5.7 Кб 
ID:	299820 Нажмите на изображение для увеличения. 

Название:	шумы 3.png 
Просмотров:	2116 
Размер:	2.0 Кб 
ID:	299821
    Из этих данных можно увидеть, что в подавляющем большинстве случаев любительская запись будет происходить при уровне акустического фона не менее 25…30 дБ SPL (Sound Pressure Level). Получается, что отношение С/Ш при записи сигнала обычной громкости в таких условиях, будет иметь весьма небольшое значение. Например, если источник создает звук в 50 дБ SPL, то рассчитывать на отношение С/Ш можно лишь в пределах 20….25 дБ. А для того, чтобы в вашей записи отношение С/Ш было на уровне 60 дБ нужно, чтобы записываемый «полезный» звук имел около 90 дБ SPL. И это связано НЕ с микрофоном, а определяется только акустическими условиями. От капсюля лишь требуется, чтобы его собственные шумы не сильно ухудшили это отношение. Думаю, именно поэтому подавляющее число дешевых электретных микрофонов, рассчитанных на любительскую запись и типичные условия применения, при различающихся прочих параметрах, имеют по паспортным данным эквивалентные собственные акустические шумы (EIN) на уровне <32….36 дБ SPL (S/N-ratio <58…62 dB), то есть, примерно равные типичному акустическому фону. Привожу характеристики дешевых электретных капсюлей одной из популярных фирм, выпускающей их широчайшую номенклатуру, в том числе, и полный аналог известного капсюля WM-61A:
    Нажмите на изображение для увеличения. 

Название:	микрофоны JLI.png 
Просмотров:	2376 
Размер:	73.5 Кб 
ID:	299822
    Что интересно, при таком собственном шуме микрофона, благодаря способности слуха к спектрально-временному анализу звуков, вы все равно сможете в какой-то степени разбирать даже структуру самого акустического фона (если это не белый шум), то есть различать звуки «под шумами» микрофона. В качестве подтверждения этому привожу данные о разборчивости речи в зависимости от соотношения с/ш (http://www.armstrong.ru/content2/com...iles/67442.pdf):
    Нажмите на изображение для увеличения. 

Название:	разборчивость от с-ш.png 
Просмотров:	1974 
Размер:	11.3 Кб 
ID:	299823
    Получается, что при соотношении С/Ш в 0 дБ можно даже еще понимать речь. Я это привожу для того, чтобы было понятно – в большинстве приложений отношение С/Ш больше 40 дБ – это уже достаточно. Пример: вы разговариваете с собеседником в обычном помещении, где типичный уровень фона – 30 дБ. Если собеседник находится на расстоянии в метре от вас, то его громкость будет на уровне 60 дБ. Отношение С/Ш будет всего 30 дБ. Отношение С/Ш в 60 дБ и более при записи с расстояния в метр – это уже требует студийной тишины звукозаписи и более дорогого микрофона.

    Можно ли серьезно снизить собственные эквивалентные акустические шумы дешевого электретного капсюля, не переделывая его внутренности и не добавляя механического оформления для достижения пространственной избирательности и акустического усиления? Думаю, что нет. То есть, наверное, можно подобрать оптимальный режим работы встроенного полевика выбором питающего напряжения и нагрузки, но считаю, что это позволит получить выигрыш в 1…2 дБ.

    Возможно, что на самом деле реальные шумы дешевых капсюлей могут оказаться существенно меньше указанных в паспорте (ведь в паспорте так и написано для S/N ratio: <, то есть, «менее»). Просто, указанные паспортные требования без труда могут быть выполнены даже не лучшими производителями, они легко проверяются без использования специальных заглушенных камер, и при этом они адекватны внешним акустическим помехам в большинстве условий применения. Поэтому я верю, что есть немалый шанс «нарваться» на удачную партию дешевых капсюлей с S/N ratio на 6…10 дБ лучше паспортных. Но это уже относится к удаче.

    Главный вывод, который я хотел донести вышеизложенным, это что исходное отношение С/Ш создаваемое микрофоном на своем выходе, не связано с предусилителем и не может быть им улучшено, поскольку это отношение большей частью формируется уже на затворе встроенного полевика, то есть, до ПУ. Тогда для чего же нужен предусилитель? Как и когда он может помочь?
    Его первая задача, как уже говорилось - это обеспечить уровень сигнала, достаточный для последующего комфортного прослушивания без необходимости «выкручивания» громкости на максимум.
    Вторая задача – это минимизировать ухудшение отношения С/Ш, пока сигнал от микрофона доходит до конечной точки (обычно АЦП). То есть, ПУ может помочь тем, у кого шумы получаются почему-то намного больше ожидаемых в соответствии с паспортными данными. Решению этого вопроса, данная тема и посвящается (конечно, одновременно решается и первая задача).
    Проблема ухудшения отношения С/Ш обычно возникает с дешевыми устройствами, когда микрофон имеет стандартное двухпроводное подключение к микрофонному входу (по большей части – даже неэкранированным кабелем) и одновременно по тому же проводу получает от него электрическое питание (так называемое фантомное питание).

    Предварительный ответ на вопрос, почему падает С/Ш, очевиден – с одной стороны, в канал прохождения сигнала проникают посторонние помехи, существенно превосходящие собственные шумы микрофона. С другой стороны, собственные шумы микрофонного входа гаджета также могут превосходить шумы с выхода микрофона. (Варианты, когда микрофон просто бракованный, или когда «слетели» драйвера на устройство оцифровки, не рассматриваются. Я о них упоминаю потому, что такое бывает, и это надо проверять.)

    Еще одной причиной возникновения дополнительных шумов и искажений может служить малый уровень полезного сигнала, настолько малый, что при его оцифровке электроникой гаджета, окажется задействовано малое количество разрядов. Это способно породить дополнительный более заметный специфический шум (и искажения). Для борьбы с этим видом шумов и искажений при оцифровке используются алгоритмы «дизеринга» (dithering) или «нойз шейпинга» (noise shaping). Их суть в том, что к сигналу добавляется шум (немного ухудшающий отношение с/ш), но делающий итоговый шум после оцифровки не коррелированным с сигналом, что важнее для восприятия. Роль этого шума в нашем случае можно считать минимальной по сравнению с другими, если будет задействовано 10 и более разрядов при оцифровке.

    Рассмотрим пути проникновения посторонних помех в канал прохождения сигнала от микрофона до входа АЦП гаджета и методы борьбы с ними на основе приведенного рисунка.
    Нажмите на изображение для увеличения. 

Название:	схема проникновения помех.png 
Просмотров:	4424 
Размер:	15.1 Кб 
ID:	299825
    Сначала оценим помеху на соединительный кабель (состоящий из общего и сигнального проводов). Помеха имеет преимущественно электрическую природу, её источник весьма высокоомный. Его можно рассматривать как генератор тока, величину которого можно оценить, вспомнив эксперимент, когда прикасаешься пинцетом к мегаомному входу осциллографа. Осциллограмма наведенного напряжения в некоторых помещениях иногда доходит до амплитуды в 20 В. Это значит, что наводимый ток может доходить до 20В/1Мом=20 мкА. Какое напряжение помех этот ток мог бы создать на незащищенном сигнальном проводе? Если Rвых достаточно велико (прямое подключение капсюля без ПУ), то почти весь наведенный ток пойдет в резистор Rs, и амплитуду наведенного помехового напряжения можно оценить сверху как 3кОм*20мкА=60 мВ. А сам сигнал для типового капсюля с чувствительностью 10 мВ/Па (-40 дБ) при громкости звука в 94 дБ (1 Па) будет составлять лишь 10 мВ с.к.з.. Явный перебор! К счастью, если гальванически не прикасаться к сигнальному проводу, то токовая наводка будет много меньше 20 мкА и распределится на оба провода (сигнальный и общий, за счет близкого их взаиморасположения). К тому же, многократно большую долю этого наведенного тока будет забирать на себя общий провод, поскольку он «сидит на земле», то есть, имеет гораздо меньшее сопротивление «на землю» (интересно, что у дешевых компьютерных микрофонов и гарнитур соединительные провода не только не экранированные, но даже не витая пара!). Тем не менее, ясно, что наводка на сигнальный провод является одной из самых опасных, поскольку она должна создавать напряжение помехи меньше собственных шумов капсюля (а они имеют величину не 10 мВ, а менее 5мкВ).
    Очевидно, что есть три пути борьбы с этой помехой. Первый – использование экранированного кабеля. Второй – использование предварительного усиления сигнала до подачи его в кабель (тогда относительный уровень наводки оказывается меньше в коэффициент усиления раз). И третий путь – это использование предусилителя с малым выходным сопротивлением Rвых, во много раз меньшим величины Rs. Тогда почти весь наведенный на сигнальный провод ток пойдет не в Rs, а в Rвых и создаст на нем многократно меньшее напряжение помехи.
    Теперь о токе, наведенном на общий провод. За счет наличия у последнего некоторого хоть и малого сопротивления Ro, на нем все-таки тоже возникает напряжение помехи. При этом наведенное на общем проводе напряжение помехи будет напрямую складываться с сигналом.
    Часто именно так возникают помехи, даже когда разные приборы передают сигналы между собой по экранированным проводам. Напряжения наводок на корпуса приборов вызывают протекание по соединяющим их экранам значительных помеховых токов и возникновение напряжения помех, Чтобы такого не происходило (наведенные токи не протекали по экранам сигнальных проводов), корпуса приборов гальванически соединяют между собой толстыми проводниками.

    Насколько опасна в нашем случае наводка на общий провод? Если используется неэкранированный кабель от дешевого китайского микрофона, то сопротивление его проводов составляет около 0.2 Ом/м. Таким образом, помеха, проникающая за счет наводки на общий провод длиной 1.5м, может быть оценена сверху величиной 20мкА*1.5м*0.2Ом/м=6мкВ. Это сравнимо с шумом микрофона. Конечно, это верхняя оценка. И, казалось бы, стоит поставить предусилитель с Ку от 10 и более, то данной помехой можно пренебречь, но… эта помеха – как правило, наводка с частотой сети и её гармоник. Даже будучи в 10 раз слабее по амплитуде, чем шум микрофона с относительно равномерным спектром, она будет хорошо видна при спектральных измерениях, да и слух её тоже почувствует. Так что для борьбы с ней также надо принимать меры. Две легкодоступных из них – это применение экранированного провода с малым погонным сопротивлением экрана и предварительное усиление сигнала, упомянутое выше. Их уже может оказаться достаточно. В тяжелых случаях придется отказываться от двухпроводной линии и использовать провод «две жилы в экране». При этом возможны два варианта его применения. Лучший из них – это использование дифференциальной линии связи. Он используется в высококачественной акустике, но требует дифференциального входа в гаджете, что в нашей задаче - уже перебор. Другой – это использование двух внутренних жил экранированной пары в качестве сигнального и общего проводов. А экран при этом должен соединяться с землей (и общим проводом) только с одного конца (в штекере), выполняя функцию одновременной защиты от наведения токов сразу и на общий провод, и на сигнальный (забирая весь наведенный ток на себя и замыкая на землю). Микрофон в этом случае желательно также обложить фольгой, соединенной только с экраном. Но, как сказал Миша из «Бриллиантовой руки», «…надеюсь, до этого не дойдет…».

    Теперь рассмотрим шумы и пульсации, проникающие в канал со стороны плохого фантомного источника питания. В некоторых случаях это самые серьезные помехи, особенно, когда выходное сопротивление микрофона очень высокое (стандартный капсюль без ПУ) – тогда эта помеха проникает в канал без ослабления. Очевидно, что бороться с ней можно двумя способами. Первый - использование ПУ с большим усилением, чтобы относительный уровень помехи стал меньше. Второй – это использование ПУ с малым выходным сопротивлением, намного меньшим, чем Rs. Тогда помеха из питания будет ослаблена в отношение Rвых/(Rвых+Rs)≈ Rвых/Rs раз (так называемое PSRR – Power Supply Ripple Rejection – ослабление проникновения пульсаций питания). Эти два способа хороши при совместном использовании. Если, например, перед подачей в кабель сигнал был усилен на 30 дБ, а благодаря малому выходному сопротивлению Rвых еще и удалось ослабить помехи на 30 дБ, то в итоге относительное влияние помехи из источника питания будет снижено на 60 дБ. Понятно, что такой же суммарный эффект происходит и в отношении рассмотренной выше наводки на сигнальный провод. Хочется верить, что если это будет достигнуто, можно будет не использовать экранированный кабель, а полностью сохранить «родной китайский» без перепайки штекера.

    Ну, и последний источник помех – это собственные, приведенные к микрофонному входу гааджета, шумы его внутренней схемы (входного усилителя+АЦП). Очевидно, что ослабить их влияние можно только предварительным усилением подаваемого на микрофонный вход сигнала, то есть, использованием ПУ. Здесь есть та же проблема, о которой говорилось выше. Если помеха не имеет выраженных спектральных компонент, то достаточно такого усиления, при котором усиленные шумы микрофона примерно в два…три раза превосходили бы собственные шумы микрофонного входа. А если в шумах микрофонного входа есть выраженные спектральные компоненты, то полностью перекрыть их шумами микрофона, возможно, и не удастся. Но тогда это уже трудноизлечимая болезнь гаджета.

    Итак, по отношению к главным источникам помех мы, кроме использования хорошего экранированного провода, имеем два важных схемотехнических метода борьбы с ними. Это предварительное усиление сигнала и использование предусилителя с малым выходным сопротивлением. Самый универсальный из них – это первый. Чем больше усиление Ку, тем меньше относительный вклад всех видов посторонних электрических помех. Тем больше уверенность, что в канал передачи не произойдет ухудшения отношения с/ш. Но до какой степени можно разгонять усиление? Да, при большом усилении Ку легче сохранить нижний (шумовой) порог диапазона громкости акустических сигналов микрофона. Но что произойдет с громкими звуками, особенно, когда напряжение питания предусилителя очень мало? Очевидно, что при неразумно большом Ку даже не очень громкие акустические сигналы приведут к искажениям выходного сигнала, в том числе, к его ограничению (клиппингу). Поэтому очень важно задействовать механизм снижения уровня проникающих помех с помощью снижения Rвых, поскольку это позволяет не завышать Ку.
    Получается, что для получения лучших результатов по ширине динамического диапазона, с одной стороны, надо определить минимальный допустимый Ку предусилителя, при котором еще не ухудшается нижний предел динамического диапазона из-за роста помех, а с другой - желательно добиться, чтобы ПУ был способен при малом напряжении фантомного питания выдавать максимально возможный неискаженный выходной сигнал. Тогда будет максимизирован верхний порог динамического диапазона.
    А если еще и выходное сопротивление предусилителя мало, то, возможно, удастся обойтись без дорогого экранированного кабеля штатным китайским даже без перепайки штекера. Для примера, телефонные линии имеют длину иногда больше километра, но при этом их проводка в домах делается даже не витой парой, а телефонной «лапшой», да и сопротивление источников сигналов в линию не так уж мало - 600 Ом. Так что надежда есть, и если такое получится, то это будет приятный бонус.

    Ну, теперь можно приступить к делу. Существует много хороших схем ПУ, решающих задачу улучшения качества записи с дешевого электретного микрофона. Но они, как правило, используют дополнительный собственный источник питания (внешний или встроенная батарейка) и выполнены в виде отдельного блока межу микрофоном и гаджетом с трехпроводным подсоединением микрофона. Здесь же ставится другая задача – сделать предусилитель, встраиваемый в микрофон так, чтобы последний по-прежнему присоединялся к микрофонному входу стандартным способом (штекером по двухпроводной линии) и питался от него. И чтобы он сохранял высокие характеристики при работе от низковольтного фантомного питания современных гаджетов… При этих требованиях круг уже известных схем, претендующих на решение поставленной задачи, сужается до трех…четырех базовых вариантов.
    Первый из них – это схема на одном транзисторе (http://radiokot.ru/circuit/audio/amplifier/40/), буквально заполнившая Интернет:
    Нажмите на изображение для увеличения. 

Название:	однотранзистоный ПУ.png 
Просмотров:	3671 
Размер:	3.6 Кб 
ID:	299826
    Есть её модификация, с добавлением третьего резистора, уменьшающего искажения ценой снижения усиления: https://www.youtube.com/watch?v=k-ZwB7xpKVk , https://www.youtube.com/watch?v=BLa6YhdoO2k
    Мне кажется, что здесь была применена оригинальная идея. Фактически, будучи простейшей схемой, она содержит эффектную отрицательную обратную связь (ООС).
    Данную схему можно было бы нарисовать в стандартном виде, где резистор ООС занимает свое «законное» положение. Но благодаря известному в теории цепей правилу эквивалентной замены схемы соединения резисторов «треугольником» на схему соединения «звездой» (при соответствующем пересчете номиналов),
    Нажмите на изображение для увеличения. 

Название:	треугольник-звезда.png 
Просмотров:	2252 
Размер:	8.7 Кб 
ID:	299827
    мы получаем эквивалентную схему, где резистор обратной связи имеет другое, в некотором смысле, более удобное расположение. В этом втором варианте резистор Rоос имеет довольно малое сопротивление и не подключен ко входу, а фактически «сидит на земле»:
    Нажмите на изображение для увеличения. 

Название:	однотранз схема+.png 
Просмотров:	2568 
Размер:	8.6 Кб 
ID:	299828
    В той схеме, которую я собираюсь предложить, это также используется.

    Замечу, что однотранзисторная схема, несмотря на простоту, дает достаточно хорошие результаты при пятивольтовом фантомном питании. Но при снижении питания до 2.5 В схема резко ухудшает свои характеристики, что и будет видно в дальнейших сравнениях.


    Второй вариант низковольтного фантомного предусилителя – двухтранзисторный (авторство схемы я не смог установить):
    Нажмите на изображение для увеличения. 

Название:	двухтранзисторная схема ПУ.PNG 
Просмотров:	3513 
Размер:	15.9 Кб 
ID:	299829
    и его упрощенный вариант (http://radiokot.ru/circuit/audio/amplifier/40/):
    Нажмите на изображение для увеличения. 

Название:	двухтранзисторный ПУ упрощенный.png 
Просмотров:	2848 
Размер:	5.1 Кб 
ID:	299830
    Этот вариант схемы известен давно, но менее популярен в Интернете, чем однотранзисторный. Он также хорошо работает только при пятивольтовом фантомном питании. Вот его-то успешно доработал Сухов, предложив заменить выходной кремниевый транзистор на германиевый. Это позволило снизить напряжение фантомного питания (рисунок взят из поста Сухова):
    Нажмите на изображение для увеличения. 

Название:	схема Сухова SiGeSRPP.png 
Просмотров:	3828 
Размер:	6.9 Кб 
ID:	299831
    После публикации Сухова по предложенному варианту ПУ, в спор с ним вступили некто user57 и hectorsky, которые резонно заявили, что использование старого германиевого транзистора в наше время является анахронизмом, и предложили доработку двухтранзисторной схемы, с большим количеством деталей, которая не использует германиевый транзистор, но имеет (по расчетам авторов) сравнимые характеристики со схемой Сухова:
    Нажмите на изображение для увеличения. 

Название:	схема SiSi.png 
Просмотров:	3924 
Размер:	4.5 Кб 
ID:	299832
    Я не стал проверять данный вариант, поскольку он по параметрам, приведенным самими авторами, не лучше схемы Сухова, и, главное, потому, что уже родилась новая схема (и её вариации) с существенно превосходящими параметрами при низковольтном питании.

    Об этой новой схеме пойдет речь ниже.

    Анализ предыдущих схем показал, что при столь малых напряжениях питания не удастся получить заметного улучшения параметров (по искажениям, выходному сопротивлению, максимальному выходному сигналу) без использования отрицательной обратной связи (ООС), как это давно применяется в УНЧ. Стало также ясно, что в двухкаскадном варианте схемы не удастся получить запас по усилению, который с помощью ООС можно было бы трансформировать в малые искажения и малое выходное сопротивление (возможно, это не удалось только мне).
    А вот трехкаскадная схема уже обладает более чем достаточным усилением и удобно охватывается разными вариантами ООС. Увы, заводить в трехкаскадный усилитель отрицательную обратную связь рискованно – уже могут выполниться амплитудно-фазовые условия возбуждения, и схема будет неустойчивой в работе. Облегчает ситуацию то обстоятельство, что нам надо получить приличное усиление (20дБ и больше), а в этом случае уже можно попытаться сохранить устойчивость определенными схемотехническими приемами.
    Вначале были рассмотрены две базовые архитектуры трехкаскадных усилителей с ООС, превращающей обычный усилитель в трансимпедансный:
    Нажмите на изображение для увеличения. 

Название:	базовая схема с ООС nnn.png 
Просмотров:	2669 
Размер:	3.9 Кб 
ID:	299833 Нажмите на изображение для увеличения. 

Название:	базовая схема с ООС npn.png 
Просмотров:	2649 
Размер:	4.1 Кб 
ID:	299834
    Первый вариант хорош тем, что использует транзисторы одной проводимости, и напряжения на коллекторах первых двух из них равны напряжениям база-эмиттер, то есть, транзисторы работают в оптимальном, далеком от насыщения режиме. Во втором варианте напряжения коллектор–эмиттер двух первых транзисторов составляют менее 200 мВ. Этого уже мало, но их коллекторные токи также малы, поэтому это ещё не режим насыщения (режим насыщения для таких токов, наверное, наступает при Uкэ порядка 50…100 мВ, но, увы, при таких напряжениях Uкэ, у транзисторов падает β). Тем не менее, симулирование их работы не вызвало проблем ни в Микрокапе 11, ни в Мультисиме 14 (но все-таки крайне желательна реальная проверка).
    Это только базовые схемы, они не обладают достаточной устойчивостью при подключении емкостной нагрузки на выход или вход (возникают значительные всплески на АЧХ, говорящие о возможном приближении к генерации). А ведь работать придется на длинный кабель с погонной емкостью иногда более 200 пФ/м. На выходе электретного капсюля также иногда бывает напаян конденсатор для шунтирования его выхода по высокой частоте (борьба с влиянием радиопомех).
    Словом, для обеспечения устойчивой работы при широкой возможной вариации подключаемых нагрузок, схемы требуют «доводки». Вот тут оказалось, что второй вариант может быть легче модифицирован (опять же, возможно, я просто не додумался). Для наглядного описания этапов, которые я прошел от базовой схемы до финального очень стабильного варианта со специально заваленной сверху АЧХ (при большом усилении желательно обрезать частоты, на которых нет полезного сигнала, а шумы есть), привожу этот процесс в виде комикса:

    Последний раз редактировалось semimat; 28.08.2017 в 04:15.

  2. #581
    Завсегдатай Аватар для shura1959
    Регистрация
    13.02.2009
    Адрес
    г. Ижевск
    Возраст
    66
    Сообщений
    3,414

    По умолчанию Re: Предусилители электретных микрофонов c низковольтным фантомным питанием от микрофонных входов соврем

    Цитата Сообщение от Lenivo Посмотреть сообщение
    Кстати занятия микрофонной темой очень сильно двигает качество собираемых усилителей...... Вылазят такие нюансы..... на которые при сборке усилителей в жизни не подумаешь...
    Это точно, я тоже заприметил некоторые тонкости и нюансы в обычных усилках не замечаемые.
    «Не торопитесь соглашаться или опровергать. Не так уж важно, что утверждает или отрицает автор. Важно то, что он направляет Ваше внимание по определенному руслу». Павел Сергеевич Таранов.

  3. #582
    Завсегдатай Аватар для Lenivo
    Регистрация
    20.08.2010
    Адрес
    г. Екатеринбург
    Возраст
    55
    Сообщений
    1,213

    По умолчанию Re: Предусилители электретных микрофонов c низковольтным фантомным питанием от микрофонных входов соврем

    Так как тема обозначена довольно широко "Предусилители электретных микрофонов c низковольтным фантомным питанием от микрофонных входов соврем", то выложу сюда -информацию о покупном микрофонном преде - платке "15-48 В, фантомное питание, Electret, конденсаторный микрофонный усилитель, плата для записи K песни, конференц-речи, 125 дБ".

    Нажмите на изображение для увеличения. 

Название:	Покупной_пред_электрет_9мм_5_13_12_2021.JPG 
Просмотров:	130 
Размер:	117.8 Кб 
ID:	411679

    Нажмите на изображение для увеличения. 

Название:	Покупной_пред_электрет_9мм_6_13_12_2021.JPG 
Просмотров:	130 
Размер:	57.4 Кб 
ID:	411680

    Нажмите на изображение для увеличения. 

Название:	Покупной_пред_электрет_9мм_3_13_12_2021.JPG 
Просмотров:	124 
Размер:	105.4 Кб 
ID:	411681

    Нажмите на изображение для увеличения. 

Название:	Покупной_пред_электрет_9мм_1_13_12_2021.JPG 
Просмотров:	97 
Размер:	106.9 Кб 
ID:	411682

    Нажмите на изображение для увеличения. 

Название:	Покупной_пред_электрет_9мм_2_13_12_2021.JPG 
Просмотров:	113 
Размер:	76.6 Кб 
ID:	411683

    АЧХ белого шума через колонки

    Нажмите на изображение для увеличения. 

Название:	Покупной_пред_электрет_9мм_елый шум_13_12_2021.JPG 
Просмотров:	88 
Размер:	110.3 Кб 
ID:	411688

    АЧХ голоса

    Нажмите на изображение для увеличения. 

Название:	Покупной_пред_электрет_9мм_7_13_12_2021.JPG 
Просмотров:	93 
Размер:	177.7 Кб 
ID:	411686

    Запись в Аудасити без какой либо коррекции и при подключении без корпуса и дополнительного экрана. Усиление на внешней звуковой карте Alctron XU-2mkII стоит 11 часов/Фантомное питание включено - оно на этой карте 38 вольт. Контакты 1-2 и 1-3 = 32,9 вольта.

    Покупной_пред_электрет_9мм_13_12_2021.wav

    Качество получше чем у BM-800 или у NEEWERNW-700., Поэтому эту плату можно использовать для их апгрейда...... Но у BM-800 - есть разные капсюли, если без встроенного полевого транзистора, то потребуется ещё полевой транзистор припаять.
    Последний раз редактировалось Lenivo; 13.12.2021 в 10:12.

  4. #583
    Старый знакомый
    Автор темы
    Аватар для semimat
    Регистрация
    06.03.2014
    Адрес
    Москва
    Сообщений
    856

    По умолчанию Re: Предусилители электретных микрофонов c низковольтным фантомным питанием от микрофонных входов соврем

    Lenivo, спасибо за информацию! Она обогащает наши знания по предусилителям, работающим от фантомного питания. А ты можешь сделать покрупнее фотки верхней и нижней сторон платы, чтобы можно было попробовать восстановить схему. Интересно, на какую из известных она более всего похожа?

    Интересно также, какой ток она потребляет по обеим плечам, и какое напряжение она подает на типовой капсюль со встроенным полевиком.

  5. #584
    Завсегдатай Аватар для Lenivo
    Регистрация
    20.08.2010
    Адрес
    г. Екатеринбург
    Возраст
    55
    Сообщений
    1,213

    По умолчанию Re: Предусилители электретных микрофонов c низковольтным фантомным питанием от микрофонных входов соврем

    Цитата Сообщение от semimat Посмотреть сообщение
    А ты можешь сделать покрупнее фотки верхней и нижней сторон платы, чтобы можно было попробовать восстановить схему. Интересно, на какую из известных она более всего похожа?

    Интересно также, какой ток она потребляет по обеим плечам, и какое напряжение она подает на типовой капсюль со встроенным полевиком.
    Напряжение на типовой капсюль со встроенным полевиком она подает -8,15 вольта. Маркировка транзисторов SMD Q1, Q3, Q6 = 2L , Q2=G1. Q4,Q5 - на плате не нашёл.
    3 Контакт идет через сопротивление R12- 3R9 - падение на нём-0.003 вольта, на контакте 2 на R13 -47 ом падение 0.028 вольта.

    Нажмите на изображение для увеличения. 

Название:	Покупной_пред_электрет_9мм_14_12_2021.JPG 
Просмотров:	119 
Размер:	237.4 Кб 
ID:	411754

    Нажмите на изображение для увеличения. 

Название:	Покупной_пред_электрет_9мм_15_12_2021.JPG 
Просмотров:	86 
Размер:	71.1 Кб 
ID:	411755

  6. #585
    Старый знакомый
    Автор темы
    Аватар для semimat
    Регистрация
    06.03.2014
    Адрес
    Москва
    Сообщений
    856

    По умолчанию Re: Предусилители электретных микрофонов c низковольтным фантомным питанием от микрофонных входов соврем

    Lenivo, спасибо. Жаль, что лаковое покрытие очень темное, сквозь него понять расположение дорожек не получится.

  7. #586
    Завсегдатай Аватар для Lenivo
    Регистрация
    20.08.2010
    Адрес
    г. Екатеринбург
    Возраст
    55
    Сообщений
    1,213

    По умолчанию Re: Предусилители электретных микрофонов c низковольтным фантомным питанием от микрофонных входов соврем

    Цитата Сообщение от semimat Посмотреть сообщение
    сквозь него понять расположение дорожек не получится.
    Ну даже в лупу не видно. Только сдувать СМД детали и смывать лак. Я думаю скоро выложат на сайтах эту схему.... Хотя скорее всего нет там ничего нового - какая нибудь вариация известной схемы со стабилитроном на 12 вольт... Стабилитрон кстати слышно, шум работы стабилитрона характерный идёт - если "нормировать" пустой сигнал, ну или просто усиление выкрутить..... Хотя сравнивал с потрохами от NEEVER MW-700 - схемы очень похожи по- составу транзисторов один в один.

    Нажмите на изображение для увеличения. 

Название:	Покупной_пред_электрет_9мм_14_12_2021.JPG 
Просмотров:	111 
Размер:	237.4 Кб 
ID:	411821

    Нажмите на изображение для увеличения. 

Название:	mik_NEEVER2.JPG 
Просмотров:	112 
Размер:	184.8 Кб 
ID:	411822

    Нажмите на изображение для увеличения. 

Название:	mik_NEEVER3.JPG 
Просмотров:	92 
Размер:	148.6 Кб 
ID:	411823

    Нажмите на изображение для увеличения. 

Название:	Схема микрофона BM-800.JPG 
Просмотров:	263 
Размер:	43.0 Кб 
ID:	411824

  8. #587
    Старый знакомый
    Автор темы
    Аватар для semimat
    Регистрация
    06.03.2014
    Адрес
    Москва
    Сообщений
    856

    По умолчанию Re: Предусилители электретных микрофонов c низковольтным фантомным питанием от микрофонных входов соврем

    Да, действительно, по составу очень похожи. И электролиты аналогичные, и даже дырочки под отсутствующий транзистор есть. Видимо, для вариантов, когда в капсюле есть свой полевик, и для капсюлей без встроенного полевика.

  9. #588
    Завсегдатай Аватар для Lenivo
    Регистрация
    20.08.2010
    Адрес
    г. Екатеринбург
    Возраст
    55
    Сообщений
    1,213

    По умолчанию Re: Предусилители электретных микрофонов c низковольтным фантомным питанием от микрофонных входов соврем

    Цитата Сообщение от semimat Посмотреть сообщение
    Да, действительно, по составу очень похожи.
    Правда есть существенное отличие - красная схема из микрофона - без корпуса ужасно генерит-фонит. А черная работает достаточно чисто в без корпусном варианте. По шумам тоже есть отличие - Красная шумит где то до -80дБ , а черная -102 дБ.на одной и той же внешней звуковой карте.... Хотя качество комплектующих одинаковое.

  10. #589
    Старый знакомый
    Автор темы
    Аватар для semimat
    Регистрация
    06.03.2014
    Адрес
    Москва
    Сообщений
    856

    По умолчанию Re: Предусилители электретных микрофонов c низковольтным фантомным питанием от микрофонных входов соврем

    Вот это, конечно, очень интересно! Различие по шумам более чем в 10 раз! Интересно, а по коэффициентку усиления эти схемы как различаются? Если к ним по-очереди подпаять один и тот же капсюль и подать одинаковый звуковой сигнал (лучше синус с генератора для стабильности), насколько разными получатся сигналы на звуковой карте при одинаковых положениях ручек?

  11. #590
    Завсегдатай Аватар для Lenivo
    Регистрация
    20.08.2010
    Адрес
    г. Екатеринбург
    Возраст
    55
    Сообщений
    1,213

    По умолчанию Re: Предусилители электретных микрофонов c низковольтным фантомным питанием от микрофонных входов соврем

    Цитата Сообщение от semimat Посмотреть сообщение
    Вот это, конечно, очень интересно! Различие по шумам более чем в 10 раз! Интересно, а по коэффициентку усиления эти схемы как различаются? Если к ним по-очереди подпаять один и тот же капсюль и подать одинаковый звуковой сигнал (лучше синус с генератора для стабильности), насколько разными получатся сигналы на звуковой карте при одинаковых положениях ручек?
    Вряд ли получится.....схема с Нивера давно "помучена".... пытался привести её по шумам в божеский вид..... Там был и не отмытый флюс и не пропаи..... Самое главное её просто требуется восстановливать по деталям...... повыпаивал некоторые сопротивления с неё, когда их не хватало для других схем.....Но это возможно, так фото с номиналами есть подробные.... Хотел её модернизировать по одной из предложенных методик .... но сейчас даже и этого желания пока нет.......... По старому незавершённому проекту пришли наконец детальки, вот его доделывать буду.... Просто с теми деталями и эта черная платка микрофоннного предусилителя приехала. Поэтому быстро её протестировал..... Но корпус ушёл под схему FIN из соседней ветки...... но пока как то так...

    Мне логичным кажется, что при одинаковых транзисторах и стабилитроне такая разница получалась чисто из исполнения - просто "коряво" спаяли, не отмыли, может припой был самый дешевый и не очень качественная сборка..... По логике не должно быть такого разброса, тем более Нивер должен быть по шумам лучше BN-800 по всем обзорам.... но наверное кому какой достается.
    Последний раз редактировалось Lenivo; 16.12.2021 в 09:16.

  12. #591

    По умолчанию Re: Предусилители электретных микрофонов c низковольтным фантомным питанием от микрофонных входов соврем

    Добрый день
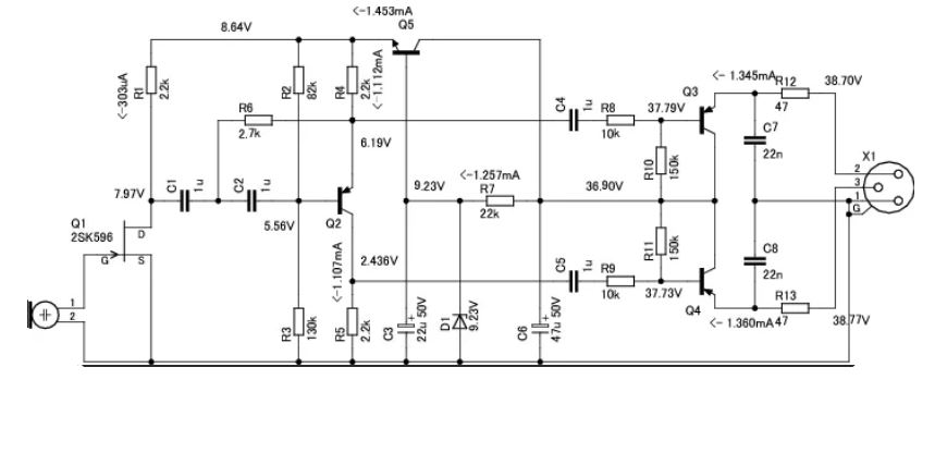
    Заинтересовала схема Сухова, слышал записи на ней с КТ3102 + МП39Б ,ну, вобщем, приятно поражен.
    Разбираюсь плохо, поэтому есть вопросы:
    1)Можно заменить тразисторы на КТ315 + МП42а? они просто есть и никуда не надо ехать.
    2)Номиналы остальных деталей критичны? Ну там вместо 1к - 890, вместо 33к - 39к например. Если критичны, то какие?
    3)Для максимальной совместимости, какие контакты лучше использовать?

    Нажмите на изображение для увеличения. 

Название:	TRRS_num.png 
Просмотров:	50 
Размер:	27.2 Кб 
ID:	418024

    Просто вот например есть такого типа звуковушка

    Нажмите на изображение для увеличения. 

Название:	HTB17WGOKXXXXXarXFXXq6xXFXXXy.jpg 
Просмотров:	73 
Размер:	73.8 Кб 
ID:	418023
    Был непрятно поражен, что в зеленом гнезде современные CTIA гарнитуры нормально не работают.
    Услитель планировал сделать в виде универсального переходника (гнездо-схема-разъем), чтобы можно было любой микрофон куда угодно втыкать


    Цели получит максимально качественный усилитель у меня нет, хочется по проще и чтобы было приемлимо (для разговоров)

  13. #592
    Завсегдатай Аватар для Lenivo
    Регистрация
    20.08.2010
    Адрес
    г. Екатеринбург
    Возраст
    55
    Сообщений
    1,213

    По умолчанию Re: Предусилители электретных микрофонов c низковольтным фантомным питанием от микрофонных входов соврем

    Цитата Сообщение от maximilliangreat Посмотреть сообщение
    заинтересовала схема Сухова, слышал записи на ней с КТ3102 + МП39Б ,ну, вобщем, приятно поражен.
    Разбираюсь плохо, поэтому есть вопросы:
    Нажмите на изображение для увеличения. 

Название:	2-х тразисторный кремний и германий 2.JPG 
Просмотров:	111 
Размер:	195.0 Кб 
ID:	418037

    Я делал микрофонный предусилитель с кремневым и германиевым транзисторами - по звуку совершенно среднеее качество. Абсолютно не зацепило звуку. Не стоит потраченных усилий.

  14. #593

    По умолчанию Re: Предусилители электретных микрофонов c низковольтным фантомным питанием от микрофонных входов соврем

    Мне не надо чтобы цепляло. Мне нужно чтобы разговаривать нормально можно было.
    Для меня так вот это идеальный звук, даже лучше чем надо https://disk.yandex.ru/d/gng-ahnY3aMfcq

  15. #594
    Завсегдатай Аватар для Lenivo
    Регистрация
    20.08.2010
    Адрес
    г. Екатеринбург
    Возраст
    55
    Сообщений
    1,213

    По умолчанию Re: Предусилители электретных микрофонов c низковольтным фантомным питанием от микрофонных входов соврем

    Koмби-3Т - хорошая схема на современныхх деталях, которая хорошо работает и хорошо повторяется. Много раз повторена в данной ветке. Читайте ветку делайте проверенный вариант.

    Нажмите на изображение для увеличения. 

Название:	j.JPG 
Просмотров:	204 
Размер:	71.7 Кб 
ID:	418053

    Нажмите на изображение для увеличения. 

Название:	Комби-3Т-2SC4204 - 2.JPG 
Просмотров:	121 
Размер:	225.9 Кб 
ID:	418054

    Нажмите на изображение для увеличения. 

Название:	Комби-3Т-2SC4204 - 1.JPG 
Просмотров:	116 
Размер:	150.6 Кб 
ID:	418055

  16. #595

    По умолчанию Re: Предусилители электретных микрофонов c низковольтным фантомным питанием от микрофонных входов соврем

    Возможно эта схема намного лучше, не спорю, но у нее есть важные для меня недостатки.
    а)транзисторов таких у меня нет. Надо или ехать куда-то или заказывать.
    б)я так понимаю, она более требовательна к входному напряжению
    Поэтому интересуют в первую очередь, ответы на мои вопросы

  17. #596
    Старый знакомый
    Автор темы
    Аватар для semimat
    Регистрация
    06.03.2014
    Адрес
    Москва
    Сообщений
    856

    По умолчанию Re: Предусилители электретных микрофонов c низковольтным фантомным питанием от микрофонных входов соврем

    maximilliangreat, насчет замены транзисторов в схеме Сухова. Транзисторы КТ315 имеют намного меньший коэффициент усиления по току, чем ВС547 и КТ3102, поэтому при замене на КТ315 надо выбрать из имеющихся экземпляр с самым большим коэффициентом усиления, где-то 200...300. Про взаимозаменяемость МП39Б и МП42а, мне кажется, что МП42 даже лучше, хотя шумы у него, вроде, побольше (также и шумы КТ315 больше, чем у ВС547 и КТ3102). Пока советую при сборке с заменой транзисторов оставить те же номиналы резисторов, и только если результат не устроит, будем думать дальше. По идее, если у КТ315 будет большой коэффициент усиления, всё должно заработать без проблем. Но надо сказать , что у транзисторов очень большой разброс коэффициента усиления, поэтому даже с оригинальными типами транзисторов, для получения наилучших результатов может потребоваться коррекция номиналов резисторов под конкретные экземпляры.

    P.S. Мне неловко рекламировать предусилитель Комби-3т, но я все-таки рекомнедую собрать и его вариант на транзисторах КТ315 и КТ361 для сравнения со схемой Сухова. С этими транзисторами Комби-3т должен работать ненамного хуже по сравнению с современными транзистрами, приведенными в исходном варианте. Преимущество схемы - малая требуемая емкость электролита и легкая возможность коррекции АЧХ изменением этой емкоости. При емкости в 2 мкФ ты почувствуешь, что ненужные низкие частоты будут ослаблены, и речь получится более "звонкой".
    Последний раз редактировалось semimat; 22.02.2022 в 20:24.

  18. #597

    По умолчанию Re: Предусилители электретных микрофонов c низковольтным фантомным питанием от микрофонных входов соврем

    Цитата Сообщение от semimat Посмотреть сообщение
    но я все-таки рекомнедую собрать и его вариант на транзисторах КТ315 и КТ361 для сравнения со схемой Сухова.
    А вот это хорошая идея, спасибо!
    В любом случае микрофонов у меня много (хороших только что-то нет ), есть еще китайские ЮСБ микрофоны, вот туда МП-шки точно не влезут У них вроде и звук чистый, но блин дальше чем 5, ну край 10см воообще ничего не слышно, надо прям в упор говорить, бесполезная получается вещь. Для комфорта хочется 0.3-1.5 метра.

    Пока советую при сборке с заменой транзисторов оставить те же номиналы резисторов
    Я не в том плане, что мне хочется какие-то номиналы поменять, просто не факт, что найду нужные Отклонения на 15-20% не должно быть критичным?

    И еще, подскажите по вопросу 3) лучше 2 3 4 на землю закоротить, да?

  19. #598
    Старый знакомый
    Автор темы
    Аватар для semimat
    Регистрация
    06.03.2014
    Адрес
    Москва
    Сообщений
    856

    По умолчанию Re: Предусилители электретных микрофонов c низковольтным фантомным питанием от микрофонных входов соврем

    Цитата Сообщение от maximilliangreat Посмотреть сообщение
    Я не в том плане, что мне хочется какие-то номиналы поменять, просто не факт, что найду нужные Отклонения на 15-20% не должно быть критичным?

    И еще, подскажите по вопросу 3) лучше 2 3 4 на землю закоротить, да?
    Отклонение в 20% не должны ни на что повлиять. Большей проблемой может стать потребление тока самим капсюлем. Этот ток может меняться от экземпляра капсюля к экземпляру и от марки к марке почти в 10 раз - от 50 мкА до 500 мкА. Также могут попасться древние капсюли с большим рабочим напряжением. Вот эти факторы могут сильно повлиять на работу любой схемы. Преимущество здесь у капсюлей с малым током потребления 50...200 мкА. Капсюли с большим током потребления вообще могут оказаться непригодными для работы от современных микрофонных входов, у которых очень слабое внутреннее фантомное питание.
    Что касается твоего штекера, то здесь я советов дать не могу. Есть разные варианты их внутренней распайки, и они порой несовместимы.

  20. #599
    Частый гость Аватар для Aikman
    Регистрация
    21.03.2021
    Адрес
    Подольск
    Сообщений
    489

    По умолчанию Re: Предусилители электретных микрофонов c низковольтным фантомным питанием от микрофонных входов соврем

    Цитата Сообщение от maximilliangreat Посмотреть сообщение
    есть еще китайские ЮСБ микрофоны, вот туда МП-шки точно не влезут
    Нажмите на изображение для увеличения. 

Название:	cheapmic.jpg 
Просмотров:	108 
Размер:	117.4 Кб 
ID:	418106Нажмите на изображение для увеличения. 

Название:	cheapmic2.jpg 
Просмотров:	107 
Размер:	44.0 Кб 
ID:	418107Нажмите на изображение для увеличения. 

Название:	preamp1.jpg 
Просмотров:	106 
Размер:	65.8 Кб 
ID:	418108
    Дочка купила за 100 руб на Али. Корпус и гриль из металла. Сделал усь на 4 деталях, стало гораздо лучше))
    upd
    Цитата Сообщение от semimat Посмотреть сообщение
    ток может меняться от экземпляра капсюля к экземпляру и от марки к марке почти в 10 раз - от 50 мкА до 500 мкА. Также могут попасться древние капсюли с большим рабочим напряжением.
    Кроме того могут попасться экземпляры со "стекшим" зарядом электрета. Лучше иметь под рукой несколько капсюлей. Из мобилок вытащить))

  21. #600
    Частый гость
    Регистрация
    29.04.2021
    Адрес
    Украина
    Сообщений
    398

    По умолчанию Re: Предусилители электретных микрофонов c низковольтным фантомным питанием от микрофонных входов соврем

    Цитата Сообщение от Aikman Посмотреть сообщение
    Дочка купила за 100 руб на Али. Корпус и гриль из металла.
    Я весь Алиэкспресс перерыл, искал приличный металлический корпус для микрофона диаметром 30-35мм. Или хотя бы сетку диаметром 30-35мм. Фиг вам. Либо диаметр 50мм, либо слишком мелкие.
    Никто не встречал таких корпусов?

Страница 30 из 32 Первая ... 202829303132 Последняя

Социальные закладки

Социальные закладки

Ваши права

  • Вы не можете создавать новые темы
  • Вы не можете отвечать в темах
  • Вы не можете прикреплять вложения
  • Вы не можете редактировать свои сообщения
  •