Страница 3 из 6 Первая 12345 ... Последняя
Показано с 41 по 60 из 109

Тема: Интеграл

  1. #1 Показать/скрыть первое сообщение.
    Профиль удален
    Автор темы
    Аватар для bukvarev
    Регистрация
    18.08.2012
    Адрес
    Нижний Новгород
    Возраст
    53
    Сообщений
    1,825

    По умолчанию Интеграл

    Данный топик является логичным продолжением
    этого: https://forum.vegalab.ru/showthread.php?t=88580
    и этого: https://forum.vegalab.ru/showthread.php?t=88123

    Общее:

    Скрытый текст

    "Интеграл" - не только мощник, а скорее платформа с удобным, на мой взгляд, конструктивным решением, куда входят:
    - мощник,
    - выпрямитель,
    - входной буфер,
    - защита,
    - селектор-регулятор громкости.
    Каждый элемент может быть заменен на собственный или использован по отдельности.
    Все схемы будут открытые.
    [свернуть]

    Отдельное спасибо Вадиму ака Белка за идею увеличить порядок интегратора в концепции .

    Концепция мощника:

    Скрытый текст

    Нажмите на изображение для увеличения. 

Название:	Интеграл_функциональная_схема.jpg 
Просмотров:	826 
Размер:	75.9 Кб 
ID:	400289
    Мощник построен по структуре, содержащей основной ВЧ и вспомогательный НЧ каналы.
    На рисунке 1 показана функциональная схема усилителя. Она состоит из нескольких каскадов, обведенных пунктирными линиями.
    На входе схемы установлен сумматор токов, выход которого поступает на трансимпеденсный узел. Этот узел обеспечивает порядка 50 дБ усиления в звуковом диапазоне частот (задается резистором R3) и содержит цепь реактивной обратной связи С2.
    Интегратор - схема с фильтром первого или второго порядка (C5C6R5R6R7), которая обеспечивает усиление Ki около 50 дБ в звуковом диапазоне частот и совместно с УН имеет частоту единичного усиления около 6 МГц.
    УН имеет токовый выход, нагружен на R8, имеет крутизну преобразования Sva~2мА/В, обеспечивает звуковом диапазоне частот усиление около 40 дБ и содержит цепь C7C8R9, являющейся ПОС и предназначенной для разгрузки УН по току в диапазоне частот сотен кГц (до 1/2piR9(C7||С8)).
    Цепь R1R2 является ОООС и не содержит общей ускоряющей цепи или Lead–lag компенсатора.

    Таким образом, бюджет усиления составляет около 140 дБ.

    На рисунке 2 показана функциональная схема первых каскадов (от входного до выхода интегратора).
    Нажмите на изображение для увеличения. 

Название:	Интеграл_функциональная_схема_первых каскадов.jpg 
Просмотров:	750 
Размер:	81.0 Кб 
ID:	400290
    Основной канал (ВЧ) выполнен на транзисторе VT1, включенным по схеме с общей базой и имеющим цепь компенсации входной индуктивности. На высоких частотах минимальный фазовый набег обеспечивается выбором транзистора с малым объемным сопротивлением базы и выходным буфером предыдущего каскада, обладающим малым фазовым набегом и низким значением выходного сопротивления. По сравнению с дискретным эмиттерным повторителем, использование ОУ с мощным выходом позволяет получить выигрыш в запасе по фазе на частотах выше 10 МГц, а также более компактную конструкцию. Цепь базы VT1 подключена к источнику с низким дифференциальным сопротивлением (выход усилителя VT2VT3), которая охвачена частотно зависимой ООС, причем его выходной ток замыкается не через общий провод, а через цепь низковольтного питания +U-U. Такое включение обеспечивает частотные характеристики каскада и проникновение пульсаций питания, сравнимое с жестко заземленной базой.
    Вспомогательный канал сформирован на усилителе VT2VT3, охваченном цепью частотно-зависимой ООС первого или второго порядка с регулируемой добротностью. С понижением частоты его коэффициент усиления растет, что приводит к виртуальному снижению полного сопротивления эмиттерной цепи VT1 и входного сопротивления каскада интегратора. В звуковом диапазоне частот входное сопротивление составляет ~0,8 Ом.
    Второй каскад - трансимпедансный, выполнен на ОУ с токовой ОС. В данном случае использован AD811, но можно использовать и другой ОУ. Положительный вход этого каскада имеет высокое входное сопротивление, отрицательный - низкое. Максимальное усиление ненагруженного каскада определяется как G/Rполн, где Rполн - суммарное сопротивление инвертирующей цепи (R3 || Ri).
    Входной источник тока выполнен на ОУ таким образом, что транзисторы входного каскада трансимпедансника оказываются охваченными местной ООС, что позволяет:
    - сформировать ток Is максимально линейным,
    - уменьшить дифференциальный импеданс точки "cfb_in_n",
    - использовать высокое входное сопротивление второго каскада,
    - уменьшить размах разностного напряжения первого каскада,
    - отсечь напряжение помехи между конструктивными "землями" GNDin и GNDmid.

    Точка заземления R3 - GNDmid может содержать помехи и наводки ввиду геометрического удаления от мекки и относительно большого значения выходного тока (единицы мА). Входная точка заземления GNDin расположена в эквипотенциальной зоне выходной клеммы усилителя.

    При необходимости нарастить усиление, его можно перераспределить сделав Ri частотнозависимым. Такие эксперименты проводились. Результатом частотнозависимого Ri является дополнительное улучшение показателей усилителя по интермодуляции в звуковой полосе частот.
    Реализация первого каскада в том виде, как показано на рисунке, приводит к значительному субъективному улучшению звучания усилителя по сравнению с использованием только второго каскада устройства.

    Модельные АФЧХ при разных режимах замыкания обратной связи:
    Интеграл_АФЧХ.pdf
    Синий - отношение выходного ко входному напряжению,
    Красный - усиление второго каскада,
    Голубой - усиление УН+интегратор,
    Зеленый - отношение выходного напряжения к напряжению инвертирующего входа второго каскада.

    Проникновение пульсаций PSRR- на выход, моделирование при разорванных цепях обратных связей:
    Integral_PSRR-.pdf
    Из графика видно, что во всем диапазоне частот проникновение пульсаций незначительное. Это позволило упростить схему и отказаться от раздельного питания УН и дополнительных фильтров в цепях питания.
    [свернуть]


    Схема текущего варианта усилителя мощности:
    Интеграл_УМ_v0.4.pdf
    С15 в базовом исполнении заменятся перемычкой .

    Оценка искажений IMD19+20 без нагрузки и при выходной мощности 56 Вт на нагрузке 4 Ом (амплитуда выходного напряжения 30 В, -1,6 дБ от максимального выходного напряжения):
    Нажмите на изображение для увеличения. 

Название:	60Vp-p.png 
Просмотров:	987 
Размер:	24.2 Кб 
ID:	400292Нажмите на изображение для увеличения. 

Название:	60Vp-p 4Ohm.png 
Просмотров:	739 
Размер:	45.0 Кб 
ID:	400293

    Оценка искажений IMD19+20 без нагрузки и при выходной мощности 5,6 Вт на нагрузке 4 Ом (амплитуда выходного напряжения 10 В, -10 дБ от максимального выходного напряжения):
    Нажмите на изображение для увеличения. 

Название:	20Vp-p.png 
Просмотров:	671 
Размер:	23.9 Кб 
ID:	400302Нажмите на изображение для увеличения. 

Название:	20Vp-p 4Ohm.png 
Просмотров:	602 
Размер:	24.0 Кб 
ID:	400303

    Осциллограмма меандра (без С1):
    Нажмите на изображение для увеличения. 

Название:	Интеграл_v0.3_меандр_20КГц_без_С1.png 
Просмотров:	673 
Размер:	32.8 Кб 
ID:	400294

    Осциллограммы разностных напряжений первого и второго каскадов при усилении меандра 200 кГц амплитудой 20 В.
    Нажмите на изображение для увеличения. 

Название:	Интеграл_v0.3_Меандр_200 кГц_40_Vp-p_разностное_1_каскад.png 
Просмотров:	645 
Размер:	38.7 Кб 
ID:	400296 Нажмите на изображение для увеличения. 

Название:	Интеграл_v0.3_Меандр_200 кГц_40_Vp-p_разностное_2_каскад.png 
Просмотров:	587 
Размер:	39.0 Кб 
ID:	400295

    Усилитель проверялся при работе на емкость от 10 нФ до 1 мкФ, без использования выходной платы (без дополнительных фильтров).
    На осциллограммах видна реакция на резкий перепад выходного напряжения - колебания резонансного контура, образованного выходным дросселем (180 нГн) и конденсатором (зеленый луч), а также импульсы напряжения, которые образуются на выходном сопротивлении усилителя (желтый луч).
    Осциллограммы работы на емкостную нагрузку (использовался только дроссель индуктивностью 180 нГн, установленный на плате усилителя):
    Работа на емкостную нагрузку_Желтый-выход УМ_Зеленый-после LR фильтра.pdf

    Осциллограммы клипа на разных уровнях и частотах, на холостом ходу и нагрузке 4 Ом (в закладках документа указаны параметры):
    Интеграл_осциллограммы_клипа.pdf

    Осциллограммы напряжений на выходе DA2, базе и эмиттере VT4 при перегрузке:
    Нажмите на изображение для увеличения. 

Название:	Интеграл_v0.3_Клип_ток_ОБ_желтый-выход_ОУ_зеленый-эмиттер.png 
Просмотров:	574 
Размер:	45.3 Кб 
ID:	400299 Нажмите на изображение для увеличения. 

Название:	Интеграл_v0.3_Клип_ток_ОБ_желтый-база_зеленый-эмиттер.png 
Просмотров:	517 
Размер:	47.3 Кб 
ID:	400298

    При перегрузке, ток транзистора VT4 не превышает 23 мА (8,3 В / 360 Ом), а обратное напряжение "б-э" -2 В.
    Последний раз редактировалось bukvarev; 13.07.2021 в 13:54.
    С наилучшими пожеланиями, Евгений.

  2. #41
    Завсегдатай Аватар для MAXIM_A
    Регистрация
    13.11.2007
    Адрес
    МО Салтыковка
    Возраст
    77
    Сообщений
    12,217

    По умолчанию Re: Интеграл

    Транзисторы подбирались, или просто из одной партии.? Одна пара чуть отличается...

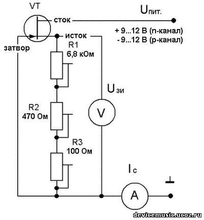
  3. #42
    Профиль удален
    Автор темы
    Аватар для bukvarev
    Регистрация
    18.08.2012
    Адрес
    Нижний Новгород
    Возраст
    53
    Сообщений
    1,825

    По умолчанию Re: Интеграл

    Цитата Сообщение от MAXIM_A Посмотреть сообщение
    Транзисторы подбирались, или просто из одной партии.? Одна пара чуть отличается...
    Подбирались. По напряжению "затвор-исток" при токе стока 60 мА. Отобранные группы разложены по пакетикам, на которых указаны напряжения.
    Но все равно есть разброс небольшой. Какой-то транзистор чуть сильнее пальцами нагреешь, какой-то чуть быстрее измеришь.
    С наилучшими пожеланиями, Евгений.

  4. #43
    Частый гость Аватар для Asuper
    Регистрация
    25.01.2019
    Сообщений
    159

    По умолчанию Re: Интеграл

    По такой схеме?Нажмите на изображение для увеличения. 

Название:	Stend_vymiru_KP.jpg 
Просмотров:	162 
Размер:	22.7 Кб 
ID:	405312

  5. #44
    Завсегдатай Аватар для MAXIM_A
    Регистрация
    13.11.2007
    Адрес
    МО Салтыковка
    Возраст
    77
    Сообщений
    12,217

    По умолчанию Re: Интеграл

    Нажмите на изображение для увеличения. 

Название:	IMG_20210928_145841.jpg 
Просмотров:	509 
Размер:	4.49 Мб 
ID:	405318 собрал один канал
    Андрей Константинович

  6. #45
    Старый знакомый Аватар для finn32
    Регистрация
    18.10.2014
    Адрес
    Брянск
    Возраст
    40
    Сообщений
    727

    По умолчанию Re: Интеграл

    Резисторы 0603? Не мелковаты?

  7. #46
    Профиль удален
    Автор темы
    Аватар для bukvarev
    Регистрация
    18.08.2012
    Адрес
    Нижний Новгород
    Возраст
    53
    Сообщений
    1,825

    По умолчанию Re: Интеграл

    Цитата Сообщение от Asuper Посмотреть сообщение
    По такой схеме?
    Не, так очень долго, если без автоматизации. К тому же у нас транзисторы другого типа.

    Мы так делали, по-быстрому:
    Нажмите на изображение для увеличения. 

Название:	Подбор полевиков.png 
Просмотров:	185 
Размер:	6.6 Кб 
ID:	405323

    ---------- Сообщение добавлено 18:57 ---------- Предыдущее сообщение было 18:55 ----------

    Цитата Сообщение от finn32 Посмотреть сообщение
    Резисторы 0603? Не мелковаты?
    Мелковаты. Но мы платы усилка стараемся сами собирать. Есть печка, оборудование и навык пайки, начиная от типоразмера 0201.

    ---------- Сообщение добавлено 19:02 ---------- Предыдущее сообщение было 18:57 ----------

    Цитата Сообщение от MAXIM_A Посмотреть сообщение
    собрал один канал
    Константиныч, я бы отодвинул выпрямитель подальше. Возможно, вообще с радиатора убрал бы.
    Сильно короткий шлейф может увеличить помехи напрямую от банок на вход. Лучше бы выпрямители сместить поближе к вторичным обмоткам транса.
    Конечно, хорошо будет не резать шлейф сейчас, а подвигать платы выпрямителя в финале, в корпусе.

    Выходную плату потом насаживай прямо на выходные клеммы. Между клеммами в стальной задней стенке нужна щель и желательна, если стенка алюминиевая.

    Зы. Смотрю, SAMWHA стоит, или нет?
    Я в воскресенье толкался на радиорынке, и ухватил вот что:
    Нажмите на изображение для увеличения. 

Название:	Кондеры в выпрямителе.jpg 
Просмотров:	368 
Размер:	584.9 Кб 
ID:	405326

    Возможно, что перемаркировка 8-амперной версии HC в HE (HC1K109M40050). Во всяком случае, масса большая, алюминия внутри много.
    Конечно, это - не нямняма типа ALC70C243EH063-ND, но все же..
    Последний раз редактировалось bukvarev; 28.09.2021 в 17:36.
    С наилучшими пожеланиями, Евгений.

  8. #47
    Завсегдатай Аватар для MAXIM_A
    Регистрация
    13.11.2007
    Адрес
    МО Салтыковка
    Возраст
    77
    Сообщений
    12,217

    По умолчанию Re: Интеграл

    Нажмите на изображение для увеличения. 

Название:	IMG_20211001_133952.jpg 
Просмотров:	470 
Размер:	4.34 Мб 
ID:	405557
    Собираю.....
    Андрей Константинович

  9. #48
    Завсегдатай Аватар для MAXIM_A
    Регистрация
    13.11.2007
    Адрес
    МО Салтыковка
    Возраст
    77
    Сообщений
    12,217

    По умолчанию Re: Интеграл

    Включил через предусилок, звук отличный, один недостаток щелчок при включении....
    Теперь можно снять весёлые картинки, как говорит Геннадий!
    Андрей Константинович

  10. #49
    Профиль удален
    Автор темы
    Аватар для bukvarev
    Регистрация
    18.08.2012
    Адрес
    Нижний Новгород
    Возраст
    53
    Сообщений
    1,825

    По умолчанию Re: Интеграл

    Цитата Сообщение от MAXIM_A Посмотреть сообщение
    Включил через предусилок, звук отличный, один недостаток щелчок при включении....
    Теперь можно снять весёлые картинки, как говорит Геннадий!

    Щелчок - он будет всегда, потому что системы бесшумного включения нет.
    Здесь предусмотрено, что во время включения и выключения будет размыкаться выходное реле.
    С наилучшими пожеланиями, Евгений.

  11. #50
    Завсегдатай Аватар для MAXIM_A
    Регистрация
    13.11.2007
    Адрес
    МО Салтыковка
    Возраст
    77
    Сообщений
    12,217

    По умолчанию Re: Интеграл

    Нажмите на изображение для увеличения. 

Название:	IMG_20211004_121214.jpg 
Просмотров:	366 
Размер:	4.58 Мб 
ID:	405848
    Ещё послушал, сравнил со своим...
    Интеграл играет пошире, некоторые инструменты ушли в углы комнаты...
    Андрей Константинович

  12. #51
    Профиль удален
    Автор темы
    Аватар для bukvarev
    Регистрация
    18.08.2012
    Адрес
    Нижний Новгород
    Возраст
    53
    Сообщений
    1,825

    По умолчанию Re: Интеграл

    Константиныч, как измерения сделаешь, особенно по пролазу частотных компонентов от питающей сети и выпрямителя, можно будет шлейфы укоротить.
    Там уже нужно по месту смотреть, как и что.
    С наилучшими пожеланиями, Евгений.

  13. #52
    Завсегдатай Аватар для MAXIM_A
    Регистрация
    13.11.2007
    Адрес
    МО Салтыковка
    Возраст
    77
    Сообщений
    12,217

    По умолчанию Re: Интеграл

    Цитата Сообщение от bukvarev Посмотреть сообщение
    Константиныч, как измерения сделаешь, особенно по пролазу частотных компонентов от питающей сети и выпрямителя, можно будет шлейфы укоротить.
    Там уже нужно по месту смотреть, как и что.
    Шлейфы укоротить со стороны маленьких плат?
    Смотреть на сетевые гармоники.
    50гц, 100гц, 150гц, 200гц.... Если они есть.
    Последний раз редактировалось MAXIM_A; 04.10.2021 в 22:44.

  14. #53
    Профиль удален
    Автор темы
    Аватар для bukvarev
    Регистрация
    18.08.2012
    Адрес
    Нижний Новгород
    Возраст
    53
    Сообщений
    1,825

    По умолчанию Re: Интеграл

    Цитата Сообщение от MAXIM_A Посмотреть сообщение
    Шлейфы укоротить со стороны маленьких плат?
    Смотреть на сетевые гармоники.
    50гц, 100гц, 150гц, 200гц.... Если они есть.
    Да, смотреть сетевые гармоники. Укорачивать можно все шлейфы, но только после экспериментов!
    Во время экспериментов шлейфы можно уложить "гармошкой". Тогда они будут почти как укороченные.
    С наилучшими пожеланиями, Евгений.

  15. #54
    Завсегдатай Аватар для MAXIM_A
    Регистрация
    13.11.2007
    Адрес
    МО Салтыковка
    Возраст
    77
    Сообщений
    12,217

    По умолчанию Re: Интеграл

    Нажмите на изображение для увеличения. 

Название:	Правый канал.png 
Просмотров:	296 
Размер:	167.8 Кб 
ID:	405971 правый Нажмите на изображение для увеличения. 

Название:	Левый канал.png 
Просмотров:	258 
Размер:	169.6 Кб 
ID:	405972. Левый канал
    от расположения шлейфов не зависит...
    Последний раз редактировалось MAXIM_A; 05.10.2021 в 19:07.

  16. #55
    Старый знакомый Аватар для finn32
    Регистрация
    18.10.2014
    Адрес
    Брянск
    Возраст
    40
    Сообщений
    727

    По умолчанию Re: Интеграл

    На втором графике кратных сетевой больше.
    Какая мощность и нагрузка?

  17. #56
    Завсегдатай Аватар для MAXIM_A
    Регистрация
    13.11.2007
    Адрес
    МО Салтыковка
    Возраст
    77
    Сообщений
    12,217

    По умолчанию Re: Интеграл

    Цитата Сообщение от finn32 Посмотреть сообщение
    На втором графике кратных сетевой больше.
    Какая мощность и нагрузка?
    25 вт, 4 Ома. На ХХ тоже самое.

  18. #57
    Профиль удален
    Автор темы
    Аватар для bukvarev
    Регистрация
    18.08.2012
    Адрес
    Нижний Новгород
    Возраст
    53
    Сообщений
    1,825

    По умолчанию Re: Интеграл

    Цитата Сообщение от MAXIM_A Посмотреть сообщение
    от расположения шлейфов не зависит...
    Если генератор и/или АЦП питается не от батареи, то может быть слабый пролаз по их питанию. У нас такое было с АЦП, когда обмеряли ВВ2021. Теперь АЦП тоже питается от батарей.
    Вот такой монстр теперь у нас в столе валяется )))
    Нажмите на изображение для увеличения. 

Название:	АЦП.jpeg 
Просмотров:	408 
Размер:	2.86 Мб 
ID:	405977

    Но в целом, ИМХО, вполне неплохо получилось!
    С наилучшими пожеланиями, Евгений.

  19. #58
    Завсегдатай Аватар для MAXIM_A
    Регистрация
    13.11.2007
    Адрес
    МО Салтыковка
    Возраст
    77
    Сообщений
    12,217

    По умолчанию Re: Интеграл

    Цитата Сообщение от bukvarev Посмотреть сообщение
    Если генератор и/или АЦП питается не от батареи, то может быть слабый пролаз по их питанию. У нас такое было с АЦП, когда обмеряли ВВ2021. Теперь АЦП тоже питается от батарей.

    Но в целом, ИМХО, вполне неплохо получилось!
    Могу и от батарей, никакой разницы.
    Наверно наводки на провода и кабели.
    Или от трансформатора.

  20. #59
    Профиль удален
    Автор темы
    Аватар для bukvarev
    Регистрация
    18.08.2012
    Адрес
    Нижний Новгород
    Возраст
    53
    Сообщений
    1,825

    По умолчанию Re: Интеграл

    Да, от трансформатора и кабелей может быть. Там в основном - нечетные гармоники от 50 Гц.
    "Выпрямительных" же помех, кратных 100 Гц, вижу, намного меньше. И спадают они быстрее. Уже к пятой гармонике - до уровня шума.
    Если что не так сделано в выпрямителе, то будут валить 100, 200, 300, и т.д.
    С наилучшими пожеланиями, Евгений.

  21. #60
    Завсегдатай Аватар для Malinovsky D
    Регистрация
    04.04.2005
    Адрес
    Братислава
    Возраст
    51
    Сообщений
    2,788

    По умолчанию Re: Интеграл

    Цитата Сообщение от MAXIM_A Посмотреть сообщение
    Или от трансформатора.
    А если трансформатор обмотать лентой из стали? Ну или накрыть колпаком из жестяной банки?

Страница 3 из 6 Первая 12345 ... Последняя

Социальные закладки

Социальные закладки

Ваши права

  • Вы не можете создавать новые темы
  • Вы не можете отвечать в темах
  • Вы не можете прикреплять вложения
  • Вы не можете редактировать свои сообщения
  •