Страница 27 из 33 Первая ... 172526272829 ... Последняя
Показано с 521 по 540 из 642

Тема: Усилитель мощности с высокой термостабильностью

  1. #1 Показать/скрыть первое сообщение.
    Завсегдатай
    Автор темы
    Аватар для .Васильев
    Регистрация
    04.04.2007
    Адрес
    новгородская обл Пестово на Мологе
    Сообщений
    10,818

    По умолчанию Усилитель мощности с высокой термостабильностью

    При разборе схемотехники усилителя мощности из миникомплекса ОДА-102 пришел к такому варианту ..Боюсь только опять данный проект не поймут и не ценят.


    ---------- Добавлено в 13:09 ---------- Предыдущее сообщение в 13:08 ----------

    Вот спектр предполагаемой модификации ,введен истоник тока,но смещение оставлено. Он говорит сам за себя.Офф можно повторитель типа шушуринского ввести,но стоит овчина выделки илинет.надо анализировать



    ---------- Добавлено в 12:42 ---------- Предыдущее сообщение в 11:42 ----------
    Вложения Вложения
    • Тип файла: cir ODA 13.CIR (63.8 Кб, Просмотров: 1143)
    • Тип файла: cir ODA 11.CIR (59.3 Кб, Просмотров: 873)
    Последний раз редактировалось .Васильев; 10.05.2011 в 13:28.
    С уважением Максим.

  2. #521
    Завсегдатай
    Автор темы
    Аватар для .Васильев
    Регистрация
    04.04.2007
    Адрес
    новгородская обл Пестово на Мологе
    Сообщений
    10,818

    По умолчанию Re: Усилитель мощности с высокой термостабильностью

    Ну И? Плохая конструкция или плата хреновая?
    С уважением Максим.

  3. #522
    Завсегдатай
    Автор темы
    Аватар для .Васильев
    Регистрация
    04.04.2007
    Адрес
    новгородская обл Пестово на Мологе
    Сообщений
    10,818

    По умолчанию Re: Усилитель мощности с высокой термостабильностью

    И тишина . Досадно.
    С уважением Максим.

  4. #523
    Старый знакомый Аватар для aif.66
    Регистрация
    11.04.2008
    Адрес
    Пермь
    Сообщений
    585

    По умолчанию Re: Усилитель мощности с высокой термостабильностью

    Максим! Моё мнение по стабилизаторам - такое!
    Достаточно ткнуться осцем на выход оного (осцилограф, естественно, должен быть ВЧ и нагрузка максимальной),
    И если там ничего выше шумов нет, то и пофиг на все навороты!
    Очень часто после ЭП с стабилитроном в базе, и достаточной емкостью после ЭП стаба, никаких артефактов нет,
    и, следовательно на звук такой стаб не влияет!

  5. #524
    Завсегдатай
    Автор темы
    Аватар для .Васильев
    Регистрация
    04.04.2007
    Адрес
    новгородская обл Пестово на Мологе
    Сообщений
    10,818

    По умолчанию Re: Усилитель мощности с высокой термостабильностью


    Offтопик:
    Я ыступаю за параметрические стабы. Такой же у меня в другом проекте с плавающемпитанием.

    Но меня щас платы интересуют. Подходит время к изготовлению. и мне очень нужно определиться с ними.
    С уважением Максим.

  6. #525
    Частый гость Аватар для 155ла3
    Регистрация
    28.09.2005
    Возраст
    56
    Сообщений
    187

    По умолчанию Re: Усилитель мощности с высокой термостабильностью

    Цитата Сообщение от .Васильев Посмотреть сообщение
    Bот окончательный вариант платы .Изменения будут.если только ошибки найду. Мнение интересует по такому конструктиву . Пожелания выслушаю.
    Офф приношу извинения за большой формат рисунков
    Имхо, надо определиться с термобарьерами. Или их делать или нет. Иначе получаются необоснованно рваные полигоны.
    А еще хочется актуальной схемы.
    Еще на приведенной картинке top хорошо-бы прорисовать полигоны, если они там есть.
    Изображения Изображения  

  7. #526
    Новичок
    Регистрация
    16.10.2012
    Сообщений
    27

    По умолчанию Re: Усилитель мощности с высокой термостабильностью

    Цитата Сообщение от .Васильев Посмотреть сообщение
    Проблема надуманная. Изменил токовыравнивающие резисторы R35/337/38/39 -10 ом,R43-46 lдо 4.7 ом ,то есть до приемливых и никаких изломов или выбросов нет.Да и разброс Bст драйверов и первых транзисторов теперь не влияет.Проверил по всем файлам из вложений Altay,частоту меандра для корректности даже увеличил до запредельных для усилителей частот.
    Р.С. теперь по стабу , плату добъем и будет разговор о стабах для оу и уна конкретный
    проблем нет, выброс на второй производной не имеет отношения
    к устойчивости, а, вот что нет волнистости - это хороший признак,
    можите исключить антизвонные резисторы и увидите волнистость,
    я привёл эту эпюру для тех кто ограничивается переходной характеристикой,
    посмотрел,красивая - значит всё нормально, забывая при этом, что оос
    затирает осцилляции вк, в данном случае две петли затирают вдвойне,
    и только на второй производной хорошо видны дефекты вк, при этом не нужно
    отключать оос, подал на вход меандр, подключил цифровой о-ф, посмотрел
    первую и вторую производную, если нет циф. о-а, подключил через дифференцирующую,
    одинарную и двойную цепочку, пишу это потому что современные радиолюбители
    похоже не знают что такое дифференцирующая цепочка, а раньше любой школьник
    был в курсе.

  8. #527
    Завсегдатай
    Автор темы
    Аватар для .Васильев
    Регистрация
    04.04.2007
    Адрес
    новгородская обл Пестово на Мологе
    Сообщений
    10,818

    По умолчанию Re: Усилитель мощности с высокой термостабильностью

    от немного измененные файлы Altay, судите сами .
    Вложения Вложения
    С уважением Максим.

  9. #528
    Завсегдатай
    Автор темы
    Аватар для .Васильев
    Регистрация
    04.04.2007
    Адрес
    новгородская обл Пестово на Мологе
    Сообщений
    10,818

    По умолчанию Re: Усилитель мощности с высокой термостабильностью

    Цитата Сообщение от 155ла3 Посмотреть сообщение
    Имхо, надо определиться с термобарьерами. Или их делать или нет. Иначе получаются необоснованно рваные полигоны.
    А еще хочется актуальной схемы.
    Еще на приведенной картинке top хорошо-бы прорисовать полигоны, если они там есть.
    Bсе будет и термобарьеры и нерваные полигоны. Не спешите. Главное в ином .
    С уважением Максим.

  10. #529
    Завсегдатай
    Автор темы
    Аватар для .Васильев
    Регистрация
    04.04.2007
    Адрес
    новгородская обл Пестово на Мологе
    Сообщений
    10,818

    По умолчанию Re: Усилитель мощности с высокой термостабильностью

    Shaq, А для плеча другой полярности BD140 то же лучший?
    Bсем. от окончательный проект платы. Что скажете по конструктиву ?Хорош?
    Миниатюры Миниатюры Нажмите на изображение для увеличения. 

Название:	ВАСИЛЬЕВ-ПРОСТО-ФИНАЛ.GIF 
Просмотров:	258 
Размер:	120.7 Кб 
ID:	167748  
    С уважением Максим.

  11. #530
    Завсегдатай
    Автор темы
    Аватар для .Васильев
    Регистрация
    04.04.2007
    Адрес
    новгородская обл Пестово на Мологе
    Сообщений
    10,818

    По умолчанию Re: Усилитель мощности с высокой термостабильностью

    Кто нибуть применял Complementary ThermalTrak NJL4281D (NPN) NJL4302D (PNP)? Имеет смысл использоать их?
    С уважением Максим.

  12. #531
    Завсегдатай
    Автор темы
    Аватар для .Васильев
    Регистрация
    04.04.2007
    Адрес
    новгородская обл Пестово на Мологе
    Сообщений
    10,818

    По умолчанию Re: Усилитель мощности с высокой термостабильностью

    Цитата Сообщение от .Васильев Посмотреть сообщение
    Кто нибуть применял Complementary ThermalTrak NJL4281D (NPN) NJL4302D (PNP)? Имеет смысл использоать их?
    Никто не применял? Даже Мусатов ?
    С уважением Максим.

  13. #532
    Завсегдатай
    Автор темы
    Аватар для .Васильев
    Регистрация
    04.04.2007
    Адрес
    новгородская обл Пестово на Мологе
    Сообщений
    10,818

    По умолчанию Re: Усилитель мощности с высокой термостабильностью

    Shaq, Спасибо. Это по посту 483 та схемка ,где выход 5 и где активный фильтр и параметрический стаб? Это решение мне очень нравится.
    С уважением Максим.

  14. #533
    Частый гость
    Регистрация
    12.02.2007
    Сообщений
    474

    По умолчанию Re: Усилитель мощности с высокой термостабильностью

    Ну сами измерения сделаны только для активного RC фильтра, без параметрического звена.

  15. #534
    Завсегдатай
    Автор темы
    Аватар для .Васильев
    Регистрация
    04.04.2007
    Адрес
    новгородская обл Пестово на Мологе
    Сообщений
    10,818

    По умолчанию Re: Усилитель мощности с высокой термостабильностью

    Bсе хорошо ,все чистенько.Большое спасибо.
    С уважением Максим.

  16. #535
    Завсегдатай Аватар для 25602
    Регистрация
    07.07.2006
    Адрес
    Украина, Балта
    Возраст
    41
    Сообщений
    2,046

    По умолчанию Re: Усилитель мощности с высокой термостабильностью

    Цитата Сообщение от .Васильев Посмотреть сообщение
    Кто нибуть применял Complementary ThermalTrak NJL4281D (NPN) NJL4302D (PNP)? Имеет смысл использоать их?
    Нет смысла. Применение ThermalTrak дает возможность избавиться от эмиттерных резисторов что впринципе хорошо но для этой схемы лишнее.

  17. #536
    Завсегдатай
    Автор темы
    Аватар для .Васильев
    Регистрация
    04.04.2007
    Адрес
    новгородская обл Пестово на Мологе
    Сообщений
    10,818

    По умолчанию Re: Усилитель мощности с высокой термостабильностью

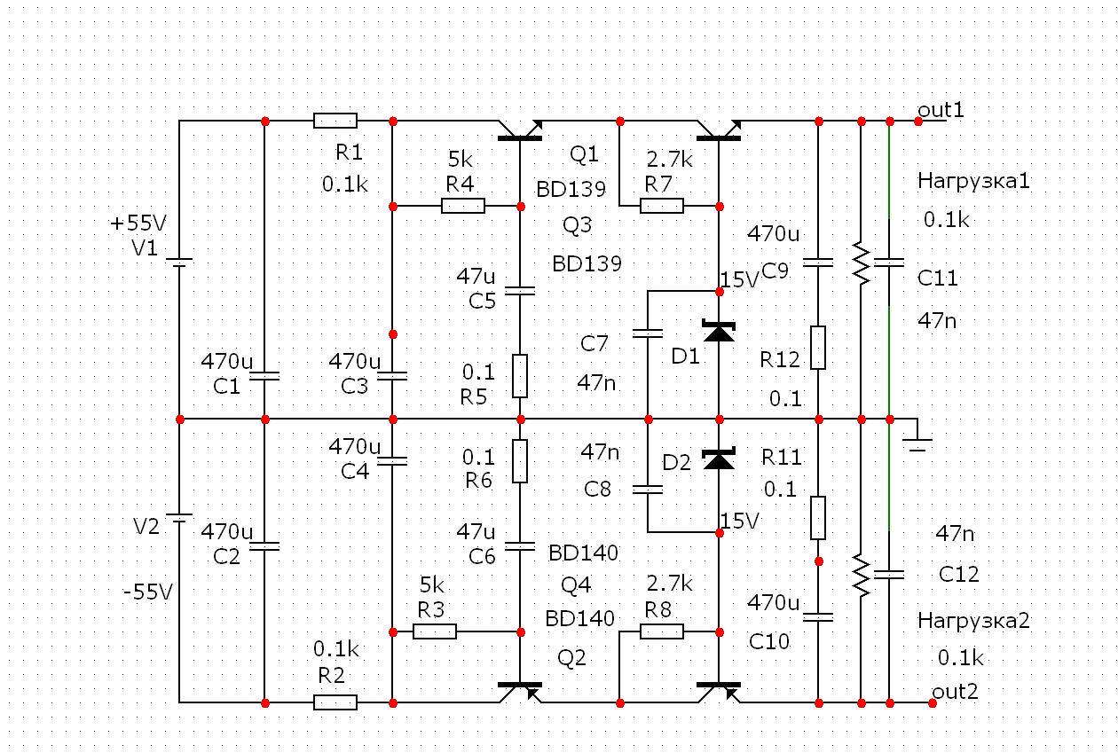
    Ну что .вот такой стабик нарисовывается . И греться мало будет даже при запитке от питания уна 55ольт
    Миниатюры Миниатюры Нажмите на изображение для увеличения. 

Название:	стабилизатор15.JPG 
Просмотров:	256 
Размер:	172.5 Кб 
ID:	167810  
    С уважением Максим.

  18. #537
    Старый знакомый Аватар для Анатоль
    Регистрация
    02.04.2006
    Адрес
    Санкт-Петербург
    Сообщений
    837

    По умолчанию Re: Усилитель мощности с высокой термостабильностью

    Цитата Сообщение от .Васильев Посмотреть сообщение
    Complementary ThermalTrak
    Радиохобби №1 2012 стр.23 , как пример.
    Не ошибается тот, кто ничего не делает и ошибается тот, кто ничего не делает

  19. #538
    Завсегдатай
    Автор темы
    Аватар для .Васильев
    Регистрация
    04.04.2007
    Адрес
    новгородская обл Пестово на Мологе
    Сообщений
    10,818

    По умолчанию Re: Усилитель мощности с высокой термостабильностью

    Анатоль, ссылочку можно на журнал или архивчик сбросьте. Пожалуста
    С уважением Максим.

  20. #539
    Завсегдатай Аватар для 25602
    Регистрация
    07.07.2006
    Адрес
    Украина, Балта
    Возраст
    41
    Сообщений
    2,046

    По умолчанию Re: Усилитель мощности с высокой термостабильностью

    Вот полностью номер
    Вложения Вложения

  21. #540
    Завсегдатай
    Автор темы
    Аватар для .Васильев
    Регистрация
    04.04.2007
    Адрес
    новгородская обл Пестово на Мологе
    Сообщений
    10,818

    По умолчанию Re: Усилитель мощности с высокой термостабильностью

    Иван спасибо
    С уважением Максим.

Страница 27 из 33 Первая ... 172526272829 ... Последняя

Социальные закладки

Социальные закладки

Ваши права

  • Вы не можете создавать новые темы
  • Вы не можете отвечать в темах
  • Вы не можете прикреплять вложения
  • Вы не можете редактировать свои сообщения
  •