Страница 27 из 546 Первая ... 17252627282937 ... Последняя
Показано с 521 по 540 из 10911

Тема: Импульсные источники питания и преобразователи.

  1. #1 Показать/скрыть первое сообщение.
    Регистрация не подтверждена
    Автор темы
    Аватар для TDA
    Регистрация
    30.10.2004
    Адрес
    Люберцы
    Возраст
    40
    Сообщений
    1,190

    По умолчанию Импульсные источники питания и преобразователи.

    Приветствую!
    Раньше помоему тут небыло темы в которой обсуждались бы только ИБП и преобразователи напряжения.
    Щас меня интересует эта схема полумостового ИБП
    Последний раз редактировалось лысый; 09.03.2007 в 19:59.

  2. #521
    Забанен (навсегда)
    Регистрация
    27.02.2005
    Адрес
    село Самбек
    Сообщений
    2,080

    По умолчанию Re: Импульсные источники питания и преобразователи.

    Часто в таких драйверах для повышения помехоустойчивости и скорострельности делают дифференциальный токовый вход. Например см. PWR-INT201.

  3. #522

    По умолчанию Re: Импульсные источники питания и преобразователи.

    Цитата Сообщение от witali
    тогда чтото типа схемы из UcD в Усилителях класса Д
    ну да, конечно, только шотки на 2 диода (классический baker) поменять, если на высоковольтный ПН, или температура высокая возможна.

  4. #523
    Новичок Аватар для Vadem
    Регистрация
    13.08.2005
    Адрес
    Рига
    Возраст
    42
    Сообщений
    80

    По умолчанию Re: Импульсные источники питания и преобразователи.

    ребята вы бы намалевали рабочую схему, или линк дали, а то иногда так надо что сил нет...

  5. #524

    По умолчанию Re: Импульсные источники питания и преобразователи.

    Vadem, поищите в постах witaly, он не по разу картинки вывешивал, хотя и самому придмать варианты нетрудно, но в любом случае самым простым будет тот, как в UcD, на двух Р транзисторах. Кстати и нижний такой же точно и с 494 такой часто юзают, только тогда один транзистор уже в 494 чипе, второй снаружи с диодом- проще некуда.

  6. #525
    Новичок Аватар для Vadem
    Регистрация
    13.08.2005
    Адрес
    Рига
    Возраст
    42
    Сообщений
    80

    По умолчанию Re: Импульсные источники питания и преобразователи.

    IVX я перерыл всю эту ветку, не видел чтобы кто нить приводил схему верхнего плеча полумоста на дискрете, прости за глупый вопрос, а что такое UcD?
    Последний раз редактировалось лысый; 09.03.2007 в 21:48.

  7. #526
    Новичок
    Регистрация
    12.11.2005
    Адрес
    Екатеринбург
    Возраст
    39
    Сообщений
    12

    Внимание! Re: Импульсные источники питания и преобразователи.

    Здравствуйте всем я здесь новый гость. Прочитал половину форума, собрал доработанную схему на IR2153 & 2*IRF740.
    Я хотел спросить а что изменится если две емкости по 220мкф*200В заменить на две по 800мкф что то изменится?

  8. #527
    Новичок Аватар для Vadem
    Регистрация
    13.08.2005
    Адрес
    Рига
    Возраст
    42
    Сообщений
    80

    По умолчанию Re: Импульсные источники питания и преобразователи.

    изменится, сильно вырастет пусковой ток, и вырастут габариты девайса

    PS
    а на какую мощность у тебя транс расчитан?

  9. #528
    Новичок
    Регистрация
    12.11.2005
    Адрес
    Екатеринбург
    Возраст
    39
    Сообщений
    12

    Re: Импульсные источники питания и преобразователи.

    Частота преобразования 70-80кГц а сечение 12*15 так что я не знаю на сколько транс но 400Ватт"ную лампу тянет и.... очень странно MOSFET"ы не греются вообще
    В самом начале писали что драйвер этот 2153 без шим значит регулировать напряжение невозможно и оно будет прыгать. =>
    а при увеличении емкостей до 800мкф уровень пульсацый и скачко снизится?

    И еще вопрос как то дело заходило о пробое MOSFET"ов из-за накопительных кондеров а что если среднюю точку не с них брать а поставить два неполярных по 1,5мкф*250-400В и сразу к трансу!? может ли такая емкость его пробить при К.З. на 1,5 мкф?
    Миниатюры Миниатюры Нажмите на изображение для увеличения. 

Название:	PICT9947.JPG 
Просмотров:	849 
Размер:	285.8 Кб 
ID:	5655  
    Последний раз редактировалось Nucleus; 13.11.2005 в 06:46.

  10. #529

    По умолчанию Re: Импульсные источники питания и преобразователи.

    Цитата Сообщение от Vadem
    IVX я перерыл всю эту ветку, не видел чтобы кто нить приводил схему верхнего плеча полумоста на дискрете, прости за глупый вопрос, а что такое UcD?
    А кто говорил про эту ветку? Виталий постил схему class D усилителя "UcD" где положено -в усилителях!

    PS: у меня винда падала, пока востанавливаю, дать картинку быстро не смогу, так, что лучше в поиск..
    Последний раз редактировалось IVX; 13.11.2005 в 01:08.

  11. #530
    Регистрация не подтверждена
    Регистрация
    24.07.2005
    Адрес
    Екатеринбург
    Возраст
    42
    Сообщений
    138

    По умолчанию Re: Импульсные источники питания и преобразователи.

    Цитата Сообщение от Nucleus
    в курсе но вот например с сердечниками там напряг. Сердечников для дросселей вообще нет.

  12. #531
    Новичок
    Регистрация
    12.11.2005
    Адрес
    Екатеринбург
    Возраст
    39
    Сообщений
    12

    По умолчанию Re: Импульсные источники питания и преобразователи.

    Цитата Сообщение от Артем
    в курсе но вот например с сердечниками там напряг. Сердечников для дросселей вообще нет.
    Дык можно транс с зазором

  13. #532
    Новичок Аватар для Vadem
    Регистрация
    13.08.2005
    Адрес
    Рига
    Возраст
    42
    Сообщений
    80

    По умолчанию Re: Импульсные источники питания и преобразователи.

    Цитата Сообщение от Nucleus
    И еще вопрос как то дело заходило о пробое MOSFET"ов из-за накопительных кондеров а что если среднюю точку не с них брать а поставить два неполярных по 1,5мкф*250-400В и сразу к трансу!? может ли такая емкость его пробить при К.З. на 1,5 мкф?
    пробивает мосфеты не эта ёмкость, они горят от сквозных токов, и даже если поставить два неполярных кондёра, ничего не изменится, так как при сквозном токе ёмкость фильтрующего кондёра разрядится через транзюки, и они скоропостижно скончаются от разрыва кристаллов
    Последний раз редактировалось Vadem; 13.11.2005 в 22:51.

  14. #533
    Забанен (навсегда)
    Регистрация
    27.02.2005
    Адрес
    село Самбек
    Сообщений
    2,080

    По умолчанию Re: Импульсные источники питания и преобразователи.

    Nucleus, посмотрел фото макета. Это ж бомба террориста. При таком монтаже и просто включать нежелательно, не то что грузить. Как оно ещё живое. Хорошая таки эта мелкосхема.
    От этих всех проводюлин она имеет полное право крепко глюкнуть, и кирдык. Хоть 800мкФ, хоть плёнка.
    Срочно надо этот бардак окучить и подстричь.
    Кстати, а не понял, где на фото вторичный выпрямитель, фильтры там всякие? Лампочка что, прямо на вторичке?

  15. #534
    Новичок
    Регистрация
    12.11.2005
    Адрес
    Екатеринбург
    Возраст
    39
    Сообщений
    12

    Вопрос Re: Импульсные источники питания и преобразователи.

    Лампа прямо на вторичке.
    Вчера закончил читать форум так и не понял как мотать фильтры!!
    Нужен конкретный пример!!
    Мне необходимо +-55Вольт 2А и +-20Вольт ампер 5-6 - это пиковые токи врядли мне стока понадобится но про запас.
    Вот у меня есть обычный ферритовый стержень Д=8мм длина 30-50мм частота преобр. 70-80кГц дак что мне теперь мотать ????????????????????, и вообще если транзюки не греются нужны ли эти дросселя????????????????????????
    А может за место четырех столбов (+55-55+20-20) можно намотать на Кольце от ПК ИБП???????
    И еще гдето вычитал в форуме про "Желтенькое колечко" от комповского ИБП там писали что фильтр выходной!!! скока на него мотать?
    К стате в жур."Радио" вычитал что кольцо ставится для общей магнитной взаимосвязи всех обмоток!??
    К стате схема уже потерпела модификации я убрал то что хотел сделать датчиком тока.
    И сделал питание микрухи от транса после запуска а до запуска от 47К как и доках на нее, хорошо ли ее запитывать от транса?
    Да и почему нельзя регулировать напряжение ЧАСТОТОЙ, чем больше напруги надо тем больше частота все просто например в пределах 70+-10кГц это было бы хоть немного стабильней

  16. #535
    Забанен (навсегда)
    Регистрация
    27.02.2005
    Адрес
    село Самбек
    Сообщений
    2,080

    По умолчанию Re: Импульсные источники питания и преобразователи.

    Цитата Сообщение от Nucleus
    Лампа прямо на вторичке.
    Тогда ключам конечно курорт, потому и не греются. И 400Вт там вряд ли есть на самом деле.
    Цитата Сообщение от Nucleus
    Вчера закончил читать форум так и не понял как мотать фильтры!!
    Нужен конкретный пример!!
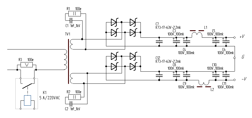
    Пример на картинке - L1, L2. Схема выпрямления может быть другая. Основные банки в питании не показаны, они дальше, поближе к усилителю. Мотать в нашем случае от фонаря. Стержень - так стержень, на нём 10-20 витков. Можно и вообще без них для начала.
    Гораздо важнее ограничить пусковой ток. Для этого К1 и R3. К1 включать например от таймера 555 с задержкой, достаточной для заряда основных банок.
    Цитата Сообщение от Nucleus
    И еще гдето вычитал в форуме про "Желтенькое колечко" от комповского ИБП там писали что фильтр выходной!!! скока на него мотать?
    К стате в жур."Радио" вычитал что кольцо ставится для общей магнитной взаимосвязи всех обмоток!??
    Не пудри себе мозги, это из другой песни. Комповый БП работает совсем по-другому и дроссель там другое делает.

    [ADDED=лысый]1131914243[/ADDED]
    Цитата Сообщение от Nucleus
    Да и почему нельзя регулировать напряжение ЧАСТОТОЙ, чем больше напруги надо тем больше частота все просто
    Т.е. чем меньше частота, тем меньше напруга? А если снизить частоту аж до 0,05 кГц, от напруги хоть что-то ещё останется?
    Миниатюры Миниатюры Нажмите на изображение для увеличения. 

Название:	выход_для Nucleus.GIF 
Просмотров:	1096 
Размер:	7.9 Кб 
ID:	5693  
    Последний раз редактировалось лысый; 13.11.2005 в 23:37.

  17. #536
    Новичок Аватар для Vadem
    Регистрация
    13.08.2005
    Адрес
    Рига
    Возраст
    42
    Сообщений
    80

    По умолчанию Re: Импульсные источники питания и преобразователи.

    если кому надо, у меня есть первое издание Семёнова, я залил его на рапидшару, для скачивания нужно выбрать Free download, вот ссылка: http://rapidshare.de/files/7862936/PE_Semenov.rar.html
    Последний раз редактировалось Vadem; 20.11.2005 в 00:23.

  18. #537
    Новичок Аватар для Vadem
    Регистрация
    13.08.2005
    Адрес
    Рига
    Возраст
    42
    Сообщений
    80

    По умолчанию Re: Импульсные источники питания и преобразователи.

    кто нить может сказать почему везде пишут что на мощности больше одного кВт собирают ПНы по мостовой схеме? или это относится только к сетевым преобразователям? ведь если разобраться у моста вдвое больше потери на ключах нежели в пуш пуле , я тут делаю упс на полтора кВт и не знаю по какой топологии замутить силовую часть, поидее конечно лучше мост так как неохота мне первичку с отводом мотать, там и так лента как туалетная бумага по ширине будет, или жгут с палец толщиной , а если с отводом, так я вообще на проволке разорюсь, есть конечно медня жесть 0.5мм толщиной, но боюсь будут немеряные потери на скин эффект, вообщем главный вопрос: резонно ли на 12 вольт делать по мостовой схеме?

    [ADDED=Vadem]1132435748[/ADDED]
    Norff там когда внизу нажимаешь Free выскочит новая страница, внизу будет написано download ticket и таймер 18 секунд, когда они пройдут появится ссылка на закачку, только там нельзя менеджерами закачки пользоваться, только встроенными средствами браузера
    Последний раз редактировалось Vadem; 20.11.2005 в 00:29.

  19. #538
    Регистрация не подтверждена
    Автор темы
    Аватар для TDA
    Регистрация
    30.10.2004
    Адрес
    Люберцы
    Возраст
    40
    Сообщений
    1,190

    По умолчанию Re: Импульсные источники питания и преобразователи.

    Vadem, Почему потери больше будут, для моста можно брать 20в полевики которые достаточно лёгкие и сопротивление канала в районе 2-3мОм. Просто это получиться дороже и сложнее, но по качеству лучше.

    Все тут говорят про входную ёмкость, а про заряд на затворе забывают, хотя имено от него в большей степени зависит время за которое откроется полевик определённым током.

  20. #539
    Новичок Аватар для Vadem
    Регистрация
    13.08.2005
    Адрес
    Рига
    Возраст
    42
    Сообщений
    80

    По умолчанию Re: Импульсные источники питания и преобразователи.

    TDA а есть какая нить модель на примете? а то я завтра за деталями еду, заодно и купил бы, зря я накупил irf3205, но ничё куда нить уйдут...

  21. #540

    По умолчанию Re: Импульсные источники питания и преобразователи.

    Vadem, в полномостовом ПН (или иначе Н-мост), в окно транса войдёт больше меди, значит при одинаковых габаритах такой транс мощнее чем пушпульный. Конечно статические потери на Rds_on будут двойные, но если не полениться и посчитать, то для irf6618 ыходит так: 1.7мОм*2*100А^2=34вт, от 1200вт это всего 2.8%, так что если бы всё прочее было идеально, вы бы имели >97% КПД. 20-30 вольтовых мосфетов есть немало прикольных, вот например NTMFS4108N 1.8мОм 30в, но всего 34А среднего тока, потому что корпус SO-8, но 300вт без радиатора не так и плохо, никто не мешает параллелить опять же. Есть похожие мосфеты у ST, Philips, Fairchild.

Страница 27 из 546 Первая ... 17252627282937 ... Последняя

Социальные закладки

Социальные закладки

Ваши права

  • Вы не можете создавать новые темы
  • Вы не можете отвечать в темах
  • Вы не можете прикреплять вложения
  • Вы не можете редактировать свои сообщения
  •