Страница 25 из 26 Первая ... 1523242526 Последняя
Показано с 481 по 500 из 501

Тема: 6Э5П, плюс мосфеты.

  1. #1 Показать/скрыть первое сообщение.
    Старый знакомый
    Автор темы
    Аватар для viktor123
    Регистрация
    03.12.2008
    Сообщений
    698

    По умолчанию 6Э5П, плюс мосфеты.

    Вложение 181514Нажмите на изображение для увеличения. 

Название:	DSC06043.JPG 
Просмотров:	2054 
Размер:	1.38 Мб 
ID:	181505Нажмите на изображение для увеличения. 

Название:	DSC06044.JPG 
Просмотров:	1759 
Размер:	1.28 Мб 
ID:	181507Нажмите на изображение для увеличения. 

Название:	DSC06045.JPG 
Просмотров:	1582 
Размер:	1.21 Мб 
ID:	181508Нажмите на изображение для увеличения. 

Название:	DSC06046.JPG 
Просмотров:	1825 
Размер:	1.19 Мб 
ID:	181509Нажмите на изображение для увеличения. 

Название:	DSC06050.JPG 
Просмотров:	1782 
Размер:	1.33 Мб 
ID:	181510Нажмите на изображение для увеличения. 

Название:	DSC06055.JPG 
Просмотров:	2341 
Размер:	1.72 Мб 
ID:	181511Нажмите на изображение для увеличения. 

Название:	DSC06056.JPG 
Просмотров:	2511 
Размер:	1.23 Мб 
ID:	181512Вложение 181500Вложение 181501Вложение 181502Вложение 181503Вложение 181504Вложение 181498Вложение 181499Нажмите на изображение для увеличения. 

Название:	ун нов.GIF 
Просмотров:	16224 
Размер:	46.3 Кб 
ID:	158482Вложение 181503Вложение 181498Вложение 181500Вложение 181504Вложение 181501Вложение 181499Вложение 181502Нажмите на изображение для увеличения. 

Название:	вк н.GIF 
Просмотров:	12492 
Размер:	35.2 Кб 
ID:	180634Вложение 180630Уважаемые участники форума, есть у меня несколько ламп 6Э5П. Насколько они хороши в звуке почувствовал занимаясь проектом "Zarathustra", спасибо Deemon. Хотелось бы послушать их в паре с полевыми транзисторами на выходе. Подскажите, вот то , что я нарисовал работоспособно?. Если да, то хватит ли мощности ламп, что бы раскачать такой оконечник?. Может у кого то есть рабочая схема подобного гибридника с двумя парами полевиков и с термокомпенсацией?. Любое мнение приветствуется, особенно настоящих спецов в этих вопросах............... То ,что нарисовано в первом варианте пол года назад(схема сверху), вот именно в таком виде неработоспособно. Последний вариант схемы ,если нет ошибок в монтаже, запускается с первого включения, то есть хорошо повторяется. Лампа 6Э5П вот в таком включении это нечто, ещё раз спасибо Deemon, потому что впервые с ними столкнулся и именно с этими благодаря именно ему. По моему мнению с полевиками, именно этими, она звучит ещё более чётко. Это заметно особенно на верхах и в остальном всё просто отлично. Транзисторы ВК не подбирал, ставил то , что пришло, оба канала одинаковы. Хоть и усилитель получился довольно высокочастотным. никаких возбудов не наблюдалось. Температурный режим у этих транзисторов лучше чем у биполяров. При токе на пару в 300мА в холодном состоянии при прогреве ток падает до 200 - 220 мА при 50 примерно градусах и уже практически не меняется. Новый вариант схемы полностью работоспособен. Схема снизу. .................... Вот наконец то полностью закончил с усилителем, с регулировкой, доводкой схемы по минимуму искажений, с предварительным, корпусом. С предом особых проблем не было, тк такой вариант уже не первый. Если рассматривать по каскадно, РТ плюс лампа, плюс ВК, шума не слышно даже при подключённых прямо к выходу восьмиомных наушников. Слегка шумят NE5534 в регуляторе громкости. Их необходимо согласовать с РТ по выходному напряжению. При первом включении при максимальной чувствительности РГ пошёл возбуд на высокой частоте. Убрался включением между 2, 6 выводами первой микросхемы конденсатора в 100 пф. При подключённой аккустике ни фона ни шума неслышно даже рядом с динамиками. Ноль по прежнему гуляет от минимума до +/-10 - 15 мВ. На ВК решил поставить куллера, начинают работать потихоньку от 40 градусов, после их слабого включения (бесшумного), температура не поднимается даже при хорошей долговременной нагрузке, что не скажешь о ВК на биполярах.. Среднюю точку от транформаторов и защиту от постоянки убрал. С корпусом особо заморачиваться некогда, да и с железом проблемы, так что, что получилось, то получилось. Выкладываю последние эпюры меандра и синуса. Меандр, вход в лампу, две последние эпюры на синусе так же в лампу на 1мГце и на 2мГцах. Синус с основного входа через предварительный. Меандр 100 - 1000 - 10000 - 20000 - 100000Гц. Синус 100 - 1000 - 20000 - 100000 - 1мГц... С лампы 1мГц - 2МгЦ. Цена деления осциллографа - 20В на деление, нагрузка 4Ома, выходное две трети от максимума. Ещё раз всем огромное спасибо за советы и рекомендации. Усилитель прост, но стоит внимания, а главное короткий тракт и звучит просто отлично.
    Миниатюры Миниатюры Нажмите на изображение для увеличения. 

Название:	DSC06038.JPG 
Просмотров:	2544 
Размер:	1.77 Мб 
ID:	181491   Нажмите на изображение для увеличения. 

Название:	DSC06039.JPG 
Просмотров:	2124 
Размер:	1.43 Мб 
ID:	181492   Нажмите на изображение для увеличения. 

Название:	DSC06040.JPG 
Просмотров:	1820 
Размер:	1.43 Мб 
ID:	181493   Нажмите на изображение для увеличения. 

Название:	DSC06041.JPG 
Просмотров:	1831 
Размер:	1.30 Мб 
ID:	181494  

    Нажмите на изображение для увеличения. 

Название:	DSC06042.JPG 
Просмотров:	1955 
Размер:	1.24 Мб 
ID:	181495   Нажмите на изображение для увеличения. 

Название:	DSC06048.JPG 
Просмотров:	1623 
Размер:	1.53 Мб 
ID:	181496   Нажмите на изображение для увеличения. 

Название:	DSC06051.JPG 
Просмотров:	1863 
Размер:	1.24 Мб 
ID:	181515  
    Последний раз редактировалось viktor123; 08.06.2013 в 09:32.

  2. #481
    Новичок
    Регистрация
    07.04.2017
    Сообщений
    35

    По умолчанию Re: 6Э5П, плюс мосфеты.

    Цитата Сообщение от FEDGEN Посмотреть сообщение
    Мне нравится режим 100 на аноде,ток 60-70 мА, смещение 1вольт но это вот здесь
    Тогда вообще надо питание УН на 200В и ток ламп 60-70 мА.

  3. #482
    Забанен (навсегда)
    Регистрация
    24.07.2006
    Адрес
    ЯСИНОВАТАЯ-ДОНЕЦК-СУРГУТ
    Возраст
    55
    Сообщений
    3,034

    По умолчанию Re: 6Э5П, плюс мосфеты.

    Да,200 вольт, такое действие в планах есть. Весь прикол в том что зачем 90-100 вольт переменки на выходе SRPP? Для ламповых ВК это понятно а для транзисторных не нужно. Есть одно одно ограничение что переменка на входе лампы при смещении 1 вольт не должна превышать 1 вольт,т.е. примерное максимальное переменное напряжение на выходе 33-35 вольт, при условном пересчёте на мощность это 300вт на четыре ома.

  4. #483
    Новичок
    Регистрация
    07.04.2017
    Сообщений
    35

    По умолчанию Re: 6Э5П, плюс мосфеты.

    А кто-нибудь сравнивал звучание при различных напряжениях питания УН и различных токах ламп?
    Это очень нужное сравнение. А то ищу в авито ТАН с напряжением на 315(примерно) для получения тех же 400В постоянки после стабилизатора напряжения.
    А вдруг при других режимах лучше работает и не придется долго искать нужный ТАН.
    Автор и те кто кто собирал, думаю проделывал такие вещи.

  5. #484
    Старый знакомый
    Регистрация
    02.02.2010
    Адрес
    Екатеринбург
    Сообщений
    559

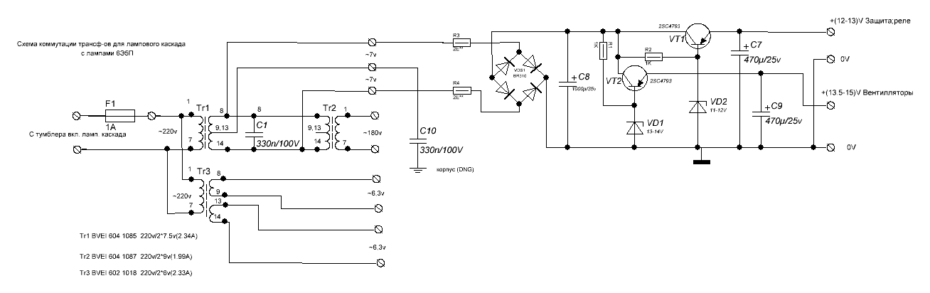
    По умолчанию Re: 6Э5П, плюс мосфеты.

    А зачем такие поиски, я просто применяю стандартные низковольтные и получаю требуемое высокое да ещё и с двойной гальваноразвязкой и фильтрацией ВЧ помех.
    Нажмите на изображение для увеличения. 

Название:	СхемаКоммутац&#108.GIF 
Просмотров:	1060 
Размер:	14.9 Кб 
ID:	292036

  6. #485
    Новичок
    Регистрация
    07.04.2017
    Сообщений
    35

    По умолчанию Re: 6Э5П, плюс мосфеты.

    [quote="giv94;2338267"]А зачем такие поиски, я просто применяю стандартные низковольтные и получаю требуемое высокое да ещё и с двойной гальваноразвязкой и фильтрацией ВЧ помех[/qu
    транс питания мосфет+транс понижающий+транс повышающий---много места занимает. Надо же чтобы компактность тоже была.

    ---------- Сообщение добавлено 20:46 ---------- Предыдущее сообщение было 20:38 ----------

    В идеале в одном трансе питание ВК+анодное+накал.
    Может есть такой транс? Ватт на 200.

  7. #486
    Старый знакомый
    Автор темы
    Аватар для viktor123
    Регистрация
    03.12.2008
    Сообщений
    698

    По умолчанию Re: 6Э5П, плюс мосфеты.

    Цитата Сообщение от Rust Посмотреть сообщение
    А вдруг при других режимах лучше работает и не придется долго искать нужный ТАН.
    Автор и те кто кто собирал, думаю проделывал такие вещи
    Для накала использовал ТАН1 у него 4е обмотки на 6,3В. Для анодного транс от ВК кадровой, от ламповых чёрно белых ТВ, изменив вторичку.

    ---------- Сообщение добавлено 20:03 ---------- Предыдущее сообщение было 20:01 ----------

    Цитата Сообщение от Rust Посмотреть сообщение
    А кто-нибудь сравнивал звучание при различных напряжениях питания УН и различных токах ламп?
    Делайте 400В и будет лучше, некуда.

    ---------- Сообщение добавлено 20:11 ---------- Предыдущее сообщение было 20:03 ----------

    Цитата Сообщение от Rust Посмотреть сообщение
    транс питания мосфет+транс понижающий+транс повышающий---много места занимает. Надо же чтобы компактность тоже была.
    А что мешает. Расчитывайте и мотайте транс, но не забывайте, что при включении вначале должна прогреться лампа, а потом включиться ВК, лучше с двойной задержкой, поэтому сперва анодное и накал, а потом питание ВК примерно через минуту, пост 133.

  8. #487
    Забанен (навсегда)
    Регистрация
    24.07.2006
    Адрес
    ЯСИНОВАТАЯ-ДОНЕЦК-СУРГУТ
    Возраст
    55
    Сообщений
    3,034

    По умолчанию Re: 6Э5П, плюс мосфеты.

    Цитата Сообщение от viktor123 Посмотреть сообщение
    Для накала использовал ТАН1 у него 4е обмотки на 6,3В. Для анодного транс от ВК кадровой, от ламповых чёрно белых ТВ, изменив вторичку.

    ---------- Сообщение добавлено 20:03 ---------- Предыдущее сообщение было 20:01 ----------

    Делайте 400В и будет лучше, некуда.
    Вот с этим я не согласен,да SRPP я ещё не экспериментировал по токам и напряжениям а вот с обычными включениями достаточно.Первое что очень замечательно 6э5п прекрасно реагирует на изменения тока и напряжения.Недельку подбирал Ra для обычной резистивной схемы с питаловов в анодке 400в. Второй уже SE c ТВЗ и меняемым режимом лампы анодное от100в до 200в,смещение от 0 до 5 вольт.В последнем случае возможно и ТВЗ реагирует на изменения тока и напряжения но режим 1вольт смещения и 100 вольт на аноде при токе 60-70мА на слух оказался лучшим.До SRPP попробую добраться к концу года, но это будет сложная конструкция,будет ли в ней толку узнаю после постройки.

  9. #488
    Старый знакомый
    Автор темы
    Аватар для viktor123
    Регистрация
    03.12.2008
    Сообщений
    698

    По умолчанию Re: 6Э5П, плюс мосфеты.

    Цитата Сообщение от FEDGEN Посмотреть сообщение
    1вольт смещения и 100 вольт на аноде при токе 60-70мА на слух оказался лучшим
    Я доверяю автору Zarathustrы в этом, при его экспериментами с 6Э5П это лучший вариант.

  10. #489
    Новичок
    Регистрация
    07.04.2017
    Сообщений
    35

    По умолчанию Re: 6Э5П, плюс мосфеты.

    Может кто запитывал ламповую часть от кенотрона? Пишут, что звучание лучше чем от диодной сборки.

  11. #490
    Не хочу! Аватар для Alex
    Регистрация
    20.03.2003
    Адрес
    Worldwide
    Возраст
    63
    Сообщений
    39,057

    По умолчанию Re: 6Э5П, плюс мосфеты.

    Цитата Сообщение от Rust Посмотреть сообщение
    от кенотрона?
    "Замполит, чайку?"(с)"Охота за Красным Октябрем".
    "Да мне-то что, меняйтесь!"(с)анек.
    <-- http://altor1.narod.ru --> Вопросы - в личку, е-мейл, скайп.

  12. #491
    Новичок
    Регистрация
    07.04.2017
    Сообщений
    35

    По умолчанию Re: 6Э5П, плюс мосфеты.

    Цитата Сообщение от Alex Посмотреть сообщение
    от кенотрона?
    В смысле вместо диодов выпрямителя использовать кенотрон.
    Замучился искать подходящий ТАН. Есть еще отдельно анодные трансы, отдельно накальные. Нафига раздельные трансы - ведь есть анодно-накальные?

  13. #492
    Забанен (навсегда)
    Регистрация
    24.07.2006
    Адрес
    ЯСИНОВАТАЯ-ДОНЕЦК-СУРГУТ
    Возраст
    55
    Сообщений
    3,034

    По умолчанию Re: 6Э5П, плюс мосфеты.

    В перевую очередь вы о безопасности подумали?
    Нажмите на изображение для увеличения. 

Название:	img00040.gif 
Просмотров:	509 
Размер:	22.4 Кб 
ID:	292642

  14. #493
    Новичок
    Регистрация
    07.04.2017
    Сообщений
    35

    По умолчанию Re: 6Э5П, плюс мосфеты.

    Цитата Сообщение от FEDGEN Посмотреть сообщение
    В перевую очередь вы о безопасности подумали?
    Выражайтесь понятнее. Причем там безопасность?. Схема обычная - трансформатор-выпрямитель на кенотроне-сглаживающий конденсатор-дроссель-сглаживающий конденсатор.
    Можно убрать дроссель, можно поставить электронный дроссель (можно с функцией стабилизации напряжения). Вот причем тут безопасность, а? Что в к классическом варианте(выпрямитель из диодов), что с вариантом на кенотроне - можно попасть под напряжение. Или с вариантом на кенотроне безопасность хуже?

  15. #494
    Не хочу! Аватар для Alex
    Регистрация
    20.03.2003
    Адрес
    Worldwide
    Возраст
    63
    Сообщений
    39,057

    По умолчанию Re: 6Э5П, плюс мосфеты.

    Цитата Сообщение от Rust Посмотреть сообщение
    В смысле вместо диодов выпрямителя использовать кенотрон.
    Я понял


    Цитата Сообщение от Rust Посмотреть сообщение
    Нафига раздельные трансы - ведь есть анодно-накальные?
    У раздельных есть преимущества:
    - проще подобрать с нужным напряжением, готовые анодно-накальные могут не подойти.
    - в некоторых случаях, проще делать задержку подачи анодного, коммутацией первички.
    "Замполит, чайку?"(с)"Охота за Красным Октябрем".
    "Да мне-то что, меняйтесь!"(с)анек.
    <-- http://altor1.narod.ru --> Вопросы - в личку, е-мейл, скайп.

  16. #495
    Лишен права ответа (до 11.11.2025)
    Регистрация
    07.01.2010
    Адрес
    г.Кемерово
    Возраст
    61
    Сообщений
    2,640

    По умолчанию Re: 6Э5П, плюс мосфеты.

    Цитата Сообщение от Rust Посмотреть сообщение
    Может кто запитывал ламповую часть от кенотрона? Пишут, что звучание лучше чем от диодной сборки.
    Еще пишут и "говорят",что старые 5Ц3С с черными анодами звучат лучше чем с серыми новых годов..Врут все....проверено .С черными искрят и "шуршат"(можно конечно поискать..перебрать из десятка и найти нормальные)..серые из за того,что более новые чуть надежней работают... Легко меняются в итоге вот на такой один корпус Диоды Шоттки
    CSD20060D и получается с ним ДВВП.
    Миниатюры Миниатюры Нажмите на изображение для увеличения. 

Название:	image001.jpg 
Просмотров:	581 
Размер:	115.0 Кб 
ID:	292674  

  17. #496
    Новичок
    Регистрация
    07.04.2017
    Сообщений
    35

    По умолчанию Re: 6Э5П, плюс мосфеты.

    Цитата Сообщение от сергей дроздов Посмотреть сообщение
    Легко меняются в итоге вот на такой один корпус Диоды Шоттки
    CSD20060D и получается с ним ДВВП
    Что дает применение Шоттки? Что такое ДВВП?

  18. #497
    Завсегдатай Аватар для stan marsh
    Регистрация
    17.08.2011
    Адрес
    Москва
    Сообщений
    5,681

    По умолчанию Re: 6Э5П, плюс мосфеты.

    Цитата Сообщение от Rust Посмотреть сообщение
    Что дает применение Шоттки?
    https://ru.wikipedia.org/wiki/%D0%94...82%D0%BA%D0%B8

    Цитата Сообщение от Rust Посмотреть сообщение
    Что такое ДВВП?
    https://www.google.ru/search?ie=UTF-...s_rd=ssl#spf=1

  19. #498
    Новичок
    Регистрация
    07.04.2017
    Сообщений
    35

    По умолчанию Re: 6Э5П, плюс мосфеты.

    Цитата Сообщение от stan marsh Посмотреть сообщение
    Что дает применение Шоттки?
    В данном случае что дает именно ШОТТКИ?
    Можно поставить два обычных диода, так как падение 0,4В(шоттки) или 1,0В(обычный диод) при напряжении питания 400В и токе 0,08А максимум, ваще роли не играет.
    Может на что-то другое влияет (например на звучание) -вот про это надо писать, а не писать ссылку на матчасть.

  20. #499
    Завсегдатай Аватар для stan marsh
    Регистрация
    17.08.2011
    Адрес
    Москва
    Сообщений
    5,681

    По умолчанию Re: 6Э5П, плюс мосфеты.

    Цитата Сообщение от Rust Посмотреть сообщение
    про это надо писать
    Про это тут: https://forum.vegalab.ru/showthread.php?t=1105

  21. #500
    Старый знакомый
    Регистрация
    02.02.2010
    Адрес
    Екатеринбург
    Сообщений
    559

    По умолчанию Re: 6Э5П, плюс мосфеты.

    Для высоковольтных источников, да и не только, лучше использовать ультра-фаст диоды с маленькими емкостями, тогда и иголки от них будут меньше и давить их попроще.

Страница 25 из 26 Первая ... 1523242526 Последняя

Социальные закладки

Социальные закладки

Ваши права

  • Вы не можете создавать новые темы
  • Вы не можете отвечать в темах
  • Вы не можете прикреплять вложения
  • Вы не можете редактировать свои сообщения
  •