Страница 246 из 317 Первая ... 236244245246247248256 ... Последняя
Показано с 4,901 по 4,920 из 6324

Тема: DC-DC преобразователи напряжения (для авто)

  1. #1 Показать/скрыть первое сообщение.
    Новичок
    Автор темы
    Аватар для WARIOR
    Регистрация
    19.01.2005
    Сообщений
    66

    По умолчанию Re: Импульсные источники питания и преобразователи.

    Здравствуйте !

    Я решил возвратиться к статье "АВТО 400", а именно к ПН. Я заканчиваю сборку по той схеме и хотел спросить нет ли там каких-либо ошибок или недостатков, недочётов, неохото получать negative consequences. (Пытался связаться с автором, чтоб узнать у него - не получилось). Может кто-нибудь собитал подобный ПН ?
    Заранее огромное спасибо !
    https://www.vegalab.ru/index.php?opt...=184&Itemid=52
    Миниатюры Миниатюры Нажмите на изображение для увеличения. 

Название:	pic002-1.gif 
Просмотров:	37512 
Размер:	37.4 Кб 
ID:	19604  

  2. #4901
    Новичок
    Регистрация
    07.04.2010
    Адрес
    Санкт-Петербург
    Сообщений
    67

    По умолчанию Re: DC-DC преобразователи напряжения (для авто)

    Цитата Сообщение от Plex61 Посмотреть сообщение
    Натурал , рез в четвёртый пин верни и его шунтируй конденсатором ,не заметил каюсь ,С12 нафиг , такой снаббер нам не нужен и частота высоковата ,но это потом .
    Как скажете =)

    Нажмите на изображение для увеличения. 

Название:	pr011_new1.JPG 
Просмотров:	713 
Размер:	87.0 Кб 
ID:	122258

  3. #4902
    Завсегдатай Аватар для .Ден.
    Регистрация
    26.02.2006
    Адрес
    Обнинск
    Возраст
    54
    Сообщений
    1,536

    По умолчанию Re: DC-DC преобразователи напряжения (для авто)

    Цитата Сообщение от Slavik-65 Посмотреть сообщение
    .Ден., откуда это ?
    уж очень мелковато......
    Я же написал- срисовано с одного топового промышленного усилителя... В аттачменте в с-плане схема, три дня корячился, а вы.......
    Собственно, данная схема- попытка получить питания для УН и для питания ОУ, независимо от питания ВК.

  4. #4903
    Старый знакомый
    Регистрация
    22.03.2011
    Адрес
    Москва
    Сообщений
    761

    По умолчанию Re: DC-DC преобразователи напряжения (для авто)

    Цитата Сообщение от .Ден. Посмотреть сообщение
    , данная схема- попытка получить питания для УН и для питания ОУ, независимо от питания ВК.
    а чем эта схема диковенная

    ---------- Добавлено в 13:05 ---------- Предыдущее сообщение в 13:02 ----------

    Цитата Сообщение от .Ден. Посмотреть сообщение
    независимо от питания ВК.
    сваяй небольшой ПН, схем море

  5. #4904
    Старый стал, ленивый Аватар для Starichok
    Регистрация
    02.05.2010
    Адрес
    Псков
    Возраст
    74
    Сообщений
    3,293

    По умолчанию Re: DC-DC преобразователи напряжения (для авто)

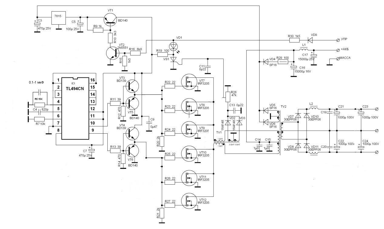
    супернатурал, ну, неужели ни разу не видел схем на тл494? хотя бы даташит посмотрел, как включается 4 нога. чушь нарисовал.
    и Плекс тебе сказал частоту понизить. поставь С4 1 нФ, а R7 поставь 12 кОм. получишь 45 кГц частоту на трансформаторе.
    и еще тебе было сказано, что выпрямитель для 7815 сделать не с отдельной обмотки, а с крайних выводов первичной обмотки трансформатора. и тем самым получишь халявный снаббер.
    только электролит этого выпрямителя зашунтируй керамикой.
    может, эта защита и работает, но трансформатор тока и вся схема защиты сделаны неправильно, безграмотно.
    резисторы R11 и R13 на хрен не нужны. а резисторы R12 и R14 уменьши до 100 Ом.
    нога 2 не должна соединяться с ногой 3, а 2 нога должна быть соединена с ногами 13-14-15. и на этих ногах еще должна стоять блокирующая керамика 0,1 мкФ.
    блокирующую керамику С9 надо разделить на 3 керамики: на каждый драйвер и на 12 ногу контроллера.
    3 штуки 3205 в каждом плече - это излишество, роскошь. 3 штуки 3205 могут обеспечить 1,5 кВт. а на 1,5 кВт тебе этот преобразователь все равно не сделать.
    Фарш невозможно провернуть назад,
    И мяса из котлет не восстановишь...

  6. #4905
    Завсегдатай Аватар для Plex61
    Регистрация
    21.07.2010
    Адрес
    Красноярск
    Возраст
    64
    Сообщений
    1,521

    По умолчанию Re: DC-DC преобразователи напряжения (для авто)

    Цитата Сообщение от Supernatural Посмотреть сообщение
    Как скажете =)
    да ,только рез 1-2к , старичок про частоту верно говорит , но про 2-3пин проверенно годами , трассировка в таком исполнении упрощается до неприличной .
    Ой ,правда посмотрел 3шт 3205 ,слишком много ,два оставь . Ну Вов защита сделана в лавке понятно , пусть пн сначала запустит натурально .

  7. #4906
    Новичок
    Регистрация
    07.04.2010
    Адрес
    Санкт-Петербург
    Сообщений
    67

    По умолчанию Re: DC-DC преобразователи напряжения (для авто)

    Цитата Сообщение от Starichok Посмотреть сообщение
    супернатурал, ну, неужели ни разу не видел схем на тл494? хотя бы даташит посмотрел, как включается 4 нога. чушь нарисовал.
    Мне как советуют опытные товарищи, я так и делаю. Своего опыта у меня нет.
    Плекс советовал
    Цитата Сообщение от Supernatural Посмотреть сообщение
    рез в четвёртый пин верни и его шунтируй конденсатором
    Разве я не правильно сделал? Подскажите пожалуйста тогда, как правильно включить 4 ногу?
    Цитата Сообщение от Starichok Посмотреть сообщение
    и Плекс тебе сказал частоту понизить. поставь С4 1 нФ, а R7 поставь 12 кОм. получишь 45 кГц частоту на трансформаторе.
    Исправил
    Цитата Сообщение от Starichok Посмотреть сообщение
    и еще тебе было сказано, что выпрямитель для 7815 сделать не с отдельной обмотки, а с крайних выводов первичной обмотки трансформатора
    Исправил, если конечно правильно Вас понял. Но помоему я шляпу какую то сделал Критикуйте, кидайте камни
    Цитата Сообщение от Starichok Посмотреть сообщение
    только электролит этого выпрямителя зашунтируй керамикой.
    Электролиты оба наверное надо зашунтировать и С3 и С5?
    Цитата Сообщение от Starichok Посмотреть сообщение
    R11 и R13 на хрен не нужны. а резисторы R12 и R14 уменьши до 100 Ом.
    Исправил.
    Цитата Сообщение от Starichok Посмотреть сообщение
    нога 2 не должна соединяться с ногой 3, а 2 нога должна быть соединена с ногами 13-14-15. и на этих ногах еще должна стоять блокирующая керамика 0,1 мкФ.
    Цитата Сообщение от Plex61 Посмотреть сообщение
    но про 2-3пин проверенно годами , трассировка в таком исполнении упрощается до неприличной .
    Тут не знаю кого слушать. Оставил пока, как Плекс говорит.
    Цитата Сообщение от Plex61 Посмотреть сообщение
    да ,только рез 1-2к
    Исправил
    Цитата Сообщение от Starichok Посмотреть сообщение
    блокирующую керамику С9 надо разделить на 3 керамики: на каждый драйвер
    Тут я не понял как надо сделать, поясните пожалуйста поподробнее.

    Нажмите на изображение для увеличения. 

Название:	pr011_new2.JPG 
Просмотров:	513 
Размер:	86.9 Кб 
ID:	122270

  8. #4907
    Старый знакомый
    Регистрация
    22.03.2011
    Адрес
    Москва
    Сообщений
    761

    По умолчанию Re: DC-DC преобразователи напряжения (для авто)

    Supernatural,
    блинннннн С9 делишь на три кондера, один на микруху, другой - к коллектору Т3, третий к коллектору Т4

  9. #4908
    Старый стал, ленивый Аватар для Starichok
    Регистрация
    02.05.2010
    Адрес
    Псков
    Возраст
    74
    Сообщений
    3,293

    По умолчанию Re: DC-DC преобразователи напряжения (для авто)

    Плекс, конешно, опытный товарищ, на закорачивать 2 и 3 ноги, и при этом 1 ногу оставлять на земле - полный бред.
    трассировка будет простой до неприличия, если 1 ногу соединить с 16 ногой, а 2 ногу соединить с 15 ногой. 3 нога остается не подключенной.
    я тебе сказал, посмотри хотя бы даташит, стандартное включение. или даже и это сделать лень, нужно все разжевать и в рот положить?
    Фарш невозможно провернуть назад,
    И мяса из котлет не восстановишь...

  10. #4909
    Завсегдатай Аватар для Plex61
    Регистрация
    21.07.2010
    Адрес
    Красноярск
    Возраст
    64
    Сообщений
    1,521

    По умолчанию Re: DC-DC преобразователи напряжения (для авто)

    Мудрость приходит вместе с ............ не всегда Вов , либо у тебя нету первого либо наговариваешь ты на себя .
    Чего на натурала накинулись, да ещё супер , у нас их скоро совсем не останется , пускай человек опыту набирается , соединяй 2 и 3 не слушай злых дядек , 2 и 3 делают из опера повторитель , а повторяет он то что на 1пине , то есть GND , что собсно и надо . Можно 2 приткнуть к 15 , как говорит Старичок ,результат будет тот же .
    Последний раз редактировалось Plex61; 05.05.2011 в 21:58.

  11. #4910
    Завсегдатай Аватар для .Ден.
    Регистрация
    26.02.2006
    Адрес
    Обнинск
    Возраст
    54
    Сообщений
    1,536

    По умолчанию Re: DC-DC преобразователи напряжения (для авто)

    Цитата Сообщение от Slavik-65 Посмотреть сообщение
    сваяй небольшой ПН, схем море
    Тут какое дело- порой нужен не набор различных платок ПН-усилитель, а доведенное до ума конечное изделие.

  12. #4911
    Старый стал, ленивый Аватар для Starichok
    Регистрация
    02.05.2010
    Адрес
    Псков
    Возраст
    74
    Сообщений
    3,293

    По умолчанию Re: DC-DC преобразователи напряжения (для авто)

    Плекс, у меня нет ни первого ни второго...
    ни на кого я не наговариваю. просто взял афоризм, а проверить его пока нет возможности...
    да, зря я накинулся, работать повторителем будет, а именно ноль нам и надо. дело в том, что правильно и так и так. но я привык делать по-своему.
    Фарш невозможно провернуть назад,
    И мяса из котлет не восстановишь...

  13. #4912
    Завсегдатай Аватар для Plex61
    Регистрация
    21.07.2010
    Адрес
    Красноярск
    Возраст
    64
    Сообщений
    1,521

    По умолчанию Re: DC-DC преобразователи напряжения (для авто)

    Цитата Сообщение от Starichok Посмотреть сообщение
    Плекс, у меня нет ни первого ни второго...
    ни на кого я не наговариваю. просто взял афоризм, а проверить его пока нет возможности...

    Offтопик:
    да ладно и до нас дошли слухи как ты дэвушкам Пскова проходу не даёшь, афоризм Абдулы был круче , а главное если кто захочет припахать ,читай ниже и всё тут

  14. #4913
    Старый стал, ленивый Аватар для Starichok
    Регистрация
    02.05.2010
    Адрес
    Псков
    Возраст
    74
    Сообщений
    3,293

    По умолчанию Re: DC-DC преобразователи напряжения (для авто)


    Offтопик:
    дык, афоризм Абдуллы и не делся никуда, стоит на своем месте
    Фарш невозможно провернуть назад,
    И мяса из котлет не восстановишь...

  15. #4914
    Старый знакомый Аватар для Sergei Nizovcev
    Регистрация
    20.05.2010
    Адрес
    Архангельская обл
    Возраст
    45
    Сообщений
    666

    По умолчанию Re: DC-DC преобразователи напряжения (для авто)

    Нажмите на изображение для увеличения. 

Название:	TL494.GIF 
Просмотров:	501 
Размер:	46.7 Кб 
ID:	122319
    Supernatural, подключайте TL494 как на рисунке ,с таким подключением ШИМ работает на полную

    Вам то повезло,вы заказали и вам прислали преобразователь с интерлавки . А я заказал в интерлавке преобразователь в прошлом году летом, я им сразу заплотил предоплату наличными 3000рублей и так досихпор этот заказ с преобразователем непришел и на мои письма неотвечают значит они обманули меня как последнего лоха, пропали мой 3000рублей. Я бы лучше сам сделал за эти деньги но мне лень было собирать преобразователь.Долго я это терпел но мое терпения лопнуло и решил высказаться что в интерлавке обманывают людей.
    Последний раз редактировалось Sergei Nizovcev; 06.05.2011 в 00:55.

  16. #4915
    Старый знакомый
    Регистрация
    22.03.2011
    Адрес
    Москва
    Сообщений
    761

    По умолчанию Re: DC-DC преобразователи напряжения (для авто)

    Цитата Сообщение от Starichok Посмотреть сообщение
    у меня нет ни первого ни второго...
    Эххх, живет же кучка людей
    Цитата Сообщение от .Ден. Посмотреть сообщение
    а доведенное до ума конечное изделие.
    я к тому сказал, что задача у тебя ерундовая - можно тупо любой из представленных здесь "работающих" ПН-ов на гораздо меньшую мощность переделать. Я для питания ОУ уж года 3 назад как собирал на 1211 совецкой и логических половых, колечко, правда маленькое не брал - в лом было карячиться, и все нормуль, а фраза "топовая модель" меня всегда раздражала: Сколько стоит твой "топ" ? Если меньше 1500 американских рублей
    не по совеццкому курсу, то это такое же ..авно с мити, только с надписью "кабаны & дольчики"

  17. #4916
    Завсегдатай Аватар для .Ден.
    Регистрация
    26.02.2006
    Адрес
    Обнинск
    Возраст
    54
    Сообщений
    1,536

    По умолчанию Re: DC-DC преобразователи напряжения (для авто)

    Цитата Сообщение от Slavik-65 Посмотреть сообщение
    Сколько стоит твой "топ" ? Если меньше 1500 американских рублей
    не по совеццкому курсу, то это такое же ..авно с мити

    Offтопик:
    1300 в ритейле, но это сути не меняет, этих аппаратов уже лет 5 как нет на рынке, сняты с производства. Себе такой не поставлю, хотя на полке валяется- в первую очередь у меня уже есть более лучший усь, а во-вторых- размеры.

  18. #4917
    Старый знакомый
    Регистрация
    22.03.2011
    Адрес
    Москва
    Сообщений
    761

    По умолчанию Re: DC-DC преобразователи напряжения (для авто)

    Цитата Сообщение от .Ден. Посмотреть сообщение
    этих аппаратов уже лет 5 как нет на рынке
    я серийные принципиально не покупаю, хотя возможность есть купить любой

  19. #4918
    Новичок
    Регистрация
    07.04.2010
    Адрес
    Санкт-Петербург
    Сообщений
    67

    По умолчанию Re: DC-DC преобразователи напряжения (для авто)

    Спасибо всем за ответы!!!
    Цитата Сообщение от Sergei Nizovcev Посмотреть сообщение
    Supernatural, подключайте TL494 как на рисунке ,с таким подключением ШИМ работает на полную
    Спасибо, за совет, но что бы не запутаться буду подключать как Плекс говорит, тем более они со Старичком вроде как сошлись во мнениях.


    Цитата Сообщение от Sergei Nizovcev Посмотреть сообщение
    Вам то повезло,вы заказали и вам прислали преобразователь с интерлавки . А я заказал в интерлавке преобразователь.....
    Да не расстраивайтесь, пусть они свои чудо изобретения, с "оригинальной" сборкой у себя где нибудь подальше оставят!!! Но деньги надо стребовать с них, а то беспредел какой то получается!
    Мне вернули, когда я поднаехал и пригрозил что на форумы выложу то как они работают. Всю сумму я требовать не стал, но 1 000 рэ, за моральный ущерб попросил.

    Slavik-65, не ругайся, это я затормозил слегка

  20. #4919
    Старый знакомый Аватар для Sergei Nizovcev
    Регистрация
    20.05.2010
    Адрес
    Архангельская обл
    Возраст
    45
    Сообщений
    666

    По умолчанию Re: DC-DC преобразователи напряжения (для авто)

    Цитата Сообщение от Supernatural Посмотреть сообщение
    Да не расстраивайтесь, пусть они свои чудо изобретения, с "оригинальной" сборкой у себя где нибудь подальше оставят!!! Но деньги надо стребовать с них, а то беспредел какой то получается!
    Мне вернули, когда я поднаехал и пригрозил что на форумы выложу то как они работают. Всю сумму я требовать не стал, но 1 000 рэ, за моральный ущерб попросил.
    Да вот неполучаеться некак с них обратно деньги вернуть. Я им писал много раз но так неодного ответного письма непришло. Сейчас еще разик попробую написать .

  21. #4920
    Частый гость
    Регистрация
    12.05.2009
    Адрес
    Астрахань
    Возраст
    47
    Сообщений
    308

    По умолчанию Re: DC-DC преобразователи напряжения (для авто)

    Цитата Сообщение от Sergei Nizovcev Посмотреть сообщение
    Да вот неполучаеться некак с них обратно деньги вернуть. Я им писал много раз но так неодного ответного письма непришло. Сейчас еще разик попробую написать .

    Offтопик:
    антиреклама вот лучший аргумент в таких вопросах!Причем как можно больше на популярных форумах

Страница 246 из 317 Первая ... 236244245246247248256 ... Последняя

Социальные закладки

Социальные закладки

Ваши права

  • Вы не можете создавать новые темы
  • Вы не можете отвечать в темах
  • Вы не можете прикреплять вложения
  • Вы не можете редактировать свои сообщения
  •