Страница 22 из 56 Первая ... 12202122232432 ... Последняя
Показано с 421 по 440 из 1104

Тема: Усилитель для наушников VL2012

  1. #1 Показать/скрыть первое сообщение.
    Частый гость
    Автор темы
    Аватар для Go_Blin
    Регистрация
    18.06.2010
    Адрес
    Владивосток
    Возраст
    59
    Сообщений
    349

    По умолчанию Усилитель для наушников VL2012

    Версия 2012 года обсуждение до 9 страницы.

    Скрытый текст

    Вниманию начинающих построителей ушных усилов ( в частности Prochan-ну) предлагается следующая схемка: Нажмите на изображение для увеличения. 

Название:	VL2012схема.PNG 
Просмотров:	7519 
Размер:	75.2 Кб 
ID:	212449 ничего необычного, нового, и революционного. Опер нагруженный на повторитель для развязки от емкости выхода, выходной каскад повторитель нагруженный на источник тока.Особенностью является работа ВСЕХ каскадов в классе А (нагрев не колыхал ни разу) подобных схем в сети как грязи....Вот что получилось: моделированый Кг в реальный в конструкции: Нажмите на изображение для увеличения. 

Название:	rmaa01.PNG 
Просмотров:	2158 
Размер:	12.0 Кб 
ID:	212450 Нажмите на изображение для увеличения. 

Название:	rmaa02.PNG 
Просмотров:	1999 
Размер:	54.7 Кб 
ID:	212451 Нажмите на изображение для увеличения. 

Название:	rmaa03.PNG 
Просмотров:	2108 
Размер:	58.1 Кб 
ID:	212452 при всём усил обладает достаточно хорошим звуком во многом превосходящем звук
    небезызвестного лермана. При использовании компонентов применённых автором (мною то есть,,,) повторяемость 99% (1 процент на кривые руки и ошибки в монтаже)
    В итоге: отлично звучащий усилитель достаточно просто,,, Дабы облегчить жизнь повторителям выкладываю в архиве : Схемы, результаты моделирования, платки в .LAY6, результаты измерений в RMAA (loop это карта)и схему зашиты (с платой) в подарок.Для особо продвинутых файл Мультисима потренироваться,,.VL2012.rar. Обращаю внимание Q1 и Q3 подбираются по одинаковому Кус, при замене опера и изменении в разводке платы может потребоваться установка конденсатора параллельно R5 ( на платке помечен звездочкой). Питание из даташита на LM317,337.Напоследок несколько фото героя нашего рассказа,,, Нажмите на изображение для увеличения. 

Название:	DSC03733.JPG 
Просмотров:	2997 
Размер:	1.06 Мб 
ID:	212453 Нажмите на изображение для увеличения. 

Название:	DSC03744.JPG 
Просмотров:	2827 
Размер:	1.08 Мб 
ID:	212454 Нажмите на изображение для увеличения. 

Название:	IMG_0831.JPG 
Просмотров:	3220 
Размер:	895.8 Кб 
ID:	212455

    По просьбам повторителей добавляется схема блока питания : Нажмите на изображение для увеличения. 

Название:	БП.PNG 
Просмотров:	3641 
Размер:	36.4 Кб 
ID:	212916 EMI фильтра (сильно рекомендован для этого усилителя да и всех остальных не помешает ИМХО) : Нажмите на изображение для увеличения. 

Название:	сет ф.PNG 
Просмотров:	4085 
Размер:	19.4 Кб 
ID:	212917 и платки в архиве BP+EMI.rar При повторении ссылка обязательна!!!
    [свернуть]
    Версия 2016 года с 9 страницы

    Скрытый текст

    Для предотвращения разночтений и решения некоторых вопросов возникающих у повторителей данного усилителя начинаю выкладывать документацию на VL 2016 rev2. Данная ревизия позволяет создать усилитель в домашних условиях (при помощи ЛУТ и тд). Блок схема:Нажмите на изображение для увеличения. 

Название:	Блок схема.PNG 
Просмотров:	2786 
Размер:	60.1 Кб 
ID:	316551 схема самой платы усилителя : Нажмите на изображение для увеличения. 

Название:	Vl2016rev0.2.PNG 
Просмотров:	6310 
Размер:	64.7 Кб 
ID:	291577 печатная плата в .Lay6 соответствующая данной схеме (в двух вариантах с заливкой и без VL2016_rev02_1.lay6 и VL2016_rev02.lay6 соответственно) Плата.rar. Схема блока питания: Нажмите на изображение для увеличения. 

Название:	БПrev02.PNG 
Просмотров:	4318 
Размер:	120.2 Кб 
ID:	291120 и плата в Lay6 Бп rev02_Lay6.zip. В завершении описания схема и плата блока зашиты в двух вариантах :Вложение 291579
    [свернуть]
    Фото готового усилителя изнутри: . Прямоугольнички 1 кГц : 10кГц 100кГц скрин RMAA . The END!!
    Последний раз редактировалось Go_Blin; 01.04.2018 в 14:42.

  2. #421
    Частый гость
    Регистрация
    30.01.2017
    Адрес
    Краснодар
    Сообщений
    238

    По умолчанию Re: Усилитель для наушников VL2012

    Накидать то не чего. Вроде бы написал всё. С соединением в любой общей точке усилителя или бп. при включении, реле не включается. Если размыкаю общий провод срабатывает. Уже "везде" пробовал подключать AGND защиты эффект один ((. Схема усилка YES mini-2 схемка на форуме в соседней ветке YES-3

  3. #422
    Частый гость
    Автор темы
    Аватар для Go_Blin
    Регистрация
    18.06.2010
    Адрес
    Владивосток
    Возраст
    59
    Сообщений
    349

    По умолчанию Re: Усилитель для наушников VL2012

    Начнем с простого. Как 2 платы усилителя соединены с блоком питания?? Где объединяется точка AGND ? У вас потенциал точки AGND отличается от потенциала точки GND БЗ (ради интереса можете замерить сколько между фланцем ЛМ и подключенной точкой AGND). поэтому и просил НАРИСОВАТЬ.....как ЭТо у вас сделано... А гадать я не хочу!!!

  4. #423
    Частый гость Аватар для Сергей
    Регистрация
    30.01.2006
    Адрес
    г.Уфа
    Сообщений
    184

    По умолчанию Re: Усилитель для наушников VL2012

    Кстати, аналогичная проблема с защитой и у меня. Без подключения усилителя защита работает, реле включается (примерно секунд через 10)....пальцем задеваешь выводы входа (с выхода усилителя наушников) защита срабатывает, то бишь реле отключает нагрузку....но не включается потом, приходится выключать питание,...да ладно, не в этом проблема...Когда подрубил усилитель реле защиты совсем не подключает нагрузку....На выходе усилителя постоянка в пределах 5 mV. Без защиты прогнал по АЧХ усилитель - все четко, нет ни возбуда, прямоугольник ровненький...
    Подключение согласно схемы топика(схема коммутации) - после силового трансформатора средняя точка через сопротивление в 1 Ом на схему платы, входные гнезда через сопротивления в 10 Ом сидят на корпусе, защита питается также, как и в схеме с обмотки АС1 и АС2(умножитель).... После LT7812 напряжение 12,1 вольт. на 8 ноге 3,4 вольта (если не в защите)...
    Пока непонятно, что не так....

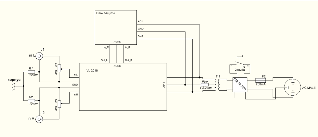
  5. #424
    Частый гость
    Автор темы
    Аватар для Go_Blin
    Регистрация
    18.06.2010
    Адрес
    Владивосток
    Возраст
    59
    Сообщений
    349

    По умолчанию Re: Усилитель для наушников VL2012

    Вот так?? Нажмите на изображение для увеличения. 

Название:	Снимок.PNG 
Просмотров:	296 
Размер:	31.5 Кб 
ID:	316033 можно уменьшить резисторы на корпус до 3-4ом.
    Цитата Сообщение от Сергей Посмотреть сообщение
    срабатывает, то бишь реле отключает нагрузку....но не включается потом, приходится выключать питание
    Закоротить С5

  6. #425
    Частый гость Аватар для Сергей
    Регистрация
    30.01.2006
    Адрес
    г.Уфа
    Сообщений
    184

    По умолчанию Re: Усилитель для наушников VL2012

    да, по этой схеме...Только, единственное, земля GND на защите подключена к среднему выводу на трансформаторе до резистора Rpp
    значит -
    1) нужно уменьшить резисторы на корпус до 3-4 Ом,
    2) закоротить C5. А в смысле на постоянно закоротить? или только чтобы отключилась защита?

  7. #426
    Частый гость
    Автор темы
    Аватар для Go_Blin
    Регистрация
    18.06.2010
    Адрес
    Владивосток
    Возраст
    59
    Сообщений
    349

    По умолчанию Re: Усилитель для наушников VL2012

    Цитата Сообщение от Сергей Посмотреть сообщение
    1) нужно уменьшить резисторы на корпус до 3-4 Ом,
    попробовать

    Цитата Сообщение от Сергей Посмотреть сообщение
    закоротить C5. А в смысле на постоянно закоротить? или только чтобы отключилась защита?
    для обеспечения автоперезапуска....
    Сравнить карту напряжений с рабочего блока: Нажмите на изображение для увеличения. 

Название:	карта напряжен&#10.PNG 
Просмотров:	211 
Размер:	75.9 Кб 
ID:	316035 Снято при ЗАМКНУТОМ реле в рабочем усилителе.

    ---------- Сообщение добавлено 22:50 ---------- Предыдущее сообщение было 22:44 ----------

    Цитата Сообщение от Сергей Посмотреть сообщение
    Только, единственное, земля GND на защите подключена к среднему выводу на трансформаторе до резистора Rpp
    Подключить "после"
    Последний раз редактировалось Go_Blin; 26.03.2018 в 16:01.

  8. #427
    Частый гость Аватар для Сергей
    Регистрация
    30.01.2006
    Адрес
    г.Уфа
    Сообщений
    184

    По умолчанию Re: Усилитель для наушников VL2012

    Хорошо, спасибо, проверю...но теперь уже только на выходных...

  9. #428
    Частый гость
    Регистрация
    30.01.2017
    Адрес
    Краснодар
    Сообщений
    238

    По умолчанию Re: Усилитель для наушников VL2012

    Сергей расписал более подробно чем я! Но у меня всё то же самое.
    1) если дотронуться пальцем до кондера не полярного защита то же срабатывает.
    2) GND подключал и до резюка и после разницы нет.
    3) Питание у меня идет только по АС1 (АС2 не задействован как у вас на блок схеме) у меня 12В. на омотке транса.
    Вообщем косяк где то именно с подключением AGND....

    Для размышления:
    На другой защите собранной по этой схеме, но без LMки питание (+12) беру от БП усилка AGND подключай хоть где без всяких резюков, все четко срабатывает и автоперезапуск то же.

  10. #429
    Частый гость Аватар для Сергей
    Регистрация
    30.01.2006
    Адрес
    г.Уфа
    Сообщений
    184

    По умолчанию Re: Усилитель для наушников VL2012

    мне думается, может питание надо дать ей не с лм-ки, а до нее, может здесь собака порылась?

  11. #430
    Частый гость
    Регистрация
    30.01.2017
    Адрес
    Краснодар
    Сообщений
    238

    По умолчанию Re: Усилитель для наушников VL2012

    Цитата Сообщение от Сергей Посмотреть сообщение
    мне думается, может питание надо дать ей не с лм-ки, а до нее, может здесь собака порылась?
    ну дык у всех работает ....

  12. #431
    Частый гость
    Автор темы
    Аватар для Go_Blin
    Регистрация
    18.06.2010
    Адрес
    Владивосток
    Возраст
    59
    Сообщений
    349

    По умолчанию Re: Усилитель для наушников VL2012

    Цитата Сообщение от Hi_Men Посмотреть сообщение
    Для размышления:
    У меня с 16 года без проблем... И почему ???
    Цитата Сообщение от Сергей Посмотреть сообщение
    мне думается, может питание надо дать ей не с лм-ки, а до нее, может здесь собака порылась?
    лмку можно перемкнуть (если реле позволяет) либо добавить к реле резистор как в даташите....
    Но сдается мне что надо для начала все подключить, и просто тестером посмотреть что между точками GND и AGND ? либо так: Нажмите на изображение для увеличения. 

Название:	02.PNG 
Просмотров:	375 
Размер:	148.0 Кб 
ID:	316063

  13. #432
    Частый гость
    Регистрация
    30.01.2017
    Адрес
    Краснодар
    Сообщений
    238

    По умолчанию Re: Усилитель для наушников VL2012

    так уже делал...вообще защита не работает
    Из всех вариантов все перепробовал ужи и запутался

  14. #433
    PaX PALANTiRA Аватар для EDDiE
    Регистрация
    13.02.2006
    Адрес
    GAZ-A-LAGO
    Сообщений
    13,281

    По умолчанию Re: Усилитель для наушников VL2012

    Цитата Сообщение от Go_Blin Посмотреть сообщение
    У меня с 16 года без проблем... И почему ???
    потому что вот


  15. #434
    Частый гость
    Регистрация
    30.01.2017
    Адрес
    Краснодар
    Сообщений
    238

    По умолчанию Re: Усилитель для наушников VL2012

    Цитата Сообщение от EDDiE Посмотреть сообщение
    остряк ...типа!
    Не ошибается тот кто ни чего не делает ..

  16. #435
    Частый гость Аватар для Сергей
    Регистрация
    30.01.2006
    Адрес
    г.Уфа
    Сообщений
    184

    По умолчанию Re: Усилитель для наушников VL2012

    Да похоже надо с землей немного повозиться, может сопротивления земли подобрать, либо вообще пока убрать, похоже разность потенциалов земляного провода сказывается. без платы усилителя же работает, все нормально, а подключаешь полностью все цепочки...засада, сбой какой то...и кондер С5 надо попробовать закоротить..

  17. #436
    Частый гость Аватар для Сергей
    Регистрация
    30.01.2006
    Адрес
    г.Уфа
    Сообщений
    184

    По умолчанию Re: Усилитель для наушников VL2012

    Проблема с защитой решена...ларчик просто открывался..
    Что сделано - сопротивление резистора R2 убавил до 2,4 кОм, и землю GND на плате защиты переподключил на общую среднюю точку после резистора Rpp вместе с землей AGND. Все работает, срабатывает четко...
    Кстати, выходные полевики поставил BUZ11, мне они больше симпатичны, отлично сюда встают еще и BUZ10, но, к сожалению, у меня их нет в наличии...

  18. #437
    Частый гость
    Автор темы
    Аватар для Go_Blin
    Регистрация
    18.06.2010
    Адрес
    Владивосток
    Возраст
    59
    Сообщений
    349

    По умолчанию Re: Усилитель для наушников VL2012

    Цитата Сообщение от Сергей Посмотреть сообщение
    Кстати, выходные полевики поставил BUZ11, мне они больше симпатичны
    интересно замеры бы глянуть.....
    Цитата Сообщение от Сергей Посмотреть сообщение
    и землю GND на плате защиты переподключил на общую среднюю точку после резистора Rpp вместе с землей AGND
    А я о чем "южному людю" рассказывал?? (без обид сам знает кто)
    Цитата Сообщение от Сергей Посмотреть сообщение
    сопротивление резистора R2 убавил до 2,4 кОм
    на 8 ноге 1237 получилось....? В вольтях, для интереса.

  19. #438
    Частый гость Аватар для Сергей
    Регистрация
    30.01.2006
    Адрес
    г.Уфа
    Сообщений
    184

    По умолчанию Re: Усилитель для наушников VL2012

    на 8 ноге вышло 3,4 вольта.
    замеры сниму выложу...что именно интересует - коэф.гармоник, прямогольник, или АЧХ? По АЧХ сразу могу сказать полка уходит за 200 кГц на синусе, никакого дрожания синуса либо утолщений на пиках синуса нет.Все четко. прямоугольник тоже в норме, есть маленько на верху чуть заметный излом на прямоугольнике, на переднем фронте...
    Самое главное звучит, и очень приятно звучит!..Я просто когда то однотакт ушной делал на этих бузах 11, они играли мягче, нежели допустим 630, или 640, да и 540 в стороне остались....Но это все на вкус и цвет, как говорится,...И ухи у всех разные, и наушники тоже не одинаковые,...так что...Самое главное, что схема сама по себе не требует особого отлаживания и работает с полоборота.....
    А по схеме - в доках топикстартера не мешало бы изменить блок-схему подключения....потому что там выложена именно такая, по какой я изначально и подключил все блоки..а надо бы заменить на ту, которая в сообщении № 424 дана.
    Кстати, можно было бы где то создать типа альбомчика, и туда можно было бы скидывать фото готового изделия этого ушника, так сказать делиться своими рукоделиями, кто как оформил....
    Последний раз редактировалось Сергей; 31.03.2018 в 21:27.

  20. #439
    Частый гость
    Регистрация
    30.01.2017
    Адрес
    Краснодар
    Сообщений
    238

    По умолчанию Re: Усилитель для наушников VL2012

    звучание на каких ушниках слушаете?

  21. #440
    Частый гость
    Автор темы
    Аватар для Go_Blin
    Регистрация
    18.06.2010
    Адрес
    Владивосток
    Возраст
    59
    Сообщений
    349

    По умолчанию Re: Усилитель для наушников VL2012

    Сергей, если не сложно то хотелось бы увидеть прямоугольники на 1, 10, 100кГц . И скрин RMAA . Например как в шапке темы. Для удобства сравнения.

    ---------- Сообщение добавлено 21:47 ---------- Предыдущее сообщение было 09:04 ----------

    Цитата Сообщение от Сергей Посмотреть сообщение
    в доках топикстартера не мешало бы изменить блок-схему подключения....потому что там выложена именно такая, по какой я изначально и подключил все блоки..а надо бы заменить на ту, которая в сообщении № 424 дана.
    Поправил, хотя если читать документацию идущую с моими платами то эта информация там есть... По поводу фотогалереи, а давайте все в этой теме сконцентрируем? Кто захочет, разберется.

Страница 22 из 56 Первая ... 12202122232432 ... Последняя

Социальные закладки

Социальные закладки

Ваши права

  • Вы не можете создавать новые темы
  • Вы не можете отвечать в темах
  • Вы не можете прикреплять вложения
  • Вы не можете редактировать свои сообщения
  •