Страница 20 из 546 Первая ... 10181920212230 ... Последняя
Показано с 381 по 400 из 10911

Тема: Импульсные источники питания и преобразователи.

  1. #1 Показать/скрыть первое сообщение.
    Давно не заходил
    Автор темы
    Аватар для TDA
    Регистрация
    30.10.2004
    Адрес
    Люберцы
    Возраст
    40
    Сообщений
    1,190

    По умолчанию Импульсные источники питания и преобразователи.

    Приветствую!
    Раньше помоему тут небыло темы в которой обсуждались бы только ИБП и преобразователи напряжения.
    Щас меня интересует эта схема полумостового ИБП
    Последний раз редактировалось лысый; 09.03.2007 в 19:59.

  2. #381
    Давно не заходил
    Регистрация
    02.08.2005
    Адрес
    Балаково
    Возраст
    43
    Сообщений
    10

    По умолчанию Re: Импульсные источники питания и преобразователи.

    ТДА, где же её взять?? ссылки вроде небыло ...

  3. #382
    Давно не заходил
    Автор темы
    Аватар для TDA
    Регистрация
    30.10.2004
    Адрес
    Люберцы
    Возраст
    40
    Сообщений
    1,190

    По умолчанию Re: Импульсные источники питания и преобразователи.

    Leksus, Ищи на яндексе, чтото типа "прога для расчёта полумостовых преобразователей" У меня установочный файл называется Transformer_1.0.0.1.exe, 622кб выложить не могу тк сижу через ГПРС, но помню нашёл её очень быстро

  4. #383
    Давно не заходил
    Регистрация
    24.07.2005
    Адрес
    Екатеринбург
    Возраст
    42
    Сообщений
    138

    По умолчанию Re: Импульсные источники питания и преобразователи.


  5. #384
    Давно не заходил Аватар для Stepbl4b
    Регистрация
    20.07.2005
    Адрес
    Башкирия
    Возраст
    35
    Сообщений
    144

    По умолчанию Re: Импульсные источники питания и преобразователи.

    Я собрал ИИП на ИР2151 по пятой плате ТДА и столкнулся с проблемой: при КЗ на выходе транса, сразу горят мосфеты. Как можно защитить себя от этого, ведь всякое бывает (например пробитый диод в мосте на втоичке)?

  6. #385
    Давно не заходил
    Автор темы
    Аватар для TDA
    Регистрация
    30.10.2004
    Адрес
    Люберцы
    Возраст
    40
    Сообщений
    1,190

    По умолчанию Re: Импульсные источники питания и преобразователи.

    Stepbl4b, Надоже и 2151 нормально раскачала полевики без драйвера? У неё ведь ток почти в 2р меньше чем у 2153.
    Ну можно попробовать такой способ чтобы защитить полевики, транс расчитывать так чтобы его габаритная мощность была раза в полтора меньше той мощности которую можно получить с этими полевиками (при максимальном токе). Ну и попробовать поставить последовательно с трансом резюк на несколько ом (может не понадобиться). Помоему должно сработать, но на 100% не уверен
    Вообще надо бы ставить последовательно с первичкой транса, маленький транс - датчик тока, с него подавать сигнал на схемку которая при определённом уровне сигнала будет коротить Ct, тогда полевики отключатся. Но это схему и плату надо усложнять.

    У меня как я уже говорил полевики на максимальный ток 2.5А не сгорают при зарядке 2*10000мк в каждом плече. Напряжение на выходе 2*25в. Дросселей после моста нет. Габартиная мощность транса получилась около 170вт. Коротить не пробовал - но разряженные 40000мк это уже считай кз.

  7. #386
    Давно не заходил
    Регистрация
    02.08.2005
    Адрес
    Балаково
    Возраст
    43
    Сообщений
    10

    По умолчанию Re: Импульсные источники питания и преобразователи.

    Появилась такая идея, микросхему IR 2153 питать от отдельного источника. Так мне кажеться будет надёжнее чем от выпрямленного сетевого. Никто не пробовал экспериментировать? К стати какая напруга нужна для нормальной её работы?

  8. #387
    Давно не заходил
    Регистрация
    16.08.2005
    Адрес
    Украина, Хмельницкая обл.
    Возраст
    47
    Сообщений
    99

    По умолчанию Re: Импульсные источники питания и преобразователи.

    Привет всем , хочу собрать себе БП на IR2153, мне нужна мощность не менее 500 ватт. Подкинте кто нибуть рабочую схемку с намоточными данными. И еще обязательно для такой мощности ставить драйвер IR2110 или нет? Как его подключить, нарисуйте, пожалуста, а то я никак немогу допереть.

  9. #388
    Давно не заходил
    Регистрация
    30.06.2005
    Адрес
    Харьков
    Возраст
    53
    Сообщений
    137

    По умолчанию Re: Импульсные источники питания и преобразователи.

    А есть ли здесь "Живая схема импульсника" ? На 220 вольт?

  10. #389
    Давно не заходил
    Регистрация
    24.07.2005
    Адрес
    Екатеринбург
    Возраст
    42
    Сообщений
    138

    По умолчанию Re: Импульсные источники питания и преобразователи.

    Есть искать в теме, ближе к началу.

  11. #390
    Давно не заходил
    Регистрация
    26.08.2005
    Сообщений
    2

    По умолчанию Re: Импульсные источники питания и преобразователи.

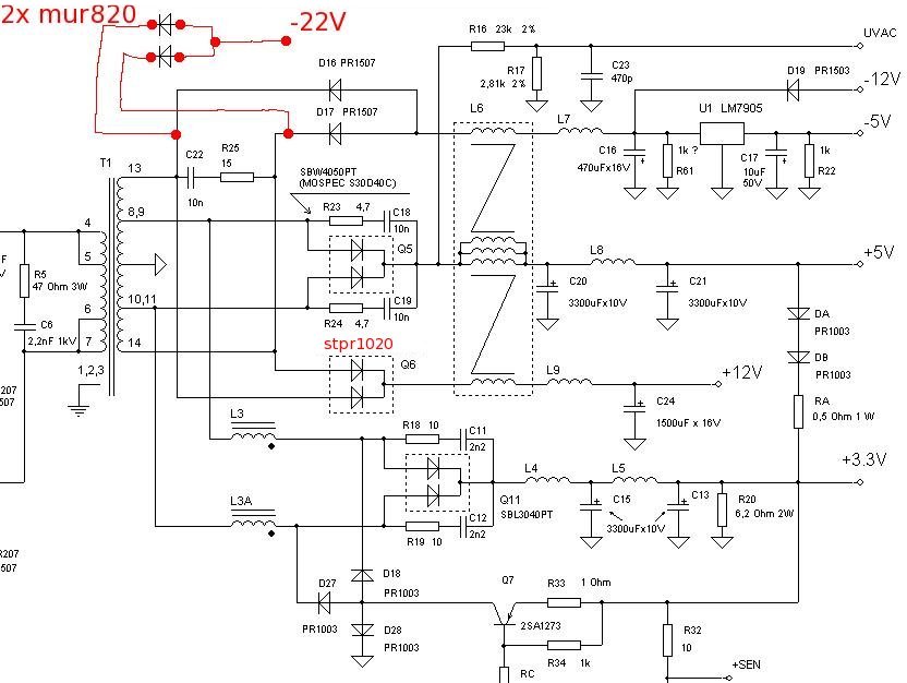
    [OFF]Помогите!!! Решил доработать ИБП от ПК - сделать (-/+12v). При первом включении рванул конденсатор фильтра, как оказалось вместо (-12) вольт (-22) , все остальные напряжения в норме. Внесённые изменения показаны красным.
    Как такое поправить?
    Миниатюры Миниатюры Нажмите на изображение для увеличения. 

Название:	my_ibp.jpg 
Просмотров:	1179 
Размер:	82.3 Кб 
ID:	3836  

  12. #391
    Давно не заходил
    Регистрация
    26.08.2005
    Сообщений
    2

    По умолчанию Re: Импульсные источники питания и преобразователи.

    Разобрался.
    Намотал обмотку к групповой стибилизации, поставил сопротивление на землю и перевёл стабилизацию на 12v...

  13. #392
    Давно не заходил Аватар для nik3451
    Регистрация
    03.01.2005
    Сообщений
    95

    По умолчанию Re: Импульсные источники питания и преобразователи.

    Мужики, очень нужна помощь в сооружении таких невероятных агрегатов как у вас.

    Вообщем нужен блок питания для двух канального усилителя по 200 Ватт в канал.
    Хотелось бы сделать один источник по полумостовой схеме на 400 Ватт, либо повторить предложенные вами, но тогда их нужно будет уже два по 200Ватт. (просто боюсь сразу браться за большую мощность, может плохо закончиться... я совсем начинающий)

    Вообщем для того что бы из предложенных вами схем сделать 400 Ватт, я так понимаю надо задаться поиском подходящих МОСФЕТОВ, рассчитать нужные емкости делителя (так как они напрямую как я понял зависят от тока протекающего в МОСФЕТАХ), ну и конечно рассчитать трансформатор.

    Хотелось бы с начала разобраться с частью до трансформатора.
    Для начала подобрать Мосфеты, левым глазом поглядывая на обвязку МС.
    Я так пончял МОСФЕТЫ берем
    1. по напряжению сток исток, из полемики понял что оптимально до 600 Вольт - должно хватить с головой),
    2. по току протекающему сток исток (я так понимаю это будет около 3 Ампер, не знаю как пощитать, буду признателен если подскажете).
    3. по емкости (тут не понятно чем руководствоваться)
    Напомню что мы хотели пааллельно взглянуть на обвязку мс. В полумостовой схеме присутствуют бутстрепный диод и емксоть, которая заряжаясь управляет одним из Мосфетов, я так понимаю эту емкость надо будет подгонять под конкретный Мосфет или это не существенно.
    Короче что с емкостью...


    Далее у нас идут емкости делителя, как рассчитать их, я уже говрил выше что они напрямую зависят от протекающего тока, а значит от мощности БП.

    Ко всему остальному вернемся позджее если можно было бы хорошо сразу разгрести то что есть....

    ЗАРАНЕЕ ОГРОМНОЕ СПАСИБО !!!
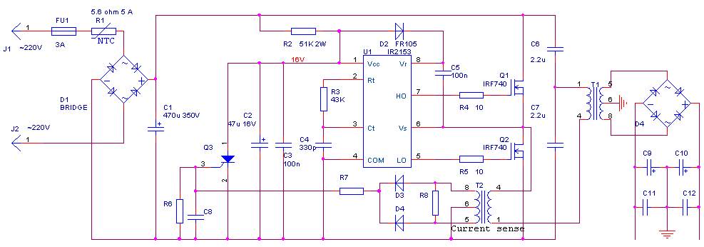
    p.s. Я так понял рабочие и хорошие агрегаты сделали TDA и witali

    Вот они....

    Наверно я их и возьму за основу с печтками и набитыми шишками...
    Миниатюры Миниатюры Нажмите на изображение для увеличения. 

Название:	500w.gif 
Просмотров:	1025 
Размер:	12.5 Кб 
ID:	3879   Нажмите на изображение для увеличения. 

Название:	ibp.GIF 
Просмотров:	3192 
Размер:	8.3 Кб 
ID:	3880  

  14. #393
    Давно не заходил Аватар для witali
    Регистрация
    21.02.2005
    Адрес
    Владимир
    Возраст
    49
    Сообщений
    880

    По умолчанию Re: Импульсные источники питания и преобразователи.

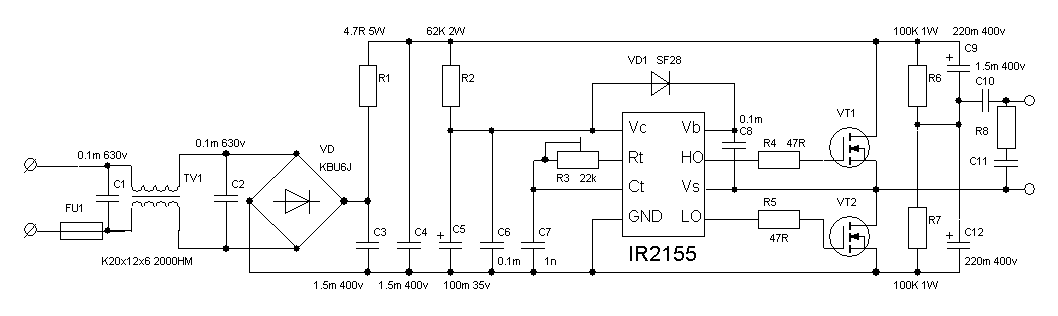
    Транзисторы я применял IPF840, далее, по бустрепной емкости...у меня стоит пленочный 0,47 мк, хватает, по емкости делителя....чтобы питать 2х8924 (2х240ватт) я ставил 680 мк

  15. #394
    Забанен (навсегда)
    Регистрация
    27.02.2005
    Адрес
    село Самбек
    Сообщений
    2,080

    По умолчанию Re: Импульсные источники питания и преобразователи.

    Цитата Сообщение от nik3451
    1. по напряжению сток исток, из полемики понял что оптимально до 600 Вольт - должно хватить с головой),
    Да, 500-600В оптимально. Ниже нельзя, выше нету смысла, потери больше.
    Цитата Сообщение от nik3451
    2. по току протекающему сток исток (я так понимаю это будет около 3 Ампер, не знаю как пощитать, буду признателен если подскажете).
    Пощитать ( ) просто: в полумосте напряжение на первичке равно половине питания, поэтому ток ключа средний за импульс будет мощность делить на половину питания. Ключи клацают поочереди, потому ток средний вообще будет ещё пополам, он самый важный. При пуске конденсаторы на выходе разряжены и в первый момент как нагрузка не отличаются от глухого к.з., пусковой ток надо ограничивать как-то схемно.
    Цитата Сообщение от nik3451
    3. по емкости (тут не понятно чем руководствоваться)
    С емкостями похитрее.
    В даташитах в таблице пишут про три ёмкости:
    1) Ciss - input capacitance, 2) Coss - output capacitance, 3) Crss - reverse transfer capacitance.
    Ниже среди прочих графиков нарисована зависимость этих емкостей (capacitance characteristics) от напряжения сток-исток (drain-sourse voltage), и на ней в правом верхнем углу расшифровано (сразу в переводе на по-нашему)
    Ciss = Сзи + Сзс
    Coss = Сси + Сзс
    Crss = Сзс.
    (1) самая большая, она влияет на задержку включения/выключения (turn-on delay time @ turn-off delay time), т.е. время от момента, когда драйвер начинает тянуть затвор, до момента, когда на стоке начнётся фронт переключения. Хоть она и самая большая, но на длительность фронта после задержки эта ёмкость почти не влияет,
    как это ни странно на первый взгляд.
    (2) в данном случае нас не интересует, она входит во внешниецепи инвертора.
    А вот (3) хоть и самая мелкая, но самая зловредная. Во время фронта через неё замыкается ООС со стока на затвор (т.н. эффект Миллера) и в основном именно эта ёмкость определяет длительность фронтов (turn-on rise time @ turn-off fall time).
    Ток перезаряда этой ёмкости Igd = Uпор/Rген, где пороговое напряжение ключа обычно около 6В, сопротивление генератора - это внутреннее сопротивление выхода драйвера + резистор в затворе. А скорость спада/нарастания напряжения на стоке во время фронта равна отношению этого тока к ёмкости затвор-сток
    di/dt = Igd/Cgd (V/mkS = A/mkF). Т.о. зная ток перезаряда и величину этой ёмкости можно легко на пальцах прикинуть, на какую длительность фронта можно расчитывать.

    Также в характеристиках переключения приводят заряды (в нанокулонах nC), накапливаемые в этих емкостях: Ciss - Qg (total gate charge), Crss - Qgd (gate-drain charge).

    Выыод: для задержки переключения важны ёмкость Ciss и заряд Qg, для длительности фронта переключения - ёмкость Crss и заряд Qgd, всё чем меньше, тем лучше. Причём часто последнее гораздо важнее. Например, у IRF840 Crss=120pF, а у близкого по току и напряжению FQP8N60C Crss=12pF. Ясно, что второй гораздо шустрей, но сопротивление канала у него чуть выше (1 Ом vs 0,8 Ом), всё имеет цену.

    По схемам:
    Ни в одной нет ничего для ограничения пускового тока.
    Во второй непонятные номиналы емкостей в питании инвертора.
    В первой в цепи заряда бутстрепной ёмкости стоит медленный диод FR. Туда нужен быстрый, например SF16.
    И для ограничения тока заряда входной ёмкости при подключении сети для большой мощности нужно что-то посерьёзней, например резистор, шунтируемый потом контактами реле.
    Обе схемы недоделаные.

  16. #395

    По умолчанию Re: Импульсные источники питания и преобразователи.

    лысый, привет!
    А чего бы не 400в мосфеты в полумост?

  17. #396
    Забанен (навсегда)
    Регистрация
    27.02.2005
    Адрес
    село Самбек
    Сообщений
    2,080

    По умолчанию Re: Импульсные источники питания и преобразователи.

    IVX, привет.
    Можно, но чуть скачок в сети и уже вплотную к пределу.

  18. #397
    Давно не заходил
    Регистрация
    10.09.2004
    Адрес
    Киев
    Возраст
    64
    Сообщений
    487

    По умолчанию Re: Импульсные источники питания и преобразователи.


    Дорогие сэры.
    Не подскажите ли обывателю как прикинуть (примерно посчитать) потребляемый пиковый ток от источника (УМЗЧ-ой с колонками).
    Если это было в предыдущем обсуждении, скажите, и я полистаю.
    И-нет у меня сейчас очень поганеько работает.

    С уважением.
    ES

    P.S. Интересная идея кажется в 5-м Радио за этот год. Использовать "электронный трансформатор" предназначенный для галогенок.

  19. #398
    Давно не заходил Аватар для witali
    Регистрация
    21.02.2005
    Адрес
    Владимир
    Возраст
    49
    Сообщений
    880

    По умолчанию Re: Импульсные источники питания и преобразователи.

    Этот трансформатор АЦТОЙно работает....пробовал 4 разных....шумит здорово

  20. #399
    Давно не заходил Аватар для nik3451
    Регистрация
    03.01.2005
    Сообщений
    95

    По умолчанию Re: Импульсные источники питания и преобразователи.

    Огромное спасибо witali
    Огромное спасибо лысый

    Вроде все пояснилось....
    Если не сложно witali отошлите мне пожалуйста свою печатку и схему с поправками, БУДУ ОЧЕНЬ ОЧЕНЬ ПРИЗНАТЕЛЕН.
    my mail: nik3451@mail.ru


    то лысый если вам не сложно обїясните так же популярно как подбиать бутстрепную емкость.
    Читаю щас литературу, очень туманно описіваеться, вроде как емкость должна быть достаточной что б открывать Мосфет, но в то же время не должна быть огромной так не бцдет успевать заряжаться........


    ЗАРАНЕЕ ОГРОМНОЕ СПАСИБО !!!!

  21. #400
    Давно не заходил Аватар для witali
    Регистрация
    21.02.2005
    Адрес
    Владимир
    Возраст
    49
    Сообщений
    880

    По умолчанию Re: Импульсные источники питания и преобразователи.

    Вопрос в том что схема только в голове.....
    печатка есть гдето на первых страницах
    (я сейчас дома через GPRS по этому искать не буду)
    найду чуть позже, кондер у меня стоит 068, керамика СМД, вчера собирал блок питания под усь который описан в классе Д

Страница 20 из 546 Первая ... 10181920212230 ... Последняя

Социальные закладки

Социальные закладки

Ваши права

  • Вы не можете создавать новые темы
  • Вы не можете отвечать в темах
  • Вы не можете прикреплять вложения
  • Вы не можете редактировать свои сообщения
  •