Страница 2 из 98 Первая 123412 ... Последняя
Показано с 21 по 40 из 1945

Тема: 500-700W Сетевой импульсник

  1. #1 Показать/скрыть первое сообщение.
    Частый гость
    Автор темы

    Регистрация
    01.03.2006
    Адрес
    Литва, Вильнюс
    Возраст
    41
    Сообщений
    175

    По умолчанию 500-700W Сетевой импульсник

    Давно почитываю сей форум, и вот надумал слепить собственный импульсник для усилов. Это полумостовая стабилизированная схема на LM5030 и IR2110, есть ограничения по току, мягкий запуск. Надо еще допроектировать обратную связь и посчитать трансформатор.
    Жду общих коментариев по топологии.
    Миниатюры Миниатюры Нажмите на изображение для увеличения. 

Название:	offline_psu_big2.GIF 
Просмотров:	31544 
Размер:	33.0 Кб 
ID:	15589  

  2. #21
    Частый гость
    Автор темы

    Регистрация
    01.03.2006
    Адрес
    Литва, Вильнюс
    Возраст
    41
    Сообщений
    175

    По умолчанию Re: 500-700W Сетевой импульсник

    Вот его самого на быстроходном опампе и планирую, дабы обеспечить нормальную линейность исходного сигнала, правда в выборе пока не определился толком, думаю посмотреть че нить из видео-опампов.


    Offтопик:
    Дык а от чего он питается ежели берет 3.6кВ ? У нас щас тоже валяется пару блоков от Гаматроник*а, от упсов, по 10кВА, 2 DIN, красиво сделано

  3. #22
    Новичок Аватар для Bender
    Регистрация
    28.12.2005
    Адрес
    Красногорск
    Сообщений
    1,595

    По умолчанию Re: 500-700W Сетевой импульсник

    Цитата Сообщение от VEC7OR Посмотреть сообщение
    Вот его самого на быстроходном опампе и планирую
    так я и спрашиваю на каком ОУ?


    Цитата Сообщение от VEC7OR Посмотреть сообщение
    Дык а от чего он питается ежели берет 3.6кВ
    контактная сеть железной дороги, по-моему чуть соврал там около 3.2кВ номинального, а по ТУ для преобраз. диапазон входного от 1.8 до 4.2кВ.

  4. #23
    Частый гость
    Автор темы

    Регистрация
    01.03.2006
    Адрес
    Литва, Вильнюс
    Возраст
    41
    Сообщений
    175

    По умолчанию Re: 500-700W Сетевой импульсник

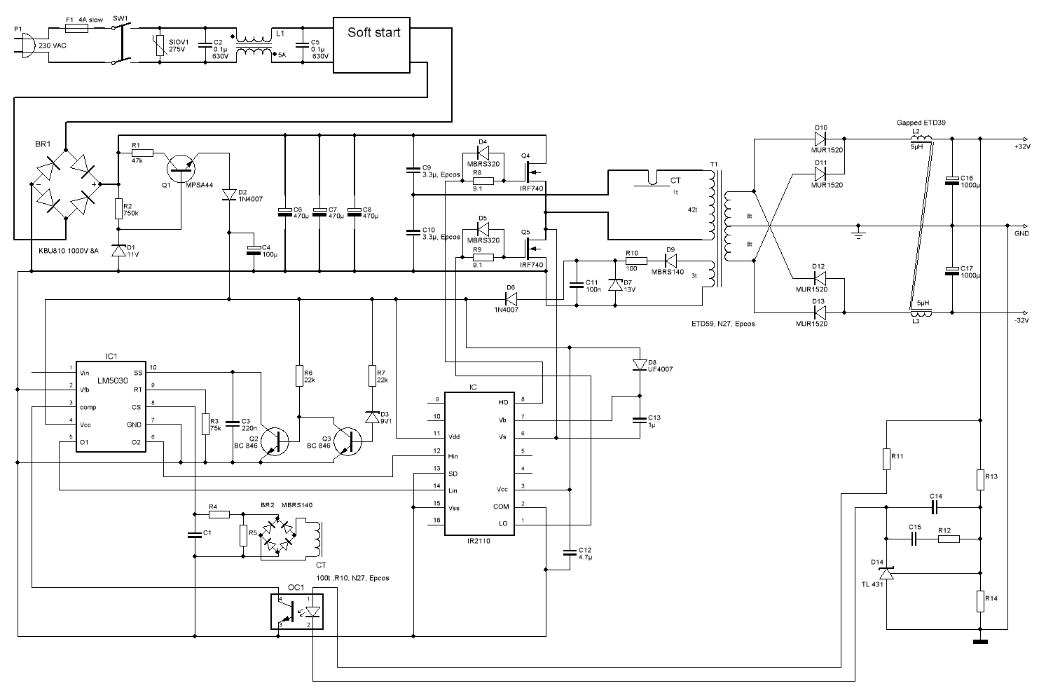
    Ну чтож, продолжим, ревизия 4.

    Поправил номиналы, переделал запуск, теперь транзистор регулятора не лопнет при старте.

    В тяпницо приедет феррит, диоды и низкоимпедансные кондеры на выход.

    Осталось тока откомпенсировать обратную связь и ограничитель тока.
    Думаю обратную связь посчитать по принципу ПИД управления.

    Трансформатор тока будет на колечке R10, максимальный ток измерения в районе 9А, ограничен насыщением, можно правда 2 раза пропустить в обмотку

    Насчет опампа пока не решил.
    Миниатюры Миниатюры Нажмите на изображение для увеличения. 

Название:	offline_psu_big_rev.1.4.GIF 
Просмотров:	1429 
Размер:	38.6 Кб 
ID:	16170  
    Последний раз редактировалось VEC7OR; 23.11.2006 в 03:04. Причина: Опамп

  5. #24
    Забанен (навсегда)
    Регистрация
    27.02.2005
    Адрес
    село Самбек
    Сообщений
    2,080

    По умолчанию Re: 500-700W Сетевой импульсник

    VEC7OR, параллельно цепи OC1-R11 надо бы добавить ещё резистор, иначе 431 будет всё время подсвечивать оптрон током своего питания, он всегда есть какой-то. И всю эту выходную цепь 431 лучше бы запитать от параметрического стабилизатора, а не прямо с выхода. Хотя бы потому, что ваши 32В очень близко к её предельному 36В, мало ли что при наладке и её может крякнуть.

  6. #25
    Частый гость
    Автор темы

    Регистрация
    01.03.2006
    Адрес
    Литва, Вильнюс
    Возраст
    41
    Сообщений
    175

    По умолчанию Re: 500-700W Сетевой импульсник

    В таком случае думаю можно поставить отдельный опамп и отдельную опору, так все можно покрутить и поменять, правда усложниться система. Например тот же NE5532 и LM326-5 и параметрик который ето все накормит. У ТЛки минимальный ток около 700 микроампер. Честно говоря мне щас больше дырку в голове проедает обратная связь, с таким фильтром напруга скакать будет дай дороги если управление кривое.

  7. #26
    Старый знакомый Аватар для Alex_Zhuravlyov
    Регистрация
    26.04.2006
    Адрес
    Украина
    Возраст
    46
    Сообщений
    771

    По умолчанию Re: 500-700W Сетевой импульсник

    Цитата Сообщение от VEC7OR Посмотреть сообщение
    В таком случае думаю можно поставить отдельный опамп и отдельную опору, так все можно покрутить и поменять, правда усложниться система. Например тот же NE5532 и LM326-5 и параметрик который ето все накормит. У ТЛки минимальный ток около 700 микроампер. Честно говоря мне щас больше дырку в голове проедает обратная связь, с таким фильтром напруга скакать будет дай дороги если управление кривое.
    а зачем вам вообще стабилизированное питания усилителя? для звука не есть гуд, лучше такая схема ккм>инвертор
    ONtOSbox

  8. #27
    Частый гость
    Автор темы

    Регистрация
    01.03.2006
    Адрес
    Литва, Вильнюс
    Возраст
    41
    Сообщений
    175

    По умолчанию Re: 500-700W Сетевой импульсник

    А что не так ? И кто сказал ? на DIYaudio народ в принципе за, да и шины пожеще выходят, напруга не проседает.
    С ККМ мне честно говоря лень возиться, вот стану большим и известным, тогда да

  9. #28
    Частый гость
    Автор темы

    Регистрация
    01.03.2006
    Адрес
    Литва, Вильнюс
    Возраст
    41
    Сообщений
    175

    По умолчанию Re: 500-700W Сетевой импульсник

    Набросал макет платы, пока в решал с основным расположением, силовые и т.д.
    Платка будет 20х20см, меньше не выходит, хачю чтоб все, что греется было на одном краю и будет закреплено на уголке.
    Миниатюры Миниатюры Нажмите на изображение для увеличения. 

Название:	PSU_prelim.GIF 
Просмотров:	1275 
Размер:	54.2 Кб 
ID:	16545   Нажмите на изображение для увеличения. 

Название:	01-12-06_1632.jpg 
Просмотров:	1480 
Размер:	62.3 Кб 
ID:	16547  

  10. #29
    Старый знакомый Аватар для strannicmd
    Регистрация
    28.04.2006
    Адрес
    Modena (I)
    Возраст
    62
    Сообщений
    903

    По умолчанию Re: 500-700W Сетевой импульсник

    VEC7OR,
    А дросель у Вас тоже на ЕТД собран? С зазором? Если да то он будет создавать наводки, что не очень хорошо для УМ..

  11. #30
    Новичок Аватар для Bender
    Регистрация
    28.12.2005
    Адрес
    Красногорск
    Сообщений
    1,595

    По умолчанию Re: 500-700W Сетевой импульсник

    Зачем столько кондёров на выходе? Вы же вроде стабилизорованный БП собираетесь делать? Как таким фильтром воротить бум? Как-то дороги длинноваты, и компоновка не очень.




    strannicmd, можно зазор экранировать полосой фольги и заземлить её, помогает.

  12. #31
    Старый знакомый Аватар для strannicmd
    Регистрация
    28.04.2006
    Адрес
    Modena (I)
    Возраст
    62
    Сообщений
    903

    По умолчанию Re: 500-700W Сетевой импульсник

    Bender,
    Цитата Сообщение от Bender Посмотреть сообщение
    можно зазор экранировать полосой фольги и заземлить её, помогает.
    Да я в курсе, просто намекал на то что можно использовать какой нибудь другой материал без зазора.., фольга ведь не перекроет всё..

  13. #32
    Частый гость
    Автор темы

    Регистрация
    01.03.2006
    Адрес
    Литва, Вильнюс
    Возраст
    41
    Сообщений
    175

    По умолчанию Re: 500-700W Сетевой импульсник

    Цитата Сообщение от strannicmd Посмотреть сообщение
    А дросель у Вас тоже на ЕТД собран? С зазором? Если да то он будет создавать наводки, что не очень хорошо для УМ..
    На нем самом, и с зазором. И оборачивать тоже будем.

    Цитата Сообщение от Bender Посмотреть сообщение
    Зачем столько кондёров на выходе? Вы же вроде стабилизорованный БП собираетесь делать? Как таким фильтром воротить бум? Как-то дороги длинноваты, и компоновка не очень.
    У мя они лежат мертвым грузом, да и задумывались давно в усил. Воротить любым можно, компенсатор позволяет.
    А длинные где ? на входе там где 220 входит, ну может, там где диоды, ну не.
    А компоновка где хромает ?

  14. #33
    Новичок Аватар для Bender
    Регистрация
    28.12.2005
    Адрес
    Красногорск
    Сообщений
    1,595

    По умолчанию Re: 500-700W Сетевой импульсник

    Цитата Сообщение от VEC7OR Посмотреть сообщение
    компенсатор позволяет.
    компенсатор чего?

    Цитата Сообщение от VEC7OR Посмотреть сообщение
    А компоновка где хромает ?
    плата большая, деталей мало, дороги необосновано петляют, не по мне это.
    Но, как говориться у "каждого додика своя методика", вырабатывайте свою

    зы: на фотке мой первый ИБП, с точки зрения схемотехники сейчас бы многое изменил, с точки зрения компоновки оставил бы всё как есть.
    4 по 250Вт не стабилизированный, после часа работы на полную мощность (1 кВт без ККМ просто жуть ) корпус нагрелся не более, чем на 45-50, просадка выходного под нагрузкой менее 10%. Вроде было около 5%, точно не помню, а врать не буду.
    Последний раз редактировалось Bender; 06.12.2006 в 18:23.

  15. #34
    Частый гость
    Автор темы

    Регистрация
    01.03.2006
    Адрес
    Литва, Вильнюс
    Возраст
    41
    Сообщений
    175

    По умолчанию Re: 500-700W Сетевой импульсник

    Цитата Сообщение от Bender Посмотреть сообщение
    плата большая, деталей мало, дороги необосновано петляют, не по мне это.
    Ну дык детали большие, потом напруга тоже не маленькая, плата без маски, надо расстояние между дорожками держать. Необоснованно петляют - ну хз, вроде все максимально короткое, разве что сетевой выпрямитель далеко от входа, еслиб все не вешал на один радиатор было бы явно проще.

    Компенсатор фазы есть такой, дает больший запас по фазе, можно иметь намного лучший отклик на изменение нагрузки. Я уже начертил диаграммы Боде для энтого блока, посмотрим как будет в реале.

    П.С. Ну на 250вт требования другие немного

  16. #35
    Новичок Аватар для Bender
    Регистрация
    28.12.2005
    Адрес
    Красногорск
    Сообщений
    1,595

    По умолчанию Re: 500-700W Сетевой импульсник

    Цитата Сообщение от VEC7OR Посмотреть сообщение
    П.С. Ну на 250вт требования другие немного
    и какие же требования для 250 Вт?
    входной то фильтр общий для для всех 4 модулей.

    компенсатор это конечно хорошо, но имхо чем меньше работы для всякого рода корректирующих(компенсирующих) узлов тем лучше.

    Цитата Сообщение от VEC7OR Посмотреть сообщение
    плата без маски, надо расстояние между дорожками держать
    конденсат на плате планируется осаждать?

    После монтажа плату отмыть, хорошенько пролачить, и можно навсегда забыть о расстояниях между дорожками.

  17. #36
    Частый гость
    Автор темы

    Регистрация
    01.03.2006
    Адрес
    Литва, Вильнюс
    Возраст
    41
    Сообщений
    175

    По умолчанию Re: 500-700W Сетевой импульсник

    Цитата Сообщение от Bender Посмотреть сообщение
    и какие же требования для 250 Вт?
    Транзисторы поменьше как то, колечки помеменьше, накопительные емкости поменьше, токи меньше, провода потоньше.

    Цитата Сообщение от Bender Посмотреть сообщение
    имхо чем меньше работы для всякого рода корректирующих(компенсирующих) узлов тем лучше
    Так они для этого и созданы, чтоб за выходом следить, они же и отвечают за то чтоб выход не болтался.

    Цитата Сообщение от Bender Посмотреть сообщение
    конденсат на плате планируется осаждать?
    Нет, но как то чувствуешь себя спокойнее.

  18. #37
    Новичок Аватар для Bender
    Регистрация
    28.12.2005
    Адрес
    Красногорск
    Сообщений
    1,595

    По умолчанию Re: 500-700W Сетевой импульсник

    Цитата Сообщение от VEC7OR Посмотреть сообщение
    Транзисторы поменьше как то
    , вообще-то там в каждом модуле пара 740х (итого 4 пары ), те же, что и вы планировали пользовать.

    Цитата Сообщение от VEC7OR Посмотреть сообщение
    колечки помеменьше
    с каждого применёного кольца можно влёгкую снять 500Вт



    Цитата Сообщение от VEC7OR Посмотреть сообщение
    провода потоньше.
    на этом не экономлю

    Цитата Сообщение от VEC7OR Посмотреть сообщение
    Так они для этого и созданы, чтоб за выходом следить, они же и отвечают за то чтоб выход не болтался.
    так-то оно конечно так, но я б всё равно в этом девайсе такую батарею на выход вешать не стал бы.

  19. #38
    Забанен (навсегда)
    Регистрация
    27.02.2005
    Адрес
    село Самбек
    Сообщений
    2,080

    По умолчанию Re: 500-700W Сетевой импульсник

    Цитата Сообщение от Bender Посмотреть сообщение
    зы: на фотке мой первый ИБП
    Коёбочка славная. Просто завалялась с лучших времён или где-то такое есть по сходной цене?

  20. #39
    Частый гость
    Автор темы

    Регистрация
    01.03.2006
    Адрес
    Литва, Вильнюс
    Возраст
    41
    Сообщений
    175

    По умолчанию Re: 500-700W Сетевой импульсник

    Я просто к тому что на 250Вт все попроще, там токи не такие большие и все такое, требования поменьше. (На фирме максимум собираем 300Вт, остальное наборное до 1-2кВт).

    А насчет батареи, мне тут еще перепали 3 банки недавно, две 33мФ на 40В и 22мФ на 75В, так вот их я точно думаю не ставить, мне их в корпус просто всунуть некуда будет, особенно эту вторую.

    Кстати народ, а вот чем можно легко и без перенедотраха снимать лак с проводов, у мя тут провод какой то нездоровый, 0.4мм и с него не особо слезает при протаскивании между дощечкой и широким жалом паяльника раскачегаренным до 450°, окунание в канифоль тож не помогает, ни ацетон ни уайт-спирит его не берут, остается аспирин, и какая то чача от ERSA котороя для того и заточена. А чем вы пользуетесь ?

  21. #40
    Новичок Аватар для Bender
    Регистрация
    28.12.2005
    Адрес
    Красногорск
    Сообщений
    1,595

    По умолчанию Re: 500-700W Сетевой импульсник

    лысый, коёбочка - эксклюзивный хэндмейд На нарезку ребёр ушёл целый день, т.к. боковые панели - люминь, гадость редкостная в плане металлорезания. Другое дело Д16, Д16Т , фреза как по маслу идёт.

    Самое ценное в девайсе , самому нравиться. Вот сфоткаю с другого ракурса, там где кнопка вкл/выкл и гнездо, там тоже немного извратился, но вышло красиво, по советски монументально.

    На счёт цены не знаю, сдаётся мне на заказ дорого бы вышло, дядь Вась за поллитру делающих "чертей лысых" практически не осталось.
    зы: прям каламбур получился.

    Цитата Сообщение от VEC7OR Посмотреть сообщение
    А чем вы пользуетесь ?
    скальпель, если лиц не жирный, то вполне подойдёт.
    Последний раз редактировалось Bender; 04.12.2006 в 12:47.

Страница 2 из 98 Первая 123412 ... Последняя

Социальные закладки

Социальные закладки

Ваши права

  • Вы не можете создавать новые темы
  • Вы не можете отвечать в темах
  • Вы не можете прикреплять вложения
  • Вы не можете редактировать свои сообщения
  •