Уважаемые друзья, всем привет!
Передо мной стоит задача сооружения бустера для музыкальных инструментов (преимущественно для гитары) с возможностью легкой сатурации; то есть цель это не получение звука а-ля овердрайв, а сохранение субъективно чистого звучания, обогащенного гармониками. Схема в принципе готова, но вышла она несколько не типичной для гитарных хрипелок, поэтому попробую обращаться к вам за помощью дозированно
Ну и первый каскад. Решил сделать его на истоковом повторителе с ГСТ по следующим причинам:
- высокое входное и низкое выходное сопротивления,
- высокая линейность,
- низкий уровень шума,
- возможность отвязаться от технологического разброса ПТ,
- буферированный байпас устройства (правда не решил буду ли вообще делать кнопку байпаса).
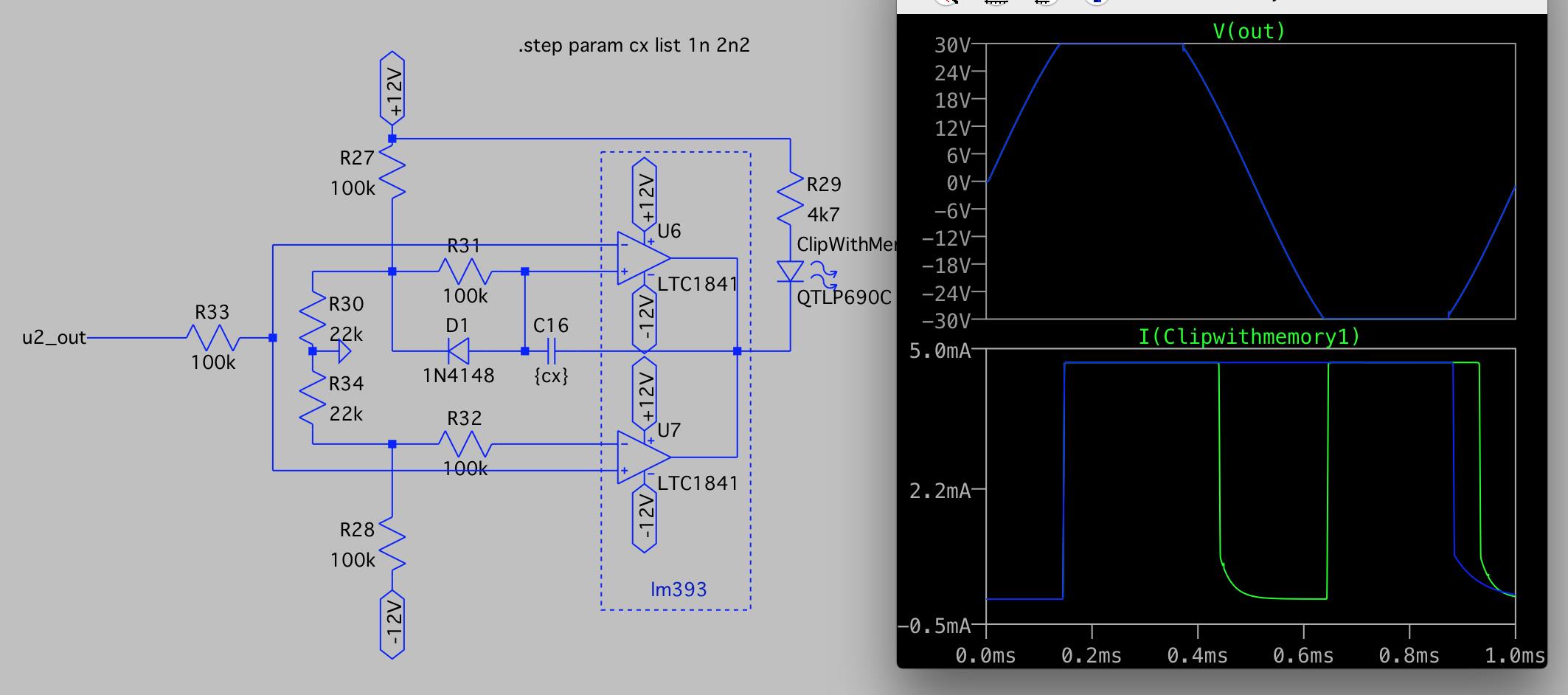
Также необходимость такого рода каскада возникла в связи с разбросом амплитуд сигнала разной гитарной электроники; одни в пике выдают 0,2 вольта, другие - до 2 вольт. Таким образом необходим регулятор чувствительности, чтоб с одной стороны не загнать схему в нелинейность, а с другой - получить необходимый уровень искажений. Тупо поставить потенциометр на вход - затея так себе, особенно с учетом гипотетических предшественников рассматриваемого устройства, имеющих высокое выходное сопротивление. Фрагмент схемы в приложении. Буду очень рад дельным советам и рекомендациям![]()
https://imgur.com/a/lqD64
Социальные закладки