Джентльмены, приветствую!
Имеется проблема - левая колонка звучит хуже правой. Звук грязноватый и зажатый, тише по громкости, бас сильно урезан, при большой громкости на низах подзванивает.
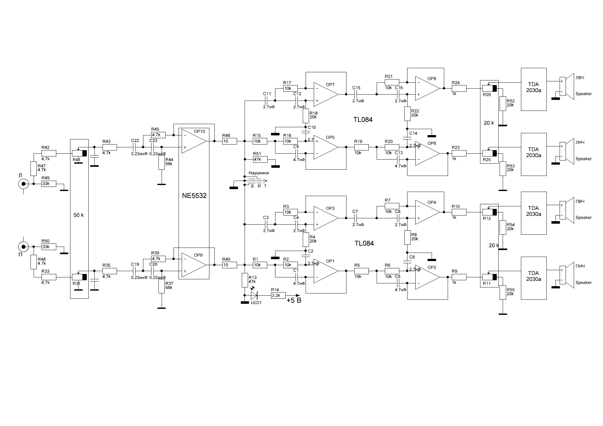
Биамп, активный фильтр 4 порядка. Темброблок на NE5532 и 2хTL084. Усилок на 4хTDA2030а.
Шунтирование питания всех микросхем 0,1 мкф, добавление электролитов в питание и замена ОУ на AD826 и 2хAD713 соответственно сделали общий звук детальнее и чище, но левый НЧ как звучал хуже, так и звучит.
Замена ТДА2030а левого НЧ звук не изменила. При подаче сигнала на НЧ каналы в обход темброблока слышно приблизительно одинаковое звучание, но при равных условиях не сравнивал - левая колонка открыта, т.к. в ней собственно усилитель.
Отрубить темброблок совсем не могу, т.к. там фильтрация на НЧ/ВЧ.
Кто знает, в чем может быть дело? Помогите!
Социальные закладки