Страница 2 из 583 Первая 123412 ... Последняя
Показано с 21 по 40 из 11650

Тема: ЦАП своими руками (пятая ветка)

  1. #1 Показать/скрыть первое сообщение.
    Регистрация не подтверждена
    Автор темы
    Аватар для Kompros
    Регистрация
    11.03.2003
    Сообщений
    1,405

    По умолчанию ЦАП своими руками (пятая ветка)


  2. #21
    Завсегдатай Аватар для Оллема
    Регистрация
    11.09.2005
    Сообщений
    3,858

    По умолчанию Re: ЦАП своими руками (пятая ветка)

    А трасики ставить после ЦАП - это обязательное условие? Особенно "интересен" вариант, когда резистор i/u большого сопротивления и после него транс 1:1 Вам транс - чтобы было?

  3. #22
    ★★★★★✰
    Регистрация
    11.02.2006
    Адрес
    Недоступно
    Сообщений
    2,303

    По умолчанию Re: ЦАП своими руками (пятая ветка)

    Трансики уже есть, и активный фильтр городить не хочется (упрощение конструкции).
    Хочется - просто, качественно и с трансиками

  4. #23
    Завсегдатай Аватар для Оллема
    Регистрация
    11.09.2005
    Сообщений
    3,858

    По умолчанию Re: ЦАП своими руками (пятая ветка)

    Цитата Сообщение от s3tup Посмотреть сообщение
    Трансики уже есть, и активный фильтр городить не хочется (упрощение конструкции).
    Хочется - просто, качественно и с трансиками
    Может обратите внимание на пост № 9 тут: https://forum.vegalab.ru/showthread....8B%D1%82%D1%8C

  5. #24
    Завсегдатай Аватар для Mammonth
    Регистрация
    02.09.2006
    Адрес
    Магнитогорск
    Возраст
    59
    Сообщений
    1,052

    По умолчанию Re: ЦАП своими руками (пятая ветка)

    Цитата Сообщение от s3tup Посмотреть сообщение
    Проблема в том, что трансики - 1:1,...
    Что лучше, и стоит ли заморачиваться?...
    Вариант к рассмотрению: I/U на AD844 из схемы "Peter Gun" + Ваш трансик

  6. #25
    Джем
    Регистрация
    10.08.2008
    Адрес
    Харьков
    Возраст
    63
    Сообщений
    2,165

    По умолчанию Re: ЦАП своими руками (пятая ветка)

    Цитата Сообщение от Mammonth Посмотреть сообщение
    Вариант к рассмотрению: I/U на AD844 из схемы "Peter Gun" + Ваш трансик
    Не вариант.

  7. #26
    Завсегдатай Аватар для Mammonth
    Регистрация
    02.09.2006
    Адрес
    Магнитогорск
    Возраст
    59
    Сообщений
    1,052

    По умолчанию Re: ЦАП своими руками (пятая ветка)

    Цитата Сообщение от Djemshut Посмотреть сообщение
    Не вариант.
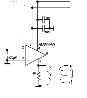
    Мотивируйте, пож-та, почему нет?!
    Миниатюры Миниатюры Нажмите на изображение для увеличения. 

Название:	I-U.jpg 
Просмотров:	840 
Размер:	17.2 Кб 
ID:	129138  
    Последний раз редактировалось Mammonth; 20.07.2011 в 11:21. Причина: дополнить

  8. #27
    Джем
    Регистрация
    10.08.2008
    Адрес
    Харьков
    Возраст
    63
    Сообщений
    2,165

    По умолчанию Re: ЦАП своими руками (пятая ветка)

    Mammonth, а что там мотивировать? посмотрите внимательно, откуда снимается сигнал в Рогове.

  9. #28
    Завсегдатай Аватар для Mammonth
    Регистрация
    02.09.2006
    Адрес
    Магнитогорск
    Возраст
    59
    Сообщений
    1,052

    По умолчанию Re: ЦАП своими руками (пятая ветка)

    Цитата Сообщение от Djemshut Посмотреть сообщение
    ... откуда снимается сигнал в Рогове.
    Вы на вопрос ответа корректного так и не дали... !
    Наглядно объяснил, куда трансик подключить предлагаю:
    параллельно резистора I/U - вот с него и снимается сигнал!
    Вот и расскажите вслух "почему вот так НЕЛЬЗЯ?!" ,
    а я Вас с интересом послушаю...
    С уважением!

  10. #29
    Завсегдатай Аватар для Delta213
    Регистрация
    23.01.2006
    Адрес
    Астрахань
    Сообщений
    5,366

    По умолчанию Re: ЦАП своими руками (пятая ветка)

    Подскажите как лучше сделать, вопрос по кондерам питания в поствильтре.
    Наваял платку постфильтра, в питании на каждый опер после стабилизатора стоит: резистор 1 Ом, электролит 100х25 (на выходном буфере 220х25), фкп2 10н, нога микрухи. Так вот, после 10н и ногой дорога 5мм примерно, ближе двигать к ноге 10н не стал, чтобы кондер не упирался в колодку. Теперь вопрос, а не поставить ли прямо на ногу опера нпо 3,3н (есть в наличии), хотя бы на опера в и/у? Могу даже штуки 4 на ногу поставить, бутербродом по два на сторону. Что скажете?
    Подчиненный перед лицом начальствующим должен иметь вид лихой и придурковатый, дабы разумением своим не смущать начальство.
    Указ Петра I от 09.12.1709:

  11. #30
    Завсегдатай Аватар для Eugene Balakin
    Регистрация
    24.12.2004
    Адрес
    Киев
    Возраст
    60
    Сообщений
    1,573

    По умолчанию Re: ЦАП своими руками (пятая ветка)

    Цитата Сообщение от Mammonth Посмотреть сообщение
    Вы на вопрос ответа корректного так и не дали... !
    Наглядно объяснил, куда трансик подключить предлагаю:
    параллельно резистора I/U - вот с него и снимается сигнал!
    Вот и расскажите вслух "почему вот так НЕЛЬЗЯ?!" ,
    а я Вас с интересом послушаю...
    С уважением!
    Да можно, конечно - в чем проблема?
    И есть очевидная возможность легко подогнать номиналы под имеющийся трансформатор. Поскольку в данном случае мы не ограничены значением максимального напряжения, приложенного к токовому выходу мс цап.
    С уважением
    Евгений Балакин

  12. #31
    Регистрация не подтверждена
    Регистрация
    05.08.2004
    Адрес
    Piter
    Сообщений
    4,846

    По умолчанию Re: ЦАП своими руками (пятая ветка)

    Цитата Сообщение от Mammonth Посмотреть сообщение
    Мотивируйте, пож-та, почему нет?!








    Миниатюры
    Круче даже не так, а чтобы транс и был резистором IU. Только нужно разобраться со сложными вопросами частотной характеристики сопротивления первички транса, чтобы обеспечить для AD844 нужный импеданс на всех частотах (я это не осилил).

  13. #32
    Джем
    Регистрация
    10.08.2008
    Адрес
    Харьков
    Возраст
    63
    Сообщений
    2,165

    По умолчанию Re: ЦАП своими руками (пятая ветка)

    Цитата Сообщение от ZugDuk Посмотреть сообщение
    обеспечить для AD844 нужный импеданс на всех частотах (я это не осилил)
    Ты хотел обмануть законы физики?
    Плюс постоянка- как бороться будем? Балансировка штатными средствами ОУ скорее всего не поможет. В общем, если есть желание потоптаться по граблям- вэлкам.

    Mammonth, человек задал конкретный вопрос : https://forum.vegalab.ru/showthread....=1#post1339522

    внимательно читайте посты, а потом уже давайте советы.

  14. #33
    Завсегдатай Аватар для Mammonth
    Регистрация
    02.09.2006
    Адрес
    Магнитогорск
    Возраст
    59
    Сообщений
    1,052

    По умолчанию Re: ЦАП своими руками (пятая ветка)

    Цитата Сообщение от Djemshut Посмотреть сообщение
    Mammonth, человек задал конкретный вопрос :
    внимательно читайте посты, а потом уже давайте советы.
    А с чего решили, что читать не умею?! Чел желает присобачить транс 1:1 и мной предложенный вариант, считаю, наиболее приемлемым решением, т.е. позволяет снять сигнал номинального значения, далее его только умощнить буферным каскадом, а не "городить огород" в виде (цит.): "Проблема в том, что трансики - 1:1, т.е. либо использовать большой резистор в I/U, либо использовать маленький + усилитель после трансика."

    Offтопик:
    p.s. в очередной раз убеждаюсь в том, что если у кого-то сообщений за тысячу перевалило, то вероятен факт, что большая часть из них - высокомерный, циничный флуд и не более того, в этой теме Вы трижды отписались, но не о чём! Чисто по человечески, без всяческий подколов, спросил "как у спеца" и что в ответ?! Да ничего! Бла - бла - бла... Будьте здоровы! Да и мне как-то фиолетово, куда там трансик чел из Израиля воткнёт, ему, похоже, так же до своего же заданного вопроса...

  15. #34
    Джем
    Регистрация
    10.08.2008
    Адрес
    Харьков
    Возраст
    63
    Сообщений
    2,165

    По умолчанию Re: ЦАП своими руками (пятая ветка)

    Mammonth, вместо того, чтобы обижатья, почитали бы ветку по Рогову. Там все разжевано.
    Цитата Сообщение от s3tup Посмотреть сообщение
    хочу прикрутить к ЦАПу (разные ЦАПы, с токовым выходом).
    условие РАЗ.
    Много цапов, с токовым выходом до 1 мА включительно и с 0 в центре шкалы? Если же выходной ток больше 1 мА - то 844-е желателно параллелить. Как их балансировать в таком случае?

    Цитата Сообщение от s3tup Посмотреть сообщение
    На сколько пагубно скажется присутствие постоянки (пол шкалы ЦАПа) на трансике, нужно убирать?
    условие ДВА. Здесь нужно ставить подтягивающие резисторы, однако точно в "0" сместить выходной ток ЦАПа не получится >> опять постоянка на трансформаторе.

  16. #35
    Старый знакомый Аватар для Analog
    Регистрация
    20.12.2009
    Адрес
    СПб
    Сообщений
    737

    По умолчанию Re: ЦАП своими руками (пятая ветка)

    Цитата Сообщение от Delta213 Посмотреть сообщение
    Подскажите как лучше сделать, вопрос по кондерам питания в поствильтре.
    Наваял платку постфильтра, в питании на каждый опер после стабилизатора стоит: резистор 1 Ом, электролит 100х25 (на выходном буфере 220х25), фкп2 10н, нога микрухи. Так вот, после 10н и ногой дорога 5мм примерно, ближе двигать к ноге 10н не стал, чтобы кондер не упирался в колодку. Теперь вопрос, а не поставить ли прямо на ногу опера нпо 3,3н (есть в наличии), хотя бы на опера в и/у? Могу даже штуки 4 на ногу поставить, бутербродом по два на сторону. Что скажете?
    Интересно на эскиз ПП посмотреть. Стабилизатор какого типа?
    Думаю, что для буфера можно взять сопротивление поменьше раза в два-три. Лучше предусмотреть возможность установки обоих типов шунтов. А затем отслушать и решить, какой более интересно играет. Хотя с NP0 места экономится на ПП очень замечательно.

  17. #36
    Завсегдатай Аватар для Mammonth
    Регистрация
    02.09.2006
    Адрес
    Магнитогорск
    Возраст
    59
    Сообщений
    1,052

    По умолчанию Re: ЦАП своими руками (пятая ветка)

    Цитата Сообщение от Djemshut Посмотреть сообщение
    Mammonth, вместо того, чтобы обижатья, почитали бы ветку по Рогову. Там все разжевано.

    условие РАЗ.
    Много цапов, с токовым выходом до 1 мА включительно и с 0 в центре шкалы? Если же выходной ток больше 1 мА - то 844-е желателно параллелить. Как их балансировать в таком случае?
    Не считайте себя умнее остальных, про "Рогова" разжёвано и мной, ессно, прочитано!
    Основная масса мультибитных ЦАПов с токовым значением выхода 1 мА (AD1851-61-62 ,BB PCM58, PCM1702 и т.д.), совсем редко с бОльшим (BB PCM1704,PCM63), а где автор вопроса конкретизирует, что много "ЦАПов в парралель или какой именно ЦАП?" Или он их всех, разных, в одну кучу собирается слепить?! Из его вопроса понятно лишь одно, что у него имеются разные ЦАПы и вот к ним он желает "как-то, сам не знает как, пристроить свои трансики 1:1" и всё! Вот если бы он объявился и уточнил, к чему конкретному, то может быть и встал бы вопрос " а как балансировать 2-е AD844?"...(если это PCM63 к примеру!) Вынужден упомянуть авторитетного конструктора (извини Сергей, в дискуссию ты решил не ввязываться, вынужден...) - автор "Рогова" SergioT эксплуатирует данный каскад, но с иным ОУ и повышающим трансиком и очень восхищён его звучанием!... Вот если бы Вы на своём примере сообщили: "как Вы пытались и это никак НЕ возможно!", чего собственно от Вас и ждал, а так - то ж мне "теоретик"

  18. #37
    Завсегдатай Аватар для SergioT
    Регистрация
    02.12.2004
    Адрес
    Сан-Марино
    Сообщений
    1,052

    По умолчанию Re: ЦАП своими руками (пятая ветка)

    Цитата Сообщение от Mammonth Посмотреть сообщение
    автор "Рогова" SergioT эксплуатирует данный каскад, но с иным ОУ и повышающим трансиком и очень восхищён его звучанием!... Вот если бы Вы на своём примере сообщили: "как Вы пытались и это никак НЕ возможно!", чего собственно от Вас и ждал, а так - то ж мне "теоретик"
    не не секундочку, у меня есть выхлоп собранный на трансике но он не рогов. Преобразование просто на резисторе. А так схема с трансиком 1:1 после рогова вполне работоспособна и вполне возможно что такая реализация будет хорошо звучать в виду того что ФНЧ реализован на трансе + гальваническая развязка.
    Цитата Сообщение от Djemshut Посмотреть сообщение
    Много цапов, с токовым выходом до 1 мА включительно и с 0 в центре шкалы? Если же выходной ток больше 1 мА - то 844-е желателно параллелить. Как их балансировать в таком случае?
    Раз пошла такая пьянка отбалансировать можно хотя процедура чуть сложнее чем с одной микрухой.

    Единственную проблему с намагничиванием которую умозрительно можно увидеть в такой реализации (рогов + транс) это момент включения выключения.
    Мелочи не имеют решающего значения, мелочи решают все

  19. #38
    Старый знакомый Аватар для eclipsevl
    Регистрация
    31.01.2009
    Адрес
    Гаага
    Возраст
    31
    Сообщений
    516

    По умолчанию Re: ЦАП своими руками (пятая ветка)

    Цитата Сообщение от Djemshut Посмотреть сообщение
    Здесь нужно ставить подтягивающие резисторы, однако точно в "0" сместить выходной ток ЦАПа не получится >> опять постоянка на трансформаторе.
    Думаю получится, если использовать интегратор.

  20. #39
    Завсегдатай Аватар для Mammonth
    Регистрация
    02.09.2006
    Адрес
    Магнитогорск
    Возраст
    59
    Сообщений
    1,052

    По умолчанию Re: ЦАП своими руками (пятая ветка)

    Цитата Сообщение от SergioT Посмотреть сообщение
    не не секундочку, у меня есть выхлоп собранный на трансике но он не рогов. Преобразование просто на резисторе. А так схема с трансиком 1:1 после рогова вполне работоспособна и вполне возможно что такая реализация будет хорошо звучать в виду того что ФНЧ реализован на трансе + гальваническая развязка.

    Offтопик:
    Сергей, спасибо, что откликнулся!
    Не правильно истолковал твой ответ, потому как вёл с тобой речь именно о данном каскаде! Но в любом случае - спасибо, твоё мнение Djemshut уж не станет подвергать критике! (Eugene Balakin и ZugDuk он услышать не пожелал...) С уважением!

  21. #40
    Завсегдатай Аватар для Максим
    Регистрация
    24.03.2004
    Адрес
    город у моря
    Возраст
    54
    Сообщений
    2,186

    По умолчанию Re: ЦАП своими руками (пятая ветка)

    Цитата Сообщение от SergioT Посмотреть сообщение
    А так схема с трансиком 1:1 после рогова вполне работоспособна и вполне возможно что такая реализация будет хорошо звучать в виду того что ФНЧ реализован на трансе + гальваническая развязка.
    К тому же здесь просматривается выход для использования Рогова с цапами типа 1853 - можно осуществить суммирование трансом 1+1:1 и избавиться от сумматора на ОУ.
    Pioneer MU-70 - Technics EPA-A501M/B500 - Goldring G1042/G1022GX - Marantz SC-11/SM-11 - TQWTmk2 by Troels G.

Страница 2 из 583 Первая 123412 ... Последняя

Социальные закладки

Социальные закладки

Ваши права

  • Вы не можете создавать новые темы
  • Вы не можете отвечать в темах
  • Вы не можете прикреплять вложения
  • Вы не можете редактировать свои сообщения
  •