Страница 2 из 5 Первая 1234 ... Последняя
Показано с 21 по 40 из 86

Тема: SPDIF выход

  1. #1 Показать/скрыть первое сообщение.
    Частый гость
    Автор темы

    Регистрация
    08.02.2010
    Сообщений
    163

    По умолчанию SPDIF выход

    посоветуйте пожалуйста, как правильно получить SPDIF коаксиал из источника?
    имеется TTL сигнал.
    прямое подключение через 75 ом вызывает большие сомнения, к тому же нет развязки с приемником.

    насколько разные варианты и качество их элементов (с буфером, с трансформатором) влияет на качество передачи, в частности, размытие сцены?
    передается только 16/44.
    вроде бы существует множество схем, но на чем остановиться...

    спасибо
    Последний раз редактировалось vitsomeo; 06.11.2010 в 11:37.

  2. #21
    Завсегдатай Аватар для aal
    Регистрация
    04.11.2004
    Адрес
    пос. Краснообск, Новосибирская область
    Возраст
    53
    Сообщений
    2,854

    По умолчанию Re: SPDIF выход

    Мне очень понравился вариант на 74хх74, его Никитин предлагал: автоматом пересинхронизация SPDIF выхода, симметрирование помех по питанию и более удачная работа с трансом. ИМХО. Сам делал на ад1485 и 74hc244 (один буфер повторителем-усилителем, а три канала работали на транс). Второй вариант дешевле , а по качеству соизмерим с первым. ИМХО

  3. #22
    Старый знакомый Аватар для AleXH
    Регистрация
    23.11.2011
    Сообщений
    785

    По умолчанию Re: SPDIF выход

    aal, спасибо за оценку вариантов, а то вариантов реализаций выходов множество, а их недостатки и преимущества ясны лишь специалистам с опытом. Выход SPDIF Алексея Никитина на 74hc74 я видел, но в моём цапе мастерклок выделяется диркой, поэтому он не подошёл. Ваш вариант на 74hc244 чем-то лучше схемы №3 Алексея Никитина на 74hc86, или схемы №1 на 74hc04? И если нетрудно, то дайте, пожалуйста, ссылку на саму схему, я её 4-ой подошью в тот пост, пусть людям в помощь будет.

    Если параллелить цепочки из элемента с 74hc(04,244 и тд.) и резистора, как на схеме №1 - не приводит ли это к размытию фронтов импульса из-за не одновременного срабатывания элементов?

  4. #23
    Завсегдатай Аватар для Denisius
    Регистрация
    02.02.2007
    Адрес
    ПИТЕР
    Сообщений
    1,585

    По умолчанию Re: SPDIF выход

    74LVC2G74 вместо 74HC74

  5. #24
    Завсегдатай Аватар для aal
    Регистрация
    04.11.2004
    Адрес
    пос. Краснообск, Новосибирская область
    Возраст
    53
    Сообщений
    2,854

    По умолчанию Re: SPDIF выход

    посмотри...

    ИМХО на 74hc86 получше моего варианта по помехам.
    Миниатюры Миниатюры Нажмите на изображение для увеличения. 

Название:	SPDIF_IO.PNG 
Просмотров:	1584 
Размер:	60.6 Кб 
ID:	168583  
    Вложения Вложения

  6. #25
    Старый знакомый Аватар для steel_monkey
    Регистрация
    30.11.2008
    Адрес
    Санкт-Петербург
    Возраст
    38
    Сообщений
    811

    По умолчанию Re: SPDIF выход

    Если говорить о cost-no-object реализации, то, вероятно, имело бы смысл буферизовать выхол чем-то вроде АД811, так как у логики при переключении может меняться выходное сопротивление, что для линии 100+ МГц не очень хорошо.

  7. #26
    Старый знакомый Аватар для AleXH
    Регистрация
    23.11.2011
    Сообщений
    785

    По умолчанию Re: SPDIF выход

    1. Может кто-нибудь объяснить, почему в схемах поста 16 №3 используется резистивный делитель 1:3, а в №1 1:4.4? Ведь в обоих случаях используются одинаковые трансформаторы 1:1 и напряжение на входе делителя равно TTL уровню.

    2. Правильно ли я понимаю, что в схемах №2 и №4 размах сигнала на входе делителя в 2 раза больше, чем у схем №1 и №3? Если это так, то почему резистивные делители у схем №3 и №4 одинаковы?

  8. #27
    Не хочу! Аватар для Alex
    Регистрация
    20.03.2003
    Адрес
    Worldwide
    Возраст
    63
    Сообщений
    39,096

    По умолчанию Re: SPDIF выход

    Цитата Сообщение от AleXH Посмотреть сообщение
    №3 используется резистивный делитель 1:3, а в №1 1:4.4? Ведь в обоих случаях используются одинаковые трансформаторы 1:1 и напряжение на входе делителя равно TTL уровню.
    Трудно сказать, в схеме 1 амплитуда перед делителем вдвое меньше чем в схеме 3, а делитель на четверть больше. В результате с первой схемы сигнал в кабеле будет примерно в 3 раза меньше.

    Цитата Сообщение от AleXH Посмотреть сообщение
    Правильно ли я понимаю, что в схемах №2 и №4 размах сигнала на входе делителя в 2 раза больше, чем у схем №1 и №3?
    В схеме 2 размах такой-же как и в схеме 1, и он в 2 раза менше чем в схемах 3 и 4.

    Схему 2 я вообще не очень понимаю, помоему там ерунда нарисована. схемы 3 и 4 с точки зрения амплитуд практически одинаковые.
    "Замполит, чайку?"(с)"Охота за Красным Октябрем".
    "Да мне-то что, меняйтесь!"(с)анек.
    <-- http://altor1.narod.ru --> Вопросы - в личку, е-мейл, скайп.

  9. #28
    Завсегдатай Аватар для yan
    Регистрация
    21.12.2004
    Адрес
    Чебоксары
    Возраст
    47
    Сообщений
    1,266

    По умолчанию Re: SPDIF выход

    Цитата Сообщение от AleXH Посмотреть сообщение
    №3 используется резистивный делитель 1:3, а в №1 1:4.4
    В первой схеме на горячие концы 680 ом подаётся один и тот же сигнал, фактически эти резисторы включены параллельно и могут быть рассмотрены как один резистор на 340 Ом.

    При расчёте коэффициента деления вы, похоже, забыли учесть входное сопротивление кабеля. R1=(680||680)=340 R2=(100||75)=43, K=(340+43)/43 - ближе к 10, чем к 4,4.

  10. #29
    Новичок
    Регистрация
    26.09.2010
    Адрес
    PRM
    Сообщений
    20

    По умолчанию Re: SPDIF выход

    Скажите, допускается ли передача коаксиально от одного источника сигнала на два приемника? Если тупо соединить коаксиальный выход блюрей с цапом и ресивером? Или объзательна какая-то развязка? Спасибо

  11. #30
    Частый гость Аватар для Alexhase
    Регистрация
    19.01.2010
    Адрес
    Тверь
    Возраст
    42
    Сообщений
    265

    По умолчанию Re: SPDIF выход

    Цитата Сообщение от linzo Посмотреть сообщение
    Скажите, допускается ли передача коаксиально от одного источника сигнала на два приемника? Если тупо соединить коаксиальный выход блюрей с цапом и ресивером? Или объзательна какая-то развязка? Спасибо
    Можно соединить один выход SPDIF с двумя приемниками, главное чтобы линия была грамотно сделана, т.е. коаксиальный кабель 75 Ом. Без развязки. но желательно в корпусе источника сделать переключение на каждый приемник, например с помощью реле.
    Сделай настолько просто, насколько это возможно, но не проще. Альберт Эйнштейн.

  12. #31
    Новичок
    Регистрация
    26.09.2010
    Адрес
    PRM
    Сообщений
    20

    По умолчанию Re: SPDIF выход

    А если без реле просто соединить и все?

  13. #32
    Не хочу! Аватар для Alex
    Регистрация
    20.03.2003
    Адрес
    Worldwide
    Возраст
    63
    Сообщений
    39,096

    По умолчанию Re: SPDIF выход

    Цитата Сообщение от linzo Посмотреть сообщение
    А если без реле просто соединить и все?
    А если "просто соединить и всё", то тут так - оно может работать вполне нормально, но не обязано.

    Потому как теоретически оно неправильно (нет согласования импедансов), но при определенном сочетании мощности выхода, чувствительности приемников, длины и типа кабелей - может и работать.

    Ты бы давно уже мог попробовать и рассказать конкретный результат. В любом случае, это результат в других условиях может быть иным.
    "Замполит, чайку?"(с)"Охота за Красным Октябрем".
    "Да мне-то что, меняйтесь!"(с)анек.
    <-- http://altor1.narod.ru --> Вопросы - в личку, е-мейл, скайп.

  14. #33
    Новичок
    Регистрация
    26.09.2010
    Адрес
    PRM
    Сообщений
    20

    По умолчанию Re: SPDIF выход

    Я переживаю, чтоб не погорело ничего, попробовать то всегда успею

  15. #34
    Регистрация не подтверждена Аватар для Maverick
    Регистрация
    12.05.2006
    Адрес
    г.Запорожье (UA)
    Возраст
    57
    Сообщений
    116

    По умолчанию Re: SPDIF выход

    Привет участникам ветки!
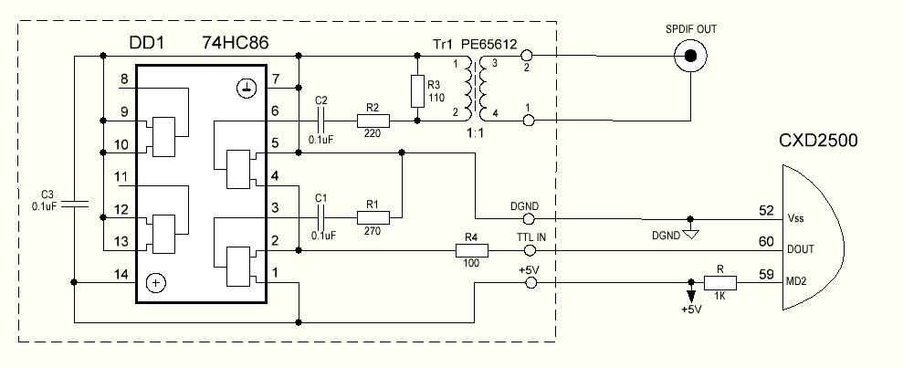
    Передо мной тоже встала задача организации SPDIF выхода в своем CD-проигрывателе по случаю сбора внешнего ЦАП. Есть Onkyo DX-7210, в котором штатно такого выхода нет. Прочитал все посты этой ветки, по итогам обсуждений выбрал схему 3 из поста 16, предложенную Алексеем Никитиным. Прорисовал ее подробно с подключением к ЦСП Онкио, развел платку (все во вложении) - может кому будет полезно. Покритикуйте, может быть чтото упустил - делаю такой апгрейд впервые.
    Миниатюры Миниатюры Нажмите на изображение для увеличения. 

Название:	SPDIF_OUT_3.jpg 
Просмотров:	985 
Размер:	69.9 Кб 
ID:	170740   Нажмите на изображение для увеличения. 

Название:	SPDIF_OUT 3 from Alex Nikitin.png 
Просмотров:	2511 
Размер:	16.6 Кб 
ID:	170741  
    Вложения Вложения

  16. #35
    Завсегдатай Аватар для aal
    Регистрация
    04.11.2004
    Адрес
    пос. Краснообск, Новосибирская область
    Возраст
    53
    Сообщений
    2,854

    По умолчанию Re: SPDIF выход

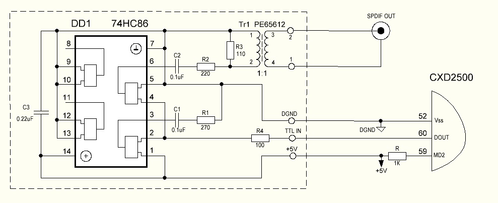
    По питанию можно и 0,1 оставить - зачем плодить номенклатуру комплектации....

  17. #36
    Регистрация не подтверждена Аватар для Maverick
    Регистрация
    12.05.2006
    Адрес
    г.Запорожье (UA)
    Возраст
    57
    Сообщений
    116

    По умолчанию Re: SPDIF выход

    Цитата Сообщение от aal Посмотреть сообщение
    По питанию можно и 0,1 оставить - зачем плодить номенклатуру комплектации....
    ОК, спасибо, исправил.
    Миниатюры Миниатюры Нажмите на изображение для увеличения. 

Название:	SPDIF_OUT_3.jpg 
Просмотров:	1371 
Размер:	69.9 Кб 
ID:	170746  

  18. #37
    Не хочу! Аватар для Alex
    Регистрация
    20.03.2003
    Адрес
    Worldwide
    Возраст
    63
    Сообщений
    39,096

    По умолчанию Re: SPDIF выход

    Цитата Сообщение от linzo Посмотреть сообщение
    Я переживаю, чтоб не погорело ничего, попробовать то всегда успею
    Перегореть не перегорит, оно и короткого замыкания не боится.
    "Замполит, чайку?"(с)"Охота за Красным Октябрем".
    "Да мне-то что, меняйтесь!"(с)анек.
    <-- http://altor1.narod.ru --> Вопросы - в личку, е-мейл, скайп.

  19. #38
    Завсегдатай Аватар для BC
    Регистрация
    27.10.2003
    Адрес
    деревня Гадюкино
    Сообщений
    3,111

    По умолчанию Re: SPDIF выход

    Хорошая схема. Неоднократно делал, обычно без транса.
    ремонт Hi-Fi/Hi-End аппаратуры.

  20. #39
    Регистрация не подтверждена Аватар для Maverick
    Регистрация
    12.05.2006
    Адрес
    г.Запорожье (UA)
    Возраст
    57
    Сообщений
    116

    По умолчанию Re: SPDIF выход

    Цитата Сообщение от BC Посмотреть сообщение
    Хорошая схема. Неоднократно делал, обычно без транса.
    Транс все же оставлю, так как передаваться сигнал будет по кабелю на внешний ЦАП - здесь развязывающий не помешает...

  21. #40
    Не хочу! Аватар для Alex
    Регистрация
    20.03.2003
    Адрес
    Worldwide
    Возраст
    63
    Сообщений
    39,096

    По умолчанию Re: SPDIF выход

    А какой смысл во втором элементе, выход которого садится через RC на землю?
    Выровнять потребление микросхемы?
    Почему не посадить его на второй вывод первички транса, оторвав его от земли, и скорректировав резисторы чтобы напряжение осталось тем-же на выходе?
    Помоему, там было бы гораздо логичнее, если уж использовать 7486.
    "Замполит, чайку?"(с)"Охота за Красным Октябрем".
    "Да мне-то что, меняйтесь!"(с)анек.
    <-- http://altor1.narod.ru --> Вопросы - в личку, е-мейл, скайп.

Страница 2 из 5 Первая 1234 ... Последняя

Социальные закладки

Социальные закладки

Ваши права

  • Вы не можете создавать новые темы
  • Вы не можете отвечать в темах
  • Вы не можете прикреплять вложения
  • Вы не можете редактировать свои сообщения
  •