Страница 198 из 546 Первая ... 188196197198199200208 ... Последняя
Показано с 3,941 по 3,960 из 10911

Тема: Импульсные источники питания и преобразователи.

  1. #1 Показать/скрыть первое сообщение.
    Регистрация не подтверждена
    Автор темы
    Аватар для TDA
    Регистрация
    30.10.2004
    Адрес
    Люберцы
    Возраст
    40
    Сообщений
    1,190

    По умолчанию Импульсные источники питания и преобразователи.

    Приветствую!
    Раньше помоему тут небыло темы в которой обсуждались бы только ИБП и преобразователи напряжения.
    Щас меня интересует эта схема полумостового ИБП
    Последний раз редактировалось лысый; 09.03.2007 в 19:59.

  2. #3941
    Завсегдатай
    Регистрация
    19.10.2008
    Адрес
    Город плохих снов
    Сообщений
    2,245

    По умолчанию Re: Импульсные источники питания и преобразователи.

    Цитата Сообщение от spiridonoff Посмотреть сообщение
    Можно ли в затвор просто резистор и какой номинал , или лучше вернуть биполяры ?
    Сопротивление для затвора находится по очень простой формуле Rg=Vg*ton/ Qg
    Время открытия транзистора ton берите 100нсек. Qg из даташита на транзистор. Ток в импульсе открытия транзистора равен Vg/ Rg. Пример - берём транзистор 11NK40Z Qg=35nC Rg=12В*0,0000001сек/0,000000035Кл=34.28Ом ток в импульсе 12В/34,28Ом=0,35А. берём транзистор STW20NK50Z Qg=95nC Rg=12В*0,0000001сек/0,000000095Кл=12.63Ом ток в импульсе 12В/12.63=0,95А.
    Помнится мне что ток, который обеспечивает 2153 равен 250мА. Теперь Вам должно быть понятно, почему у Вас горят STW20NK50Z.


    Цитата Сообщение от spiridonoff Посмотреть сообщение
    может и действительно на музыкальном сигнале перегрева и не будет, но хочется чтобы и на резистор не так грелся
    Вам когда надо забить гвоздь Вы берёте молот или молоток?
    Вы определитесь что Вы будете питать реальный УНЧ или «виртуальный» резистор. Ну не надо долговременных 450Ват для УНЧ. Провидите эксперимент, пощупайте своими руками радиаторы, почешите затылок и может следующий ИБП будет уже не с большими радиаторами.

    У меня ИБП питает две S90 через два UcD2.5, так в этом ИБП на 2153 11NK40Z без радиатора вообще, и не чего полтора года отпахал, не жалуется. Ради точности скажу что в этом ИБП трансформатор с малым током х.х. и при большой нагрузке этот ИБП переходит в режим мягкого переключения ключей.

  3. #3942
    Частый гость
    Регистрация
    03.02.2010
    Адрес
    Россия Таганрог
    Возраст
    52
    Сообщений
    448

    По умолчанию Re: Импульсные источники питания и преобразователи.

    Цитата Сообщение от uriy Посмотреть сообщение
    Помнится мне что ток, который обеспечивает 2153 равен 250мА. Теперь Вам должно быть понятно, почему у Вас горят STW20NK50Z.
    То есть 2153 не обеспечивает ток для нормального открытия ключей ? А увеличение резисторов приводит к тому что затворы не успевают разрядиться через ИРку и получаем пробой, я правильно понимаю ? По формуле, которую Вы привели, у меня получается для 840-ых Rg=12*0.0000001/0.000000063=19 Om

    ---------- Добавлено в 19:16 ---------- Предыдущее сообщение в 17:50 ----------

    Попробовал 20 Ом, не тянет Ирка, щёлкает . Ток то 0,63А.
    Последний раз редактировалось spiridonoff; 30.05.2010 в 18:11.

  4. #3943
    Завсегдатай
    Регистрация
    19.10.2008
    Адрес
    Город плохих снов
    Сообщений
    2,245

    По умолчанию Re: Импульсные источники питания и преобразователи.

    Цитата Сообщение от spiridonoff Посмотреть сообщение
    А увеличение резисторов приводит к тому что затворы не успевают разрядиться через ИРку и получаем пробой, я правильно понимаю ?
    Пробой чего? Силовых транзисторов или 2153? Ладно.
    Для правильного и полного понимания находим - Б. Ю. Семенов. Силовая электроника: от простого к СJIОЖНОМУ. ¬ М.: СОЛОН¬Пресс, 2005. ¬ 416 с.: ил. (Серия «Библиотека инженера) ISBN 5¬98003¬223¬ 1 Внимательно читаем со стр 124 по стр140, про драйвер типа 2153 читаем со стр 333 по 340. И очень внимательно стр 338-340. В книге есть все ответы. Книга 416 листов, а вы хотите объяснения длиной в четыре предложения.


    Цитата Сообщение от spiridonoff Посмотреть сообщение
    По формуле, которую Вы привели, у меня получается для 840-ых
    У IRF840 Qg= от 40nC до 60nC. Надо учитывать ещё пару ёмкостей. Но тем не менее у 840 Qg меньше чем у 20NK50

  5. #3944
    Частый гость
    Регистрация
    03.02.2010
    Адрес
    Россия Таганрог
    Возраст
    52
    Сообщений
    448

    По умолчанию Re: Импульсные источники питания и преобразователи.

    Спасибо, скачаю почитаю. Вообще я наверное последую Вашему совету и попробую на реальный усь с музыкальным сигналом , может и действительно не так уж и сильно будет греться, всё таки не класс А

    ---------- Добавлено в 21:38 ---------- Предыдущее сообщение в 20:54 ----------

    Может я не так меряю ? Я резистор подключаю не к обоим плечам, а на +и- минуя землю, хотя... Подключил к выходу вместо резисторов утюг , у него сопротивление 33 Ом по тестеру. На выходе 140в ( между + и -), получается ток 140/33=4,24А, 140в*4,24а=593Вт , держит на ура, но через минуту градусов 80 на радиаторе, хотя утюг нагрелся куда больше . А если включаю на какое нибудь одно плечо всё нормально ,радиатор тёплый но не горячий и стоит долго градусов 40-45. Но получается 70в/33 Ом=2,22а т.е 148 Вт в плечо. Извиняюсь что выношу Вам мозг, но у меня уже голова кипит.

    [

  6. #3945
    Завсегдатай
    Регистрация
    19.10.2008
    Адрес
    Город плохих снов
    Сообщений
    2,245

    По умолчанию Re: Импульсные источники питания и преобразователи.

    Цитата Сообщение от spiridonoff Посмотреть сообщение
    На выходе 140в ( между + и -), получается ток 140/33=4,24А, 140в*4,24а=593Вт ,
    У Вас что тестер не меряет постоянный ток?

    Если грубо то правильно вы считаете, просто надо знать чему равно сопротивление горячего утюга а не холодного. Нагрузите утюг через УНЧ и не морочьте себе голову, вот когда транзисторы будут горячие при работе на УНЧ, вот тогда и забивайте голову.
    Голова у Вас кипит видимо по тому что мощность у Вас при понижении напряжения в два раза уменьшается не в два а в четыре раза. Если мощность на нагрузке выразить через напряжение то Pн=Vн*Vн/Rн. Из формулы видно что уменьшение напряжения в два раза приведёт к снижению мощность в четыре.

  7. #3946
    Частый гость
    Регистрация
    03.02.2010
    Адрес
    Россия Таганрог
    Возраст
    52
    Сообщений
    448

    По умолчанию Re: Импульсные источники питания и преобразователи.

    Окей, спасибо ! Буду подключать усь .

    ---------- Добавлено в 22:09 ---------- Предыдущее сообщение в 21:57 ----------

    Цитата Сообщение от uriy Посмотреть сообщение
    У Вас что тестер не меряет постоянный ток?
    На цифровом сгорел предохранитель по токовому входу, надо будет заменить, а Цэ-шка только до 1,5А.

  8. #3947
    Частый гость
    Регистрация
    15.04.2008
    Адрес
    Харьков
    Сообщений
    263

    По умолчанию Re: Импульсные источники питания и преобразователи.

    После замены сердечника (с неизвестного на 2700), транзисторов (с 460 на 450) и электролитов ( с 1000 поднял до 2200) частично решились и проблемы с помехами. Транзисторы не перегреваются. Из помех остается выброс на фронте (там до замены феррита вообще были несколько периодов затухающих колебаний). Ставил цепочку 100ом и 1Н. Горят 100 ом, а меньше емкость ничего не дает (ее посчитать можно?). После диодов вижу явный звон на переключениях. Бусинки не одевал пока. Там достаточно одной на общем катоде? При 50 кгц она подавит звон? Помеха где-то около 400 мв. Пульсации по 50 гц не смотрел особо. Они в норме.

  9. #3948
    Частый гость
    Регистрация
    03.02.2010
    Адрес
    Россия Таганрог
    Возраст
    52
    Сообщений
    448

    По умолчанию Re: Импульсные источники питания и преобразователи.

    Цитата Сообщение от Адександр Посмотреть сообщение
    Ставил цепочку 100ом и 1Н. Горят 100 ом, а меньше емкость ничего не дает
    У меня было то же самое, поэтому убрал. Зря не зря не знаю, пробовал и 470пф, резюк тогда холодный, но толку ноль. А что такое бусинки ?

  10. #3949
    Завсегдатай
    Регистрация
    19.10.2008
    Адрес
    Город плохих снов
    Сообщений
    2,245

    По умолчанию Re: Импульсные источники питания и преобразователи.

    Цитата Сообщение от Адександр Посмотреть сообщение
    Помеха где-то около 400 мв.
    А если так?
    Вложение 87309

  11. #3950
    Завсегдатай
    Регистрация
    19.10.2008
    Адрес
    Город плохих снов
    Сообщений
    2,245

    По умолчанию Re: Импульсные источники питания и преобразователи.

    Цитата Сообщение от Адександр Посмотреть сообщение
    При 50 кгц она подавит звон?
    Немного. У меня стоят параллельно каждому диоду 10Ом 10нФ, выходное напряжение плеча 40Вольт, резистор не греется.

  12. #3951
    Частый гость
    Регистрация
    15.04.2008
    Адрес
    Харьков
    Сообщений
    263

    По умолчанию Re: Импульсные источники питания и преобразователи.

    Цитата Сообщение от uriy Посмотреть сообщение
    Немного. У меня стоят параллельно каждому диоду 10Ом 10нФ, выходное напряжение плеча 40Вольт, резистор не греется.
    Ну такие цепочки трудно уже сейчас разместить. А бусины вешать лучше на аноды, на катод, или и туда и туда?

    ---------- Добавлено в 10:11 ---------- Предыдущее сообщение в 10:10 ----------

    Цитата Сообщение от uriy Посмотреть сообщение
    А если так?
    Вложение 87309
    Легко. Физику поясни.

    ---------- Добавлено в 10:14 ---------- Предыдущее сообщение в 10:11 ----------

    Цитата Сообщение от spiridonoff Посмотреть сообщение
    А что такое бусинки ?
    Ферритовое маленькое колечко или цылиндрик с дырдочкой внутри. Эквивалент 0,5 витка.

    ---------- Добавлено в 10:26 ---------- Предыдущее сообщение в 10:14 ----------

    Физика работы RC цепочки понятна. Там емкость должна "впитать в себя ту энергию, которую отдает обмотка транса в момент окончания фронта импульса. Круче фронт, выше иголка. Заваленый фронт - мягче выброс. А резистор ограничивает ток заряда конденсатора, чтобы он не зарядился полностью к моменту окончания фронта. Если это верно, то должет там работать просто меньший конденсатор с одетыми не ноги бусинками. Возможно с резистором в пару ом. Как Вы думаете?

  13. #3952
    Частый гость
    Регистрация
    20.10.2009
    Адрес
    Калуга
    Сообщений
    247

    По умолчанию Re: Импульсные источники питания и преобразователи.

    Цитата Сообщение от Адександр Посмотреть сообщение
    Ферритовое маленькое колечко или цылиндрик с дырдочкой внутри. Эквивалент 0,5 витка.
    Почему 0,5витка ? Все равно ведь где нибудь замкнется и будет 1виток.

  14. #3953
    Частый гость
    Регистрация
    15.04.2008
    Адрес
    Харьков
    Сообщений
    263

    По умолчанию Re: Импульсные источники питания и преобразователи.

    Кто замкнется?
    Продетый в него вывод - эквивалент 0,5 витка

  15. #3954
    Завсегдатай
    Регистрация
    19.10.2008
    Адрес
    Город плохих снов
    Сообщений
    2,245

    По умолчанию Re: Импульсные источники питания и преобразователи.

    Цитата Сообщение от Адександр Посмотреть сообщение
    Если это верно, то должет там работать просто меньший конденсатор с одетыми не ноги бусинками. Возможно с резистором в пару ом. Как Вы думаете?
    Думаю нет. Индуктивность не пропускает ток в нулевой момент времени, а ёмкость на оборот.

    Цитата Сообщение от Адександр Посмотреть сообщение
    Легко. Физику поясни.
    Вечером если не забуду выложу книгу, на пальцах – ёмкость замыкает помеху с выхода на вход ИБП, просто помехе легче пойти на вход ИБП.

  16. #3955
    Завсегдатай
    Регистрация
    19.10.2008
    Адрес
    Город плохих снов
    Сообщений
    2,245

    По умолчанию Re: Импульсные источники питания и преобразователи.

    Цитата Сообщение от Адександр Посмотреть сообщение
    Кто замкнется?
    Продетый в него вывод - эквивалент 0,5 витка
    Ток замкнется, что и будет эквивалентно одному витку.
    Есть такое правило - сколько раз провод вошел в кольцо столько витков и намотано.
    Книгу прикрепил стр63-66. Вложение 87364

  17. #3956
    Частый гость
    Регистрация
    15.04.2008
    Адрес
    Харьков
    Сообщений
    263

    По умолчанию Re: Импульсные источники питания и преобразователи.

    Спасибо. Читаю.

  18. #3957
    Завсегдатай
    Регистрация
    19.10.2008
    Адрес
    Город плохих снов
    Сообщений
    2,245

    По умолчанию Re: Импульсные источники питания и преобразователи.

    Цитата Сообщение от Адександр Посмотреть сообщение
    Легко.
    Пульсации снизились?

  19. #3958

    Идея! Re: Импульсные источники питания и преобразователи.

    Доброе время суток
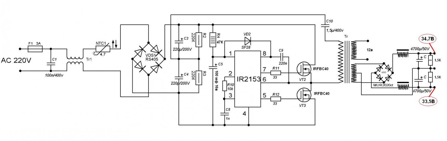
    еще раз возращаюсь со своим импульсником, вродь все нормально, работает
    ну вот возникла следующая проблема, на выходе на двух обмотках получается разность напряжений в 1,2 вольта, чем это может быть вызвано? транс перематывал раз пять обмоточьки индентичны.
    и еще напряжение скачит 30,1......30,3,
    во вторичьке стоит мост, кондеры, паралельно им резисторы 1,5к, дроселя на жолтых колечьках от компа по 22 витка на каждом.
    вот схема
    Миниатюры Миниатюры Нажмите на изображение для увеличения. 

Название:	400W ver 1.0.jpg 
Просмотров:	393 
Размер:	77.3 Кб 
ID:	87386  

  20. #3959
    Старый стал, ленивый Аватар для Starichok
    Регистрация
    02.05.2010
    Адрес
    Псков
    Возраст
    74
    Сообщений
    3,293

    По умолчанию Re: Импульсные источники питания и преобразователи.

    Транзит, если разность напряжений наблюдается на холостом ходу, могут быть 2 причины. 1. емкость конденсаторов разная, хотя они одного номинала. 2. у дросселей получилась разная индуктивность, хотя по виду колечки одинаковые. попробуй дать нагрузку и посмотри под нагрузкой. Должна разница пропасть. Если разница останется, то есть какой-то косяк.
    Последний раз редактировалось Starichok; 01.06.2010 в 10:34.

  21. #3960
    Завсегдатай
    Регистрация
    19.10.2008
    Адрес
    Город плохих снов
    Сообщений
    2,245

    По умолчанию Re: Импульсные источники питания и преобразователи.

    Цитата Сообщение от Tranzit Посмотреть сообщение
    ну вот возникла следующая проблема, на выходе на двух обмотках получается разность напряжений в 1,2 вольта,
    Каким прибором измеряете напряжение? Судя по схеме у Вас проблема с измерительным прибором, а не с ИБП.

Страница 198 из 546 Первая ... 188196197198199200208 ... Последняя

Социальные закладки

Социальные закладки

Ваши права

  • Вы не можете создавать новые темы
  • Вы не можете отвечать в темах
  • Вы не можете прикреплять вложения
  • Вы не можете редактировать свои сообщения
  •