Приветствую!
Раньше помоему тут небыло темы в которой обсуждались бы только ИБП и преобразователи напряжения.
Щас меня интересует эта схема полумостового ИБП
Приветствую!
Раньше помоему тут небыло темы в которой обсуждались бы только ИБП и преобразователи напряжения.
Щас меня интересует эта схема полумостового ИБП
Последний раз редактировалось лысый; 09.03.2007 в 19:59.
Как бы Вам объяснить... вообщем стабилизатор не успевает отреагировать на изменения нагрузки, т.е на пики в реальном музыкальном сигнале, на синусе да ,супер .Вот и получается ,если обобщённо :пошёл пик,стаб не успел поднять напругу, пик прошёл он поднял, и это называется не звук ,а игра в догонялки. Всё быстродействие усилителя ,к которому так стремятся разработчики усилков будет сведено на нет. В звуке появятся дополнительные призвуки, исчезнет острота реакции на динамику сигнала.Вообщем звук станет смазанным и не интересным, кстати и мощности стаб не добавит ввиду того что борется с просадкой когда это уже не нужно. Возможно есть какие-то супербыстродействующие стабилизаторы но... Надеюсь объяснил популярно.
если уж очень хочется стабилизированное питание для УНЧ - то самым оптимальным есть связка: ККМ в качестве предстабилизатора и дальше полумост или мост, но это уже совсем другое устройство![]()
ONtOSbox
То есть вообще без них, как в классической схеме ?
---------- Добавлено в 15:43 ---------- Предыдущее сообщение в 15:31 ----------
Может действительно взять от транса 12 В , выпрямить получится 16,8В и через резюк дать на внутренний стабилитрон, пусть он сам делает что ему хочется.Или как у всех от основного выпрямителя. Всё это значительно упростит схему, но улучшит ли ?
Последний раз редактировалось spiridonoff; 06.05.2010 в 15:56.
Да я и сам уже об этом подумываю. Просто если получить с него 200Вт, то я думаю тут проблем нет, схема довольно проста. Но я же пытаюсь получить 500-600Вт, вот поэтому и затеял весь этот гемор.Опыта нет, а я уже на такие мощности полез
,но он мне нужен не только для интереса.
---------- Добавлено в 16:13 ---------- Предыдущее сообщение в 16:11 ----------
Короче буду упрощать, посмотрю что получится, пощупаю его.![]()
Вобщем облом у меня с этими праздниками, в Харькове где скуплялся знакомый закрыты магазины в связи с празниками
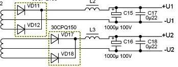
В моем же магазине могу достать 20CTQ150 и 30CTQ150, другого выбора щас нетМожно ли взять сделать два одинаковых напряжения на них и соединить последовательно тем самым получить двуполярное?
либо думаю пока сделать "мини" вариант с подручных средств, а именно 150мкф кондер, ирф840 и кд213А?
вот еще говорят что 1 мкф кондера в первичной цепи = 1Вт выходной мощности, а что будет к примеру если у меня возникнет перегруз, например кондер 150мкф, я а в пике сниму 250Вт?
Если частота преобразования не более 40кГц то думаю можно и на кд213А.
Схему нарисуйте, и покажите.
Можно использовать 20CTQ150 как один диод объединив аноды в месте, дороговато но выбор у Вас не большой.
Всё зависит от длительности пика, чем короче по времени пик, тем меньше будет просадка напряжения по выходу.
Это будет слишком шикарно паралелить внутренние диоды. Читал в интерлавке писали что так можно делать....что скажете? недостаток - в два раза больше вторички мотать, но это не беда!
Уважаемые, подскажите вых диоды в TO220 корпусе на (15А напряжения +-85В)? HFA15TB60 у нас пока нет....
Последний раз редактировалось superamplifier; 06.05.2010 в 23:50.
Чем молоток лучше отвёртки, или наоборот? В 2153 внутри есть драйверы верхнего и нижнего ключей, что оч. удобно.
Во всех случаях (ну почти), когда это пытается сделать чел без достаточного опыта. Стабилизированный преобразователь - это не просто зацепил ОС с выхода и вот оно щасте, там реально разбираться нада что к чему, куда, как и почему.
Почитал, возникли вопросы, а для чего использовать в БП микросхему совсем не предназначенную для этого, я о 215х, не проще было бы купить БУ компьютерный блок питания, и использовать детали из него? Тем более в современных все обходится одним контроллером, и ККМ и полумост, или же просто перемотать трансформатор и получить свое напряжение?
тем более что счас в основном БП выдает 12 вольт, а 3.3, 5, -5, -12 получают при помощи вторичных преобразователей? Возьмите теже Termaltake и подобные?
это где ты видел ккм и полумост?
ккм и прямоход
Потихоньку движется моя работа. Намотал первичку транса 2 проводами по 0.8 мм 27 Витков.
Транс расчитывал под частоту 70кГц. Вот только не знаю как RC частотозадающей цепочкой запутался. По графику даташита смотрел путаюсь в нем.
На печати поставил подстроечник, может им в тоге подстроить под минимальную просадку, либо лучше сразу поставить RC цепь расчитанного номинала? Каков будет номинал резистора, если кондер на 1n?
Социальные закладки