Страница 183 из 546 Первая ... 173181182183184185193 ... Последняя
Показано с 3,641 по 3,660 из 10911

Тема: Импульсные источники питания и преобразователи.

  1. #1 Показать/скрыть первое сообщение.
    Регистрация не подтверждена
    Автор темы
    Аватар для TDA
    Регистрация
    30.10.2004
    Адрес
    Люберцы
    Возраст
    40
    Сообщений
    1,190

    По умолчанию Импульсные источники питания и преобразователи.

    Приветствую!
    Раньше помоему тут небыло темы в которой обсуждались бы только ИБП и преобразователи напряжения.
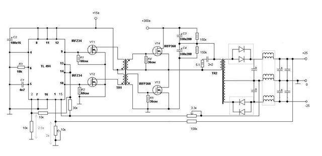
    Щас меня интересует эта схема полумостового ИБП
    Последний раз редактировалось лысый; 09.03.2007 в 19:59.

  2. #3641
    Завсегдатай
    Регистрация
    19.10.2008
    Адрес
    Город плохих снов
    Сообщений
    2,245

    По умолчанию Re: Импульсные источники питания и преобразователи.

    R1 R2 уменьшить в сто раз, а лучше вообще отказаться.
    У Вас получается, что микросхема начинает работать на много раньше, чем реле закоротит свой контакт, но это не основной недостаток, самый не правильный элемент схемы это выходной выпрямитель. У Вас нагрузка не симметричная будет, к примеру 0,2сек на плюсовом плече потом 0,2 сек на минусовом плече, я ведь правильно понимаю что это ИБП для УНЧ? Ток одной лампочки можно приблизительно посчитать по формуле P=U*I I=P/U итого 100Ват/220В=0,45А или лучше всего ток помереть прибором когда лампочка горит, или же сопротивление одно горячей лампочки равно 484 Ома, а не 47Ом, итого ваши расчёты в десять раз отличаются от реальности. Получается что мощность на которой Вы проверяли свой ИБП = 50Ват, и вот тогда действительно всё тёпленькое.

  3. #3642
    Частый гость
    Регистрация
    20.10.2009
    Адрес
    Калуга
    Сообщений
    247

    По умолчанию Re: Импульсные источники питания и преобразователи.

    Цитата Сообщение от spiridonoff Посмотреть сообщение
    мерял то тестером, но даже если и меняется при нагреве , то я думаю что не в два же три раза)
    А вы попробуйте измерить сопротивление лампочки скажем на 100ватт , а потом посчитайте какой ток будет протекать через лампочку при напряжении 220в и какая мощность у Вас получится. Будете неприятно удивлены

  4. #3643
    Частый гость
    Регистрация
    03.02.2010
    Адрес
    Россия Таганрог
    Возраст
    52
    Сообщений
    448

    По умолчанию Re: Импульсные источники питания и преобразователи.

    Ё моё, а слона то я и не приметил! А ведь действительно похоже лопухнулся с замерами. Буду ковырять дальше.

    ---------- Добавлено в 00:44 ---------- Предыдущее сообщение в 00:38 ----------

    Цитата Сообщение от uriy Посмотреть сообщение
    R1 R2 уменьшить в сто раз, а лучше вообще отказаться.
    Получается софтстарт вообще не нужен?
    Цитата Сообщение от uriy Посмотреть сообщение
    самый не правильный элемент схемы это выходной выпрямитель
    Согласен, но это потом.

  5. #3644
    Завсегдатай
    Регистрация
    19.10.2008
    Адрес
    Город плохих снов
    Сообщений
    2,245

    По умолчанию Re: Импульсные источники питания и преобразователи.

    Цитата Сообщение от spiridonoff Посмотреть сообщение
    Получается софтстарт вообще не нужен?
    Это не софт старт, это причина перегорания ключей, через насыщение трансформатора. У Вас при медленном заряде входной ёмкости появляется асимметрия напряжения на ёмкостном делителе.
    Насколько я знаю, то мягким стартом называют режим ШИМ микросхемы когда микросхема изменяет коэффициент заполнения импульсов от Dmin до Dnom, как это делает 2153 ума не приложу, резистор в той цепи о которой мы говорим ставят чтоб диоды не перегорели в момент заряда входной ёмкости. Если сделаете чтоб микросхема включалась позже чем зарядится входная ёмкость, тогда есть шанс что можно включать ИБП с 200 Ватной нагрузкой и микросхема не сгорит, но повторюсь есть только шанс. гарантий нет.

  6. #3645
    Частый гость
    Регистрация
    03.02.2010
    Адрес
    Россия Таганрог
    Возраст
    52
    Сообщений
    448

    По умолчанию Re: Импульсные источники питания и преобразователи.

    ---------- Добавлено в 01:26 ---------- Предыдущее сообщение в 01:19 ----------

    Понял, спасибо ! Буду пробовать !

    Резистор воткну на несколько Ом (есть у меня 2,2 Ом 25Вт), и время срабатывания реле выставлю поменьше( сейчас где-то секунда),посмотрим для начала...,потом через лампу в +310в включу ключи и буду испытывать, дальше без лампы на ХХ и под нагрузкой. Ход мыслей правильный? Но это уже завтра.
    Последний раз редактировалось spiridonoff; 28.04.2010 в 01:44.

  7. #3646
    Завсегдатай
    Регистрация
    19.10.2008
    Адрес
    Город плохих снов
    Сообщений
    2,245

    По умолчанию Re: Импульсные источники питания и преобразователи.

    Где то так.
    Вложение 83782

  8. #3647
    Частый гость
    Регистрация
    03.02.2010
    Адрес
    Россия Таганрог
    Возраст
    52
    Сообщений
    448

    По умолчанию Re: Импульсные источники питания и преобразователи.

    Так ?
    Миниатюры Миниатюры Нажмите на изображение для увеличения. 

Название:	ИИП 2153 переработ&#1072.jpg 
Просмотров:	351 
Размер:	108.9 Кб 
ID:	83853  

  9. #3648
    Завсегдатай
    Регистрация
    19.10.2008
    Адрес
    Город плохих снов
    Сообщений
    2,245

    По умолчанию Re: Импульсные источники питания и преобразователи.

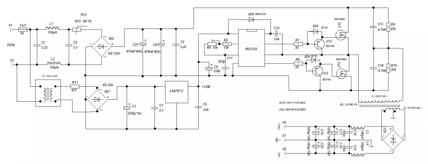
    Силовая вроде нормально, только наверно надо будет R11 уменьшить раза в три, мне лень считать время заряда С4+С27 через R12 и время заряда С3 через R11, так вот время заряда С3 должно быть больше 25*(С4+С27)сек.
    Выходные диоды, опять не правильно включены, с экономить на диодах не получится, надо делать так как я показывал на предыдущей странице, сами представьте у Вас к примеру нагрузка на +75Вольт в 2 А в течении 0,2сек, трансформатор успеет войти в насыщение?

  10. #3649
    Частый гость
    Регистрация
    03.02.2010
    Адрес
    Россия Таганрог
    Возраст
    52
    Сообщений
    448

    По умолчанию Re: Импульсные источники питания и преобразователи.

    Нашёл в сети упрощёную формулу : t=3*(R*C). По ней получилось t заряда c27+c4=3*(5*0.000940)=0,0141 сек., а время зарядки С3 =3*(150*0,00242)=1,089 сек.,т.е получается что С3 заряжается дольше чем С4+С27 не в 25, а в 77 раз.Кстати на практике генерить микросхема начинает примерно через это же время . Или я опять не так считаю ? Опыта маловато. Насчёт диодов, а если мост из них ? Просто сердечник у меня ETD и мне так проще мотать, косой со средней точкой.
    Миниатюры Миниатюры Нажмите на изображение для увеличения. 

Название:	2153 с мостом.jpg 
Просмотров:	313 
Размер:	90.1 Кб 
ID:	83864  
    Последний раз редактировалось spiridonoff; 28.04.2010 в 21:18.

  11. #3650
    Завсегдатай
    Регистрация
    19.10.2008
    Адрес
    Город плохих снов
    Сообщений
    2,245

    По умолчанию Re: Импульсные источники питания и преобразователи.

    Цитата Сообщение от spiridonoff Посмотреть сообщение
    Или я опять не так считаю ?
    Всё нормально, это я взял 5*(R12*(C4+C27)) пять это количество «периодов» тау=(R*C), как правило через пять тау напряжения на реактивных элементах считается установившемся, т.е. все переходные процессы связанные с зарядом реактивных элементов закончились. Можно брать и три.

    Цитата Сообщение от spiridonoff Посмотреть сообщение
    Насчёт диодов, а если мост из них ?
    Ну так нарисуйте и покажите как Вы мостом хотите делать двухполюсное питание.

    P.S. К стати рекомендую пользоваться какой либо программой для рисования принципиальных схем, один раз нарисовали принципиалку, а потом вносить изменения дело пяти секунд. Как пример посмотрите на программу sPlan 6.0

  12. #3651
    Частый гость
    Регистрация
    03.02.2010
    Адрес
    Россия Таганрог
    Возраст
    52
    Сообщений
    448

    По умолчанию Re: Импульсные источники питания и преобразователи.

    Я в сплане и рисую, просто экспортирую в JPG, чтобы сюда загрузить. Схема выше, пока загружал Вы быстрее ответили. Диоды ультрафасты HFA25TB60 , у них в корпусе ТО220 ( только ноги две ) один диод, поэтому мост слепить из них легко. На вашей схеме ведь тоже мост,только каждый диод зашунтирован RC цепочкой. Кстати для R12 ещё есть NTC 2.5 Ом 10 А ,может его втулить, или тот что на схеме ( 5 Ом 7А) пойдёт ?
    Ещё вопрос, может быть С9 поставить вместо С3, а вместо LM7812 просто стабилитрон? Или вообще отказаться от отдельного питания, а сделать по классической схеме, от основного выпрямителя через резистор и стабилитрон. Я и не догадывался ,что из-за этого могут быть проблемы. Просто меня смущает то, что при включении на осцилле сигнал медленно (где то в течении секунды) разворачивается по амплитуде, оно и понятно идёт заряд С3. Так может из-за этого в этот момент ключи как-то не правильно работают и вылетают ? Извините,что завалил Вас вопросами, просто это второй мой импульсник в жизни, первый опыт был не удачный и хотелось бы глубже понять ньюансы и довести его до ума.
    Последний раз редактировалось spiridonoff; 28.04.2010 в 22:21.

  13. #3652
    Частый гость
    Регистрация
    20.10.2009
    Адрес
    Калуга
    Сообщений
    247

    По умолчанию Re: Импульсные источники питания и преобразователи.

    spiridonoff резистор R6 лучше замените на нерегулируемый (когда выставите необходимую частоту). Либо данный подстроечник должен быть очень хорошего качества. Но лучше все таки нерегулируемый, а то если пропадет контакт, ключам скорее всего настанет кирдык.

  14. #3653
    Частый гость
    Регистрация
    03.02.2010
    Адрес
    Россия Таганрог
    Возраст
    52
    Сообщений
    448

    По умолчанию Re: Импульсные источники питания и преобразователи.

    Цитата Сообщение от maxon Посмотреть сообщение
    резистор R6 лучше замените на нерегулируемый
    Да это само собой, там получается R6+R5 ровно 12к.

  15. #3654
    Завсегдатай
    Регистрация
    19.10.2008
    Адрес
    Город плохих снов
    Сообщений
    2,245

    По умолчанию Re: Импульсные источники питания и преобразователи.

    Цитата Сообщение от spiridonoff Посмотреть сообщение
    Ещё вопрос, может быть С9 поставить вместо С3, а вместо LM7812 просто стабилитрон?
    Думаю не стоит чем мощнее и стабильнее +12Вольт тем лучше, Вы ведь делаете 500Ватный ИБП.


    Цитата Сообщение от spiridonoff Посмотреть сообщение
    На вашей схеме ведь тоже мост,только каждый диод зашунтирован RC цепочкой.
    Ну можно назвать его и мостом, ну да ладно, а вот RC ставить надо, они снижают амплитуду выбросов напряжения при закрытии диодов, что уменьшает ВЧ шум, ток у Вас всё таки более 5А, так что сильно не надейтесь на то что у Вас диоды с мягким переключением.
    Цитата Сообщение от spiridonoff Посмотреть сообщение
    Просто меня смущает то, что при включении на осцилле сигнал медленно (где то в течении секунды) разворачивается по амплитуде, оно и понятно идёт заряд С3. Так может из-за этого в этот момент ключи как-то не правильно работают и вылетают ?
    В микросхеме есть компаратор, который разрешает работу микросхеме только после того как напряжение на её питающем входе превысит 10 Вольт.

  16. #3655
    Частый гость
    Регистрация
    03.02.2010
    Адрес
    Россия Таганрог
    Возраст
    52
    Сообщений
    448

    По умолчанию Re: Импульсные источники питания и преобразователи.

    Понял . Усложнил так усложнил, печатку всё равно переделывать, тогда что посоветуете в затворы, или оставить как есть ? А то у меня уже и тут уже подозрения. Потому как пересоединил всё уже по новой схеме ( пока кроме выхода ), итог : ещё одна ИР-ка ,тоже после включения с нагрузкой в 50 Вт, плюс оба ключа в корзине. Я малость в панике... бум думать дальше. Всё это пока на той же плате,но режу дороги и препаиваю перемычками. Хочется отшлифовать схему и потом перенести на новую печатку.Может так как на рисунке ,для ускорения разряда внутренней ёмкости? В некоторых ИИП это реализовано так, ну может номиналы перепутал, правда не с 2153.

    ---------- Добавлено 29.04.2010 в 00:00 ---------- Предыдущее сообщение 28.04.2010 в 23:59 ----------

    Цитата Сообщение от uriy Посмотреть сообщение
    а вот RC ставить надо
    Резисторы Ватта на два ?

    ---------- Добавлено в 00:02 ---------- Предыдущее сообщение в 00:00 ----------

    Цитата Сообщение от uriy Посмотреть сообщение
    В микросхеме есть компаратор, который разрешает работу микросхеме только после того как напряжение на её питающем входе превысит 10 Вольт.
    То есть это ни причём.
    Миниатюры Миниатюры Нажмите на изображение для увеличения. 

Название:	ScreenHunter_01 Apr. 29 08.46.gif 
Просмотров:	248 
Размер:	16.3 Кб 
ID:	83892  
    Последний раз редактировалось spiridonoff; 29.04.2010 в 08:53.

  17. #3656
    Старый знакомый
    Регистрация
    09.09.2009
    Адрес
    Украина, Донецкая обл.
    Сообщений
    648

    По умолчанию Re: Импульсные источники питания и преобразователи.

    Наконец выпросил друга приобрести кольцо Epсos, N87 R 38Х19Х13. Завтра приедет ко мне. После неудачного опыта с 2153 думал делать на SG3525, но ее не оказалось в магазине, поэтому сразу отпало.
    Вот теперь имея достаточно нормальное колечко, пару IRFP460 я сижу у разбитого корыта. неудачный опыт с 2153 отпугивает ее применять соовсем ибо просадка 30-40 % меня никак не устраивает. SG3525 приобрести не могу
    теперь смотрю в две стороны...
    1) БП от Левши на TL494 со стабилизацией.
    2) продолжение эпопеи с 2153 с надеждой что новое кольцо принесет мне радость.
    Может быть вы что посоветуете из доступного?
    Мощность пока большая не нужна, главное щас получить ватт 300.
    Миниатюры Миниатюры Нажмите на изображение для увеличения. 

Название:	b12dc8b10667.jpg 
Просмотров:	326 
Размер:	29.0 Кб 
ID:	83929  

  18. #3657
    Частый гость
    Регистрация
    03.02.2010
    Адрес
    Россия Таганрог
    Возраст
    52
    Сообщений
    448

    По умолчанию Re: Импульсные источники питания и преобразователи.

    Цитата Сообщение от superamplifier Посмотреть сообщение
    1) БП от Левши на TL494 со стабилизацией.
    А вот как раз с ним у меня был гемор, многие собирали и всё было нормально, но далеко не у всех ( люди собирали, и лишь не многие вникали в ньюансы, я попытался влезть и ничего хорошего не вышло, хотя заработал сразу), я с ним намучился и бросил. Теперь пытаюсь 2153 освоить, надеюсь с помощью сведущих людей на этом форуме её осилить. Тут уже дело принципа, смогу или нет, надеюсь ДА.

  19. #3658
    Старый знакомый
    Регистрация
    09.09.2009
    Адрес
    Украина, Донецкая обл.
    Сообщений
    648

    По умолчанию Re: Импульсные источники питания и преобразователи.

    какие нюансы? уточни?

  20. #3659
    Новичок
    Регистрация
    03.01.2010
    Адрес
    Челябинск
    Сообщений
    29

    По умолчанию Re: Импульсные источники питания и преобразователи.

    [/QUOTE]Мощность пока большая не нужна, главное щас получить ватт 300[/QUOTE].

    Может взять печать от gromilalex ? в ветке 500-700Вт импульсники только нужно ЕТД под вашу мощность применить либо под кольцо переделать....

  21. #3660
    Частый гость
    Регистрация
    03.02.2010
    Адрес
    Россия Таганрог
    Возраст
    52
    Сообщений
    448

    По умолчанию Re: Импульсные источники питания и преобразователи.

    Цитата Сообщение от superamplifier Посмотреть сообщение
    какие нюансы? уточни?
    Например борьба с просадкой при помощи ШИМ, регулировка ДТ и т.д, борьба с выбросами... Хотя повторюсь многие делают и без этих заморочек и всё работает, а я не осилил, там ведь ещё раскачка и согласующий транс, который тоже нужно правильно сделать. У меня всё работало, но грелось то что по идее грется воообще не должно, а то что должно, почти не грелось. Может сумбурно объяснил, но это был мой первый импульсник, который я попытался сделать, у меня он выпил много крови и вот... Может у Вас получится , искренне надеюсь !
    На схеме частотозадающая цепочка С1Р2 на 15 кГц ,ВОТ ВАМ И ПЕРВЫЙ ГЕМОР С КОТОРЫМ ВЫ СТОЛКНЁТЕСЬ ВПЕРВЫЕ ЗАПУСТИВ ЕГО,у меня такой свист стоял когда включил, чуть чуть нагрузив получил пробой ключей, т.к транс расчитывал на 30кГЦ, а для 15-ти обмотка оказалась коротка.Долго описывать всё остальное . Вперёд, но там куча ошибок и опечаток, и чтобы это всё понять нужно форум перешерстить раз десять, и то не известно поможет ли ... Для спеца и так понятно где косяк, и сам он может дать совет, а для человека который впервые решил сделать ИИП ж...па. Это мои эмоции и я не призываю Вас следовать им. Вот вам ссылка на форум по этому девайсу:http://elektron.ucoz.ru/forum/2-115-1 Удачи !!! Может у Вас получится
    Последний раз редактировалось spiridonoff; 29.04.2010 в 20:31.

Страница 183 из 546 Первая ... 173181182183184185193 ... Последняя

Социальные закладки

Социальные закладки

Ваши права

  • Вы не можете создавать новые темы
  • Вы не можете отвечать в темах
  • Вы не можете прикреплять вложения
  • Вы не можете редактировать свои сообщения
  •