Страница 153 из 317 Первая ... 143151152153154155163 ... Последняя
Показано с 3,041 по 3,060 из 6324

Тема: DC-DC преобразователи напряжения (для авто)

  1. #1 Показать/скрыть первое сообщение.
    Новичок
    Автор темы
    Аватар для WARIOR
    Регистрация
    19.01.2005
    Сообщений
    66

    По умолчанию Re: Импульсные источники питания и преобразователи.

    Здравствуйте !

    Я решил возвратиться к статье "АВТО 400", а именно к ПН. Я заканчиваю сборку по той схеме и хотел спросить нет ли там каких-либо ошибок или недостатков, недочётов, неохото получать negative consequences. (Пытался связаться с автором, чтоб узнать у него - не получилось). Может кто-нибудь собитал подобный ПН ?
    Заранее огромное спасибо !
    https://www.vegalab.ru/index.php?opt...=184&Itemid=52
    Миниатюры Миниатюры Нажмите на изображение для увеличения. 

Название:	pic002-1.gif 
Просмотров:	37512 
Размер:	37.4 Кб 
ID:	19604  

  2. #3041
    Завсегдатай Аватар для pokos
    Регистрация
    18.08.2005
    Сообщений
    1,357

    По умолчанию Re: DC-DC преобразователи напряжения (для авто)

    Цитата Сообщение от SarCity Посмотреть сообщение
    PS: Мотал ли кто-нибудь жилками от UTP кабеля? Этот вопрос ранее поднимался, но никто толком не ответил.
    Я сейчас намотал дроссель групповой стабилизации - очень удобно. Но сечение, всё же, маловато, думаю, на пиковый ток не более 3А сгодится. У меня там пиковый 3А, средний около 1,5.

  3. #3042
    Новичок
    Регистрация
    07.04.2009
    Адрес
    Саратов
    Сообщений
    64

    По умолчанию Re: DC-DC преобразователи напряжения (для авто)

    Цитата Сообщение от pokos Посмотреть сообщение
    Я сейчас намотал дроссель групповой стабилизации - очень удобно. Но сечение, всё же, маловато, думаю, на пиковый ток не более 3А сгодится. У меня там пиковый 3А, средний около 1,5.
    А я хочу трансформатор попробовать им намотать. Эмальпровод в городе сложно купить, а этого добра у знакомого 25км

    ---------- Добавлено в 20:18 ---------- Предыдущее сообщение в 19:24 ----------

    Цитата Сообщение от SinteZ Посмотреть сообщение
    ШИМ по току (схема на зелёном фоне, выкладывал страницей-другой ранее)
    Не могу найти

  4. #3043
    Частый гость
    Регистрация
    20.10.2009
    Адрес
    Калуга
    Сообщений
    247

    По умолчанию Re: DC-DC преобразователи напряжения (для авто)

    Цитата Сообщение от SinteZ Посмотреть сообщение
    Поставь одну пару IRFP064 и не мучайся
    Посмотрел даташит на IRFP064, а чем он лучше 3205? Практически все параметры хуже, причем некоторые в 2 раза.

  5. #3044
    Частый гость
    Регистрация
    24.01.2008
    Адрес
    Беларусь, Гродно
    Возраст
    38
    Сообщений
    284

    По умолчанию Re: DC-DC преобразователи напряжения (для авто)

    3205Z лучше сразу брать чем без Z

  6. #3045
    Новичок
    Регистрация
    07.04.2009
    Адрес
    Саратов
    Сообщений
    64

    По умолчанию Re: DC-DC преобразователи напряжения (для авто)

    Спецы скажите про дроссель на выходе нужен - ДГС или отдельный на каждый выход? Моя печатка рассчитана на на раздельные дросселя.

  7. #3046
    Новичок
    Регистрация
    03.04.2008
    Сообщений
    7

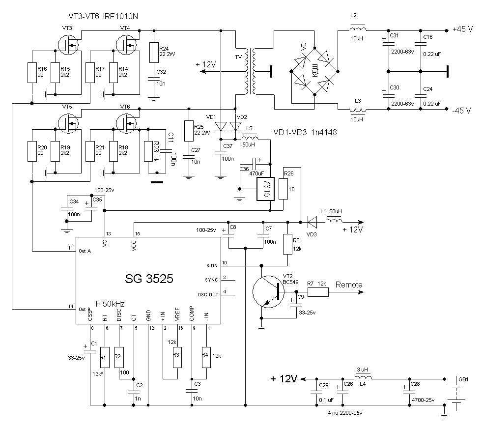
    По умолчанию Re: DC-DC преобразователи напряжения (для авто)

    Всем добрый вечер!!!
    собираю ПН пост #1447, возникли некоторые вопросы:
    1. Намотка транса... с проводами все понятно, а вот сколько витков первички и вторички наматывать не знаю!! это мой первый ПН и до этого трансы, дросселя, катушки не мотал вообще, так что сильно ногами не бейте
    2. L1, L2, L3, L4, L5 - как их делать(на какой стержень сколько витков и каким сечением мотать)?
    3. Никак не найду диоды MUR2020CT чем их можно заменить?

    заранее спасибо
    Миниатюры Миниатюры Нажмите на изображение для увеличения. 

Название:	SG..GIF 
Просмотров:	768 
Размер:	19.3 Кб 
ID:	82165  

  8. #3047
    Частый гость
    Регистрация
    24.01.2008
    Адрес
    Беларусь, Гродно
    Возраст
    38
    Сообщений
    284

    По умолчанию Re: DC-DC преобразователи напряжения (для авто)

    транс нуна считать.. исходя из сердечеика..
    катушки можно повыдирать из комповых бп...
    диоды фаст или ультрафаст.. на нужный ток..


    вот моя печать... первичка разведена норм или не оч?
    Миниатюры Миниатюры Нажмите на изображение для увеличения. 

Название:	avt.JPG 
Просмотров:	333 
Размер:	172.1 Кб 
ID:	82179  

  9. #3048
    Завсегдатай Аватар для SinteZ
    Регистрация
    23.06.2004
    Адрес
    Russia
    Сообщений
    1,657

    По умолчанию Re: DC-DC преобразователи напряжения (для авто)

    SarCity,



    Вот "оно".
    .ιlιllιlιॐιlιllιlι.

  10. #3049
    Новичок
    Регистрация
    13.04.2010
    Адрес
    Вильнюс
    Возраст
    73
    Сообщений
    21

    По умолчанию Re: DC-DC преобразователи напряжения (для авто)

    Есть UPS Omni Smart 675. Хотелось бы сделать из этого UPS Omni Smart 675 230в в автомобиле, но он не запускаeтся от 12в.
    Что можно сделать чтобы он запустился.

  11. #3050
    Новичок
    Регистрация
    13.04.2010
    Адрес
    Вильнюс
    Возраст
    73
    Сообщений
    21

    По умолчанию Re: DC-DC преобразователи напряжения (для авто)

    Никто не поможет?

  12. #3051
    Частый гость
    Регистрация
    14.10.2009
    Адрес
    г.Гомель, Беларусь
    Сообщений
    169

    По умолчанию Re: DC-DC преобразователи напряжения (для авто)

    Цитата Сообщение от jar6 Посмотреть сообщение
    Что можно сделать чтобы он запустился.
    сильно мало инфы про твой упс...

  13. #3052
    Новичок
    Регистрация
    13.04.2010
    Адрес
    Вильнюс
    Возраст
    73
    Сообщений
    21

    По умолчанию Re: DC-DC преобразователи напряжения (для авто)

    А какая инфа ещё нужна. Попробую найти.

  14. #3053
    Частый гость
    Регистрация
    14.10.2009
    Адрес
    г.Гомель, Беларусь
    Сообщений
    169

    По умолчанию Re: DC-DC преобразователи напряжения (для авто)

    Цитата Сообщение от jar6 Посмотреть сообщение
    А какая инфа ещё нужна
    ты сам полазь поищи как он работает, может он без нагрузки не включается или ещё что нить?
    он рабочий был?

  15. #3054
    Новичок
    Регистрация
    13.04.2010
    Адрес
    Вильнюс
    Возраст
    73
    Сообщений
    21

    По умолчанию Re: DC-DC преобразователи напряжения (для авто)

    Запустился, напряжение на выходе 202в, при нагрузке 100W при не заведённом двигателе.
    При заведённом двигателе 160в на тойже нагрузке, горит красный светодиод Backup on.
    Почему такие не понятные напряжения?

  16. #3055
    Частый гость
    Регистрация
    14.10.2009
    Адрес
    г.Гомель, Беларусь
    Сообщений
    169

    По умолчанию Re: DC-DC преобразователи напряжения (для авто)

    jar6, хз, так сложно что-то сказать...
    красный светодиод это вроде сигнал о том, что перешёл на батареи (то, что от него и требуется). напряжение меньше - хз, может помехи в бортовой сети авто чтонить творят. машина кста бензиновая или дизель?

  17. #3056
    Новичок
    Регистрация
    13.04.2010
    Адрес
    Вильнюс
    Возраст
    73
    Сообщений
    21

    По умолчанию Re: DC-DC преобразователи напряжения (для авто)

    Машина - бензин.

    может помехи в бортовой сети авто чтонить творят
    Так ведь при не заведённой на помехи грешить нельзя.

    Сегодня сделал новые измерения:
    Акум-12,9в
    Подключил УПС на клемах УПС-12,86в
    Включил УПС без нагрузки на клемах УПС 12,75в, выход 197в.
    Нагрузил 100W 12,4 и 204.
    Завёл:
    без нагрузки 14,4 и 135
    нагрузил 100W 14,25 и 141.
    Совсем не понятные чудеса.
    Прошу высказать свои мнения.

  18. #3057
    Завсегдатай Аватар для Vjumajlo
    Регистрация
    11.04.2009
    Адрес
    ДВР
    Возраст
    64
    Сообщений
    4,276

    По умолчанию Re: DC-DC преобразователи напряжения (для авто)

    Мужики, а что непонятного? Так отрабатывает ШИМ-стабилизация вторичного напряжения в зависимости от напряжения питания на первичке.
    УПС расчитан на работу при номинальной мощности от гелевокислотной АКБ 12,7В. Ниже 11,8-12В он отключится, защищая батарейку от глубокого разряда. Напряжение 12,9, и тем более 14,4 для него уже перебор. Мошность 100Вт для него недобор. Вернее амплитудное значение будет близкое к номинальному, показания же мультиметра будут значительно ниже из-за уменьшения сважности импульсов и формы напряжения значительно отличной от синусоидальной.
    jar6, попробуйте при питании от авто АКБ, изначально просаженной доп. нагрузкой до 12,7В(ну не знаю - автолампочками мощными нагрузите что ли) грузануть УПС ватт на 250-350(мощной электролампой накаливания) получите свои 220В на выходе.
    В голове есть не только рот, чтобы говорить и есть, но и мозг, чтобы хоть иногда вспоминать, что он там есть.
    Думай. Думай всегда…
    И даже, если нечем думать, напрягись - мысль обязательно появится. Иначе ты никто. (Вова)

  19. #3058
    Новичок
    Регистрация
    13.04.2010
    Адрес
    Вильнюс
    Возраст
    73
    Сообщений
    21

    По умолчанию Re: DC-DC преобразователи напряжения (для авто)

    Vjumajlo

    Спасибо за ответ.
    Попробую вашу теорию.
    Только получяется что в движении пользоваться не получится.
    На форумах читал что люди пользуются УПС во время путешествия, варят чай и тп.
    Какое ваше мнение можно ли подключать ноутбоок при этом напряжении?

  20. #3059
    Завсегдатай Аватар для Vjumajlo
    Регистрация
    11.04.2009
    Адрес
    ДВР
    Возраст
    64
    Сообщений
    4,276

    По умолчанию Re: DC-DC преобразователи напряжения (для авто)

    Бесперебойники различны функционально и по алгоритму работы. Но у большинства, как правило, имеются две цепи стабилизации - по первичке и по вторичке. У многих, к тому же, имеются системы слежения за уровнем входного напряжения сети по минимуму и по максимуму. Кроме того, если вы обратили внимание, у многих моделей есть функции управления от ПК(или другой аппаратуры) по RS232 и теперь уже по USB2. Встречал устройства имеющие и итерфейс RS485.
    К чему я это пишу? К тому, что они изначально не предназначены для питания какой бы то ни было бытовой техники, питающейся от 220В, в автомобильных условиях,.
    Это уже додумки российских автовладельцев. Понятно - голь на выдумки хитра(с) Пословица.
    Но нужно учитывать ещё то, что схемотехника питающих цепей ПК-бесперебойников (от12/24 и т.д. вольт) не рассчитаны на броски низковольтного питающего напряжения, у них нет больших, сглаживающих броски напряжения первичного питании, конденсаторов, и они должны питаться от медленно изменяющегося напряжения АКБ.
    Для авто-нужд сейчас существуют в большом ассортименте ПН-ы, достаточно компактные для своих мощностей и вырабатывающие в зависимости ценовых категорий и потребностей пользователей как напряжения псевдосинусоидальной формы, так и аппроксимированной синусоиды, практически ничем не отличающейся от обычных 220В/50/60Гц, в диапазоне выходных мощностей от 100-150Вт до 2,5-3кВт(мощнее не встречал)
    Как правило, у ноутов «родные» блоки питания – импульсные преобразователи, которым в принципе без разницы, какой формой напряжения питаться.
    Поэтому можно для ноута приобрести недорогой ПН-чик ватт на 100-150 ценой 600 -1000руб(ориентируюсь на наши местные, китайские изделия; кстати, довольно надёжные) Ну а для питания бытовой техники, тем более аудио/видео, и тем более с трансформаторными БП нужно что-то посолиднее и с качественной синусоидой.
    Так что, уважаемый, подумайте - может быть имеет смысл продать ваш беперебойник, пока он ещё не стрельнул ключами. Хорошо подумать - что Вы собираетесь питать в авто(без излишеств), и приобрести ПН именно под Ваши нужды. Возможно ещё и в наваре останетесь.
    Извиняюсь за долгую писанину – хотелось подробнее.
    В голове есть не только рот, чтобы говорить и есть, но и мозг, чтобы хоть иногда вспоминать, что он там есть.
    Думай. Думай всегда…
    И даже, если нечем думать, напрягись - мысль обязательно появится. Иначе ты никто. (Вова)

  21. #3060
    Новичок
    Регистрация
    13.04.2010
    Адрес
    Вильнюс
    Возраст
    73
    Сообщений
    21

    По умолчанию Re: DC-DC преобразователи напряжения (для авто)

    Vjumajlo
    Болшое спасибо за разъяснение.
    Наверное я восползуюсь Вашими советами и оставлю УПС в покое.
    Просто хотелось сделать что-то самому, тем более что народ на форумах хвастается что пользуется успешно такими приборами.
    Ещё паз спасибо.

Страница 153 из 317 Первая ... 143151152153154155163 ... Последняя

Социальные закладки

Социальные закладки

Ваши права

  • Вы не можете создавать новые темы
  • Вы не можете отвечать в темах
  • Вы не можете прикреплять вложения
  • Вы не можете редактировать свои сообщения
  •