Страница 14 из 317 Первая ... 4121314151624 ... Последняя
Показано с 261 по 280 из 6324

Тема: DC-DC преобразователи напряжения (для авто)

  1. #1 Показать/скрыть первое сообщение.
    Новичок
    Автор темы
    Аватар для WARIOR
    Регистрация
    19.01.2005
    Сообщений
    66

    По умолчанию Re: Импульсные источники питания и преобразователи.

    Здравствуйте !

    Я решил возвратиться к статье "АВТО 400", а именно к ПН. Я заканчиваю сборку по той схеме и хотел спросить нет ли там каких-либо ошибок или недостатков, недочётов, неохото получать negative consequences. (Пытался связаться с автором, чтоб узнать у него - не получилось). Может кто-нибудь собитал подобный ПН ?
    Заранее огромное спасибо !
    https://www.vegalab.ru/index.php?opt...=184&Itemid=52
    Миниатюры Миниатюры Нажмите на изображение для увеличения. 

Название:	pic002-1.gif 
Просмотров:	37512 
Размер:	37.4 Кб 
ID:	19604  

  2. #261
    Новичок
    Регистрация
    05.10.2005
    Адрес
    Санкт-Петербург
    Сообщений
    7

    По умолчанию Re: Импульсные источники питания и преобразователи.

    Усилитель на 30 ВТ. Этого за глаза хватит! Про напряжениие спросил так... т.к. пересчитать не проблема. И не надо так изгалятся и ставить такие генераторы и всякие охлаждающие приспособы! Если бы мне нужна была мощность, то собрал бы в классе Т с высоким кпд и рад бы был.

  3. #262
    Регистрация не подтверждена
    Регистрация
    24.07.2005
    Адрес
    Екатеринбург
    Возраст
    42
    Сообщений
    138

    По умолчанию Re: Импульсные источники питания и преобразователи.

    Цитата Сообщение от Prof-SPb
    Если интересно, то могу выложить
    Выложи только пожалуйста в картинке.

  4. #263
    Новичок
    Регистрация
    17.09.2005
    Адрес
    Москва
    Возраст
    53
    Сообщений
    59

    По умолчанию Re: Импульсные источники питания и преобразователи.

    Prof-SPb, Класс А в 30Вт жрет из бортсети ~150Вт(12А)/канал, причем постоянно, даже в отсутствие сигнала. И без принудительного обдува в разумных габаритах врядли выживет.
    Не думаю, что электросистема типичного автомобиля безболезненно перенесет увеличение энергопотребления на лишние 300Вт. Причем это не класс АВ и т.п., реальная средняя потребляемая мощность которых в разы меньше номинальной - у класса А она постоянна. Так что "изгаляться" с генератором и охлаждением придется.

  5. #264
    Регистрация не подтверждена Аватар для Serg_D
    Регистрация
    06.10.2005
    Адрес
    Челябинская область
    Возраст
    48
    Сообщений
    121

    По умолчанию Re: Импульсные источники питания и преобразователи.

    Народ привет.
    Я тут новенький и у меня к Вам есть несколько вопросов.
    Может я и повторюсь так что не ругайте, а то всю ветку читать время надо, а его нет.
    Вопрос вот в чем.
    Преобразователь для авто. При расчете транса какую частоту надо вписавать в прогу для расчетов (TL494) с вывода 9,10 или с 5 ноги. вообщем у меня на выводе 9 и 10 частота около 30кГц соответственно на 5 60кГц так какую 30 или 60? Транс двухтактный. И какой лучше прогой расчитывать такие трансы? Вот по намотке транса: как лучше мотать 1 проводом виток к витку или же косой допустим из 10проводов? Может кто уже мотал преобразователь для авто на трансе 2000НС1 45х28х12, если он работает нормаль поделитесь данными (кол-во витков, диаметры).

    Спасибо всем за ответы.

  6. #265
    Регистрация не подтверждена
    Регистрация
    24.07.2005
    Адрес
    Екатеринбург
    Возраст
    42
    Сообщений
    138

    По умолчанию Re: Импульсные источники питания и преобразователи.

    ИМХО указывать надо частоту 60 кгц.
    прогу для себя хорошую я не выявил
    ближайшее что понравилось это: Програма расчета трансформатора ИБП
    а так тут несколько страниц назад была экселевская таблица, она мне понравилась больше всего.
    Вроде как рекомендуют мотать косой, но имхо это не удобно.
    Я мотаю виток к витку, но сначала 1 проводом, потом еще 1 и в результате набираю столько проводов (толщину) сколько мне надо. Так мне нравится больше.

    ЗЫ А ветку я очень рекомендую все же прочитать. А то гемороя можеш схватить. ПН не такая простая штука. Мой тебе совет делать все максимально качественно и ответсвенно.

  7. #266
    Регистрация не подтверждена Аватар для TDA
    Регистрация
    30.10.2004
    Адрес
    Люберцы
    Возраст
    40
    Сообщений
    1,190

    По умолчанию Re: Импульсные источники питания и преобразователи.

    Serg_D, В даташите на TL есть формула по которой расчитывается частота, нужно подставить туда номиналы Rt и Ct вот и получится точная частота.
    Прога для расчёта трансов ИБП считает правильно на с запасом примерно раза в полтора.
    Транс надо мотать косой или мне больше нравиться лентой, тк обмотка занимает всю длинну окружности кольца тонким слоем. Обе половинки первички надо мотать за 1 раз, потом лента из чётного количества проводов разделяется попалам и начало 1 половины соединяется с концом другой. Вторичку тоже лучше мотать также.

  8. #267
    Регистрация не подтверждена Аватар для Serg_D
    Регистрация
    06.10.2005
    Адрес
    Челябинская область
    Возраст
    48
    Сообщений
    121

    По умолчанию Re: Импульсные источники питания и преобразователи.

    Скачал даташит по TL494 там формулы не, а есть график. Проверте мои расчеты.
    Резик на 15к кондер на 1000pF по моим примерам вышло где то 73кГц. Проверте плиз у кого есть формула. И что вот эту частоту вводить в прогу.
    У всех прог по расчетам получается разное кол-во витков.В одной 5витков в другой 6.1витка в третей 3витка в четвертой 8 витков в пятой 7витков. Вот какой верить то??? Может кто поможет просчитать транс данные М2000НС1 45х28х12 входное 12в частота по моим расчетам если верить 73кГц выходное по 33в в каждом плече ток 7А.
    2. А прогах пишут данные витков на одно плечо?
    Всем спасибо. Жду.

  9. #268
    Регистрация не подтверждена Аватар для TDA
    Регистрация
    30.10.2004
    Адрес
    Люберцы
    Возраст
    40
    Сообщений
    1,190

    По умолчанию Re: Импульсные источники питания и преобразователи.

    Serg_D, Можно и по граффику смотреть, просто для некоторых микрух приводят формулу для некоторых граффик.
    Чем меньше число витков в первичке тем больше магнитная индукция следоваельно больше мощность, ну думаю витков 5-6 в первиче будет нормально.

  10. #269
    Регистрация не подтверждена Аватар для Serg_D
    Регистрация
    06.10.2005
    Адрес
    Челябинская область
    Возраст
    48
    Сообщений
    121

    По умолчанию Re: Импульсные источники питания и преобразователи.

    Цитата Сообщение от TDA
    Serg_D, Можно и по граффику смотреть, просто для некоторых микрух приводят формулу для некоторых граффик.
    Чем меньше число витков в первичке тем больше магнитная индукция следоваельно больше мощность, ну думаю витков 5-6 в первиче будет нормально.
    А 5-6 витков это как в одном плече или 5-6 витков с отводом от середины.

  11. #270
    Регистрация не подтверждена Аватар для TDA
    Регистрация
    30.10.2004
    Адрес
    Люберцы
    Возраст
    40
    Сообщений
    1,190

    По умолчанию Re: Импульсные источники питания и преобразователи.

    В каждом плече, тоесть мотается сразу 5-6витков лентой например из 6 проводов каждый 1мм диаметром, потом эта лента разделяется попалам (в каждой по 3 провода) с помощю тестера, потом конец 1 половины соединяется с началом другой - это средняя точка.

  12. #271
    Регистрация не подтверждена Аватар для Serg_D
    Регистрация
    06.10.2005
    Адрес
    Челябинская область
    Возраст
    48
    Сообщений
    121

    По умолчанию Re: Импульсные источники питания и преобразователи.

    Цитата Сообщение от TDA
    В каждом плече, тоесть мотается сразу 5-6витков лентой например из 6 проводов каждый 1мм диаметром, потом эта лента разделяется попалам (в каждой по 3 провода) с помощю тестера, потом конец 1 половины соединяется с началом другой - это средняя точка.
    Тоесть при выводе данных в проге они так и подразумевают на одно плечо.
    Сегодня качнул прогу Transformer 2_0_0_0. Там мне выдало что в первичке нужно намотать 4 витка. Надеюсь что это на плечо. Вечером буду мотать. Посмотрим что получится. Намотаю сообщю.

  13. #272
    Новичок Аватар для Vadem
    Регистрация
    13.08.2005
    Адрес
    Рига
    Возраст
    42
    Сообщений
    80

    По умолчанию Re: Импульсные источники питания и преобразователи.

    сомнительно что при 1000pf и 15ком будет 73 кгц, у меня собран пн на тл494 1000пф и 12ком - частота 47кгц если верить частотомеру, и чем больше сопротивление тем меньше частота значит она не может быть 73кгц никаким образом при таких номиналах навскидку там около 38 - 42кгц
    и кстати я пользуюсь "Программой расчёта ИБП" тут гдето в этой ветке надыбал, мотаю обычно косой, и пока что расчёты проги совпадали с реальным выходным напряжением и мощностью тютелька в тутельку

    McOtin спасибо за даташиты , как появится время буду мутить
    Offтопик:
    это не автомобильная свинцовая батарея она на железке киловаттные упсы питает

  14. #273
    Регистрация не подтверждена Аватар для TDA
    Регистрация
    30.10.2004
    Адрес
    Люберцы
    Возраст
    40
    Сообщений
    1,190

    По умолчанию Re: Импульсные источники питания и преобразователи.

    Скачал Transformer 2.0.0.0
    Ввёл входное напряжение 12в выходное 30в.
    в расётах плучилось что напряжение на первичке 20+в, в первичке 8 витков во вторичке 9
    Чтото я не понимаю как при таком маленьком отношении витков вторички к первичке из 12в может получиться 30

    [ADDED=TDA]1128793877[/ADDED]
    ААА понял! тут какраз указывается общее число витков первички с отводом от середины А мозг то запрограммирован работать тока с 1 половиной первички
    Последний раз редактировалось TDA; 08.10.2005 в 21:51.

  15. #274
    Регистрация не подтверждена Аватар для Serg_D
    Регистрация
    06.10.2005
    Адрес
    Челябинская область
    Возраст
    48
    Сообщений
    121

    Улыбка Re: Импульсные источники питания и преобразователи.

    Цитата Сообщение от Vadem
    сомнительно что при 1000pf и 15ком будет 73 кгц, у меня собран пн на тл494 1000пф и 12ком - частота 47кгц если верить частотомеру, и чем больше сопротивление тем меньше частота значит она не может быть 73кгц никаким образом при таких номиналах навскидку там около 38 - 42кгц
    и кстати я пользуюсь "Программой расчёта ИБП" тут гдето в этой ветке надыбал, мотаю обычно косой, и пока что расчёты проги совпадали с реальным выходным напряжением и мощностью тютелька в тутельку

    McOtin спасибо за даташиты , как появится время буду мутить
    Offтопик:
    это не автомобильная свинцовая батарея она на железке киловаттные упсы питает
    А Вы предоставте формулу по даташиту, а то я ее не знаю где взять.
    И тогда посчитаем...
    И еще ссылочку не подкинеш на прогу если не жаль.
    А Вы на каком выводе частоту мерили?
    Последний раз редактировалось Serg_D; 09.10.2005 в 09:19.

  16. #275
    Новичок Аватар для Vadem
    Регистрация
    13.08.2005
    Адрес
    Рига
    Возраст
    42
    Сообщений
    80

    По умолчанию Re: Импульсные источники питания и преобразователи.

    частоту я мерил на 9 и 10 выводах.
    вот линк на программу Программа расчёта трансформатора ибп
    вообщето вы наверное правы частота будет 73кгц но на 5 выводе, это выход генератора пилы, при двухтактной работе на выходах 9 и 10 половина частоты генератора
    на картинке формула...
    Изображения Изображения  

  17. #276
    Регистрация не подтверждена Аватар для Serg_D
    Регистрация
    06.10.2005
    Адрес
    Челябинская область
    Возраст
    48
    Сообщений
    121

    По умолчанию Re: Импульсные источники питания и преобразователи.

    Vadem Так значит все таки нужно в прогу вводить 73кГц, а не половину?
    По поводу проги там данные как на половину обмотки или вся с отводом от середины.?

  18. #277
    Регистрация не подтверждена Аватар для Serg_D
    Регистрация
    06.10.2005
    Адрес
    Челябинская область
    Возраст
    48
    Сообщений
    121

    По умолчанию Re: Импульсные источники питания и преобразователи.

    В преобразователе входной дроссель намотан проводом 2мм по статье, а я намотал 1.5мм остальные данные теже. Это не сильно кретично? Дроссель данные по статье диам 16мм ферит 2000нсм 10-20 витков 2мм.

  19. #278
    Новичок Аватар для Vadem
    Регистрация
    13.08.2005
    Адрес
    Рига
    Возраст
    42
    Сообщений
    80

    По умолчанию Re: Импульсные источники питания и преобразователи.

    Serg_D по идее ничего страшного в этом нет, максимум что может быть, это небольшой нагрев дросселя с программой расчёта трансформаторов то хоть разобрался?

  20. #279
    Регистрация не подтверждена Аватар для Serg_D
    Регистрация
    06.10.2005
    Адрес
    Челябинская область
    Возраст
    48
    Сообщений
    121

    По умолчанию Re: Импульсные источники питания и преобразователи.

    Да почти нет. Так и толком не могу понять какую прогу использовать и какую частоту. По каторой схеме делаю ввожу данные кольца по статье данные витков не совпадают. А впрочем что парится вот по этой схеме собирал почти только выходное питание мне надо +_25в. http://vgorev.narod.ru/r_page/m_cons...mp/autoamp.htm. Вчера спалил пару транзисторов. По поводу дросселя спасибо за ответ, немного успакоился что не в этом дело. На следущей неделе достану фотик сфотографирую что у меня на осцике происходит и выложу для консультации со всеми схемами данными черчежом платы итд. А то он напругу не держит.
    Ждите.

  21. #280
    Новичок Аватар для Vadem
    Регистрация
    13.08.2005
    Адрес
    Рига
    Возраст
    42
    Сообщений
    80

    По умолчанию Re: Импульсные источники питания и преобразователи.

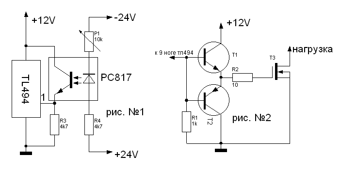
    Serg_D По этой схеме лучше не делай, вопервых кондёры перед выходными дросселями убери, иначе от дросселей толку не будет, и ещё кондёры на выходе не ставь одной банкой большой ёмкости, набери нужную ёмкость из нескольких меньшей ёмкости, желательно с Low ESR иначе кондёры будут калиться и рано или поздно скончаются, вовторых драйвера лажёвые, нагрузка на микруху большая, может из за этих драйверов мосфеты у тя и вылетели, далее стабилизация тоже не блещет, если тебе нужно только +-25В лучше поставить оптрон (см рис 1) драйвер можешь поставить как на рисунке №2 или готовую микруху купи, я лично люблю на дискрете делать. Частоту в прогу вводи частота генератора/2 биш 73/2 = 36.5 кГц. незнаю кто как, но я лично двухтактники обычно делаю на 50кГц меньше гемору и транзюки любые подходят.в программе расчёта трансформатора ибп не нажимай автоматически скорректировать плотность тока, а то видимо автор уверен что в вч трансформаторах обязательно полное заполнение сердечника, однако это миф, это верно только для нч трансформаторов, я ставлю вручную 7А на кв мм и всё ок транс не греется, мощу выдаёт какую надо и всё ок...


    обе схемы на рисунке реально собраны и работают в составе двух преобразователей...
    Миниатюры Миниатюры Нажмите на изображение для увеличения. 

Название:	butt.GIF 
Просмотров:	981 
Размер:	6.8 Кб 
ID:	4935  
    Последний раз редактировалось Vadem; 13.10.2005 в 23:27.

Страница 14 из 317 Первая ... 4121314151624 ... Последняя

Социальные закладки

Социальные закладки

Ваши права

  • Вы не можете создавать новые темы
  • Вы не можете отвечать в темах
  • Вы не можете прикреплять вложения
  • Вы не можете редактировать свои сообщения
  •