Страница 11 из 98 Первая ... 91011121321 ... Последняя
Показано с 201 по 220 из 1945

Тема: 500-700W Сетевой импульсник

  1. #1 Показать/скрыть первое сообщение.
    Частый гость
    Автор темы

    Регистрация
    01.03.2006
    Адрес
    Литва, Вильнюс
    Возраст
    41
    Сообщений
    175

    По умолчанию 500-700W Сетевой импульсник

    Давно почитываю сей форум, и вот надумал слепить собственный импульсник для усилов. Это полумостовая стабилизированная схема на LM5030 и IR2110, есть ограничения по току, мягкий запуск. Надо еще допроектировать обратную связь и посчитать трансформатор.
    Жду общих коментариев по топологии.
    Миниатюры Миниатюры Нажмите на изображение для увеличения. 

Название:	offline_psu_big2.GIF 
Просмотров:	31549 
Размер:	33.0 Кб 
ID:	15589  

  2. #201
    Старый знакомый
    Регистрация
    02.11.2006
    Адрес
    Эстония, EU
    Возраст
    34
    Сообщений
    660

    По умолчанию Re: 500-700W Сетевой импульсник

    А что с выходом у этого бп? Напряжение не сильно плавает под большой нагрузкой? Скажем, 30А? Хотелось бы все-таки на TL494 построисть БП на 700Вт номинала.. Мощные полевики прямо на выходы 494 подцепить можно? Или без дополнительных драйверов не обойтись? При питании лм-ки от понижающего транса -12В соединить с минусом сетевого выпрямителя, или как? Хотелось бы сразу разузнать что да как, потом схему приблизительную начертить, подарпавить что где не так, и только после этого печатку делать..

  3. #202
    Частый гость
    Автор темы

    Регистрация
    01.03.2006
    Адрес
    Литва, Вильнюс
    Возраст
    41
    Сообщений
    175

    По умолчанию Re: 500-700W Сетевой импульсник

    SacreD, ты вообще погугли чтоли, о том что такое мосфет, как его драйвить, какие топологии на какие мощи лучче делать

  4. #203
    Частый гость
    Регистрация
    06.01.2008
    Адрес
    Днепропетровск, Украина
    Сообщений
    130

    По умолчанию Re: 500-700W Сетевой импульсник

    дали бы лучше молодому шикарному человеку схему, что бы он себе мозги не @бал

  5. #204
    Забанен (навсегда)
    Регистрация
    27.02.2005
    Адрес
    село Самбек
    Сообщений
    2,080

    По умолчанию Re: 500-700W Сетевой импульсник


    Offтопик:
    Plutishka, дык именно потому лучше и не давать.

  6. #205
    Завсегдатай Аватар для MikeF
    Регистрация
    04.11.2004
    Адрес
    Кемерово
    Возраст
    42
    Сообщений
    3,107

    По умолчанию Re: 500-700W Сетевой импульсник

    Цитата Сообщение от Plutishka Посмотреть сообщение
    молодому шикарному человеку
    как-то это не очень хорошо звучит из уст мужчины
    Для связи: Skype и почта на моём сайте в профиле.
    С уважением,
    Михаил.

  7. #206
    Регистрация не подтверждена
    Регистрация
    02.03.2007
    Адрес
    Воронеж
    Возраст
    69
    Сообщений
    708

    По умолчанию Re: 500-700W Сетевой импульсник

    Цитата Сообщение от Plutishka Посмотреть сообщение
    что бы он себе мозги не @бал
    На горе стоит верблюд.
    Его четверо поймали и надругались.
    Плачь, верблюд, день сегодня не твой.
    Снизу, из долины Хироку,
    Поднимаются к тебе еще четверо.

  8. #207
    Частый гость
    Регистрация
    06.01.2008
    Адрес
    Днепропетровск, Украина
    Сообщений
    130

    По умолчанию Re: 500-700W Сетевой импульсник


  9. #208
    Старый знакомый
    Регистрация
    02.11.2006
    Адрес
    Эстония, EU
    Возраст
    34
    Сообщений
    660

    По умолчанию Re: 500-700W Сетевой импульсник

    Что скажете насчет этой схемы? стоит она того чтобы ее собрать? В ней нет стабилизации Uвых. Как ее оформить? вернее, какие детали на схеме оставить в цепях одного из компораторов? (например 1 и 2 ноги)
    Подсчитал габаритку такого транса (3 шт. 45*28*8мм М2000НМ подразумевались скорее всего), и того почти киловатт? Я правильно рассчитал? заявленная мощность ибп 600Вт. Количество витков развечто не совпадает.
    Миниатюры Миниатюры Нажмите на изображение для увеличения. 

Название:	Power1b2.gif 
Просмотров:	1502 
Размер:	15.4 Кб 
ID:	26426   Нажмите на изображение для увеличения. 

Название:	tr.GIF 
Просмотров:	615 
Размер:	31.3 Кб 
ID:	26427  

  10. #209
    Частый гость
    Автор темы

    Регистрация
    01.03.2006
    Адрес
    Литва, Вильнюс
    Возраст
    41
    Сообщений
    175

    По умолчанию Re: 500-700W Сетевой импульсник

    Пилять, ну скока вам говорить что пуш-пулл на сетевое напряжение НЕ ДЕЛАТЬ. Если так хочется сделай на ИР2155 на форуме полно тем.


    Plutishka, может за него еще и развести и запаять ?

  11. #210
    Старый знакомый
    Регистрация
    02.11.2006
    Адрес
    Эстония, EU
    Возраст
    34
    Сообщений
    660

    По умолчанию Re: 500-700W Сетевой импульсник

    А я и не имел ввиду то, что кто-либо будет за меня печатку разводить. Мало ли кто собирал подобные девайсы, заделился бы.. Что касается ИР2153-55 желание как-то было собрать, да вот только выход у нее нестабилизированный, это плохо. Всмысле у ибп на ней. Моща нормальная, а обратной связи никакой.. Мне макс. +-1% стабильность нужна

    Добавлено через 7 минут
    По каким причинам сетевой пуш-пульник - однозначно гавно? На какое напряжение транзисторы хотябы нужны? 900В, не меньше?
    Последний раз редактировалось SacreD; 28.01.2008 в 23:39. Причина: Добавлено сообщение

  12. #211
    Частый гость
    Автор темы

    Регистрация
    01.03.2006
    Адрес
    Литва, Вильнюс
    Возраст
    41
    Сообщений
    175

    По умолчанию Re: 500-700W Сетевой импульсник

    SacreD, слушай ты форум вообще читаешь ?

    Хочу/надо/хочу/надо, напряги древесину головоного мозга в конце концов, поищи что-ли.

    Стабилизация ? Ага, я уже хороший год курю теорию как это правильно делать, у меня до сих пор не вышло то что я хотел.

  13. #212
    Старый знакомый
    Регистрация
    02.11.2006
    Адрес
    Эстония, EU
    Возраст
    34
    Сообщений
    660

    По умолчанию Re: 500-700W Сетевой импульсник

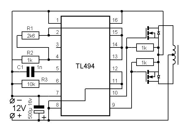
    Тогда будем по существу, насчет TL494. Схему выдрал из повышающего ПН.
    Если я хочу использовать ее только в качестве ЗГ, питающего только полевики на выходе согласующего транса, то что грамотнее будет поставить в качестве первичных ключей (на схеме) - полевики или биполяры? Насколько правильно вообще оформлена конструкция? частота преобразования как понимаю порядка 100кгц. Согласующий транс от компового ибп сойдет? Там нужное соотношение виткой, или самому перематывать придется? На его выходе планирую 2 полевика, питалово 2*200В кондера, двухтактник. И еще. Чтобы обеспечить стабилизацию Uвых надо на 1 и 2 ноги лм-ки подать 5В с потенциометра на выходе, так? В таком случае что с резюком R1 делать? выкинуть или оставить на 2 ноге?
    Спасибо.
    Миниатюры Миниатюры Нажмите на изображение для увеличения. 

Название:	494.gif 
Просмотров:	654 
Размер:	7.7 Кб 
ID:	26496  

  14. #213
    Частый гость
    Регистрация
    24.03.2006
    Сообщений
    204

    По умолчанию Re: 500-700W Сетевой импульсник

    Цитата Сообщение от SacreD Посмотреть сообщение
    Тогда будем по существу, насчет TL494. Схему выдрал из повышающего ПН.
    Если я хочу использовать ее только в качестве ЗГ, питающего только полевики на выходе согласующего транса, то что грамотнее будет поставить в качестве первичных ключей (на схеме) - полевики или биполяры? Насколько правильно вообще оформлена конструкция? частота преобразования как понимаю порядка 100кгц. Согласующий транс от компового ибп сойдет? Там нужное соотношение виткой, или самому перематывать придется? На его выходе планирую 2 полевика, питалово 2*200В кондера, двухтактник. И еще. Чтобы обеспечить стабилизацию Uвых надо на 1 и 2 ноги лм-ки подать 5В с потенциометра на выходе, так? В таком случае что с резюком R1 делать? выкинуть или оставить на 2 ноге?
    Спасибо.
    Что то ты ОЧЕНЬ круто взял - не зная начинки комповского транса взялся импульсник на 100 кГц городить... А уверен ли ты что сможешь правильно печатку развести для такой частоты????
    Я бы посоветовал для начла что то на 30 кГц вылепить, уверен - будут трупы, на 100 кГц их будет значительно больше...
    Есть несколько волшебных сайтов на которых можно взять даташники на TL494
    http://www.alldatasheet.com
    http://www.DataSheet4U.com
    http://www.datasheetcatalog.net
    и надо бы хотя бы частично их перевести и понять как этот зверек работает.
    Для затравки почитай тут: http://interlavka.narod.ru/nabor/nabpreobra01.htm
    Когда без силовых ключей сможешь регулировать ширину выходнгых импульсов, тогда можно и силовой части поговорить, а пока читай...


    Offтопик:
    Чукча в союзе писателей вымораживает себе удостоверение, ну собрали комисию, началали вопросы задавать:
    - Вы Горького читали?
    -Нет...
    -А Пушкина читали?
    -Нет...
    -И Лермонтова не читали?
    -Нет...
    -И Льва Толстого тоеж не читали???
    -Я не читатель!!! Я ПИСАТЕЛЬ!!!

  15. #214
    Старый знакомый
    Регистрация
    02.11.2006
    Адрес
    Эстония, EU
    Возраст
    34
    Сообщений
    660

    По умолчанию Re: 500-700W Сетевой импульсник

    misham69, 100кгц - это частота, на которой работал данный ибп.. Лично я собирался с ~40кгц начать, потом постепенно кгц до 80 поднять и остановиться. Про разводку платы - понимаю, попариться еще придется.. А что касается самой-то схемы? Может какие номиналы подменить надо, кроме R3? Его думаю до 50кОм увеличить. Мосфеты на 600В сойдут? или не помешает немного перестраховаться?
    Да и потом, разводку печатки думаю можно и тут будет выложить на всеобщее обозрение и критику, подправить и приняться за дело.
    Последний раз редактировалось SacreD; 30.01.2008 в 17:45.

  16. #215
    Частый гость
    Регистрация
    24.03.2006
    Сообщений
    204

    По умолчанию Re: 500-700W Сетевой импульсник

    Постепенно увеличивать это как? Для большей частоты надо бы витков по меньше, иначе потери будут...
    Ксати, мой хороший знакомый этой заразой тоже заразился - протекание болезни можно посмотреть тут:
    http://forum.cxem.net/index.php?s=&s...dpost&p=242821 , в этой же ветке есть еще немного полезной инфы на эту тему...

  17. #216
    Старый знакомый
    Регистрация
    02.11.2006
    Адрес
    Эстония, EU
    Возраст
    34
    Сообщений
    660

    По умолчанию Re: 500-700W Сетевой импульсник

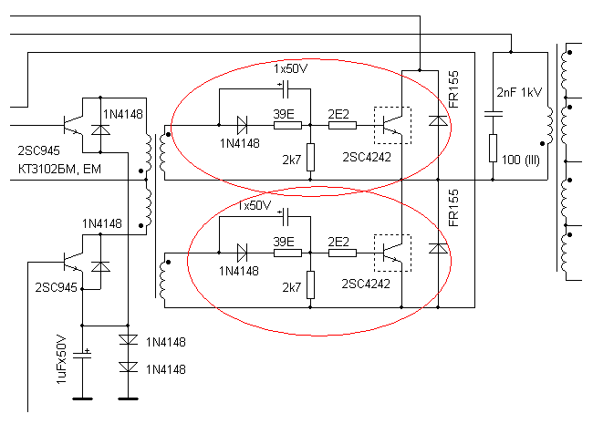
    misham69, спасибо за ссылку, полистал. Выходит, собирают люди двухтактники тл494 на большие мощности. Что касательно "постепенного увеличения частоты" - это, естественно, с учетом пересчета витков первички-вторички, перемотки транса. а ведь можно IR2110 драйвер заменить на согласующий транс от АТХ, как я предлагал выше? в таком случае на выходе получаем, скажем, +-10В. В цепи затворов силовых ключей надо что-либо будет устанавливать, кроме разрядного резистора? 400-вольтовым ключам в двухтактнике плохо не станет?? (2*160В на кондерах). IRFP360 хорошая альтернатива?
    Ниже - схема на согласующем трансе, однако стоят не полевики, биполяры. Вот отсюда и возник вопрос: нужны ли эти детали? или можно будет ограничиться резисторами по 100-1000 Ом параллельно вторичкам на управление полевиками?
    Миниатюры Миниатюры Нажмите на изображение для увеличения. 

Название:	atxx.gif 
Просмотров:	742 
Размер:	9.6 Кб 
ID:	26569  

  18. #217
    Частый гость
    Регистрация
    24.03.2006
    Сообщений
    204

    По умолчанию Re: 500-700W Сетевой импульсник

    Ну ты сам посмотри сколько деталюшек надо вместо одной микрухи...
    IRFP360 транзисторы весьма достойные, ксати сказать Корольков тут где схему выкладывал на них, причем 2 варианта...
    Единственно что я туго понял - он использует феррит от ТПИ и мощи получается порядка 2 кВт на 100 кГц. Однако сие есть заманчиво ОЧЕНЬ, да вот только Корольков есть работник фирмы которая занимается производством подобных источников питания. Не думаю что свободно будут разбазариваться комерческие проекты достоверно, хотя саму идею построения можно взять, ну и денег подсобирать для опытов - трупы будут однозначно, а бойцы для такой игрушки не дешевы...

  19. #218
    Старый знакомый
    Регистрация
    02.11.2006
    Адрес
    Эстония, EU
    Возраст
    34
    Сообщений
    660

    По умолчанию Re: 500-700W Сетевой импульсник

    На 100кгц надо ого-го как постараться будет печатку правильно развести..
    Насчет деталюшек - так для полевиков я думаю они не к чему. просто резюками помощнее зашунтировать вторички согласующего, чтоб завтворные емкости успевали разряжаться. Что по этому поводу думают остальные? По поводу выпрямителя на вторичке силового транса - от транса до диодов будет расстояние около 15см. Это нормально, или будут ниипенные потери на этих проводах? просто есть кулер CPU установленный в корпусе, а плата будет немного в отдалении от него.. не хотелось бы что-либо переделывать с корпусом.
    По поводу самого транса. Если грамотно склеить кольца в тисках - возможно ли их число увеличить до 10? Транс будет большой, но хоть с запасом, а то пишет мне при расчете постоянно что импульсы на выходе будут непрямоугольными при загруженности транса более ~60%.

  20. #219
    Новичок Аватар для Bender
    Регистрация
    28.12.2005
    Адрес
    Красногорск
    Сообщений
    1,595

    По умолчанию Re: 500-700W Сетевой импульсник


    Offтопик:
    Цитата Сообщение от SacreD Посмотреть сообщение
    На 100кгц надо ого-го как постараться будет печатку правильно развести..
    у меня аналогичный девайс работает на 400кГц без проблем, печатка разведена с первого раза, напряжения конечно не сетевые, но всё же. Последующие изменения топологии, силовой части не касались

  21. #220
    Частый гость
    Регистрация
    24.03.2006
    Сообщений
    204

    По умолчанию Re: 500-700W Сетевой импульсник

    Ну так схемку бы и положил для общего развития....

Страница 11 из 98 Первая ... 91011121321 ... Последняя

Социальные закладки

Социальные закладки

Ваши права

  • Вы не можете создавать новые темы
  • Вы не можете отвечать в темах
  • Вы не можете прикреплять вложения
  • Вы не можете редактировать свои сообщения
  •