Страница 102 из 546 Первая ... 92100101102103104112 ... Последняя
Показано с 2,021 по 2,040 из 10911

Тема: Импульсные источники питания и преобразователи.

  1. #1 Показать/скрыть первое сообщение.
    Регистрация не подтверждена
    Автор темы
    Аватар для TDA
    Регистрация
    30.10.2004
    Адрес
    Люберцы
    Возраст
    40
    Сообщений
    1,190

    По умолчанию Импульсные источники питания и преобразователи.

    Приветствую!
    Раньше помоему тут небыло темы в которой обсуждались бы только ИБП и преобразователи напряжения.
    Щас меня интересует эта схема полумостового ИБП
    Последний раз редактировалось лысый; 09.03.2007 в 19:59.

  2. #2021
    Новичок
    Регистрация
    17.05.2006
    Адрес
    Кишинев
    Сообщений
    64

    По умолчанию Re: Импульсные источники питания и преобразователи.

    Ну ты реальный пошляк !!! Зачем ты ставишь такой контроллер и линейные стабилизаторы на выходе? для этого существует ШИМ стабилизация! и в этом чипе, читай даташит.
    Опяжь же все к тому, чтоб делать провереннный вариант, то бишь на ирке или ТЛ494 (или как там у вас - ...еу4), а вообще переделай старый Ат/АТХ блок.
    Последний раз редактировалось chip_ed; 03.12.2007 в 00:15. Причина: +100 на грудь

  3. #2022
    Новичок
    Регистрация
    05.11.2007
    Сообщений
    85

    По умолчанию Re: Импульсные источники питания и преобразователи.

    Зачем вы предлагаете переделывать старые АТХ блоки питания от компа? Которых, кстати, у меня нет. думается мне,что там гемора не меньше чем сделать новый... Вы лучше помогите по конкретной моей схеме, направьте в нужную сторону....
    Если управление полевиками плохое, так скажите какое хорошее с применением этой микрухи. Если стабилизация плохая, так с линейником на выходе она не будет плохой, разве нет? Линейник также отфильтрует выход БП от ВЧ помех и 100Гц пульсации сети... А шим от 100Гц сетевых помех НЕ ЗАЩитит....
    Защиту от кз обязательно сделаю.... Поставлю трансформатор тока..

  4. #2023
    Забанен (навсегда)
    Регистрация
    27.02.2005
    Адрес
    село Самбек
    Сообщений
    2,080

    По умолчанию Re: Импульсные источники питания и преобразователи.

    Цитата Сообщение от Misterioo Посмотреть сообщение
    Защиту от кз обязательно сделаю.... Поставлю трансформатор тока..
    Ну прилепится ещё кусочек. Так можно тулить что и куда угодно.
    Misterioo, вот прям сейчас на своём компе выберите мышкой файлик со своей схемой и нажмите шыфт-дел. И это будет правильно. Помните: хоспадя, дай ума не браться за то, что не могу сделать, дай терпения закончить что могу сделать и дай мудрости отличить одно от другого. Тут явная проблема с первым и последним.

  5. #2024
    Старый знакомый Аватар для strannicmd
    Регистрация
    28.04.2006
    Адрес
    Modena (I)
    Возраст
    62
    Сообщений
    903

    По умолчанию Re: Импульсные источники питания и преобразователи.

    Цитата Сообщение от лысый Посмотреть сообщение
    хоспадя, дай ума не браться за то, что не могу сделать, дай терпения закончить что могу сделать и дай мудрости отличить одно от другого.
    лысый, Это для ветки " Мысли Великих"...

  6. #2025
    Регистрация не подтверждена
    Регистрация
    22.11.2005
    Адрес
    Москва
    Возраст
    45
    Сообщений
    185

    По умолчанию Re: Импульсные источники питания и преобразователи.

    Цитата Сообщение от Misterioo Посмотреть сообщение
    А шим от 100Гц сетевых помех НЕ ЗАЩитит....
    А почему решили что пульсации 100Гц нельзя компенсировать ШИМом?

  7. #2026
    Частый гость Аватар для Против TDA
    Регистрация
    23.02.2006
    Адрес
    Москва
    Возраст
    35
    Сообщений
    475

    По умолчанию Re: Импульсные источники питания и преобразователи.

    Мой моск не понимает, как можно на импульснике услышать помехи от 100гц?Переделывал комповый БП, без нагруза ничего не слышно)Как ни пыталсо я прислушаться, ну а под нагрузкой хорошей, это само-собой, хотя это не так явно, чтобы заострять на этом внимание.
    Просто Саня ;)

  8. #2027
    Новичок
    Регистрация
    04.12.2007
    Сообщений
    14

    По умолчанию Re: Импульсные источники питания и преобразователи.

    народ подкиньте какую-нибудь схему ибп от12в

  9. #2028
    Новичок
    Регистрация
    29.11.2007
    Сообщений
    7

    По умолчанию Re: Импульсные источники питания и преобразователи.

    Большое спабибо всем участникам форума. Можно к вам присоединиться?
    В имп.БП я новичок но старый. Была нужда в ибп .(год назад сделал сыну
    Комбик, стало больно смотреть как он его таскает).3 дня сидел читал вашу
    Ветку, день паял, спалил пару тр., но все успешно заработало спасибо вам.
    Iхх=60ма Iн=2 автолампы.По мотивам вашей ветки сваял схему на 3525+2113
    (сначала на 2153 но Не понравилось т.к. она тупая -пытался сделать в связке с 3525 Без RC цепи Во время мягкого запуска 3525 2153 пытается сделать свою сважность На выходе хрень,вот и спалил транзюки).В связи с этим есть у деда пара вопросов И по теории и по практике(начинал на П416 новую элем.базу знаю плохо.).Теперь хочу сделать для себя регулируемый и не только аккум. Заряжать.
    .Помогите деду,пожалуйста а то в маг. Все дорого. А я 40лет в лаборат. Но не потому Профилю. Заранее благодарствую.не ответите старому новичку не обижусь.еще раз
    Спасибо. дедsasa.

  10. #2029
    Забанен (навсегда)
    Регистрация
    27.02.2005
    Адрес
    село Самбек
    Сообщений
    2,080

    По умолчанию Re: Импульсные источники питания и преобразователи.

    Дед sasa, возьмите uc3844, она во многих лавках продаётся, и с тем же драйвером 2113, ну или 2110 соберите однотактный прямоходовый т.н. "косой" мост. Это дубовая весч. Делать двутактный регулируемый не советовал бы, не такая простая это задачка, тем более на 3825, тем более с поцикловым ограничением тока.
    Можно 3842+2113 и тот же "косой", но обратноходовый.

  11. #2030
    Новичок
    Регистрация
    29.11.2007
    Сообщений
    7

    По умолчанию Re: Импульсные источники питания и преобразователи.

    Большое спабибо всем участникам форума. Можно к вам присоединиться?
    В имп.БП я новичок но старый. Была нужда в ибп .(год назад сделал сыну
    Комбик, стало больно смотреть как он его таскает).3 дня сидел читал вашу
    Ветку, день паял, спалил пару тр., но все успешно заработало спасибо вам.
    Iхх=60ма Iн=2 автолампы.По мотивам вашей ветки сваял схему на 3525+2113
    (сначала на 2153 ноНе понравилось т.к. она тупая -пытался сделать в связке с 3525
    Без RC цепи Во время мягкого запуска 3525 2153 пытается сделать свою сважность
    На выходе хрень,вот и спалил транзюки).В связи с этим есть у деда
    пара вопросов И по теории и по практике(начинал на П416 новую элем.базу
    знаю плохо.).Теперь хочу сделать для себя регулируемый и не только аккум. Заряжать.
    .Помогите деду,пожалуйста а то в маг. Все дорого. А я 40лет в лаборат. Но не потому
    Профилю. Заранее благодарствую.не ответите старому новичку не обижусь.еще раз
    Спасибо. дедsasa.

    Добавлено через 27 минут
    лысый Дед sasa, возьмите uc3844,
    3525 я уже купил.Доволен выбором. Все заработало.
    Чем руководствовался при выборе:
    мягкий запуск
    возможность стабилизации (уже работает спасибо вам)
    2х тактник (значит можно умощниться,т.к. сын сейчас
    уже просит 2*200вт)
    а вопрос у меня такой как сделать на этой базе стабилизатор
    тока?
    датчик тока в схеме есть.
    Последний раз редактировалось sasa; 05.12.2007 в 14:25. Причина: Добавлено сообщение

  12. #2031
    Старый знакомый Аватар для strannicmd
    Регистрация
    28.04.2006
    Адрес
    Modena (I)
    Возраст
    62
    Сообщений
    903

    По умолчанию Re: Импульсные источники питания и преобразователи.

    Цитата Сообщение от sasa Посмотреть сообщение
    3525 я уже купил.Доволен выбором. Все заработало.
    Цитата Сообщение от sasa Посмотреть сообщение
    а вопрос у меня такой как сделать на этой базе стабилизатор
    тока?
    датчик тока в схеме есть.
    Схему в студию, плз.

  13. #2032
    Новичок
    Регистрация
    05.11.2007
    Сообщений
    85

    По умолчанию Re: Импульсные источники питания и преобразователи.

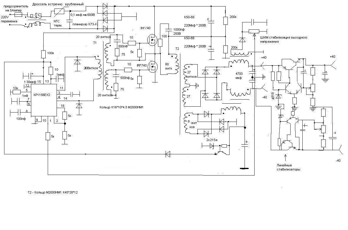
    Перед вами модернизированная схемка импульсника , ценим и высказываемся... Будут у меня идеи еще, модернизирую снова, а пока недостатки явные убраны... Смотрите
    Миниатюры Миниатюры Нажмите на изображение для увеличения. 

Название:	блок питаниямод.JPG 
Просмотров:	1148 
Размер:	101.8 Кб 
ID:	24195  

  14. #2033
    Новичок
    Регистрация
    29.11.2007
    Сообщений
    7

    По умолчанию Re: Импульсные источники питания и преобразователи.

    лысый

    Дед sasa, возьмите uc3844…
    Микр.3525 доволен:защита по току
    Ус.ошибки,shutdown.
    Зачем другую брать, если эта хороша
    И работает? А вопрос такой. 1.Какие
    Соображения есть по поводу стаб.тока.
    Неохота велосипед изобретать.(напр.
    Вых.стаб напр + вых напр.от датчика
    Тока ч\з сх или).
    2.сейчас сын просит отдельный усь 2*200-250.
    У меня навалом трансов от РС а т.к.
    Они дают 21-22в при скважн.50 то
    Двух мне для мостовой сх хватит.
    Можно ли сделать сх из двух тр. С уважением
    Дедsasa
    p.s заодно би научили как вашим форумом
    пользоваться.отправляю сообщ. его вижу,
    захожу на форум -его нет.102стр тоже нет
    во время отправки вижу сообщ strannicmd
    вышли сх захожу опять в форум ни х не вижу.
    вижу посл сообщ 2030 чо за глюки? или я к
    вашему форуму приноровиться не могу?

    Добавлено через 34 минуты
    strannicmd,
    как сх вложить?
    Последний раз редактировалось sasa; 06.12.2007 в 11:59. Причина: Добавлено сообщение

  15. #2034
    Новичок
    Регистрация
    29.11.2007
    Сообщений
    7

    По умолчанию Re: Импульсные источники питания и преобразователи.

    strannicmd,
    вот сх.
    Вложения Вложения

  16. #2035
    Старый знакомый Аватар для strannicmd
    Регистрация
    28.04.2006
    Адрес
    Modena (I)
    Возраст
    62
    Сообщений
    903

    По умолчанию Re: Импульсные источники питания и преобразователи.

    Цитата Сообщение от sasa Посмотреть сообщение
    вот сх.
    А где развязка?

  17. #2036
    Новичок
    Регистрация
    29.11.2007
    Сообщений
    7

    По умолчанию Re: Импульсные источники питания и преобразователи.

    Цитата Сообщение от strannicmd Посмотреть сообщение
    А где развязка?
    какую развязку имееш ввиду?если сеть,то питаю с платы
    писюка,если по выходу,то дросели не рисовал (эта сх.
    рисов.быстро чтоб под рукой паять удобней), а просто
    показал ОС на стабил. напр.На макете все работает
    для 1 комбика хватит(в мосту тда 2794).Но пока макет не
    разобрал хочу поэкперем. для себя зарядное желат. с
    источн. тока.вопрос задан выше.Сам сейчас пробую ч\з
    диодн схему ИЛИ (т.к. ус ош =1). О рез. ест. доложу т.к. я
    ваш должник(в форуме нашел все что надо было,еще раз
    спасибо).но все это на сл неделе т.к. пятн у нас короткий
    день.

  18. #2037
    Регистрация не подтверждена
    Регистрация
    22.11.2005
    Адрес
    Москва
    Возраст
    45
    Сообщений
    185

    По умолчанию Re: Импульсные источники питания и преобразователи.

    Цитата Сообщение от Misterioo Посмотреть сообщение
    Перед вами модернизированная схемка импульсника , ценим и высказываемся... Будут у меня идеи еще, модернизирую снова, а пока недостатки явные убраны... Смотрите
    ТЫ хоть понял что нарисовал? шим стабилизацию завёл с выходного дросселя ты чего? он у тебя будет фиг знает что стабилизировать. вешай TL431, оптопару делай как положено
    а с выхода линейный стабилизатор убирай, нах надо шим+линейный?

  19. #2038
    Частый гость Аватар для Против TDA
    Регистрация
    23.02.2006
    Адрес
    Москва
    Возраст
    35
    Сообщений
    475

    По умолчанию Re: Импульсные источники питания и преобразователи.

    Цитата Сообщение от Misterioo Посмотреть сообщение
    Перед вами модернизированная схемка импульсника , ценим и высказываемся... Будут у меня идеи еще, модернизирую снова, а пока недостатки явные убраны... Смотрите
    Кхм, там явно просматривается дестабилизация))Вы сами посмотрите, чем больше ток через дроссель, тем больше падение напруги, тем больше на ногу стабилизации, тем меньше напряжение на выходе.

    Добавлено через 7 минут
    Цитата Сообщение от Алижан Посмотреть сообщение
    нах надо шим+линейный?
    Холодно, зима на дворе, греться-то надо)))
    Последний раз редактировалось Против TDA; 07.12.2007 в 10:11. Причина: Добавлено сообщение
    Просто Саня ;)

  20. #2039
    Не хочу! Аватар для Alex
    Регистрация
    20.03.2003
    Адрес
    Worldwide
    Возраст
    63
    Сообщений
    39,056

    По умолчанию Re: Импульсные источники питания и преобразователи.

    Цитата Сообщение от Алижан Посмотреть сообщение
    Сообщение от Misterioo
    Перед вами модернизированная схемка импульсника , ценим и высказываемся... Будут у меня идеи еще, модернизирую снова, а пока недостатки явные убраны... Смотрите

    ТЫ хоть понял что нарисовал?
    Оставь, бессмысленно.
    "Дроссель встречно врубленный" - это пестня!
    "Замполит, чайку?"(с)"Охота за Красным Октябрем".
    "Да мне-то что, меняйтесь!"(с)анек.
    <-- http://altor1.narod.ru --> Вопросы - в личку, е-мейл, скайп.

  21. #2040
    Старый знакомый Аватар для strannicmd
    Регистрация
    28.04.2006
    Адрес
    Modena (I)
    Возраст
    62
    Сообщений
    903

    По умолчанию Re: Импульсные источники питания и преобразователи.

    Цитата Сообщение от sasa Посмотреть сообщение
    какую развязку имееш ввиду?
    Как у тебя сеть развязана от выхода? ОС не развязана...

Страница 102 из 546 Первая ... 92100101102103104112 ... Последняя

Социальные закладки

Социальные закладки

Ваши права

  • Вы не можете создавать новые темы
  • Вы не можете отвечать в темах
  • Вы не можете прикреплять вложения
  • Вы не можете редактировать свои сообщения
  •