Страница 101 из 104 Первая ... 9199100101102103 ... Последняя
Показано с 2,001 по 2,020 из 2072

Тема: Минимонитор Асалаб 5+1

  1. #1 Показать/скрыть первое сообщение.
    Давно не заходил
    Автор темы

    Регистрация
    21.01.2011
    Адрес
    Оренбург
    Сообщений
    741

    По умолчанию Минимонитор Асалаб 5+1

    Решено было сделать очень маленькие колонки с вау эффектом по басу.
    Для этого нужен был динамик с мощным магнитом, большим ходом и тяжелой подвижкой, выбор пал на Асалаб B1354.8.
    Нажмите на изображение для увеличения. 

Название:	eliglHVF_GY.jpg 
Просмотров:	5247 
Размер:	282.5 Кб 
ID:	205462Нажмите на изображение для увеличения. 

Название:	Godjtoyn1Wg.jpg 
Просмотров:	5074 
Размер:	163.5 Кб 
ID:	205463Нажмите на изображение для увеличения. 

Название:	oAyO81rafrQ.jpg 
Просмотров:	4400 
Размер:	215.0 Кб 
ID:	205464

    Вч хотелось разместить, как можно ближе к нч чтобы расширить ДН, нужен вч с маленьким фланцем, выбор - Асалаб T252.1.8( Асалаб перепутали наклейку, пищалка T252.1.8).
    Нажмите на изображение для увеличения. 

Название:	9kpd2u9Abbg.jpg 
Просмотров:	4287 
Размер:	180.5 Кб 
ID:	205465Нажмите на изображение для увеличения. 

Название:	Gm4XUhSCIa0.jpg 
Просмотров:	5964 
Размер:	165.7 Кб 
ID:	205466

    Динамики приехали, сделан ящик (Размеры (ВхШХГ) 250х170х280 мм) 6 литров 55гц фи порт сзади (15x138, длина 195)
    Нажмите на изображение для увеличения. 

Название:	7Qop-OTt-pw.jpg 
Просмотров:	6780 
Размер:	205.3 Кб 
ID:	216857Нажмите на изображение для увеличения. 

Название:	nAZRLvUEN6M.jpg 
Просмотров:	8441 
Размер:	242.4 Кб 
ID:	205467Нажмите на изображение для увеличения. 

Название:	mhL-td0tpcY.jpg 
Просмотров:	6118 
Размер:	206.1 Кб 
ID:	218230

    Обмерены динамики в ящике, смоделено несколько вариантов фильтра, отслушаны, выбран был такой фильтр
    Нажмите на изображение для увеличения. 

Название:	xXiRbT2MzUw.jpg 
Просмотров:	9607 
Размер:	20.3 Кб 
ID:	233679Нажмите на изображение для увеличения. 

Название:	8rjMCgEmifU.jpg 
Просмотров:	5521 
Размер:	59.3 Кб 
ID:	205469

    Собраны в железе, обмерено
    Нажмите на изображение для увеличения. 

Название:	B7qdjm90xm4.jpg 
Просмотров:	7218 
Размер:	144.9 Кб 
ID:	205470Нажмите на изображение для увеличения. 

Название:	SoSnmK9Vz6s.jpg 
Просмотров:	4838 
Размер:	84.4 Кб 
ID:	205471Нажмите на изображение для увеличения. 

Название:	QOUEcqb8sBU.jpg 
Просмотров:	7937 
Размер:	261.9 Кб 
ID:	205472

    Итого: чувствительность в районе 85дб, мощность 50вт воспроизводят уверенно.

    Ответы на часто задаваемые вопросы:

    1) Вопрос: В прайсе Асалаб нет T252.1.8, на что заменить?
    Ответ: T252.1.8 производится, но отсутствует в прайсе.

    2) Вопрос: Из какого материала, и какой толщины стенки корпуса?
    Ответ: Материал МДФ толщиной 16мм.

    3) Вопрос: ФИ сзади, как близко можно ставить акустику к стене?
    Ответ: Расстояние от ФИ до стены менее 2см начинает нарушать работу ФИ.

    4) Вопрос: Можно вывести порт на лицевую часть АС?
    Ответ: Можно, но качество звука будет хуже.

    5) Вопрос: Можно вч динамик расположить по центру лицевой панели?
    Ответ: Можно, но качество звука будет хуже, возрастет неравномерность АЧХ вдвое и потребуется перенастройка фильтра.
    Вложения Вложения
    Последний раз редактировалось Alexsanderoff; 09.04.2016 в 09:16. Причина: FAQ

  2. #2001
    Частый гость Аватар для NikolayG
    Регистрация
    10.10.2018
    Адрес
    Санкт-Петербург
    Сообщений
    261

    По умолчанию Re: Минимонитор Асалаб 5+1

    Чтобы не было проблем с установкой ВЧ динамика(не за что цепляться шурупам),предлагаю дополнить отверстие для него ещё одной ступенькой.Крепёжный компаунд на динамике не сошлифовывать(ослабляется крепление),а снять фаски в ступенях наждачкой.В нижнем отверстии сделать выборки круглым напильником,для выводов звуковой катушки.Крепить динамики шурупами,диаметром до 3 мм.Нажмите на изображение для увеличения. 

Название:	IMG_20231104_140337.jpg 
Просмотров:	288 
Размер:	1.43 Мб 
ID:	443375Или крепить на винтах,без применения закладных гаек,сделав 2 кольцевые пластины.Они заранее крепятся к внутренней стороне лицевой панели двумя шурупами.Этот способ подходит и для уже полностью склеенных корпусов с одной ступенькой в отверстии.Нажмите на изображение для увеличения. 

Название:	IMG_20231104_173213.jpg 
Просмотров:	219 
Размер:	1.24 Мб 
ID:	443376

  3. #2002
    Завсегдатай Аватар для nikolayms
    Регистрация
    14.06.2006
    Адрес
    г. Первоуральск (рядом с Екатеринбургом)
    Возраст
    45
    Сообщений
    2,876

    По умолчанию Re: Минимонитор Асалаб 5+1

    NikolayG, классно придумал!
    ВейвКорп - это тоже я.

  4. #2003
    Давно не заходил
    Регистрация
    30.09.2018
    Адрес
    Подмосковье
    Сообщений
    19

    По умолчанию Re: Минимонитор Асалаб 5+1

    Подскажите пожалуйста, почему в фильтрах у Грависена для 2-х полосных систем с похожими схемами фильтров, подключение твитера инвертировано, а у 5+1 - нет?

  5. #2004
    Завсегдатай Аватар для mAxSpace
    Регистрация
    19.05.2008
    Адрес
    Москва
    Сообщений
    19,113

    По умолчанию Re: Минимонитор Асалаб 5+1

    Цитата Сообщение от Magyar Посмотреть сообщение
    Подскажите пожалуйста, почему в фильтрах у Грависена для 2-х полосных систем с похожими схемами фильтров, подключение твитера инвертировано, а у 5+1 - нет?
    Потому что ФЧХ динамиков разные.
    И похожесть фильтров может быть только на схеме. При этом передаточные сильно отличаться.

  6. #2005
    Давно не заходил
    Регистрация
    07.10.2007
    Адрес
    Москва
    Возраст
    67
    Сообщений
    11,588

    По умолчанию Re: Минимонитор Асалаб 5+1

    Цитата Сообщение от mAxSpace Посмотреть сообщение
    Потому что ФЧХ динамиков разные.
    И похожесть фильтров может быть только на схеме. При этом передаточные сильно отличаться.
    А если представить что все может быть сильно иначе...

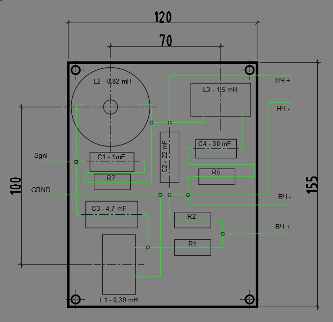
  7. #2006
    Давно не заходил
    Регистрация
    30.09.2018
    Адрес
    Подмосковье
    Сообщений
    19

    По умолчанию Re: Минимонитор Асалаб 5+1

    Нажмите на изображение для увеличения. 

Название:	фильтр для 5+1-Лист1.jpg 
Просмотров:	247 
Размер:	62.2 Кб 
ID:	443785
    Покритикуйте что ли...

  8. #2007
    Завсегдатай Аватар для diman_dda
    Регистрация
    14.08.2010
    Адрес
    Краснодарский край
    Возраст
    39
    Сообщений
    2,730

    По умолчанию Re: Минимонитор Асалаб 5+1

    R2R1 поменяй местами с L1. Плата станет короче.

    Offтопик:
    https://zen.yandex.ru/id/6020fc7b88c905551618d304

  9. #2008
    Частый гость Аватар для NikolayG
    Регистрация
    10.10.2018
    Адрес
    Санкт-Петербург
    Сообщений
    261

    По умолчанию Re: Минимонитор Асалаб 5+1

    Намотал катушки.Деревянные каркасы выточил из бука.Нажмите на изображение для увеличения. 

Название:	IMG_20231121_155124.jpg 
Просмотров:	234 
Размер:	1.06 Мб 
ID:	444447

  10. #2009
    Завсегдатай Аватар для diman_dda
    Регистрация
    14.08.2010
    Адрес
    Краснодарский край
    Возраст
    39
    Сообщений
    2,730

    По умолчанию Re: Минимонитор Асалаб 5+1

    Все 5" НЧ (54,24) исчезли из прайса. Всё разобрали к новому году? Хотел взять пару 1354.8

    Offтопик:
    https://zen.yandex.ru/id/6020fc7b88c905551618d304

  11. #2010
    Давно не заходил
    Регистрация
    30.09.2018
    Адрес
    Подмосковье
    Сообщений
    19

    По умолчанию Re: Минимонитор Асалаб 5+1

    Цитата Сообщение от diman_dda Посмотреть сообщение
    Все 5" НЧ (54,24) исчезли из прайса. Всё разобрали к новому году? Хотел взять пару 1354.8
    Надо запрос на почту писать. У них сайт и прайс может расходиться с реальностью.

  12. #2011
    лентяй Аватар для владимирр
    Регистрация
    06.11.2017
    Адрес
    Болото.
    Сообщений
    6,150

    По умолчанию Re: Минимонитор Асалаб 5+1

    Цитата Сообщение от diman_dda Посмотреть сообщение
    исчезли из прайса.
    Так и восьмёрки туда же.
    Цитата Сообщение от Magyar Посмотреть сообщение
    Надо запрос на почту писать
    Кто то помниться писал про 851 - нету
    Последний раз редактировалось владимирр; 17.12.2023 в 18:05.
    Оно конечно ничего, а случись что, вот тебе и пожалуйста!!!

  13. #2012
    Новичок Аватар для vredny_ded
    Регистрация
    11.02.2015
    Адрес
    где-то рядом..
    Сообщений
    72

    По умолчанию Re: Минимонитор Асалаб 5+1

    Цитата Сообщение от nikolayms Посмотреть сообщение
    NikolayG, классно придумал!
    "Всё уже украдено, до нас..." см пост #1833
    92 стр

  14. #2013
    Частый гость Аватар для NikolayG
    Регистрация
    10.10.2018
    Адрес
    Санкт-Петербург
    Сообщений
    261

    По умолчанию Re: Минимонитор Асалаб 5+1

    Цитата Сообщение от vredny_ded Посмотреть сообщение
    Сообщение от nikolayms
    NikolayG, классно придумал!
    "Всё уже украдено, до нас..."
    Эта фраза относится к кольцевым пластинам.А,касаемо фото,не все смотрят и вникают."Авторскими",если получу,поделюсь.

  15. #2014
    Новичок Аватар для vredny_ded
    Регистрация
    11.02.2015
    Адрес
    где-то рядом..
    Сообщений
    72

    По умолчанию Re: Минимонитор Асалаб 5+1

    Цитата Сообщение от NikolayG Посмотреть сообщение
    "Авторскими",если получу,поделюсь.
    Естественно. Изобретение века, однако..
    Жалко Асалабовцы никак не рекламируют свои проекты.
    А у них есть классные полочники.

  16. #2015
    Частый гость Аватар для NikolayG
    Регистрация
    10.10.2018
    Адрес
    Санкт-Петербург
    Сообщений
    261

    По умолчанию Re: Минимонитор Асалаб 5+1

    Сделал фильтры.Катушки закрепил вощёной нитью,стяжки жестковаты и со временем "дубеют".Узлы закреплены расплавленным воском.Стойки для подпайки проводов согнуты из медного провода(ф 1,25 мм),слегка расплющенного с одного края.Обмотаны проводом ф 0,5 мм и облужены.Нажмите на изображение для увеличения. 

Название:	IMG_20240228_165248.jpg 
Просмотров:	190 
Размер:	1.01 Мб 
ID:	453027Нажмите на изображение для увеличения. 

Название:	IMG_20240228_165432.jpg 
Просмотров:	146 
Размер:	1.15 Мб 
ID:	453028Нажмите на изображение для увеличения. 

Название:	IMG_20240304_161032.jpg 
Просмотров:	152 
Размер:	3.43 Мб 
ID:	453029
    Если платы сделаны из фанеры,то можно крепить детали фильтра припаивая их к таким стойкам,загнутым с обратной стороны платы,для фиксации.Нажмите на изображение для увеличения. 

Название:	IMG_20240413_204739.jpg 
Просмотров:	150 
Размер:	768.3 Кб 
ID:	453030

  17. #2016
    Новичок Аватар для vredny_ded
    Регистрация
    11.02.2015
    Адрес
    где-то рядом..
    Сообщений
    72

    По умолчанию Re: Минимонитор Асалаб 5+1

    Был сегодня в Асалабе. Послушал вот это -
    http://www.asalab.net/node/2076
    Это типа 5+1 "фирменные", но ВЧ другой -Т290.1.8 и немного другой корпус. НЧ тот же. Щелевой ФИ.
    Короче, алексанодровские 5+1 отдыхают...

  18. #2017
    лентяй Аватар для владимирр
    Регистрация
    06.11.2017
    Адрес
    Болото.
    Сообщений
    6,150

    По умолчанию Re: Минимонитор Асалаб 5+1

    Цитата Сообщение от vredny_ded Посмотреть сообщение
    Короче,
    Была бы повторяемость бошек можно и попробовать, а с этим проблема.
    Оно конечно ничего, а случись что, вот тебе и пожалуйста!!!

  19. #2018
    Частый гость Аватар для maksa
    Регистрация
    25.02.2008
    Сообщений
    315

    По умолчанию Re: Минимонитор Асалаб 5+1

    Цитата Сообщение от vredny_ded Посмотреть сообщение
    Был сегодня в Асалабе. Послушал вот это -
    http://www.asalab.net/node/2076
    Это типа 5+1 "фирменные", но ВЧ другой -Т290.1.8 и немного другой корпус. НЧ тот же. Щелевой ФИ.
    Короче, алексанодровские 5+1 отдыхают...
    А не низко ли высакочастотник поделен?
    Последний раз редактировалось maksa; 19.10.2024 в 14:55.

  20. #2019
    Частый гость Аватар для NikolayG
    Регистрация
    10.10.2018
    Адрес
    Санкт-Петербург
    Сообщений
    261

    По умолчанию Re: Минимонитор Асалаб 5+1

    Для вырезания отверстий под динамики сделал такую приспособу.Нажмите на изображение для увеличения. 

Название:	IMG_20240922_120623.jpg 
Просмотров:	87 
Размер:	1.50 Мб 
ID:	461772Нажмите на изображение для увеличения. 

Название:	IMG_20240922_120550.jpg 
Просмотров:	73 
Размер:	1.83 Мб 
ID:	461773Нажмите на изображение для увеличения. 

Название:	IMG_20240922_120908.jpg 
Просмотров:	70 
Размер:	1.38 Мб 
ID:	461774Нажмите на изображение для увеличения. 

Название:	IMG_20240922_132433.jpg 
Просмотров:	63 
Размер:	1.02 Мб 
ID:	461775Нажмите на изображение для увеличения. 

Название:	IMG_20240922_164555.jpg 
Просмотров:	59 
Размер:	1.57 Мб 
ID:	461777

    ---------- Сообщение добавлено 20.10.2024 в 16:29 ---------- Предыдущее сообщение было 19.10.2024 в 18:55 ----------

    Корпуса оклеены плёнкой "FIX",двумя кусками:верх-задн.стенка-низ и бок-лицевая-бок.Нажмите на изображение для увеличения. 

Название:	IMG_20240928_170138.jpg 
Просмотров:	86 
Размер:	1.22 Мб 
ID:	461802Нажмите на изображение для увеличения. 

Название:	IMG_20240928_170224.jpg 
Просмотров:	72 
Размер:	1.73 Мб 
ID:	461803Нажмите на изображение для увеличения. 

Название:	IMG_20240928_170328.jpg 
Просмотров:	60 
Размер:	1.40 Мб 
ID:	461804

  21. #2020
    Новичок Аватар для vredny_ded
    Регистрация
    11.02.2015
    Адрес
    где-то рядом..
    Сообщений
    72

    По умолчанию Re: Минимонитор Асалаб 5+1

    Цитата Сообщение от владимирр Посмотреть сообщение
    Была бы повторяемость бошек можно и попробовать, а с этим проблема.
    Ну, я своё мнение озвучил. А там как хотите..

    ---------- Сообщение добавлено 20:25 ---------- Предыдущее сообщение было 20:22 ----------

    Цитата Сообщение от maksa Посмотреть сообщение
    А не низко ли высакочастотник поделен?
    " применение нашей вч головки с керамическим куполом позволило обеспечить максимальную разборчивость в сч-вч диапазоне. "
    А это вопрос к разработчикам.
    Можно написать, спросить. Ребята они адекватные.
    По крайней мере мне всегда отвечают.

Страница 101 из 104 Первая ... 9199100101102103 ... Последняя

Метки этой темы

Социальные закладки

Социальные закладки

Ваши права

  • Вы не можете создавать новые темы
  • Вы не можете отвечать в темах
  • Вы не можете прикреплять вложения
  • Вы не можете редактировать свои сообщения
  •