Страница 1 из 3 123 Последняя
Показано с 1 по 20 из 56

Тема: Питание двух каналов от одной обмотки транса

  1. #1
    Новичок
    Автор темы

    Регистрация
    11.03.2005
    Адрес
    Волгоград
    Сообщений
    54

    Вопрос Питание двух каналов от одной обмотки транса

    Можно так питать каналы усилителей?
    Повлияет ли на качество сигнала?
    Миниатюры Миниатюры Нажмите на изображение для увеличения. 

Название:	v.gif 
Просмотров:	2397 
Размер:	2.8 Кб 
ID:	3659  

  2. #2
    Завсегдатай Аватар для PSV
    Регистрация
    07.05.2004
    Адрес
    Моск.обл.Черноголовка
    Возраст
    60
    Сообщений
    3,541

    По умолчанию Re: Питание двух каналов от одной обмотки транса

    Можно,только зачем тут два моста.Если есть желание поставить два моста,и в трансе среднюю точку на вторичке можно разделить,то лучше сделать два раздельных выпрямителя и запитать ими разные плечи.Среднюю точку ИП можно будет тогда вынести в произвольное место усилителя.
    Сергей.

  3. #3
    Не хочу! Аватар для Alex
    Регистрация
    20.03.2003
    Адрес
    Worldwide
    Возраст
    63
    Сообщений
    39,103

    По умолчанию Re: Питание двух каналов от одной обмотки транса

    Цитата Сообщение от Resistant
    Можно так питать каналы усилителей?
    Нельзя.
    И вообще - ставить два мостика к одной обмотке, при наличии потом общего провода, совершенно бесмысленно.
    "Замполит, чайку?"(с)"Охота за Красным Октябрем".
    "Да мне-то что, меняйтесь!"(с)анек.
    <-- http://altor1.narod.ru --> Вопросы - в личку, е-мейл, скайп.

  4. #4
    полный песец
    Регистрация
    02.03.2005
    Адрес
    Jerusalem
    Возраст
    62
    Сообщений
    1,054

    По умолчанию Re: Питание двух каналов от одной обмотки транса

    Схема будет работоспособной, если добавить 4 конденсатора (собственно, фильтр), от каждого плеча к земле/ср.точке.
    Указанные на схеме конденсаторы могут быть оставлены, небольшой емкости, более чем на удвоенную величину выпр. напряжения.
    Как уже сказали, толку от двух мостов при средней точке транса совершенно нет. Кроме, пожалуй единственного случая, когда 2 канала усилителя выполнены независимыми, но на одной плате и соединяются электрически только цепью к той самой средней точке (и подводом переменки на мосты, естественно)

  5. #5
    https://dzen.ru/sivolobov Аватар для Black_Panther
    Регистрация
    07.06.2004
    Адрес
    Москва, Бибирево.
    Возраст
    46
    Сообщений
    2,397

    По умолчанию Re: Питание двух каналов от одной обмотки транса

    На качество повлияет, если использовать две обмотки одного трансформатора - по одной на каждой канал.
    Это поможет равномерно распределить нагрузку на обмотки трансформатора усилителя.
    Если хочется полного двойного моно то лучше каждому каналу - свой трансформатор, свой выпрямитель и свои емкости. Это идеально. Конечно, лучше иметь две вторичных обмотки и установить два выпрямительных диодных моста ( это поможет равномерно распределить нагрузку на обмотки и источник питания усилителя в моменты воспроизведения музыки с большим динамическим диапазоном или на низких частотах при большой мощности, например: сабвуфер). Таким образом минимизируются помехи и наводки от источников питания и исключается взаимопроникновение каналов по силовым цепям. Справедливо при условии грамотно и правильно разведенных земляных цепей.
    В схеме, указанной Resistant, имеет смысл использовать один выпрямительный мост, создав среднюю точку ( ноль) между конденсаторами и подключив к ней отвод от середины трансформатора. У меня по такой схеме были выполнены источники питания всех усилителей до 2004 года:
    Миниатюры Миниатюры Нажмите на изображение для увеличения. 

Название:	00.GIF 
Просмотров:	1671 
Размер:	2.9 Кб 
ID:	3673  
    Последний раз редактировалось Black_Panther; 20.08.2005 в 01:49.
    Моя религия:
    Люблю комфортное, окрашенное приятное звучание.
    STK и дискрет.
    No IRF, no TDA, no class D\T\H.
    DC Servo - must die.
    Мостовой УНЧ - suxx.
    Трансформатора и радиатора много не бывает.
    Импульсные БП - от лукавого.
    За нулями в Кг не гонюсь.

  6. #6
    Частый гость Аватар для Scop
    Регистрация
    14.10.2004
    Адрес
    Санкт-Петербург
    Возраст
    62
    Сообщений
    430

    По умолчанию Re: Питание двух каналов от одной обмотки транса

    Цитата Сообщение от Black_Panther
    У меня по такой схеме были выполнены источники питания всех усилителей до 2004 года:
    Миниатюры
    Лёша, я понимаю, когда путают pnp и npn транзисторы в симетричных схемах, но, батенька, извини, когда путают полярность диодов в выпрямителе - это уже дурной тон!
    Ты это, соберись как-то, что-ли... :twisted:

  7. #7
    Завсегдатай Аватар для ИГВИН
    Регистрация
    06.05.2005
    Адрес
    Ростов-на-Дону
    Возраст
    67
    Сообщений
    13,071

    По умолчанию Re: Питание двух каналов от одной обмотки транса

    А в развитие темы: как будет правильным запитать ДВА канала от двух полуобмоток с учетом правильной земли. Только звезда, или есть варианты? У кого как работает, или у всех раздельные только?

    [ADDED=ИГВИН]1124476957[/ADDED]
    У меня всегда раздельные обмотки, поэтому спрашиваю.
    Последний раз редактировалось ИГВИН; 19.08.2005 в 22:42.
    Игорь. Meridian 507.24 => DAC6 v2+свой выхлоп => Noosfera Master => Celestion A2 + Hand-made cable

  8. #8
    полный песец
    Регистрация
    02.03.2005
    Адрес
    Jerusalem
    Возраст
    62
    Сообщений
    1,054

    По умолчанию Re: Питание двух каналов от одной обмотки транса

    Цитата Сообщение от ИГВИН
    А в развитие темы: как будет правильным запитать ДВА канала от двух полуобмоток с учетом правильной земли. Только звезда, или есть варианты? У кого как работает, или у всех раздельные только?
    Как раз недавно мучил две схемы, они немного разные но конструктивно взаимозаменяемые. Два канала с одинаковой топологией на общей плате, общий вход для выпрямителей, ну короче видно по рисунку. Работает нормально. Не исключаю что может быть более правильно, просто в таком виде оно уже было готовое, а я ленив.
    Миниатюры Миниатюры Нажмите на изображение для увеличения. 

Название:	Untitled-3 copy.gif 
Просмотров:	1497 
Размер:	14.1 Кб 
ID:	3672  

  9. #9
    Не хочу! Аватар для Alex
    Регистрация
    20.03.2003
    Адрес
    Worldwide
    Возраст
    63
    Сообщений
    39,103

    По умолчанию Re: Питание двух каналов от одной обмотки транса

    Цитата Сообщение от Scop
    Лёша, я понимаю, когда путают pnp и npn транзисторы в симетричных схемах, но, батенька, извини, когда путают полярность диодов в выпрямителе - это уже дурной тон!
    Насколько я помню - это уже не в первый раз
    "Замполит, чайку?"(с)"Охота за Красным Октябрем".
    "Да мне-то что, меняйтесь!"(с)анек.
    <-- http://altor1.narod.ru --> Вопросы - в личку, е-мейл, скайп.

  10. #10
    https://dzen.ru/sivolobov Аватар для Black_Panther
    Регистрация
    07.06.2004
    Адрес
    Москва, Бибирево.
    Возраст
    46
    Сообщений
    2,397

    По умолчанию Re: Питание двух каналов от одной обмотки транса


    Offтопик:
    сорри, перепутал, пока в пайнте рисовал. Исправляю. Спасибо, что вовремя поправили
    Моя религия:
    Люблю комфортное, окрашенное приятное звучание.
    STK и дискрет.
    No IRF, no TDA, no class D\T\H.
    DC Servo - must die.
    Мостовой УНЧ - suxx.
    Трансформатора и радиатора много не бывает.
    Импульсные БП - от лукавого.
    За нулями в Кг не гонюсь.

  11. #11
    Завсегдатай Аватар для ИГВИН
    Регистрация
    06.05.2005
    Адрес
    Ростов-на-Дону
    Возраст
    67
    Сообщений
    13,071

    По умолчанию Re: Питание двух каналов от одной обмотки транса

    Цитата Сообщение от Vidalgo
    Как раз недавно мучил две схемы, они немного разные но конструктивно взаимозаменяемые. Два канала с одинаковой топологией на общей плате, общий вход для выпрямителей
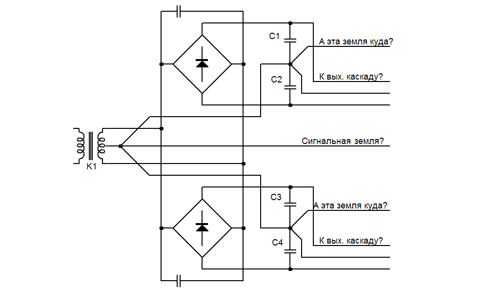
    Получилась такая схема. На ней же и вопросы???
    Обратил внимание, что к вых. каскаду (предположительно) цепи питания идут рядышком (видно, чтобы не увеличивать площадь петли).
    В этом усилителе больше нет источников питания?
    Тогда вопрос: если тонкая дорожка к звезде около ср. точки обмоток сигнальная земля, как удается избежать наводок? Площадь получается оч. большая.
    Миниатюры Миниатюры Нажмите на изображение для увеличения. 

Название:	ТОПОЛОГИЯ БП.png 
Просмотров:	2480 
Размер:	12.1 Кб 
ID:	3675  
    Игорь. Meridian 507.24 => DAC6 v2+свой выхлоп => Noosfera Master => Celestion A2 + Hand-made cable

  12. #12
    Не хочу! Аватар для Alex
    Регистрация
    20.03.2003
    Адрес
    Worldwide
    Возраст
    63
    Сообщений
    39,103

    По умолчанию Re: Питание двух каналов от одной обмотки транса

    Ох и петель у тебя будет по земле!
    Убери второй мост, не нужен он!
    Тогда и останется одна земля. в которую все своди (это называется "мекка").
    "Замполит, чайку?"(с)"Охота за Красным Октябрем".
    "Да мне-то что, меняйтесь!"(с)анек.
    <-- http://altor1.narod.ru --> Вопросы - в личку, е-мейл, скайп.

  13. #13
    Частый гость Аватар для Scop
    Регистрация
    14.10.2004
    Адрес
    Санкт-Петербург
    Возраст
    62
    Сообщений
    430

    По умолчанию Re: Питание двух каналов от одной обмотки транса

    Цитата Сообщение от ИГВИН
    Тогда вопрос: если тонкая дорожка к звезде около ср. точки обмоток сигнальная земля, как удается избежать наводок? Площадь получается оч. большая.
    как Vidalgo нарисовал не очень хорошо, т.к. даже если не рассматривать тонкий проводок, при разной нагрузке в каналах между землями каналов будет потенциал из-за разных зарядных токов фильтров каналов.
    А с тонким проводником - все еще хуже.
    Цитата Сообщение от ИГВИН
    А в развитие темы: как будет правильным запитать ДВА канала от двух полуобмоток с учетом правильной земли. Только звезда, или есть варианты? У кого как работает, или у всех раздельные только?
    Я запитываю оба канала от двух полуобмоток так:
    - на каждую полуобмотку мост;
    - после каждого моста емкости фильтра;
    - после последних конденсаторов фильтров соединяю + и - получаю общий провод;
    - получившиеся три провода питания (+,-,общий) тяну до выходных разъемов и там компактно организую колодку питания для ОБОИХ каналов. Земляную "мекку" делаю на этой колодке.
    Длину тройки проводов от БП до такой колодки можно делать до метра, только сечением побольше, да пленку на колодку поставить.

  14. #14
    Завсегдатай Аватар для ИГВИН
    Регистрация
    06.05.2005
    Адрес
    Ростов-на-Дону
    Возраст
    67
    Сообщений
    13,071

    По умолчанию Re: Питание двух каналов от одной обмотки транса

    Цитата Сообщение от Alex
    Ох и петель у тебя будет по земле!
    Вроде не у меня . А вообще надо их исключать... :twisted:

    Вот по рекомендации Scopа, такая схема вышла.
    Всё ОК, Михаил?
    Пленку на колодку не нарисовал...
    Куда будем цеплять корпус?
    Миниатюры Миниатюры Нажмите на изображение для увеличения. 

Название:	ТОПОЛОГИЯ БП-2.png 
Просмотров:	2320 
Размер:	8.3 Кб 
ID:	3680  
    Игорь. Meridian 507.24 => DAC6 v2+свой выхлоп => Noosfera Master => Celestion A2 + Hand-made cable

  15. #15
    Частый гость Аватар для Scop
    Регистрация
    14.10.2004
    Адрес
    Санкт-Петербург
    Возраст
    62
    Сообщений
    430

    По умолчанию Re: Питание двух каналов от одной обмотки транса

    Цитата Сообщение от ИГВИН
    Всё ОК, Михаил?
    Пленку на колодку не нарисовал...
    Да, Игорь, все верно!
    Вот только небольшое уточнение по структуре "мекки": на картинке в пунктире изображен фактически конструктив из моножилы в 1,5 кв.мм.
    Цитата Сообщение от ИГВИН
    Куда будем цеплять корпус?
    На "общий входных разъемов" и прицепим!
    Миниатюры Миниатюры Нажмите на изображение для увеличения. 

Название:	структура земли.png 
Просмотров:	1491 
Размер:	5.3 Кб 
ID:	3682  

  16. #16
    Завсегдатай Аватар для ИГВИН
    Регистрация
    06.05.2005
    Адрес
    Ростов-на-Дону
    Возраст
    67
    Сообщений
    13,071

    По умолчанию Re: Питание двух каналов от одной обмотки транса

    Цитата Сообщение от Scop
    на картинке в пунктире изображен фактически конструктив из моножилы в 1,5 кв.мм.
    Ага. Т.е. порядок присоединения жил играет рояль
    Игорь. Meridian 507.24 => DAC6 v2+свой выхлоп => Noosfera Master => Celestion A2 + Hand-made cable

  17. #17
    полный песец
    Регистрация
    02.03.2005
    Адрес
    Jerusalem
    Возраст
    62
    Сообщений
    1,054

    По умолчанию Re: Питание двух каналов от одной обмотки транса

    Цитата Сообщение от ИГВИН
    Обратил внимание, что к вых. каскаду (предположительно) цепи питания идут рядышком (видно, чтобы не увеличивать площадь петли).
    Верно
    Цитата Сообщение от ИГВИН
    В этом усилителе больше нет источников питания?
    есть общий питатель для устройства защиты/задержки, простейший выпрямитель с фильтром, запитан от обеих фаз переменки.
    Вх.каскад (там это опер) питается от простых стабилитронов, они прицеплены к шинам +/- достаточно близко к конд-рам фильтра, через 1ком, и вместе с собственным конд-ром 100-200мк получается простой и достаточно эффективный питатель, с учетом PSRR ОУ.
    Цитата Сообщение от ИГВИН
    Тогда вопрос: если тонкая дорожка к звезде около ср. точки обмоток сигнальная земля, как удается избежать наводок? Площадь получается оч. большая.
    Это земля на устройство защиты, см. рисунок ниже.
    Цитата Сообщение от Scop
    при разной нагрузке в каналах между землями каналов будет потенциал из-за разных зарядных токов фильтров каналов.
    Замечание справедливое. Все же думаю что данный эффект невелик.
    Цитата Сообщение от Alex
    Ох и петель у тебя будет по земле!
    Убери второй мост, не нужен он!
    По петлям см. рисунок ниже.
    Единственное что мне не нравится, это то что выход на нагрузку и возврат разнесены примерно на 5см, на фрагменте платы это просто не видно.
    Мост убрать не могу, дизайн вообще не мой кстати. Попалось готовое, взял да заутюжил.
    Миниатюры Миниатюры Нажмите на изображение для увеличения. 

Название:	Untitled-1 copy.gif 
Просмотров:	995 
Размер:	13.1 Кб 
ID:	3685  

  18. #18
    Частый гость Аватар для Scop
    Регистрация
    14.10.2004
    Адрес
    Санкт-Петербург
    Возраст
    62
    Сообщений
    430

    По умолчанию Re: Питание двух каналов от одной обмотки транса

    Цитата Сообщение от ИГВИН
    Ага. Т.е. порядок присоединения жил играет рояль
    Еще как!
    Как вариант, можно присоединение земли <100 мА сделать к проводу от колодки чуть левее (5-10 мм) земли <50А.
    Здесь каждый миллиом перекрестного сопротивления играет!

  19. #19
    Завсегдатай Аватар для ИГВИН
    Регистрация
    06.05.2005
    Адрес
    Ростов-на-Дону
    Возраст
    67
    Сообщений
    13,071

    По умолчанию Re: Питание двух каналов от одной обмотки транса

    Цитата Сообщение от Vidalgo
    Попалось готовое, взял да заутюжил.
    Это очевидно. Потом, кто-то эту разводку продумывал, если в готовой конструкции не видно проблем, значит они невелики
    Про перемычку думаю все догадались А что возвратный провод от спикера, тоже можно было, недодумал... Теперь все ясно.
    Цитата Сообщение от Scop
    Здесь каждый миллиом перекрестного сопротивления играет!
    И невредно разложить по полочкам. Повторение - мать учения
    Игорь. Meridian 507.24 => DAC6 v2+свой выхлоп => Noosfera Master => Celestion A2 + Hand-made cable

  20. #20
    СамоПисец Аватар для kaskod
    Регистрация
    15.12.2004
    Адрес
    VILNUS
    Возраст
    57
    Сообщений
    2,173

    По умолчанию Re: Питание двух каналов от одной обмотки транса

    Господа,позволте вопрос по теме есть ли реальные приимущества от питания от двух полуобмоток и двух мостиков по сравнению с обычной и в чём это выражается?Спасибо

Страница 1 из 3 123 Последняя

Социальные закладки

Социальные закладки

Ваши права

  • Вы не можете создавать новые темы
  • Вы не можете отвечать в темах
  • Вы не можете прикреплять вложения
  • Вы не можете редактировать свои сообщения
  •