Страница 19 из 42 Первая ... 9171819202129 ... Последняя
Показано с 361 по 380 из 836

Тема: лучший сдвоенный операционник для выхода на наушники ?

  1. #1 Показать/скрыть первое сообщение.
    Перфекционист затейник
    Автор темы

    Регистрация
    16.02.2008
    Адрес
    Украина Николаев
    Возраст
    41
    Сообщений
    3,405

    По умолчанию лучший сдвоенный операционник для выхода на наушники ?

    господа посоветуйте что поставить на наушниковый выход
    собираюсь апгрейдить ему 0202 и заменять опер
    пока совет был только один опа2134
    уши сенхи 555

  2. #361
    Завсегдатай Аватар для Denisius
    Регистрация
    02.02.2007
    Адрес
    ПИТЕР
    Сообщений
    1,585

    По умолчанию Re: лучший сдвоенный операционник для выхода на наушники ?

    Ну да схема в целом... И про велик тоже понял
    А про керамику - критикуют, мол тока плёнка, мол звуку от керамики жестчает.
    Да раз уж Вы здесь, спрошу про ун31 поглядел ангстремовскую пидиэфку, почитал, там полевики на выходе? А по входу? И вроде хвалят...
    Да только "Ангстрем" лежит по моему, они доступны вообще?

  3. #362
    Завсегдатай
    Регистрация
    18.07.2005
    Сообщений
    4,004

    По умолчанию Re: лучший сдвоенный операционник для выхода на наушники ?

    Цитата Сообщение от Denisius Посмотреть сообщение
    Ну да схема в целом... И про велик тоже понял
    А про керамику - критикуют, мол тока плёнка, мол звуку от керамики жестчает.
    Да раз уж Вы здесь, спрошу про ун31 поглядел ангстремовскую пидиэфку, почитал, там полевики на выходе? А по входу? И вроде хвалят...
    Да только "Ангстрем" лежит по моему, они доступны вообще?
    УН31 - биполяр+кмоп, там достаточно сложная схема. Они доступны, но надо иметь в виду 0) ПОЛНОЕ питание не больше 6В (т.е. всего +/-3 В) , 1) не терпят емкости на выходе более 300...500 пФ, и 2) практически нет защит - ни от КЗ, ни от перегрева, ни от статики/защелкивания. Точнее, защиты сразу работоспособными не получились и были оставлены "на потом", а в производство пошел по сути макет ИС с заблокированными защитами - начальникам хотелось "побыстрее и подешевле". В качестве ушника с выходными последовательными резисторами порядка 4...10 Ом УН31 работает прилично и более-менее надежно, но немного шумновата из-за усиления ~10.
    Для непортативных и в то же время простых вариантов IMHO проще взять AD8397.
    Про "звук жестчает" - это отдельная тема, она достаточно сложна, но при отсутствии артефактов, вызываемых паршивой разводкой (что имеет место во многих распространенных промустройствах), основной эффект прост - снижение искажений на ВЧ при хорошей блокировке субъективно повышает "количество" ВЧ, т.е. несколько изменяет воспринимаемый тональный баланс. Тональный баланс в области НЧ можно немного менять, изменяя номинал резисторов в RC-цепях в питании (ориентировочно от единиц до десятков Ом). Можете сами поэкспериментировать.
    Последний раз редактировалось sia_2; 06.07.2009 в 01:46.

  4. #363
    Завсегдатай Аватар для Denisius
    Регистрация
    02.02.2007
    Адрес
    ПИТЕР
    Сообщений
    1,585

    По умолчанию Re: лучший сдвоенный операционник для выхода на наушники ?

    Как всегда РЭСПЭКТ !
    Вот обнаглею и спрошу про разводку моей ПП под 157, как?

    Offтопик:
    Виктор раз уж и Вы тут , еще раз СПАСИБО за резисторы!

  5. #364
    Завсегдатай
    Регистрация
    18.07.2005
    Сообщений
    4,004

    По умолчанию Re: лучший сдвоенный операционник для выхода на наушники ?

    Работать должно, но потенциометр и входной резистор я бы на плату поставил.

  6. #365
    Завсегдатай Аватар для Denisius
    Регистрация
    02.02.2007
    Адрес
    ПИТЕР
    Сообщений
    1,585

    По умолчанию Re: лучший сдвоенный операционник для выхода на наушники ?

    Ну да работает. Откровенно говоря я думаю это макетом и останется, на шасси поставлю с БП и трансом, а в корпус наверное нет.

    Offтопик:
    Всем доброй ночи, я курить и спать.

  7. #366
    Завсегдатай Аватар для Denisius
    Регистрация
    02.02.2007
    Адрес
    ПИТЕР
    Сообщений
    1,585

    По умолчанию Re: лучший сдвоенный операционник для выхода на наушники ?

    Фото макета. Кстати кто производитель 157-мой?
    Миниатюры Миниатюры Нажмите на изображение для увеличения. 

Название:	157 (1).jpg 
Просмотров:	962 
Размер:	183.0 Кб 
ID:	56918   Нажмите на изображение для увеличения. 

Название:	157 (2).jpg 
Просмотров:	2580 
Размер:	214.2 Кб 
ID:	56919   Нажмите на изображение для увеличения. 

Название:	157 (3).jpg 
Просмотров:	792 
Размер:	222.0 Кб 
ID:	56920   Нажмите на изображение для увеличения. 

Название:	157.jpg 
Просмотров:	806 
Размер:	157.6 Кб 
ID:	56921  


  8. #367
    flipper
    Гость

    По умолчанию Re: лучший сдвоенный операционник для выхода на наушники ?

    Denisius, Как звучит то?
    И еще, если кто слышал AD8397 - как звучит?
    Раздумываю, ее поставить в CDP или опять крокодила нагородить на куче NE5534
    Помех там много. А площадь платы на NE немалая, это меня останавливает...
    Последний раз редактировалось flipper; 08.07.2009 в 08:09.

  9. #368
    Завсегдатай Аватар для Denisius
    Регистрация
    02.02.2007
    Адрес
    ПИТЕР
    Сообщений
    1,585

    По умолчанию Re: лучший сдвоенный операционник для выхода на наушники ?

    Звук есть! Писал уже. Но, городи крокодила на 5534. О каких помехах речь? В люминиевый профиль его (прямоугольная труба 40 на 80 в ОБИ торгуется) и тишина. Я как помнишь столкнулся только с шумом, решилось сменой переменника. Да и то, сейчас мне кажется, что шум был от подключенного ПКД Денон, который я при смене переменника есно отключил...
    Теперь гадаю был шум от 50ком переменника, али не было его?

  10. #369
    Завсегдатай Аватар для dekko
    Регистрация
    05.04.2006
    Сообщений
    6,003

    По умолчанию Re: лучший сдвоенный операционник для выхода на наушники ?

    Цитата Сообщение от Denisius Посмотреть сообщение
    Теперь гадаю был шум от 50ком переменника, али не было его?
    а чё гадать? Проверь...

  11. #370
    PaX PALANTiRA Аватар для EDDiE
    Регистрация
    13.02.2006
    Адрес
    GAZ-A-LAGO
    Сообщений
    13,266

    По умолчанию Re: лучший сдвоенный операционник для выхода на наушники ?

    Цитата Сообщение от dekko
    а чё гадать? Проверь...

  12. #371
    Завсегдатай Аватар для Iliya20
    Регистрация
    22.05.2008
    Адрес
    Липецк
    Возраст
    62
    Сообщений
    2,782

    По умолчанию Re: лучший сдвоенный операционник для выхода на наушники ?

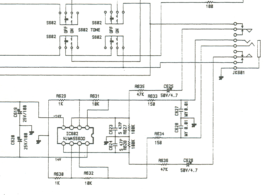
    Господа, в моём аппарате выход на наушники сделан на NJM4556. Есть ли смысл её(его) на что-то менять? Если да то на что?
    Миниатюры Миниатюры Нажмите на изображение для увеличения. 

Название:	NJM4556.PNG 
Просмотров:	1095 
Размер:	265.4 Кб 
ID:	56978  
    Последний раз редактировалось Iliya20; 08.07.2009 в 18:19.

  13. #372
    Завсегдатай Аватар для Denisius
    Регистрация
    02.02.2007
    Адрес
    ПИТЕР
    Сообщений
    1,585

    По умолчанию Re: лучший сдвоенный операционник для выхода на наушники ?

    Цитата Сообщение от EDDiE Посмотреть сообщение
    Да, да именно ...
    Вопрос то остро не стоит, на следующем круге попробую.
    Iliya20 ушки то какие? Да и вообще, Вы в наушниках вовлекаетесь в мир нот и звуков? Или просто чтоб было?

  14. #373
    Завсегдатай Аватар для antiluser
    Регистрация
    15.06.2008
    Адрес
    Челябинск
    Возраст
    50
    Сообщений
    3,150

    По умолчанию Re: лучший сдвоенный операционник для выхода на наушники ?

    Iliya20, Сергей вот тут предложил
    Цитата Сообщение от sia_2 Посмотреть сообщение
    Для непортативных и в то же время простых вариантов IMHO проще взять AD8397.
    , может вам ее попробовать? Питание родное слегка зашкаливает, но это можно решить.
    С уважением, Игорь.

  15. #374
    Завсегдатай Аватар для Iliya20
    Регистрация
    22.05.2008
    Адрес
    Липецк
    Возраст
    62
    Сообщений
    2,782

    По умолчанию Re: лучший сдвоенный операционник для выхода на наушники ?

    Цитата Сообщение от Denisius Посмотреть сообщение
    Iliya20 ушки то какие? Да и вообще, Вы в наушниках вовлекаетесь в мир нот и звуков? Или просто чтоб было?
    У меня есть Grado SR-125 и я подумываю о покупке AKG K701. Если просто чтоб было, то и менять ОУ наверное незачем.

    Добавлено через 2 минуты
    Цитата Сообщение от antiluser Посмотреть сообщение
    Iliya20, Сергей вот тут предложил , может вам ее попробовать? Питание родное слегка зашкаливает, но это можно решить.
    AD8397 вещь неплохая, но питание у неё максимально +/-12В и корпус другой. Там стоит DIP.
    Последний раз редактировалось Iliya20; 08.07.2009 в 20:04. Причина: Добавлено сообщение

  16. #375
    Завсегдатай Аватар для Denisius
    Регистрация
    02.02.2007
    Адрес
    ПИТЕР
    Сообщений
    1,585

    По умолчанию Re: лучший сдвоенный операционник для выхода на наушники ?

    Дак Вы ещё и хотите "вынул вставил" ?

  17. #376
    PaX PALANTiRA Аватар для EDDiE
    Регистрация
    13.02.2006
    Адрес
    GAZ-A-LAGO
    Сообщений
    13,266

    По умолчанию Re: лучший сдвоенный операционник для выхода на наушники ?

    Цитата Сообщение от Iliya20
    Господа, в моём аппарате выход на наушники сделан на NJM4556. Есть ли смысл её(его) на что-то менять? Если да то на что?
    Хотябы даже на NJM4580, уменьшив резисторы в ООС, как советует SIA.

  18. #377
    Завсегдатай Аватар для Iliya20
    Регистрация
    22.05.2008
    Адрес
    Липецк
    Возраст
    62
    Сообщений
    2,782

    По умолчанию Re: лучший сдвоенный операционник для выхода на наушники ?

    Цитата Сообщение от Denisius Посмотреть сообщение
    Дак Вы ещё и хотите "вынул вставил" ?
    Неплохо бы.

  19. #378
    Завсегдатай Аватар для Denisius
    Регистрация
    02.02.2007
    Адрес
    ПИТЕР
    Сообщений
    1,585

    По умолчанию Re: лучший сдвоенный операционник для выхода на наушники ?

    LT1364 в дипе и точка

  20. #379
    Завсегдатай Аватар для Iliya20
    Регистрация
    22.05.2008
    Адрес
    Липецк
    Возраст
    62
    Сообщений
    2,782

    По умолчанию Re: лучший сдвоенный операционник для выхода на наушники ?

    Цитата Сообщение от EDDiE Посмотреть сообщение
    Хотябы даже на NJM4580, уменьшив резисторы в ООС, как советует SIA.
    У него максимальный выходной ток 50мА. Если удовлетворяться таким током, то тогда уж лучше наверное поставить LM6172.

  21. #380
    Завсегдатай Аватар для Denisius
    Регистрация
    02.02.2007
    Адрес
    ПИТЕР
    Сообщений
    1,585

    По умолчанию Re: лучший сдвоенный операционник для выхода на наушники ?

    Да не яж говорю лт...
    Вложения Вложения
    • Тип файла: pdf LT1364.pdf (219.6 Кб, Просмотров: 370)

Страница 19 из 42 Первая ... 9171819202129 ... Последняя

Метки этой темы

Социальные закладки

Социальные закладки

Ваши права

  • Вы не можете создавать новые темы
  • Вы не можете отвечать в темах
  • Вы не можете прикреплять вложения
  • Вы не можете редактировать свои сообщения
  •