или не экта...
Есть морель мдт33
Есть сканспики 12м и 18w
Проблема с
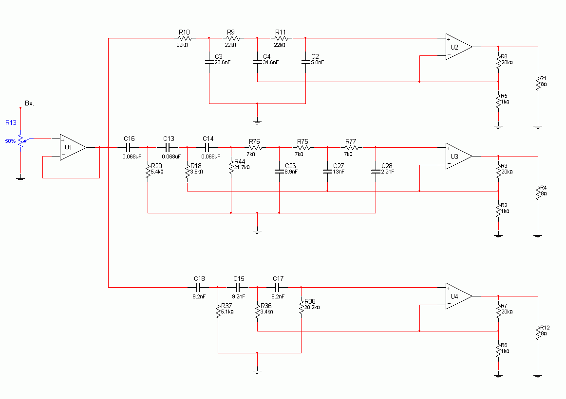
- кроссами (это не совсем экта - другой ВЧ). И какие-то они дорогие получаютсяМожет отставить высокие порядки в сторону и аккуратненько свести их последовательным фильтром из 2х катушек?
Или свести их активным фильтром?
А может взять фильтр от экты, и немного подправить сч-вч раздел?
Помимо динамиков имеются
- шесть усилителей на лм3886 - готовил для трехполосной активной системы...
- микрофон WM61, без усилителя
- звуковушки аудиджи 2зс для поканального раздела и симуляции фильтров (фубаром), и е-му 0404 как временный источкик стерео сигнала (есть еще и цап на PCM1798)
А F1 - за цвет
Ящик немного наклонен назад, передняя панель обтянута кожей.
Красить буду в автомастерской.
Что мне делать?
Думаю, что
- нужно для начала расчитать и нарисовать ящики, сдать их на распилку.
- По приезду ящиков воткнуть и обмерять в них динамики, поэксперементировать с фильтрами и остановиться на...чем-нибудь.
- Сдать в покраску ящики
- Заказать и собрать пассивные (а может активные?) кроссы...
- Собрать все в месте и наслаждаться...
Это мой первый раз, пинайте по делу![]()





Социальные закладки