Страница 1 из 98 12311 ... Последняя
Показано с 1 по 20 из 1945

Тема: 500-700W Сетевой импульсник

  1. #1
    Частый гость
    Автор темы

    Регистрация
    01.03.2006
    Адрес
    Литва, Вильнюс
    Возраст
    41
    Сообщений
    175

    По умолчанию 500-700W Сетевой импульсник

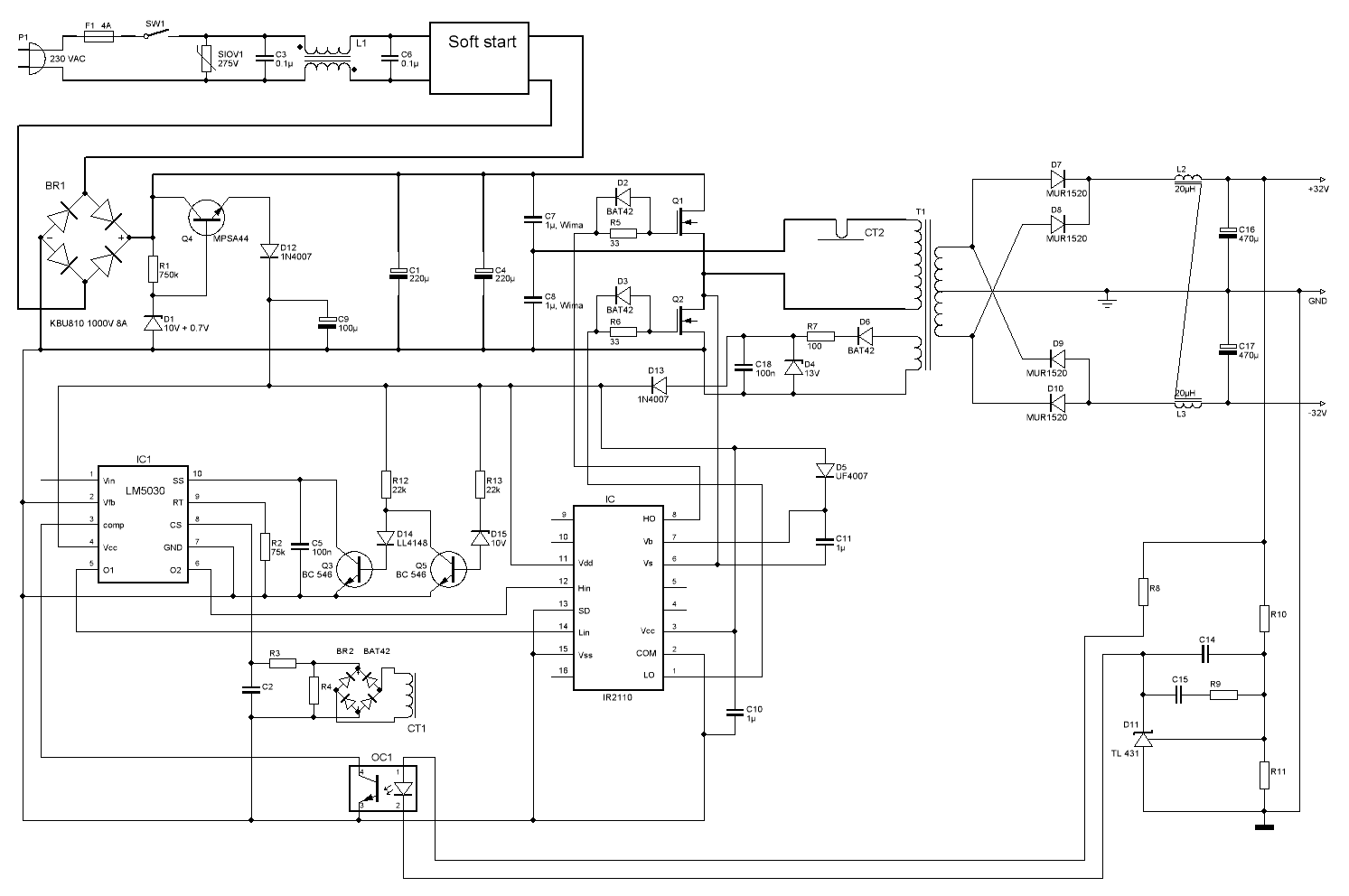
    Давно почитываю сей форум, и вот надумал слепить собственный импульсник для усилов. Это полумостовая стабилизированная схема на LM5030 и IR2110, есть ограничения по току, мягкий запуск. Надо еще допроектировать обратную связь и посчитать трансформатор.
    Жду общих коментариев по топологии.
    Миниатюры Миниатюры Нажмите на изображение для увеличения. 

Название:	offline_psu_big2.GIF 
Просмотров:	31541 
Размер:	33.0 Кб 
ID:	15589  

  2. #2
    Новичок Аватар для Bender
    Регистрация
    28.12.2005
    Адрес
    Красногорск
    Сообщений
    1,595

    По умолчанию Re: 500-700W Сетевой импульсник

    VEC7OR, может вам для начала попробовать собрать что-нибудь на 2155 (2153)?
    Пощупаете, опыту поднаберётесь, а потом уж и посложнее схемы конструлить можно будет.

    по схеме: в целом ход мыслей правильный, но:
    1) сразу после моста электролиты не ставить.
    2) ОС в таком виде работать не будет, как минимум нужен резистор с 3 вывода на 1 LM5030.
    3) ёмкостной делитель полумоста я б погуще замонстрячил, и кондёр последовательно с первичкой не помешал бы.
    4) готовтесь к наладке ОС по току.

    ну и печать далеко не последнее значение имеет в таких делах.


    зы: чуть не забыл, если на выходе ПН с ШИМ более одного выходного канала, а ОС берёте только с одного, необходимо пользовать симметрирующий дроссель.

  3. #3
    Частый гость
    Автор темы

    Регистрация
    01.03.2006
    Адрес
    Литва, Вильнюс
    Возраст
    41
    Сообщений
    175

    По умолчанию Re: 500-700W Сетевой импульсник

    Цитата Сообщение от Bender Посмотреть сообщение
    VEC7OR, может вам для начала попробовать собрать что-нибудь на 2155 (2153)?
    Пощупаете, опыту поднаберётесь, а потом уж и посложнее схемы конструлить можно будет.

    по схеме: в целом ход мыслей правильный, но:
    1) сразу после моста электролиты не ставить.
    2) ОС в таком виде работать не будет, как минимум нужен резистор с 3 вывода на 1 LM5030.
    3) ёмкостной делитель полумоста я б погуще замонстрячил, и кондёр последовательно с первичкой не помешал бы.
    4) готовтесь к наладке ОС по току.

    ну и печать далеко не последнее значение имеет в таких делах.


    зы: чуть не забыл, если на выходе ПН с ШИМ более одного выходного канала, а ОС берёте только с одного, необходимо пользовать симметрирующий дроссель.
    Спасибо Bender, но от 2153(2155) я пожалуй воздержусь, это драйвер для лампочек дневного света, а не контроллер блока питания, хотя как видно на нем народ успешно строит блоки, но не стабилизированный он получается, нет защит по току, да и 500-700 ватт он не потянет, он экивалентен маленькому легкому трансформатору.

    1) А куда ? на схеме их место прямо там, другое дело на плате они поближе к ключам с емкостным делителем стоять должны.
    2) Будет, выход компенсатора с открытым стоком и внутренний плюс операционника находится на 1.25В, минус на земле, значит внутренний транзистор с открытым стоком закрыт и наш сигнал управления ШИМ берется с делителя между внутренним 5к резистором и транзистором оптрона. 1 это вообще вход стабилизатора питания самого контроллера.
    3) Ну то что пожирнее сделать его не помешало б это точно, я пока правда не считал скока минимум желательно иметь, а собсно зачем еще нужен кондер между емкостным делителем и первичкой ? емкостной делитель уже не дает полю гулять относительно нуля, плюс контроллер умеет это компенсировать.
    4) По даташыту выглядит все довольно просто, 0.5В на ЦС входе и начинается поцикловое ограничение, 0.625В и блок перезапускается, в принципе надо найти пиковое значение тока в обмотке, причесать фронты от выбросов RC цепочкой и все по идее.

    Дроссель будет, он только тут не показан, я вообще думаю обе обмотки на одном кольце мотать, к тому же нагрузка симметричная довольно, если проседают, то оба плеча сразу.

    ФЕТы будут думаю IRF740, если правда ничего раньше на глаз не попадет.

    П.С. По моим прикидкам на воздух полетит где то ваттов 50-60 на полной мощности, из них большинство на диодах выпрямителя, жалко для Шоттки такое включение по напряжению не прокатит.
    П.П.С. В разработке находится мягкий запуск без реле и балластного резистора.
    Последний раз редактировалось VEC7OR; 08.11.2006 в 15:27.

  4. #4
    Новичок Аватар для Bender
    Регистрация
    28.12.2005
    Адрес
    Красногорск
    Сообщений
    1,595

    По умолчанию Re: 500-700W Сетевой импульсник

    1) я имел в виду выходной мост БП.

    По поводу внутреннего резистора был не в курсе, коли внутренняя подтяжка есть тогда ок.

    Цитата Сообщение от VEC7OR Посмотреть сообщение
    в принципе надо найти пиковое значение тока в обмотке, причесать фронты от выбросов RC цепочкой и все по идее.
    ну вот я и говорю, готовтесь к настройке ОС
    датчик тока обязательно безындуктивный шунт (MOX резистор, либо SMD, либо кусок нихрома, ! тока не мотать! если мотать, то бифилярно)

    Цитата Сообщение от VEC7OR Посмотреть сообщение
    а собсно зачем еще нужен кондер между емкостным делителем и первичкой
    это в своём роде бонтон.

    по поводу IRF740, если собираетесь пользовать пару ИМХО потеть будут, я б что нибудь в TO-247 взял, либо две пары в TO-220

    Насколько знаю шотки есть с обратным до 150В, только вот прямое у них ~ 0,8-1.2 В.

    Цитата Сообщение от VEC7OR Посмотреть сообщение
    к тому же нагрузка симметричная довольно, если проседают, то оба плеча сразу.
    если не секрет что за нагрузка? Мостовой УМ?

  5. #5
    Частый гость
    Регистрация
    06.11.2005
    Адрес
    Рязань
    Возраст
    41
    Сообщений
    185

    По умолчанию Re: 500-700W Сетевой импульсник

    VEC7OR, Полистал я документацию на LM5030...микросхемка в принципе интересная.
    Только сразу к вам 2 вопроса:
    1. При подаче на первую ногу напряжения о 14 до 100 вольт на 4 ноге появляется 7.7 вольт. Это довольно мало для питания драйвера. (вернее не драйвера, а слишком маленькое, что бы открыть силовые ключи). Вот вы уверены, что оно сможет запустится?
    2. Зачем перед выходными индуктивностями стоят конденсаторы? Ведь тогда через Дроселли будет течь почтоянный ток, и они уходят в насыщения, т.е. теряется весь смысл их использования. (ну если они конечно не астрономических размеров, что бы не уйти в насыщение). Это где то уже на форуме обсуждалось...
    А смысл применения такой обратной связи? Не используя усилитель ошибки...
    А выходные транзисторы лучше что нибудь по-круче ставить при такой мощности, желательно в ТО-247, как сказал Bender, т.к. у них 2 раза больше площадь корпуса (охолождать их намного проще) Например IRF450, IRF460.

  6. #6
    Частый гость
    Автор темы

    Регистрация
    01.03.2006
    Адрес
    Литва, Вильнюс
    Возраст
    41
    Сообщений
    175

    По умолчанию Re: 500-700W Сетевой импульсник

    Да, на выходе ступил пожалуй.

    Датчиком тока будет трансформатор тока, и меряет он ток в первичке, на схеме СТ1 обозначен, другая сторона как СТ2 обозначена, думаю заказать готовый из Coilcraft, у них как раз для импульсников есть, если замного попросят, то свой намотаю.

    Говорите IRF740 сильно напрягатся будут ? Давайте посчитаем вместе, на Rdson мы потеряем P = Rdson * Tderating * D/2 * Irms^2, 0.55 * 1.4 * 0.35 * ~5.4A^2 = 8W для каждого мосфета, на переключении P = (Ton + Toff) * F/2 * Irms * U/2, (25нс + 25нс)*37500Hz*5.4A*315/2 = 1.6W, итого 9.44W каждый из мосфетов, совсем даж не страшно, при мощности то в 700Вт. Я откровенно не вижу смысла ставить что нить в ТО-247, тот же IRF450 не на столько лучше будет, притом что стоит он почти в 2 раза больше, да и медленнее они, в итоге на переключении мы теряем то что выигрываем на сопротивлении канала, ИМХО шыло на мыло.

    Да, кстати посидел я тут посмотрел, с диодами жо выходит, надобно ставить чего нить не менее MUR1520. На них на полном ходу вылетит по 10Вт судя по даташыту. Городить синхронный выпрямитель мне в лом честно говоря.

    Нагрузка, вот тока не пинайте ногами за наглость , я тут еще пеку усилитель Д класса на ~400Вт (да да, я все таки рискну поключить импульсный усилитель к импульсному блоку питания), мостовая схема, питание берет между плечами как раз, ну и еще пачка LM3886 (наверно 4, бас/мид) и чего нить на верх (вот уже давно собираюсь собрать себе что то на подобии Орионов Линквитза).
    Последний раз редактировалось VEC7OR; 09.11.2006 в 00:23. Причина: IRF450

  7. #7
    Новичок Аватар для Bender
    Регистрация
    28.12.2005
    Адрес
    Красногорск
    Сообщений
    1,595

    По умолчанию Re: 500-700W Сетевой импульсник

    Цитата Сообщение от Dj.Shadow Посмотреть сообщение
    Дроселли будет течь почтоянный ток, и они уходят в насыщения, т.е. теряется весь смысл их использования. (ну если они конечно не астрономических размеров, что бы не уйти в насыщение)
    астронимические размеры не нужны, нужен магнитопровод с низким мю(0). Дело не в постоянной составляющей тока протекающего через дроссель, а в фильтрации ШИМ на выходе.


    Цитата Сообщение от VEC7OR Посмотреть сообщение
    Нагрузка, вот тока не пинайте ногами за наглость , я тут еще пеку усилитель Д класса на ~400Вт (да да, я все таки рискну поключить импульсный усилитель к импульсному блоку питания), мостовая схема,
    ничего криминального в этом нет если плату грамотно развести и правильно выбрать соотношения частот БП и УМ. Если ещё синхронизировать частоты УМ и БП, то о проблемах вообще можно забыть.
    Если не секрет, что за усь? Просто у меня сейчас есть идеи по схожему прожекту, интересно было бы взглянуть на вашу концепцию и реализацию.

    зы: по поводу ключей, с 740 снимал 250Вт не напрягаясь, но в БП на заявленную мощность одну пару ставить бы точно не стал. По факту на такой частоте динамические потери скорее будут соизмеримы со статическими.
    По поводу диодов (ключей тоже касается), БП для УМ, а не для нагревателя. Конечно хорошо просчитывать режимы при максимальной вых статической мощности, но реально с учётом специфики работы УМ можно делать значительную скидку.

  8. #8
    Завсегдатай Аватар для pokos
    Регистрация
    18.08.2005
    Сообщений
    1,357

    По умолчанию Re: 500-700W Сетевой импульсник

    Цитата Сообщение от Dj.Shadow Посмотреть сообщение
    1. При подаче на первую ногу напряжения о 14 до 100 вольт на 4 ноге появляется 7.7 вольт. Это довольно мало для питания драйвера..
    К счастью, ИР об этом уже подумало. Если питание 2110 меньше примерно 8,5 вольт, то на выходе импульсы отсутствуют.

  9. #9
    Регистрация не подтверждена Аватар для witali
    Регистрация
    21.02.2005
    Адрес
    Владимир
    Возраст
    49
    Сообщений
    880

    По умолчанию Re: 500-700W Сетевой импульсник

    Цитата Сообщение от VEC7OR Посмотреть сообщение
    (да да, я все таки рискну поключить импульсный усилитель к импульсному блоку питания),
    Ничего сложного, все хорошо работает

  10. #10
    Частый гость
    Автор темы

    Регистрация
    01.03.2006
    Адрес
    Литва, Вильнюс
    Возраст
    41
    Сообщений
    175

    По умолчанию Re: 500-700W Сетевой импульсник

    Цитата Сообщение от Bender Посмотреть сообщение
    ничего криминального в этом нет если плату грамотно развести и правильно выбрать соотношения частот БП и УМ. Если ещё синхронизировать частоты УМ и БП, то о проблемах вообще можно забыть. Если не секрет, что за усь? Просто у меня сейчас есть идеи по схожему прожекту, интересно было бы взглянуть на вашу концепцию и реализацию. зы: по поводу ключей, с 740 снимал 250Вт не напрягаясь, но в БП на заявленную мощность одну пару ставить бы точно не стал. По факту на такой частоте динамические потери скорее будут соизмеримы со статическими. По поводу диодов (ключей тоже касается), БП для УМ, а не для нагревателя. Конечно хорошо просчитывать режимы при максимальной вых статической мощности, но реально с учётом специфики работы УМ можно делать значительную скидку.
    Спасибо что заметили, схему запуска надо будет переделать, думаю просто придержать SS пин на земле, пока напруга на Vcc не поднимется вольтов до 9-12.

    Усилитель ошибки в таком случае собирается на холодной стороне на базе ТЛ431, таким образом избегают влияния параметров оптрона на стабилизацию.

  11. #11
    Частый гость
    Автор темы

    Регистрация
    01.03.2006
    Адрес
    Литва, Вильнюс
    Возраст
    41
    Сообщений
    175

    По умолчанию Re: 500-700W Сетевой импульсник

    Третья ревизия, сделал цепи запуска, отключаемый стабилизатор на MPSA44 и запретил запуск пока питание не достигнет 9.5В. Перенес конденсаторы питания за дроссель.


    Offтопик:

    А усилитель планируется классический, треугольник с сигналом в компаратор и на драйвер с ключами, почему классический - ай, как то приятнее осознавать что частота фиксирована, все более менее жестко описано, нежели в самогенерируещемся типе, дельта-сигма силовая тож не особо подходит так как там надо скорости большие. Для затравки скажу - драйвер HIP4080 (у него нервный компаратор на входе, потому пользуем внешний) либо две IRS20124S, компаратор LT1016 (быстрый, есть комплементарный выход), обратная связь на NE5532, плюс генератор несущей на каком нить быстроходном операционнике. Частота в районе 250кГц, фильтр 2 порядка, мосфеты очень может быть DirectFET уж больно мне их параметры нравятся, мощность планируется 400 Вт.
    Миниатюры Миниатюры Нажмите на изображение для увеличения. 

Название:	offline_psu_big_rev.1.3.GIF 
Просмотров:	5979 
Размер:	36.3 Кб 
ID:	15736  

  12. #12
    Забанен (навсегда)
    Регистрация
    27.02.2005
    Адрес
    село Самбек
    Сообщений
    2,080

    По умолчанию Re: 500-700W Сетевой импульсник

    VEC7OR, вы бы поделали сначала чё-нить нерегулирумое, к примеру для ознакомления с проблемами, за которые вы решыли взяться так интенсивно. А со стабилизацией лучше потренируйтесь сначала например на непосредственых преобразователях.

  13. #13
    Частый гость
    Автор темы

    Регистрация
    01.03.2006
    Адрес
    Литва, Вильнюс
    Возраст
    41
    Сообщений
    175

    По умолчанию Re: 500-700W Сетевой импульсник

    А смысл ? Проще тогда простой траф поставить и все, а не городить импульсный.
    Да и какие там проблемы то особенные ?
    А непосредственный преобразователь это какой ? Понижающий импульсный или простой линейный ?


    Offтопик:

    Кстати проектировал лабораторник на линейном, 0-25В 0-3А.
    С расчетами обратной связи знаком не понаслышке.
    Схема
    http://images.bite.lt/banga/files/cl...5e8170aa20.png
    Выглядит так
    http://images.bite.lt/banga/files/cl...2e9415f429.jpg
    Внутри так
    http://images.bite.lt/banga/files/cl...d96429884c.jpg
    Платки такие
    http://images.bite.lt/banga/files/cl...7f4dac2dbe.jpg


  14. #14
    Новичок Аватар для Bender
    Регистрация
    28.12.2005
    Адрес
    Красногорск
    Сообщений
    1,595

    По умолчанию Re: 500-700W Сетевой импульсник

    VEC7OR, стабилизацию по току я бы вводить не стал. Обратите внимание на решение в ветке импульсные преобразователи (от stranicsmd). Вам же всё таки нужен источник напряжения а не тока.
    Думаю на первый раз хватит ОС по напряжению.

    зы: по поводу УМ имею схожие соображения, только тракт бы покороче организовал.

    hip4080...по 40В в плечо...как-то маловато будет.
    Последний раз редактировалось Bender; 13.11.2006 в 15:58.

  15. #15
    Частый гость
    Автор темы

    Регистрация
    01.03.2006
    Адрес
    Литва, Вильнюс
    Возраст
    41
    Сообщений
    175

    По умолчанию Re: 500-700W Сетевой импульсник

    Цитата Сообщение от Bender Посмотреть сообщение
    VEC7OR, стабилизацию по току я бы вводить не стал. Обратите внимание на решение в ветке импульсные преобразователи (от stranicsmd). Вам же всё таки нужен источник напряжения а не тока. Думаю на первый раз хватит ОС по напряжению. зы: по поводу УМ имею схожие соображения, только тракт бы покороче организовал. hip4080...по 40В в плечо...как-то маловато будет.
    Стабилизации по току нет, есть только ограничение, полумостом в токовом режиме управлять трудно, так как средняя точка емкостного делителя сразу убегает при малейшей возможности (разные ключи, обмотки).

    Рассчитал трансформатор, размах индукции полный 200мТ, амплитуда 100мТ, сердечник EDT49 либо EDT54, ETD59 (с запасом на толстый провод и изоляцию между сторонами), для расчетов чем только не пользовался, смотрел програмку которая тут циркулировала упорно(Тransformer 3.003), программа жутко врет, для заданной индукции подбирает слишком маленькие обмотки, что легко загонит сердечник в насыщение, а ключи на тот свет, методикой пользовался своей, тут и поделюсь, мало ли кому надобно будет.

    http://www-s.ti.com/sc/techzip/slup222.zip <- что бы понимать что к чему, это распечатать, прочитать, забить и искурить, написано очень хорошо.
    1) Подберем размер сердечника - тут лучше всего глядеть на то что предлагает производитель, полистать даташыты, посмотреть их софт.
    Например епкос для заданной частоты и возможных потерь задает максимальный размах индукции и подскажет сколько мощности можно пропихнуть через данный сердечник.
    2) Считаем сколько витков надобно для первички, вторички.
    Исходя из скважности на которую оптимизируюм трафо ищем соотношения обмоток.
    Исходя из максимальной индукции, вольт-секунд и площади керна ищем витки первички, череж коеффициент трансформации из первого пункта считаем витки вторички, подбираем так чтоб не выползти за пределы заданной индукции. Формулы в линке выше.
    3) Считаем сколько и какого провода надо для наших токов, проверяем влезает ли данный провод в окно, если да, все пучком, если нет берем больший сердечник. Как и что прально намотать написанно в семинаре Техаса

    Получилось:
    Первичка - 42, 1мм.
    Вторичка 2 по 11, 2мм.
    Дополнительная 4-5 витков.
    Кстати не врет досовская программка EvTrans, похоже на то что предсказывают формулы из семинара.
    Надо будет пересчитать диаметры проводов на пучки из более тонкого провода. Буду благодарен если кто проверит то что получилось.


    Offтопик:
    HIP4080 80В держит вообще-то, там готовый мостовой драйвер, и покороче ето КАК ?

  16. #16

    По умолчанию Re: 500-700W Сетевой импульсник

    Буду благодарен если кто проверит то что получилось.
    так вы же данных не дали, как проверять?
    Импульсно всё, в этом мире бушующем..

  17. #17
    Частый гость
    Автор темы

    Регистрация
    01.03.2006
    Адрес
    Литва, Вильнюс
    Возраст
    41
    Сообщений
    175

    По умолчанию Re: 500-700W Сетевой импульсник

    Тьфу млин, ночью писал, ступил малеха. Входные данные такие:
    Uin = 155V (полумост, 220*1.41/2)
    Uout = 33V 11A, 33V 11A, ~15V 50mA (минус по вольт на диоды)
    Мощща 700Вт, частота преобразования 75кГц, оптимизировал на D примерно 80%, материал N27, мю ефф. 1500, размах индукции 200мТ (по программе епкоса, на подъем температуры 30°С)

    Сердечник кстати уже заказал, вернее 2 и один нахалву перепал, взял ETD44 (бате в усил будет, ему в фуру надо, буду пушпул лепить), ETD49 (етот перепал нахалву, народ завалы разгребав на фирме знакомой, грит на, открыл, посмотрел, а там как раз то что надо лежит, еще к нему добрал бобинку и защелки), ETD59 (хотел размером поменьше, да не было, а в 49 я проводом не влезу, кофф меди получается 0.5, а там еще первичку от вторички надо нормально изолировать, 54 просто нету нигде)

    Кстати я еще веду параллельно ветку на DIYaudio.com
    http://www.diyaudio.com/forums/showt...threadid=89481


    Offтопик:
    IVX, я смотрю вы там в класс Д форуме человек бывалый

  18. #18
    Новичок Аватар для Bender
    Регистрация
    28.12.2005
    Адрес
    Красногорск
    Сообщений
    1,595

    По умолчанию Re: 500-700W Сетевой импульсник

    Цитата Сообщение от VEC7OR Посмотреть сообщение
    Стабилизации по току нет, есть только ограничение,
    это и есть режим стабилизации тока в первичке, в случае достижения определённого значения.
    Если бы в качестве датчика тока использовался шунт в истоке ключа, всё прошло бы на ура. А с трансформатором тока, полагаю Вас ждут занимательные эксперименты.

    Цитата Сообщение от VEC7OR Посмотреть сообщение
    так как средняя точка емкостного делителя сразу убегает при малейшей возможности (разные ключи, обмотки).
    не встречал такого. Думаете в режиме стабилизации напряжения она не будет убегать? Логика не понятна.

    Цитата Сообщение от VEC7OR Посмотреть сообщение
    полумостом в токовом режиме управлять трудно
    хмм, не факт. Присутствовал при испытаниях 13кВт полумостовых БП, стабилизирует шоколадно.

    Цитата Сообщение от VEC7OR Посмотреть сообщение
    покороче ето КАК ?
    а зачем ОУ в цепи ОС?

    Цитата Сообщение от VEC7OR Посмотреть сообщение
    материал N27
    с чем связан выбор, может с №67, №87 поинтересней будет? Или в ETD их нет?


    зы: может таки сначали что нибудь на 2155 собрать?
    ззы: а насчёт ККМ вы по-моему погорячились, при Ваших мощах обязателен (сейчас точно не помню, но в России наличие ККМ в сетевых ИБП обязательно при вых. мощности более 300Вт, в Европе около 500Вт)...другое дело, это не серийное изделие, и сертификация ему не грозит



    ветка на DIY практически клон этой, тока на бусурманском языке, и советы точно такие же
    Последний раз редактировалось Bender; 17.11.2006 в 16:35.

  19. #19
    Частый гость
    Автор темы

    Регистрация
    01.03.2006
    Адрес
    Литва, Вильнюс
    Возраст
    41
    Сообщений
    175

    По умолчанию Re: 500-700W Сетевой импульсник

    Цитата Сообщение от Bender Посмотреть сообщение
    это и есть режим стабилизации тока в первичке, в случае достижения определённого значения.
    Если бы в качестве датчика тока использовался шунт в истоке ключа, всё прошло бы на ура. А с трансформатором тока, полагаю Вас ждут занимательные эксперименты.
    Может и ждут, просто там где доводилость работать (всякие питальники делали для телеком, упсы и тд 100Вт-2кВт, доводилось многое ковырять паяльником) часто видел где и как их использовали, плюс в теории нет особых косяков по поводу использования.
    Шунта в истоке маловато будет, надо в обоих плечах мерять, а трафом мы смотрим прямо ток в обмотке.

    Цитата Сообщение от Bender Посмотреть сообщение
    не встречал такого. Думаете в режиме стабилизации напряжения она не будет убегать? Логика не понятна.
    Кстати нет, не будет, при управлении напряжением скважность обоих импульсов всегда равна, если меняются то оба сразу, в этом случае средняя точка кондеров встанет примерно посередине с разбросом параметров ключей. Она переползает правда при изменении нагрузки, но потом возвращается обратно, плюс токовое ограничение не даст далеко бежать, так как при косяке моста изменятся вольт-секунды, сердечник поползет в насыщение, вот там его и поймает токовая защита.
    При управлении током контроллер всегда старается давать один и тот же ток на оба периода, при этом если не придерживать среднюю точку (там какое-то специальноо решение есть, щас не помню) она как раз ползет к шинам, так как контроллер пытается устранить дисбаланс токов.


    Цитата Сообщение от Bender Посмотреть сообщение
    хмм, не факт. Присутствовал при испытаниях 13кВт полумостовых БП, стабилизирует шоколадно.
    Дык никто не спорит, хотя странно применение полумоста на такой мощности, это уже поле для полномостовых схем, разве что блок наборный (что вероятнее всего) из нескольких меньших, там не спорю, токовое управление рулит и педальки жмет из-за отсутсвия проблем с распараллеливанием токов между блоками.

    Цитата Сообщение от Bender Посмотреть сообщение
    а зачем ОУ в цепи ОС?
    Схема мостовая, надо сложить напряжения обоих плеч сумматором и тогда уже можно его подавать в ОС. Думаю в принципе подмешивать сигнал ОС в треугольник.

    Цитата Сообщение от Bender Посмотреть сообщение
    с чем связан выбор, может с №67, №87 поинтересней будет? Или в ETD их нет?
    Из ETD сердечников доступно только N27 и 3F3 что в принципе одно и тоже, были правда торы из других материалов, да мотать их неудобно.
    Для массового производства доступны правда и другие материлы, но у меня к ним подхода нет (пока правда ), знакомые фирмочки делают почти все из N27 и 3F3.

    Цитата Сообщение от Bender Посмотреть сообщение
    зы: может таки сначали что нибудь на 2155 собрать?
    ззы: а насчёт ККМ вы по-моему погорячились, при Ваших мощах обязателен (сейчас точно не помню, но в России наличие ККМ в сетевых ИБП обязательно при вых. мощности более 300Вт, в Европе около 500Вт)...другое дело, это не серийное изделие, и сертификация ему не грозит

    ветка на DIY практически клон этой, тока на бусурманском языке, и советы точно такие же
    Дык паять и собирать я уже умею, я хочу понять как оно работает и как прально это дело проектировать, что и как с обратной связью делать и тд, это в принципе тот случай, когда интереснее процесс чем результат, был бы важнее результат, я бы не думая поставил тор на 1кВА и все.

    Насчет ККМ возможно, у меня даже идеи есть по этому поводу (IR1150), но мне пока и с этим блоком забот хватит, тем более у нас пока жестких требований на эту тему нету, а продавать я его не собираюсь.

    Оно и понятно что такие-же, проблему то решаем ту же, а басурманский язык знать очень даже удобно.

  20. #20
    Новичок Аватар для Bender
    Регистрация
    28.12.2005
    Адрес
    Красногорск
    Сообщений
    1,595

    По умолчанию Re: 500-700W Сетевой импульсник

    Цитата Сообщение от VEC7OR Посмотреть сообщение
    странно применение полумоста на такой мощности, это уже поле для полномостовых схем, разве что блок наборный (что вероятнее всего) из нескольких меньших
    там много чего странного, с точки зрения повседневной жизни (т.е. бытовухи) начиная от номинального входного напряжения 3.6кВ, и заканчивая 6 последовательно включенными тиристорами, (там где мы обычно используем один FET ). Преобразователь на 13кВт кстати не модульный, а вот на 24кВт был уже модульный.

    Цитата Сообщение от VEC7OR Посмотреть сообщение
    Думаю в принципе подмешивать сигнал ОС в треугольник
    генератор треугольника на чём собирать планируете?

Страница 1 из 98 12311 ... Последняя

Социальные закладки

Социальные закладки

Ваши права

  • Вы не можете создавать новые темы
  • Вы не можете отвечать в темах
  • Вы не можете прикреплять вложения
  • Вы не можете редактировать свои сообщения
  •