Недавно приобрёл вот такое неисправное "чудо"(на фото уже разобранный).
В двух словах о проблеме, без кассеты дисплеи светятся, мигает три раза "пауза" и вроде как всё нормально, с кассетой так же мигает "пауза", после начинает, с переывами включаться "подмотка назад", при этом счётчик своё значение не меняет(ноли).
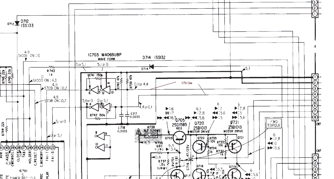
Схемы конечно нет, на плату под подкасетниками заходит шлейф и трёх проводников(почти по центру сверху - синий, белый, красный), на двух правых +5V, ни при каких манипуляциях напряжения не изменяются, по осциллографу тоже "пусто".
Для начала выбрал вариант осмотра платы датчиков движения(под подкассетниками), но не понял как их снять(по чертежу сервисмануала было бы конечно проще).
Может кто-то сталкивался с подобной проблемой и надо искать совсем в другом месте.
Схема бы конечно не помешала, за ранее спасибо огромное.![]()
Социальные закладки