Показано с 1 по 1 из 1

Тема: SVEN-HA1410T, который ловит радио, твик + устранение проблем

  1. #1
    Новичок
    Автор темы

    Регистрация
    31.10.2012
    Сообщений
    1

    По умолчанию SVEN-HA1410T, который ловит радио, твик + устранение проблем

    Здравствуйте, уважаемые Форумчане! Хочу посоветоваться по доработке очередного кетая.
    Есть комплект SVEN-HA1410т, 5.1 не самый плохой вариант для кино, однако обладает рядом проблем, не совместимых с понятием «исправный»:
    Общие симптомы:
    - Самое интресное: прием радио ПВ/КВ или ДВ диапазонов, точно понять что принимает не могу, приемником эту станцию так и не нашел , говорят в основном на китайском, не удивительно, система воспроизводит милые её сердцу, родные станции. Начало вещания 22-23.00, после полуночи перебивает любые сцены в кино с уровнем громкости ниже среднего (громкость наводки от громкости сигнала не зависит)
    -щелчки в АС при включении мощных потребителей дома.
    -не работают коммутаторы входов (можно подавать сигнал на входы AUX,DVD,TV – будет тишина, го если включит во входы R L, и перевести систему в вышеназванные режимы, то все работает, вывод – толку от них 0)
    -на большой громкости проявляться различные глюки: хрипотца, артефакты на дисплее, отключение УМ.

    Что было сделано: вскрытие, пропайка (много мест с «плюмбами», соплями, кстати заработал режим MUTE, который ранее не работал), замена двух вздувшихся электролитов в питании LM1875, замена кондеров в БП на новые с емкостью как на схеме. Радио конечно не куда не пропало, но глюков на громкости стало гораздо меньше и на большой громкости УМ работает гораздо увереннее.
    ПЛАН Что с ним делать?
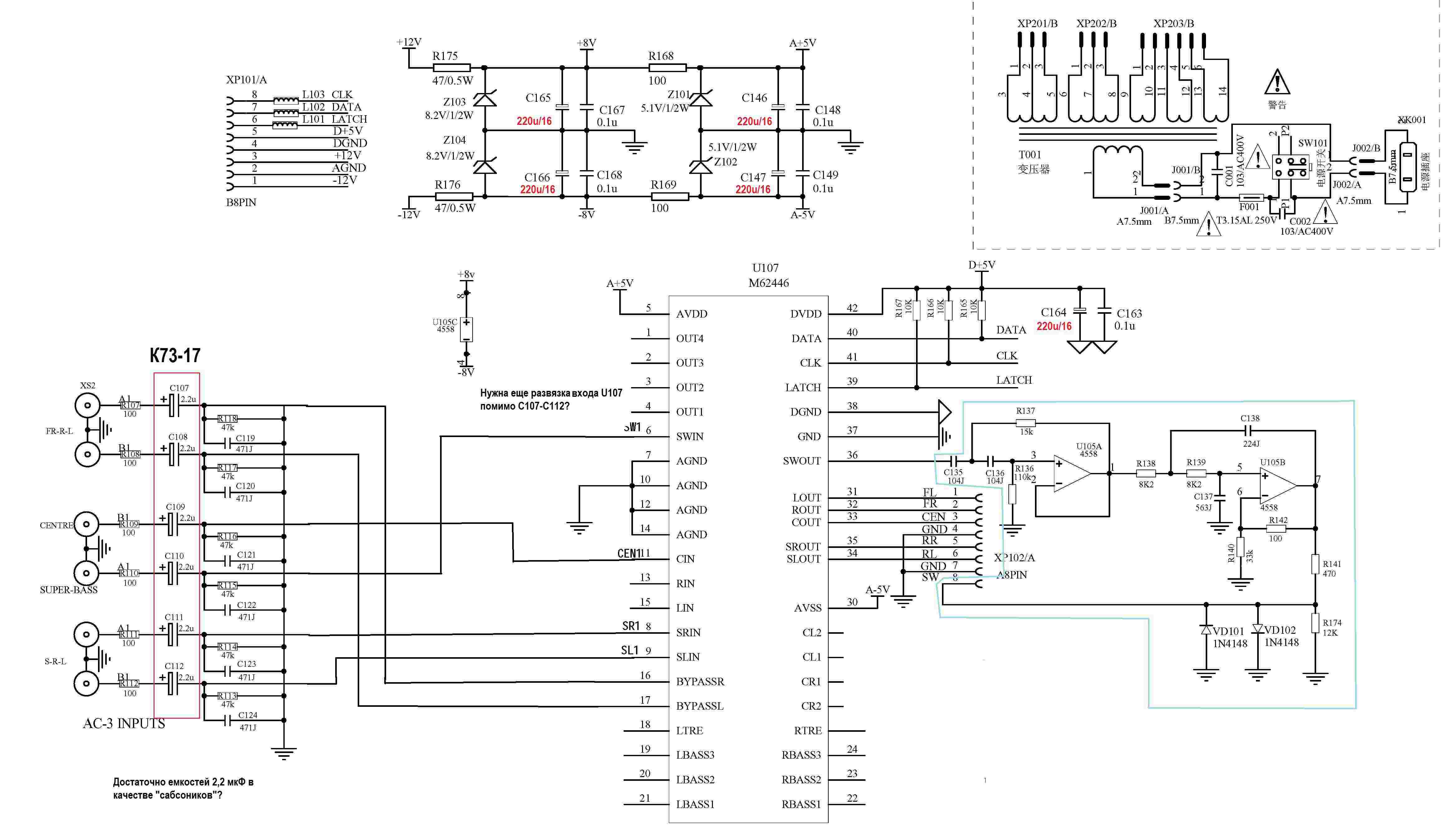
    1.Плата входов.

    Есть подозрение, что наводка радио происходит именно там, т.к. она распространяется на все каналы, и громкость ее не регулируется пультом.

    а) Выкидываю коммутатор видеовходов вместе со входами (U108, LA7952) и разводкой на выходах М62446.
    б)выкидываю всю коммутацию аудиовходов (4053B, 4052B) вместе с лишними разъемами.
    в)выкидываю повторители сигнала на U104 (4558) и сумматор (вроде как) на U106
    г)так же хочу заменить кондеры в питании (стабилизаторы +-8В, 5В) на новые с большей емкостью, все таки им уже по 10 лет.
    д)R и L каналы перекидываю с входов RIN и LIN МС М62446 на входы BYPASSR, BYPASSL, в обход шумного блока тембров, пользовать в данной МС буду только регулятором громкости, хотел вообще выкинуть ДУ, но потом понял что это будет не удобно и 6 каналов регулировать одновременно кроме как МС не чем.

    Теперь по части возникших вопросов:
    а)конденсаторы С107-С112 2,2 мкФ играют роль «сабсоника» помимо разделительного? Их считаю необходимым заменить на что-то вроде К73-17, только не знаю есть ли такая емкость.
    б)Если уберу обвязку М62446 по части тембр-блока (ноги 18-21 и 22-28), не чем ей это не грозит?
    в) самое для меня пока сложное: нужны ли дополнительно фильтры? т.е. нужно ограничивать подаваемый на вход УМ сигнал по частоте снизу для сателлитов, особенно интересно нужно ли
    ограничивать сверху 22кГц? снизу теоритически будет срезать звуковушка компа, используемого как источник сигнала.
    г)как я понимаю схема на ОУ U105 и есть полосный фильтр для саба, или по крайней мере в нем есть фильтры на C136,R136 (15гЦ) и R139,C137(355гЦ)? или нет?И зачем вход саба посажен на землю через диоды VD101\102?

    В общем смысл: убрать все не нужное, возможно попутно избавившись от радио наводок. Схему того, что должно получиться я прикрепил, прошу посмотреть и возможно от чего-то отговорить или что-то посоветовать.
    2.Плата УМ и БП
    а)замена конденсаторов питания на 10000мкФ
    б)замена кондеров в питании всех МС, на большей емкости.
    в)замена электролитов С232, 235 в предусилителе(?) сабвуфера на пленку. они вообще там нужны?


    Вопросы:
    г)в следствии замены конденсаторов БП на большую емкость, думаю целесообразно поменять диоды на тип с большим током и по возможности более шустрые или вообще Шоттки, не знаю только какие, присмотрелся к MUR440-460/SF54-56 или SR506, но у них обратное напряжение маленькое, у родных 5404 оно 400В, зачем там столько? 100В думаю хватит?
    д)я так понимаю схема задержки включения теперь будет включать все рановато (ну это посмотрю уже на практике), конденсаторы не успеют зарядиться и будет щелчок, в таком случае нужно будет увеличить емкость С249?
    ж)на всей схеме электролиты питания шунтируются емкостями по 0,1мкФ понятно чего производства. стОит ли их менять на большие емкости нашего производства? Или нынешних будет вполне достаточно?
    з)поясните пожалуйста, что за схема SW-PRO? Включается сразу после вторички транса (от туда же идет и все схема задержки включения) и подключается к оконечнику саба. Вроде как защита, от чего и как она саб защищает я не пойму. Да еще и есть подозрение что через нее хорошо пролазиет фон 50Гц (ах да, еще одна болячка
    и)еще имеется не доступная моему пониманию схема питания на плате. 2,9В переменки берутся с транса и подаются на дисплей, ну это ладно, с них через резисторы 100 Ом они замкнуты на: с одной стороны стабилитрон на 5В, с другой чере 10кОм на «цифровую землю», стабилитрон этот собственно дальше встречается с выпрямленным 1-полупериодным выпрямителем 27В ... в общем чего то я не пойму что там навертели китайцы..., может кто пояснит?
    к)целесообразно разделительные емкости перед ЛМками заменить на К73 1мкф, с целью увеличить чувствительность к НЧ?
    л)последнее – индуктивности L201-202, все кто видел схему грешат что именно тут все наводка и берётся, хочу от них избавиться и в целом посмотреть разводку земли по всем платам.

    Так же думаю экранировать сам корпус саба и все платы металлом, заменить провода, свить их парами и припаять напрямую без разъемов. Для уменьшения зависимости от помех по питанию собрать внутри фильтр посерьёзнее одного кондера.
    Если честно так и не въехал чем регулируется тембр на центре, тылах и сабе, вроде у М62446 только два канала тембра...

    Схемы «до» и «после» прикрепляю, схема БП и УМ одна, т.к. там изменились только емкости.
    Задавал подобные вопросы на других форумах, но тут мне кажется гораздо более специальный.
    В общем все это в рамках эксперимента и с целью приобрести некий опыт. Основная задача – убрать радио, оно уже задолбало...
    Заранее благодарю откликнувшихся!
    Миниатюры Миниатюры Нажмите на изображение для увеличения. 

Название:	vhodi posle.jpg 
Просмотров:	1303 
Размер:	288.7 Кб 
ID:	168358   Нажмите на изображение для увеличения. 

Название:	vhodi.jpg 
Просмотров:	1249 
Размер:	781.4 Кб 
ID:	168359   Нажмите на изображение для увеличения. 

Название:	BP UM posle 1.jpg 
Просмотров:	1209 
Размер:	242.2 Кб 
ID:	168360  

Социальные закладки

Социальные закладки

Ваши права

  • Вы не можете создавать новые темы
  • Вы не можете отвечать в темах
  • Вы не можете прикреплять вложения
  • Вы не можете редактировать свои сообщения
  •