Нужен простой, но приличный ЦАП в равной степени: иногда послушать с компа (если под рукой ничего больше нет), иногда измерить. Подключение - компьютер, Винда, USB.
При измерениях важна гальваническая развязка ЦАПа от компа. А то приходится брать ноут на батарейках - не всегда удобно, не всегда возможно.
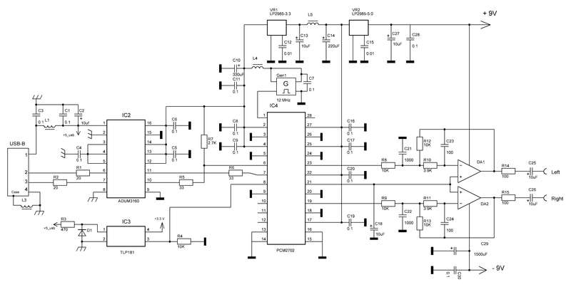
Пришла мысля - использовать изолятор ADuM4160 (он у мну есть, поэтому). ЦАП - РСМ2706 его качества мне вполне хватает для обоих применений (естественно с приличной аналоговой обвязкой). И хоцца, чтобы это его исходное качество не пострадало от изоляции. Как и возможность подключаться к Винде без установки драйверов - это первостепенная задача. Если дрова для ЦАПа на Винду придётся накатывать (я так понимаю, что не придётся, но всё же) - то и начинать не нужно. Судя по обзорам готовых устройств, снижаются шумы ЦАПа - но это я так понимаю, что ихние ЦАПы питаются от USB и возможна недостаточно качественная фильтрация питания.
Кто-нить использовать этот изолятор? В инете не встретил практических применений, только теория, типа возможно. А как насчёт подводных камней? У меня сейчас очень мало ресурсов по времени и силам, поэтому с одной стороны надо быстро получить результат, с другой - нет возможностей на работу в холостую.
В даташите пишут, что нужно всего 4 конденсатора и 4 резистора, апноты ещё не искал. Но в даташите всегда указываются наиболее минималистические решения, может можно немного допилить и что-нибудь улучшить в работе изолятора?
Да, а питание всего устройства от сети через обычный транс.


Ответить с цитированием


Социальные закладки