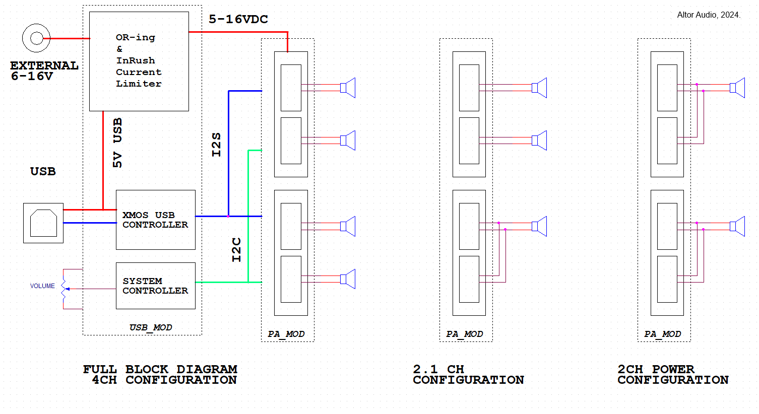
Пока тут в соседней теме "утилизируют гармоники" в услителях, я по инициативе его императорского величества, докатился до прикомпьютерной свистоперделки в классе-Д на SSM3582A.
Цель - усилитель невысокой мощности для компа, пригодный для использования в трифонике и биампинге, с цифрокроссом в компе.
Но разумеется, его можно использовать и как простое "стерео", с удвоенной мощностью.
Внутри- две двухканальных SSM3582А, то есть имеем 4 канала с 4 вариантами использования:
1) В простом стерео, можно юзать два первых из них.
2) В биампинге- все четыре.
3) В трифонике, 2.1, два канала используются как есть, а два (на саб) включаются впараллель (программно настраиваются на параллельну работу, ну а физическое соединение - снаружи на разъемах).
4) В стерео повышенной мощности. Тут оба чипа включаются впараллель (этот вариант пока не реализован програмного, но "железо" позволяет сделать это в будущем).
Единственная регулировка - громкость.
Стоит потенциометр, управляющий громкостью SSM3582A одновременно во всех 4х каналах. Диапазон регулировки сейчас от 0 до -65дБ, крайнее левое положение - mute. Сам чип позволяет уходить и в плюс, но я пока не понял нужно ли это, опыта работы с этими чипами у меня раньше толком небыло.
Питание комбинированое, в простейшем случае - все питается от USB.
Но если подключить внешнее питание (до 16.5в), то будет конечно мощнее (конкретные параметры - см. в даташите на SSM3582A). Для этого в схеме имеется "Diode OR-ing", с ограничением пускового тока при питании от USB ("софт-старт").
На 5в USB по стандарту нельзя цеплять без софтстарта больше чем 10мкФ, а тут по питанию стоит несколько тысяч.
Реальное питание измеряется и в соответстви с ним меняется "усиление" в SSM3582A. Выбранные пороги переключения (с гистерезисом конечно), может еще будут корректироваться по результатам эксплуатации в разных условиях.
Я постарался выбрать их так, чтобы по возможности обеспечить работу без, или почти без клиппинга, в положении РГ близком к максимуму.
-----------------------------------------------------------------------------------------
Функциональная схема:
USB часть сделана на XMOS (XUF208) и работает в форматах, понимаемыми SSM3582A - от 44.1 до 192кГц, 32 бита.
Драйвер современной винде в принцпе не нужен, но он понадобится если надо будет обновить прошивку через DFU.
Второй контроллер в схеме STM32L151, он используется для управления SSM3582A (начальная настройка, переключение семплрейта и регулировка громкости).
L151 сильно избыточен, но стоит он не дорого, а наличие в нем USB позволяет легко делать апдейт его прошивки без дополнительных устройств через MSD-Bootloader, как и в других моих девайсах.
Также он измеряет напряжение питания SSM3582A и меняет ей гейн. Сразу отвечаю на предполагаемый вопрос - "SSM3582A ведь и сама умеет мерять свое напряжение питания?". Да, умеет, но поскольку у меня все равно стоит МК, то "цена вопроса" - два резистора. Зато не надо постоянно дергать SSM-ку по I2C, прерываний она давать не умеет.
-----------------------------------------------------------------------------------------
Diode OR-ing здесь комбинированный, со стороны USB, где падение напряжения на диоде более важно, стоит контроллер Ideal Diode + мосфет.
Со стороны внешнего питания стоит просто диод (Шоттки), т.е. жаба меня задавила ставить еще один чип и мосфет вместо диода, да и места для них там не очень чтобы было.
Второй мосфет + резистор используются для ограничения тока заряда больших электролитов от USB.
Мосфеты поставил IRF540 в ТО220, что в принципе избыточно, просто у меня их много
-----------------------------------------------------------------------------------------
Конструктивно девайс состоит из 2-х плат:
1) Плата контроллера. На ней XMOS, STM32 и Diode OR-ing.
2) Плата усилителей.
Обе платы соединяются штыревыми коннекторми как сендвич (мое традиционное лего", если кто в курсе о чем я).
Плату усилителей можно распаять проводами на разъемы динамиков, но вообще она сделана так, что при использовании Binding Post она может "сидеть" прямо на них.
В такой конструкции было невозможно сделать и чтобы USB разъем был на плате и при этом на задней панели. Поэтому был куплен на али переходной кабелек с USB-B на "гребенку". К сожалению, он довольно длинный, что может вызвать неудобства, поэтому я сделал еще маленькую переходную платку с USB-B, которая ставится вместо него (перпендикулярно задней панели, крепеж совпадает), но ее придется припаивать 4-мя короткими проводками к плате контроллера. На фотках она только для иллюстрации, не припаянная.
Ну а вот и фотки.
Для тестов на столе использовал динамик от "ушей" старого кинескопного ТВ Панасоник. Должен сказать, что при питании от USB громкости на нем хватает для комфортного прослушивания вблизи. Правда, я только один канал подключал.
![]()


Ответить с цитированием


Социальные закладки