Страница 1 из 2 12 Последняя
Показано с 1 по 20 из 36

Тема: Звук 5.1 с телевизора на домашний кинотеатр Panasonic SC-HT935.

  1. #1
    Новичок
    Автор темы
    Аватар для Sergeips
    Регистрация
    12.02.2022
    Сообщений
    15

    По умолчанию Звук 5.1 с телевизора на домашний кинотеатр Panasonic SC-HT935.

    Здравствуйте всем. Я тут новичок. Если что, поправьте. У меня такая тема. Есть домашний кинотеатр Panasonic SC-HT935. Мне он нравится по своим характеристикам. Вполне хватает для комнаты, где он стоит. Но у него нет входных разъемов ни HDMI, ни оптики, ни каких других для вывода на него звука 5.1 с телевизора или ТВ приставки. Но очень хочется использовать это оборудование при просмотре фильмов. И не в формате стерео звука ( что можно и без переделок), а именно 5.1. Изучив схему, я поставил RCA разъемы и подпаял их к соответствующим точкам на схеме так, что бы все функционировало как и раньше при просмотре DVD. Что бы пульт работал, громкость регулировалась, режимы саба менялись с пульта, настройки всякие и т. д. Дорожки платы по которым шел звук с DVD я перерезал. Ну и как предполагал, все работает замечательно, но только тогда, когда идет воспроизведение DVD))) Я так понимаю, вся работа устройства контролируется и направляется шиной I2C. Если ошибаюсь, поправьте. Так вот подскажите мне, пожалуйста, кто знает, как мне сделать так, что бы все работало без воспроизведения диска DVD? Как я понимаю, надо на SELECT/DIGITAL SOUND PROCESSOR/ELECTRONIC VOLUME/TONE подать по шине соответствующие команды. Но как это сделать, пока не знаю, так как с шинами I2C ни когда не работал.

    ---------- Сообщение добавлено 15:41 ---------- Предыдущее сообщение было 15:38 ----------

    Да, еще хочу написать, что с телевизора по оптике звук идет на ЦАП, а с него на RCA мои новые в домашний кинотеатр.

    ---------- Сообщение добавлено 16:00 ---------- Предыдущее сообщение было 15:41 ----------

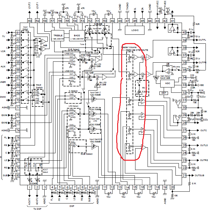
    Микросхема, где происходят все коммутации и переключения каналов это 5.1ch
    Sound Processor BD3818KS. Нажмите на изображение для увеличения. 

Название:	111.png 
Просмотров:	438 
Размер:	114.7 Кб 
ID:	417308

    ---------- Сообщение добавлено 16:04 ---------- Предыдущее сообщение было 16:00 ----------

    На структурной схеме вот она Нажмите на изображение для увеличения. 

Название:	222.png 
Просмотров:	362 
Размер:	106.5 Кб 
ID:	417309

  2. #2
    Не хочу! Аватар для Alex
    Регистрация
    20.03.2003
    Адрес
    Worldwide
    Возраст
    63
    Сообщений
    39,144

    По умолчанию Re: Звук 5.1 с телевизора на домашний кинотеатр Panasonic SC-HT935.

    Цитата Сообщение от Sergeips Посмотреть сообщение
    что с телевизора по оптике звук идет на ЦАП, а с него на RCA
    Там идет стерео а не 5.1, для 5.1 нужно чтобы между оптикой и ЦАПом стоял декодер.

    Или брать на RCA с декодер+цап, типа такого для оптики:
    https://www.aliexpress.com/wholesale...1+decoder+hdmi
    https://www.aliexpress.com/item/1005...rch-mainSearch

    или такого, если еще и HDMI:
    https://www.aliexpress.com/item/1005...rch-mainSearch
    "Замполит, чайку?"(с)"Охота за Красным Октябрем".
    "Да мне-то что, меняйтесь!"(с)анек.
    <-- http://altor1.narod.ru --> Вопросы - в личку, е-мейл, скайп.

  3. #3
    Новичок
    Автор темы
    Аватар для Sergeips
    Регистрация
    12.02.2022
    Сообщений
    15

    По умолчанию Re: Звук 5.1 с телевизора на домашний кинотеатр Panasonic SC-HT935.

    Да, конечно. Я просто его так обозвал. Это Аудиоконвертер HDMI 5,1, декодер ЦАП DTS AC3 FLAC PCUSB APE 4K * 2K HDMI, экстрактор, разветвитель, цифровой SPDIF ARC
    Звук идет реальный 5.1.

    ---------- Сообщение добавлено 16:12 ---------- Предыдущее сообщение было 16:08 ----------

    Вот он на принципиальной схеме. Нажмите на изображение для увеличения. 

Название:	333.png 
Просмотров:	421 
Размер:	184.0 Кб 
ID:	417310
    Подпаивался сразу после разъема. Тут уже аналоговый сигнал идет.

    ---------- Сообщение добавлено 16:18 ---------- Предыдущее сообщение было 16:12 ----------

    Вот формат управляющих данных Нажмите на изображение для увеличения. 

Название:	444.png 
Просмотров:	241 
Размер:	73.3 Кб 
ID:	417313

    ---------- Сообщение добавлено 16:27 ---------- Предыдущее сообщение было 16:18 ----------

    Вот мануал на кинотеатр.

    ---------- Сообщение добавлено 16:33 ---------- Предыдущее сообщение было 16:27 ----------

    А это полный Datasheet на микросхему BD3818KS

    ---------- Сообщение добавлено 16:51 ---------- Предыдущее сообщение было 16:33 ----------

    Как я понял, команда на коммутацию каналов при 5.1 вот этоНажмите на изображение для увеличения. 

Название:	555.png 
Просмотров:	204 
Размер:	10.2 Кб 
ID:	417321

    ---------- Сообщение добавлено 17:08 ---------- Предыдущее сообщение было 16:51 ----------

    Но, наверно, кроме всего этого еще идет и закрытие каналов на паузах и остановках. Заметил следующее. Поставил диск Аватар и смотрю какой то фильм с ТВ приставки со звуком 5.1 через кинотеатр. На DVD Аватар есть в начале циклический кусок, на котором на фоне кадров из фильма активные надписи типа "играть", "настройки". И этот кусок постоянно циклится. В момент перехода головки на начало цикла поток видео и аудио секундно прекращается. Синхронно пропадает и звук в динамиках. Если я нажимаю "играть", то начинается постоянное воспроизведение и звук в динамиках воспроизводится в течение часов трех совершенно нормально. Значит, получается, что при отсутствии видео или аудио (точно пока не понял) потока идет закрытие каналов звука. Это место на микросхеме обведено красным.Нажмите на изображение для увеличения. 

Название:	666.png 
Просмотров:	267 
Размер:	140.6 Кб 
ID:	417323
    Вложения Вложения

  4. #4
    Не хочу! Аватар для Alex
    Регистрация
    20.03.2003
    Адрес
    Worldwide
    Возраст
    63
    Сообщений
    39,144

    По умолчанию Re: Звук 5.1 с телевизора на домашний кинотеатр Panasonic SC-HT935.

    Цитата Сообщение от Sergeips Посмотреть сообщение
    В момент перехода головки на начало цикла поток видео и аудио секундно прекращается. Синхронно пропадает и звук в динамиках.
    Ну "мьют" делают в переходных режимах, это правильно.
    Но вообще помимо мьюта, там еще куча переключений всяких, типа входы, центральный канал, саб и прочее.
    Разобраться со всем этим конечно можно, но как я уже писал в личке - старый AV-ресивер с декодером ДД/ДТС нынче доджен копейки стоить.
    "Замполит, чайку?"(с)"Охота за Красным Октябрем".
    "Да мне-то что, меняйтесь!"(с)анек.
    <-- http://altor1.narod.ru --> Вопросы - в личку, е-мейл, скайп.

  5. #5
    Новичок
    Автор темы
    Аватар для Sergeips
    Регистрация
    12.02.2022
    Сообщений
    15

    По умолчанию Re: Звук 5.1 с телевизора на домашний кинотеатр Panasonic SC-HT935.

    Цитата Сообщение от Alex Посмотреть сообщение
    Ну "мьют" делают в переходных режимах, это правильно.
    Но вообще помимо мьюта, там еще куча переключений всяких, типа входы, центральный канал, саб и прочее.
    Разобраться со всем этим конечно можно, но как я уже писал в личке - старый AV-ресивер с декодером ДД/ДТС нынче доджен копейки стоить.
    Да. согласен, проще купить старый ресивер и получить то что получишь. Но там возникнут свои вопросы. 1. Саб активный, в нем все усилители. Вход в него по спец разъему от панасоника. 2.Колонки - фронт -6 ом, центр и тыл 4 ома. И опять проще будет купить ресивер с колонками и сабом. А тут согласованная система, которая выдает очень хороший ( на мой взгляд) звук. Да и характеристики у нее не самые плохие. Ресивер с такими характеристиками и бу не будет дешево стоить. Я интересовался уже. Но это не главное. Главное - как то решить проблему) Просто подумал, что кто то может что то посоветовать куда копать. Може, кто сталкивался с подобными проблемами.

  6. #6
    лентяй Аватар для владимирр
    Регистрация
    06.11.2017
    Адрес
    Болото.
    Сообщений
    6,015

    По умолчанию Re: Звук 5.1 с телевизора на домашний кинотеатр Panasonic SC-HT935.

    Цитата Сообщение от Sergeips Посмотреть сообщение
    Но у него нет входных разъемов ни HDMI, ни оптики, ни каких других для вывода на него звука 5.1 с телевизора или ТВ приставки.
    фото задней панели с разъёмами будет, там как правило что то да есть
    Оно конечно ничего, а случись что, вот тебе и пожалуйста!!!

  7. #7
    Новичок
    Автор темы
    Аватар для Sergeips
    Регистрация
    12.02.2022
    Сообщений
    15

    По умолчанию Re: Звук 5.1 с телевизора на домашний кинотеатр Panasonic SC-HT935.

    Цитата Сообщение от владимирр Посмотреть сообщение
    фото задней панели с разъёмами будет, там как правило что то да есть
    Ни чего лишнего)))Нажмите на изображение для увеличения. 

Название:	777.png 
Просмотров:	388 
Размер:	319.4 Кб 
ID:	417339Нажмите на изображение для увеличения. 

Название:	7778.png 
Просмотров:	525 
Размер:	355.9 Кб 
ID:	417340

  8. #8
    лентяй Аватар для владимирр
    Регистрация
    06.11.2017
    Адрес
    Болото.
    Сообщений
    6,015

    По умолчанию Re: Звук 5.1 с телевизора на домашний кинотеатр Panasonic SC-HT935.

    чем тебя линейный вход не устраивает Нажмите на изображение для увеличения. 

Название:	Снимок.PNG аукс.PNG 
Просмотров:	162 
Размер:	48.9 Кб 
ID:	417341 от него как правило работает "саб" и фронт, или в телевизоре нет выхода на наушники
    Оно конечно ничего, а случись что, вот тебе и пожалуйста!!!

  9. #9
    Не хочу! Аватар для Alex
    Регистрация
    20.03.2003
    Адрес
    Worldwide
    Возраст
    63
    Сообщений
    39,144

    По умолчанию Re: Звук 5.1 с телевизора на домашний кинотеатр Panasonic SC-HT935.

    Цитата Сообщение от Sergeips Посмотреть сообщение
    А тут согласованная система, которая выдает очень хороший ( на мой взгляд) звук
    Система, в смысле Панасоник, может звук очень хороший и способна выдать, но только не тогда когда у него на входе у нее стоит:

    Цитата Сообщение от Sergeips Посмотреть сообщение
    . Это Аудиоконвертер HDMI 5,1, декодер ЦАП DTS AC3 FLAC PCUSB APE 4K * 2K HDMI, экстрактор, разветвитель, цифровой SPDIF ARC
    А то что в нем стоит, на порядки хуже чем то, что стоит в почти любом ресивере.

    Цитата Сообщение от Sergeips Посмотреть сообщение
    Ресивер с такими характеристиками и бу не будет дешево стоить.
    Цитата Сообщение от владимирр Посмотреть сообщение
    чем тебя линейный вход не устраивает
    Наверное тем, что он стерео, а человек хочет 5.1 с телевизора.
    А вопрос качественного декодера 5.1 (или 7.1) с SPDIF (коаксиал или оптика), а тем более с HDMI, малой кровью не решается. Увы.
    "Замполит, чайку?"(с)"Охота за Красным Октябрем".
    "Да мне-то что, меняйтесь!"(с)анек.
    <-- http://altor1.narod.ru --> Вопросы - в личку, е-мейл, скайп.

  10. #10
    лентяй Аватар для владимирр
    Регистрация
    06.11.2017
    Адрес
    Болото.
    Сообщений
    6,015

    По умолчанию Re: Звук 5.1 с телевизора на домашний кинотеатр Panasonic SC-HT935.

    Цитата Сообщение от Alex Посмотреть сообщение
    Наверное тем, что он стерео, а человек хочет 5.1 с телевизора.
    ну так понимаем что не будет, мучал я типа такого, БП тупо не справляется.
    Оно конечно ничего, а случись что, вот тебе и пожалуйста!!!

  11. #11
    Новичок
    Автор темы
    Аватар для Sergeips
    Регистрация
    12.02.2022
    Сообщений
    15

    По умолчанию Re: Звук 5.1 с телевизора на домашний кинотеатр Panasonic SC-HT935.

    Я, может, как то не понятно освещаю тему, не знаю. Но суть вопроса одна. Кинотеатр не может выдавать звук 5.1 кроме как с DVD диска. Он может стерео с телевизора, с видео магнитофона, с внешнего источника. Может радио стерео со своего тюнера. А 5.1 только от DVD. Я сделал 5.1 от телевизора через декодер-цап, но через костыли. А именно все работает только тогда, когда воспроизводишь какой то диск DVD))) Любой) Главное, что бы он воспроизводился. Тогда вся систем а работает. Работает все - пульт, все настройки. А звук от DVD я перерезал и идет мой звук с ТВ приставки шилд, через телевизор, декодер-цап на домашний кинотеатр. В качестве DVD я кручу Аватар. Он длинный и еще после фильма кто в ролях на час) Но, хотелось бы костыли убрать. А система завязана на шину, как мне кажется, I2C. И там все схвачено. Наличие диска, режим воспроизведения. не пауза, звук 5.1 с диска и так далее. Вот как обмануть это все, считать сигнал с шины во время воспроизведения, ответы коммутирующих элементов в микросхеме и сымитировать эти сигналы для пропуска звука 5.1 на выход без режима воспроизведения DVD?

  12. #12
    лентяй Аватар для владимирр
    Регистрация
    06.11.2017
    Адрес
    Болото.
    Сообщений
    6,015

    По умолчанию Re: Звук 5.1 с телевизора на домашний кинотеатр Panasonic SC-HT935.

    Цитата Сообщение от Sergeips Посмотреть сообщение
    Я, может,
    тут моя не моя
    Оно конечно ничего, а случись что, вот тебе и пожалуйста!!!

  13. #13
    Новичок
    Автор темы
    Аватар для Sergeips
    Регистрация
    12.02.2022
    Сообщений
    15

    По умолчанию Re: Звук 5.1 с телевизора на домашний кинотеатр Panasonic SC-HT935.

    Цитата Сообщение от Alex Посмотреть сообщение
    Система, в смысле Панасоник, может звук очень хороший и способна выдать, но только не тогда когда у него на входе у нее стоит:


    А то что в нем стоит, на порядки хуже чем то, что стоит в почти любом ресивере.




    Наверное тем, что он стерео, а человек хочет 5.1 с телевизора.
    А вопрос качественного декодера 5.1 (или 7.1) с SPDIF (коаксиал или оптика), а тем более с HDMI, малой кровью не решается. Увы.
    Так дело в том, что именно с этим декодером-цапом у меня все хорошо Звук мне нравится очень. Может, мне медведь на ухо наступил, но когда смотришь аватар ( не с диска DVD5.1, а с приставки шилд 100 гиговый), или первому игроку приготовиться с 11 минуты гонки за пасхалками, то просто супер. У меня жена больше не хочет телевизионные колонки слушать) Говорит, давай запускай панасоник) Я говорю, что его запускать в нынешнем состоянии, это как машину заводить на паровом двигателе))) Она - заводи))) Вот и хочется упростить процесс заводки)

    ---------- Сообщение добавлено 20:24 ---------- Предыдущее сообщение было 20:16 ----------

    Ну, тут, конечно, можно, в принципе, какие то костыли убрать, но свободы полной не будет. Можно декодер-цап подключить непосредственно к сабвуферу. Все усилители стоят в нем. Но не будет пульта, не будет настроек ни каких. Все будет скудно. Не хочется так.

  14. #14
    Не хочу! Аватар для Alex
    Регистрация
    20.03.2003
    Адрес
    Worldwide
    Возраст
    63
    Сообщений
    39,144

    По умолчанию Re: Звук 5.1 с телевизора на домашний кинотеатр Panasonic SC-HT935.

    Цитата Сообщение от владимирр Посмотреть сообщение
    ну так понимаем что не будет, мучал я типа такого, БП тупо не справляется.
    БП это блок питания? Чего, и причем тут он?
    У человека в ДК просто аналоговых 5.1 входов нет (и интерфейса чтобы принять с оптики телевизора 5.1 там тоже нет). Но он взоды сделал, и подает туда с алишного декодера. Проблема - как обяснить ДУ что он с этих входов работает, а не с диска.

    ---------- Сообщение добавлено 20:08 ---------- Предыдущее сообщение было 20:00 ----------

    Цитата Сообщение от Sergeips Посмотреть сообщение
    Но не будет пульта, не будет настроек ни каких.
    Да, без пульта на кино оно хреново, не набегаешся.

    Цитата Сообщение от Sergeips Посмотреть сообщение
    а с приставки шилд 100 гиговый),
    У меня тоже Шилд самая последняя модель - NVidea Shield Pro 2021, 16-гиговый. Сейчас с него и кино и музыка.
    "Замполит, чайку?"(с)"Охота за Красным Октябрем".
    "Да мне-то что, меняйтесь!"(с)анек.
    <-- http://altor1.narod.ru --> Вопросы - в личку, е-мейл, скайп.

  15. #15
    Новичок
    Автор темы
    Аватар для Sergeips
    Регистрация
    12.02.2022
    Сообщений
    15

    По умолчанию Re: Звук 5.1 с телевизора на домашний кинотеатр Panasonic SC-HT935.

    Цитата Сообщение от Alex Посмотреть сообщение
    БП это блок питания? Чего, и причем тут он?
    У человека в ДК просто аналоговых 5.1 входов нет (и интерфейса чтобы принять с оптики телевизора 5.1 там тоже нет). Но он взоды сделал, и подает туда с алишного декодера. Проблема - как обяснить ДУ что он с этих входов работает, а не с диска.
    Вот именно так. Только объяснять ему бесполезно) Его надо обмануть. Просто пока не понял, действительно это шина I2C, ил какая друга. Ходя линии тактов и дата присутствует по названию контактов. Но в то же время получается, что в ДК несколько шин, судя по схеме, несколько мастеров. Но, опять же не уверен что это шины I2C. Если точно I2C, то, судя по инфе в интернете, считать адреса и управляющие команды для специалиста это плевая работа. Ну и подключить устройство, типа ардуино, и запрограммировать его на выдачу адресов и команд тоже просто))) Но это все "просто" для специалистов, коим я не являюсь. Вот хотел бы наводки как и куда идти, что бы это решить)

    ---------- Сообщение добавлено 21:14 ---------- Предыдущее сообщение было 21:10 ----------

    Цитата Сообщение от Alex Посмотреть сообщение
    БП это блок питания? Чего, и причем тут он?
    У человека в ДК просто аналоговых 5.1 входов нет (и интерфейса чтобы принять с оптики телевизора 5.1 там тоже нет). Но он взоды сделал, и подает туда с алишного декодера. Проблема - как обяснить ДУ что он с этих входов работает, а не с диска.

    ---------- Сообщение добавлено 20:08 ---------- Предыдущее сообщение было 20:00 ----------



    Да, без пульта на кино оно хреново, не набегаешся.



    У меня тоже Шилд самая последняя модель - NVidea Shield Pro 2021, 16-гиговый. Сейчас с него и кино и музыка.
    У меня 2019 про. Сейчас смотрю Падение ангела. Звук офигенный, реальный 5.1. Все летает и стреляет))) Но.... аватар трудится)))

    ---------- Сообщение добавлено 21:24 ---------- Предыдущее сообщение было 21:14 ----------

    Кстати, по поводу качества звука с алидекодерцап. Диск Аватара я покупал в 2010 или 2011, не помню уже, но он лицензионный. Так вот звук 100 гигового аватара с шилда через телек и алидекодер цап в разы лучше чем с DVD лицензионного.

    ---------- Сообщение добавлено 22:09 ---------- Предыдущее сообщение было 21:24 ----------

    Характеристики ДК из паспорта вот такие. Для музыки этого мало, конечно, но для фильмов, мне кажется, волне. Тем более для квартиры в многоэтажном доме. Звук и так приходится убавлять, а по частотам для фильма для меня отлично. Поэтому и не вижу смысла в покупке ресиверов и колонок тысяч на 200 рублей.Нажмите на изображение для увеличения. 

Название:	888.png 
Просмотров:	247 
Размер:	226.9 Кб 
ID:	417350

    ---------- Сообщение добавлено 13.02.2022 в 10:36 ---------- Предыдущее сообщение было 12.02.2022 в 22:09 ----------

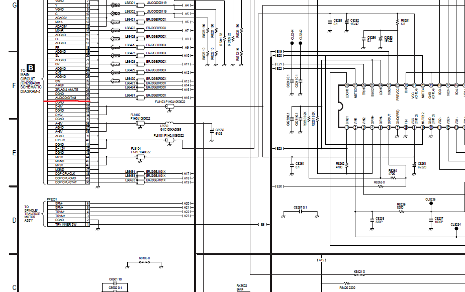
    С платы DVD на основную плату уходят сигналы только по этому разъему:Нажмите на изображение для увеличения. 

Название:	112.png 
Просмотров:	270 
Размер:	57.2 Кб 
ID:	417372

    ---------- Сообщение добавлено 11:13 ---------- Предыдущее сообщение было 10:36 ----------

    По сути дела все идет отсюда. Тут видео и аудио сигналы, земля, питания и всего три цепи, которые и определяют процес появления звука 5.1 на выходе ДК. Это DOP CPU-CLK 48 нога, DOP CPU-CMD 49 нога и DOP CPU-STAT 50 нога. Вот их то и надо как то повторить. Смотрел осциллографом, сигнал четкий, единички нолики, такты. Правда, смотрел без синхронизации. DOP CPU-CLK и DOP CPU-STAT идут со схем "И", т.е. они однонаправленные. Схемы "И", как я понимаю нужны для формирования фронтов более четких? И только DOP CPU-CMD может быть двунаправленным. Он идет сразу с процессора (там и декодеры) DVD блока.Нажмите на изображение для увеличения. 

Название:	114.png 
Просмотров:	245 
Размер:	134.3 Кб 
ID:	417373Нажмите на изображение для увеличения. 

Название:	115.png 
Просмотров:	186 
Размер:	104.7 Кб 
ID:	417374

    ---------- Сообщение добавлено 11:17 ---------- Предыдущее сообщение было 11:13 ----------

    Ну и DOP CPU-CLK и DOP CPU-STAT идут с процессора DVD. Это А29 и А30 на схеме выше видно их, они все вместе с А18.

    ---------- Сообщение добавлено 11:28 ---------- Предыдущее сообщение было 11:17 ----------

    Вот эти три цепи, как я понял, и рулят все. Может и ошибаюсь, ну не знаю. В разъеме есть еще сигнал AUDIODIGITAL. Но он приходит на разъем в блоке DVD, но на основной плате он ни куда не уходит.

    ---------- Сообщение добавлено 11:36 ---------- Предыдущее сообщение было 11:28 ----------

    Нажмите на изображение для увеличения. 

Название:	522.png 
Просмотров:	192 
Размер:	130.9 Кб 
ID:	417378

    ---------- Сообщение добавлено 11:43 ---------- Предыдущее сообщение было 11:36 ----------

    Еще есть ZFLAG & AMUTE 29 нога на разъеме в схеме блока DVD. Но это по моему входной сигнал на аудио конвертер в блоке DVD для MUTING . Так что получается ответственные за все DOP CPU-CLK 48 нога, DOP CPU-CMD 49 нога и DOP CPU-STAT 50 нога.

    ---------- Сообщение добавлено 18:18 ---------- Предыдущее сообщение было 11:43 ----------

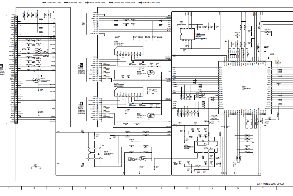
    Вот в даташите на микросхему DVD блока (MN2DS0003APH), с которой выходят управляющие сигналы и в которой декодируется звук и видео написано - Synchronous type (including I2C)/UART
    7/8-bit character length selectable, sends bit order selectable from LSB/MSB. То есть это может быть шина I2C, а может UART. Можно ли по аббревиатурам DOP CPU-CLK, DOP CPU-CMD и DOP CPU-STAT считать, что это шина I2C?
    Миниатюры Миниатюры Нажмите на изображение для увеличения. 

Название:	511.png 
Просмотров:	131 
Размер:	86.8 Кб 
ID:	417375   Нажмите на изображение для увеличения. 

Название:	512.png 
Просмотров:	134 
Размер:	108.8 Кб 
ID:	417376  

  16. #16
    Не хочу! Аватар для Alex
    Регистрация
    20.03.2003
    Адрес
    Worldwide
    Возраст
    63
    Сообщений
    39,144

    По умолчанию Re: Звук 5.1 с телевизора на домашний кинотеатр Panasonic SC-HT935.

    Цитата Сообщение от Sergeips Посмотреть сообщение
    Но в то же время получается, что в ДК несколько шин, судя по схеме, несколько мастеров. Но, опять же не уверен что это шины I2C.
    Шина I2C предполагает наличие нескольких мастеров, хотя нафига это тут я не очень понимаю. В таких системах мастер обычно один - управляющий контроллер (процессор).


    Цитата Сообщение от Sergeips Посмотреть сообщение
    У меня 2019 про.
    И что в нем 100 гиг внутри было?
    Цитата Сообщение от Sergeips Посмотреть сообщение
    . Сейчас смотрю Падение ангела. Звук офигенный, реальный 5.1. Все летает и стреляет))) Но.... аватар трудится)))
    Мне проще - к шидлу по USB подключено, ДК/ресиверов у меня нет.


    Цитата Сообщение от Sergeips Посмотреть сообщение
    Можно ли по аббревиатурам DOP CPU-CLK, DOP CPU-CMD и DOP CPU-STAT считать, что это шина I2C?
    По ним, плюс схема на первом рисунке, можно сказать что это НЕ I2C.
    "Замполит, чайку?"(с)"Охота за Красным Октябрем".
    "Да мне-то что, меняйтесь!"(с)анек.
    <-- http://altor1.narod.ru --> Вопросы - в личку, е-мейл, скайп.

  17. #17
    Новичок
    Автор темы
    Аватар для Sergeips
    Регистрация
    12.02.2022
    Сообщений
    15

    По умолчанию Re: Звук 5.1 с телевизора на домашний кинотеатр Panasonic SC-HT935.

    Цитата Сообщение от Alex Посмотреть сообщение
    И что в нем 100 гиг внутри было?
    У него внутри на 100 гигов не было ни чего. Смотрю торренты онлайн через приложение TorrServe Matrix. Вот и Аватар 100 гиговый через него же.

    ---------- Сообщение добавлено 15:06 ---------- Предыдущее сообщение было 14:49 ----------

    Цитата Сообщение от Alex Посмотреть сообщение
    Шина I2C предполагает наличие нескольких мастеров, хотя нафига это тут я не очень понимаю. В таких системах мастер обычно один - управляющий контроллер (процессор).
    На микросхему переключения каналов IC2011 (BD3818KS) приходят сигналы точно по шине I2C с процессора основного блока IC2018 (MN101C49GHB). А на IC2018 приходят сигналы ( или так скажем линии связи) с процессора блока DVD IC8001 (MN2DS0003APH) именно DOP CPU-CLK, DOP CPU-STAT и DOP CPU-CMD. DOP CPU-CLK и DOP CPU-STAT идут через схемы "И" и значит однонаправленные, в направлении от процессора DVD к процессору основного блока. А DOP CPU-CMD двунаправленная линия. Если считать, что по линии DOP CPU-STAT идет какая то статистика(???) то это похоже на шину I2C. Исходя из этого и написал, что несколько мастеров и шин. Ни каких других шин с тремя линиями связи не нашел. Мне кажется, это точно не UART. Может, кто поправит.
    Последний раз редактировалось Sergeips; 15.02.2022 в 15:21.

  18. #18
    Не хочу! Аватар для Alex
    Регистрация
    20.03.2003
    Адрес
    Worldwide
    Возраст
    63
    Сообщений
    39,144

    По умолчанию Re: Звук 5.1 с телевизора на домашний кинотеатр Panasonic SC-HT935.

    Цитата Сообщение от Sergeips Посмотреть сообщение
    У него внутри на 100 гигов не было ни чего. Смотрю торренты онлайн через приложение TorrServe Matrix. Вот и Аватар 100 гиговый через него же.
    Ааа, ты вначале так написал, как будто там 100гиг внути, вот я и удивился.



    Цитата Сообщение от Sergeips Посмотреть сообщение
    А DOP CPU-CMD двунаправленная линия.
    Если двунаправленная, наверное все-же I2C, а то я было про SPI подумал. А может там вообще что-то свое.
    "Замполит, чайку?"(с)"Охота за Красным Октябрем".
    "Да мне-то что, меняйтесь!"(с)анек.
    <-- http://altor1.narod.ru --> Вопросы - в личку, е-мейл, скайп.

  19. #19
    Hate cookies Аватар для abonent007
    Регистрация
    15.04.2009
    Адрес
    Минск
    Сообщений
    2,426

    По умолчанию Re: Звук 5.1 с телевизора на домашний кинотеатр Panasonic SC-HT935.

    Цитата Сообщение от Sergeips Посмотреть сообщение
    Его надо обмануть. Просто пока не понял, действительно это шина I2C, ил какая друга.
    Декодеры DD\DTS походу в нем есть, но нет цифровых входов. Возможно имеет смысл обмануть его с другой стороны, подключив к нему платку приемника SPDIF по I2S

    Цитата Сообщение от Sergeips Посмотреть сообщение
    судя по инфе в интернете, считать адреса и управляющие команды для специалиста это плевая работа.
    Но сам специалист наверное так не думает, и оценит эту работу на порядки дороже, чем "плевая работа". И обмануть придется еще и специалиста

    ---------- Сообщение добавлено 17:49 ---------- Предыдущее сообщение было 17:25 ----------

    Цитата Сообщение от Sergeips Посмотреть сообщение
    А тут согласованная система, которая выдает очень хороший ( на мой взгляд) звук. Да и характеристики у нее не самые плохие. Ресивер с такими характеристиками и бу не будет дешево стоить. Я интересовался уже.
    "Согласованная" она только для воспроизведения с дисков. А характеристики очень посредственные. Впринципе из доступного по цене на вторичке можно взять Sony STR-DB900QS\STR-DB2000QS тыщ за 7-10, и никакого мошенства. Там и для музыки схема весьма годная.
    Последний раз редактировалось abonent007; 19.02.2022 в 18:11.

  20. #20
    Новичок
    Автор темы
    Аватар для Sergeips
    Регистрация
    12.02.2022
    Сообщений
    15

    По умолчанию Re: Звук 5.1 с телевизора на домашний кинотеатр Panasonic SC-HT935.

    Цитата Сообщение от abonent007 Посмотреть сообщение
    Декодеры DD\DTS походу в нем есть, но нет цифровых входов. Возможно имеет смысл обмануть его с другой стороны, подключив к нему платку приемника SPDIF по I2S
    Так а как заставить при этом процессор DVD открыть звуковые каналы? В том то и вопрос. Я уже подключился и все работает. Но, только тогда, когда диск DVD вставлен и включен на воспроизведение. Любой диск с DD.

    ---------- Сообщение добавлено 14:19 ---------- Предыдущее сообщение было 14:13 ----------

    Цитата Сообщение от abonent007 Посмотреть сообщение
    Но сам специалист наверное так не думает, и оценит эту работу на порядки дороже, чем "плевая работа". И обмануть придется еще и специалиста
    Да я такой вывод сделал после многих роликов на ютубе, где люди говорят, что проанализировать сигналы I2C шины и повторить их очень просто для специалистов. Хотя, согласен, что надо знать как это сделать. А кто знает, не так уж много таких специалистов)))

    ---------- Сообщение добавлено 14:35 ---------- Предыдущее сообщение было 14:19 ----------

    Цитата Сообщение от abonent007 Посмотреть сообщение
    "Согласованная" она только для воспроизведения с дисков. А характеристики очень посредственные. Впринципе из доступного по цене на вторичке можно взять Sony STR-DB900QS\STR-DB2000QS тыщ за 7-10, и никакого мошенства. Там и для музыки схема весьма годная.
    Не спорю. Но так как я подключился сразу на выходе DVD процессора ( практически в место, где только появился аналоговый сигнал) , то все режимы и регулировки работают с пульта. Я могу менять настройки эквалайзера, делать задержки центрального и тыловых каналов, менять уровни сабвуфера, включать выключать супер бас ну и так далее. Поэтому для фильмов все получилось очень удачно. Я уже писал, что звук с лицензионного DVD диска Аватар ( да и с других дисков, у меня их целая коробка большая) выглядит куда скуднее, чем проброшенный с Шилда через телевизор на али-декодер-цап, и с него на ДК Панасоник. Я все равно планирую покупать AV ресивер. Но это потом. Просто пока не могу себя убедить, что мне это надо. Так как кино смотреть очень комфортно сейчас, музыку особо не слушаю, некогда. А расход финансов при покупке AV ресивера, колонок, сабвуфера будет не малый, если действительно все делать нормально. Да и жил бы в своем доме, где можно оборудовать отдельную комнату под кинотеатр с шумоизоляцией, 11 колонками и крутой аппаратурой, имело бы смысл. В многоквартирном доме, в квартире, такого смысла не вижу пока. Ну и самое главное - это просто решить без костылей поставленную задачу) Вот так подключился.Нажмите на изображение для увеличения. 

Название:	photo_2022-02-12_19-39-37.jpg 
Просмотров:	337 
Размер:	63.2 Кб 
ID:	418018

    ---------- Сообщение добавлено 14:43 ---------- Предыдущее сообщение было 14:35 ----------

    А вот такой сигнал STAT при выключенном и включенном воспроизведении. Он синий. Желтый CLK, такты.Нажмите на изображение для увеличения. 

Название:	photo_3.jpg 
Просмотров:	210 
Размер:	93.1 Кб 
ID:	418020Нажмите на изображение для увеличения. 

Название:	photo_2.jpg 
Просмотров:	185 
Размер:	96.2 Кб 
ID:	418021

Страница 1 из 2 12 Последняя

Социальные закладки

Социальные закладки

Ваши права

  • Вы не можете создавать новые темы
  • Вы не можете отвечать в темах
  • Вы не можете прикреплять вложения
  • Вы не можете редактировать свои сообщения
  •