Показано с 1 по 11 из 11

Тема: Как пересчитать фильтра колонок S-90 под 8-ми омные ВЧ?

  1. #1
    Давно не заходил
    Автор темы

    Регистрация
    22.11.2016
    Сообщений
    9

    По умолчанию Как пересчитать фильтра колонок S-90 под 8-ми омные ВЧ?

    ВСЕМ ДОБРОГО ВРЕМЕНИ СУТОК! Может кто ответит подробнее на очень интересующий вопрос? Имею колонки 35АС-012 “S-90” Собираюсь на сгоревших ВЧ динамиках 10гд-35 с сопротивлением катушек 16 Ом заменить лавсановые куполки, на новые шёлковые, сопротивлением 8 Ом? У меня вопрос: Какие изменения необходимо внести в схему фильтров, что бы акустическая система корректно работала с 8-ми омными пищалками? Может надо резистор какой-то впаять (выпаять), или конденсатор, или катушку индуктивности отматать (доматать)? И какие должны быть номиналы деталей, которые необходимо поменять? С паяльником дружу, руки из правильного места, только в электронике не силён, расчёты фильтров проводить не умею поэтому нуждаюсь в помощи грамотных людей! Заранее благодарен!

  2. #2
    Старый знакомый Аватар для Grommit
    Регистрация
    28.09.2015
    Сообщений
    523

    По умолчанию Re: Как пересчитать фильтра колонок S-90 под 8-ми омные ВЧ?

    Ну, теоретически надо емкости фильтра увеличить в 2 раза, а индуктивность катушки - уменьшить вдвое. Если еще и аттенюатор дорабатывать, то и все резюки в нем уменьшить вдвое.

  3. #3
    Давно не заходил
    Регистрация
    27.09.2012
    Адрес
    Мариуполь
    Возраст
    66
    Сообщений
    1,035

    По умолчанию Re: Как пересчитать фильтра колонок S-90 под 8-ми омные ВЧ?

    Цитата Сообщение от Vitebskiu Посмотреть сообщение
    Собираюсь на сгоревших ВЧ динамиках 10гд-35 с сопротивлением катушек 16 Ом заменить лавсановые куполки, на новые шёлковые, сопротивлением 8 Ом
    Это будет уже совсем другой динамик с неизвестной чувствительностью и АЧХ.
    Цитата Сообщение от Vitebskiu Посмотреть сообщение
    в электронике не силён, расчёты фильтров проводить не умею
    Измерения проводить тоже похоже нечем. Лучше найдите оригинальные динамики иначе результат будет непредсказуем.

  4. #4
    Давно не заходил
    Автор темы

    Регистрация
    22.11.2016
    Сообщений
    9

    По умолчанию Re: Как пересчитать фильтра колонок S-90 под 8-ми омные ВЧ?

    Цитата Сообщение от Grommit Посмотреть сообщение
    Ну, теоретически надо емкости фильтра увеличить в 2 раза, а индуктивность катушки - уменьшить вдвое. Если еще и аттенюатор дорабатывать, то и все резюки в нем уменьшить вдвое.
    Спасибо за ответ! Кратко и доходчиво! Теперь я понял что делать! Только вот ещё можно вопрос? резисторы в аттенюаторе обязательно менять? И только те которые относятся к фильтру ВЧ?

    ---------- Сообщение добавлено 22:11 ---------- Предыдущее сообщение было 22:09 ----------

    Цитата Сообщение от avkmar Посмотреть сообщение
    Это будет уже совсем другой динамик с неизвестной чувствительностью и АЧХ.

    Измерения проводить тоже похоже нечем. Лучше найдите оригинальные динамики иначе результат будет непредсказуем.
    Да, вы правы, приборов для измерения АЧХ не имею, но зато есть уши) послушаем... посмотрим. Оригинальные ВЧ конечно хорошо для системы, но больно слабые в них катушки... часто выгорают. Попробую поменять подвижки вместо лавсановых поставить шёлк, с 8-ми омными катушками, магнитная система останется прежней, переделаю фильтра, может это и не приведёт к сильным изменениям в АЧХ.. кто знает? Будем экспериментировать!))

  5. #5
    Старый знакомый Аватар для Grommit
    Регистрация
    28.09.2015
    Сообщений
    523

    По умолчанию Re: Как пересчитать фильтра колонок S-90 под 8-ми омные ВЧ?

    Цитата Сообщение от Vitebskiu Посмотреть сообщение
    резисторы в аттенюаторе обязательно менять? И только те которые относятся к фильтру ВЧ?
    Ну, если он используется, то конечно менять, только в ВЧ-фильтре. Вообще, это можно сделать и позднее, если переделанный фильтр устроит при отслушивании, и чувствительность покажется высоковата. За АЧХ при переделке можно не опасаться, она будет очень близкой к исходной, основная неравномерность в 10ГДВ - из-за примитивной акустической линзы.

  6. #6
    Давно не заходил
    Регистрация
    10.08.2017
    Адрес
    outerspace
    Сообщений
    173

    По умолчанию Re: Как пересчитать фильтра колонок S-90 под 8-ми омные ВЧ?

    Цитата Сообщение от Vitebskiu Посмотреть сообщение
    резисторы в аттенюаторе обязательно менять?
    Это зависит от чувствительности новой ВЧ. Если уровень ВЧ будет больше прежнего с новым фильтром - увеличивать сопротивление. Но чтобы оценить желательно конечно измерить микрофоном. Я заменил 6,2-омную купольную ВЧ катушку на 8-омную ленту, но из-за большей чувствительности второй уровень ВЧ в результате вырос без изменения кроссовера, и сопротивление фильтра в идеале нужно увеличивать, а не уменьшать, чтобы вывести уровень по ВЧ в "как было".

  7. #7
    Завсегдатай Аватар для meshin
    Регистрация
    18.10.2007
    Адрес
    Новокузнецк
    Сообщений
    1,944

    По умолчанию Re: Как пересчитать фильтра колонок S-90 под 8-ми омные ВЧ?

    А схема Вашей АС где?
    Если установлены галетные переключатели, то да, в делителях (L-Pad), сопротивления нужно уменьшить в два раза. А если переменное сопротивление, то его можно не трогать. Хоть оно тоже завязано в фильтре.
    Встречаются S-90 с одним галетным переключателем, который регулирует и СЧ, ВЧ.
    Проще всего, до всех экспериментов, последовательно с новой пищалкой, включить сопротивление 5,0....8,0 ом.

  8. #8
    Давно не заходил
    Автор темы

    Регистрация
    22.11.2016
    Сообщений
    9

    По умолчанию Re: Как пересчитать фильтра колонок S-90 под 8-ми омные ВЧ?

    Цитата Сообщение от Grommit Посмотреть сообщение
    Ну, если он используется, то конечно менять, только в ВЧ-фильтре. Вообще, это можно сделать и позднее, если переделанный фильтр устроит при отслушивании, и чувствительность покажется высоковата. За АЧХ при переделке можно не опасаться, она будет очень близкой к исходной, основная неравномерность в 10ГДВ - из-за примитивной акустической линзы.
    Спасибо! Я понял! А если избавиться от внутренней части акустической линзы, и оставить только наружную часть, сам рупор, который крепится болтами к магниту и прижимает мембрану? Должно это как-то повлиять на АЧХ динамика?

    ---------- Сообщение добавлено 18:58 ---------- Предыдущее сообщение было 18:39 ----------

    Цитата Сообщение от tsynik Посмотреть сообщение
    Это зависит от чувствительности новой ВЧ. Если уровень ВЧ будет больше прежнего с новым фильтром - увеличивать сопротивление. Но чтобы оценить желательно конечно измерить микрофоном. Я заменил 6,2-омную купольную ВЧ катушку на 8-омную ленту, но из-за большей чувствительности второй уровень ВЧ в результате вырос без изменения кроссовера, и сопротивление фильтра в идеале нужно увеличивать, а не уменьшать, чтобы вывести уровень по ВЧ в "как было".
    Спасибо за ответ! Буду слушать, сравнивать, делать выводы по сопротивлению, и методом проб и ошибок добиваться приемлемого звучания...

    ---------- Сообщение добавлено 19:08 ---------- Предыдущее сообщение было 18:58 ----------

    Цитата Сообщение от meshin Посмотреть сообщение
    А схема Вашей АС где?
    Если установлены галетные переключатели, то да, в делителях (L-Pad), сопротивления нужно уменьшить в два раза. А если переменное сопротивление, то его можно не трогать. Хоть оно тоже завязано в фильтре.
    Встречаются S-90 с одним галетным переключателем, который регулирует и СЧ, ВЧ.
    Проще всего, до всех экспериментов, последовательно с новой пищалкой, включить сопротивление 5,0....8,0 ом.
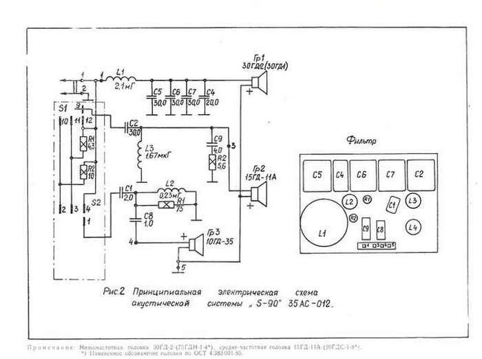
    Схема есть. У меня S-90 именно с одним галетным переключателем, который регулирует СЧ и ВЧ. В нём два резистора 10 Ом, и 4.3 Ом. Я так понимаю нужно уменьшить сопротивление обоих в два раза? А вообще конечно попробую сначала просто сопротивление последовательно включить... Спасибо за совет!

  9. #9
    Старший pioneerовожатый Аватар для Vinni
    Регистрация
    24.07.2012
    Сообщений
    2,552

    По умолчанию Re: Как пересчитать фильтра колонок S-90 под 8-ми омные ВЧ?

    Цитата Сообщение от Vitebskiu Посмотреть сообщение
    Должно это как-то повлиять на АЧХ динамика?
    На АЧХ АС, отрицательно.

    Купите шелковые 16 Ом (жёлтый диффузор), и не дышите на шедевр.

  10. #10
    Завсегдатай Аватар для meshin
    Регистрация
    18.10.2007
    Адрес
    Новокузнецк
    Сообщений
    1,944

    По умолчанию Re: Как пересчитать фильтра колонок S-90 под 8-ми омные ВЧ?

    Цитата Сообщение от Vitebskiu Посмотреть сообщение
    У меня S-90 именно с одним галетным переключателем,
    Тогда ничего трогать не нужно. Только дополнительное сопротивление к ВЧ головке. Если пищалка будет неудовлетворительно (тихо) играть, то тогда только уменьшение индуктивности в два раза (количество витков уменьшить в 1,4 раза) и увеличение в два раза ёмкостей. Сопротивление R1 можно убрать.
    Миниатюры Миниатюры Нажмите на изображение для увеличения. 

Название:	S90. 1 галлетник.jpg 
Просмотров:	1189 
Размер:	35.5 Кб 
ID:	307925  

  11. #11
    Давно не заходил
    Автор темы

    Регистрация
    22.11.2016
    Сообщений
    9

    По умолчанию Re: Как пересчитать фильтра колонок S-90 под 8-ми омные ВЧ?

    Цитата Сообщение от meshin Посмотреть сообщение
    Тогда ничего трогать не нужно. Только дополнительное сопротивление к ВЧ головке. Если пищалка будет неудовлетворительно (тихо) играть, то тогда только уменьшение индуктивности в два раза (количество витков уменьшить в 1,4 раза) и увеличение в два раза ёмкостей. Сопротивление R1 можно убрать.
    Спасибо за подробности!) Всё понял! Только ещё один маленький вопрос: Если дополнительное сопротивление подключать, то к какому проводу, идущему на плюс, или на минус динамика?

Социальные закладки

Социальные закладки

Ваши права

  • Вы не можете создавать новые темы
  • Вы не можете отвечать в темах
  • Вы не можете прикреплять вложения
  • Вы не можете редактировать свои сообщения
  •