Хочу посоветоваться с форумчанами по поводу внесения изменений в схему регуляторов топового бумбоксика для кухни
![]()
В ностальгическом порыве был приобретен данный аппарат, восстановлен и отрегулирован. Все работает, но штатный темброблок там ужасен - на НЧ добавляет только гудеж, а ВЧ поднимает вместе с верхней частью СЧ, делая звук визглявым. Причем, это не болезнь именно этого экземпляра - через мои руки прошел десяток таких (VZ-20, VZ-2500), везде та же картина. В аналогичной серии Sharp VZ-2000, VZ-V2 ситуация получше. В принципе, в стационарной аппаратуре тембрами не пользуюсь, но в бумбоксе, с моей точки зрения, этим всем улучшайзерам самое место
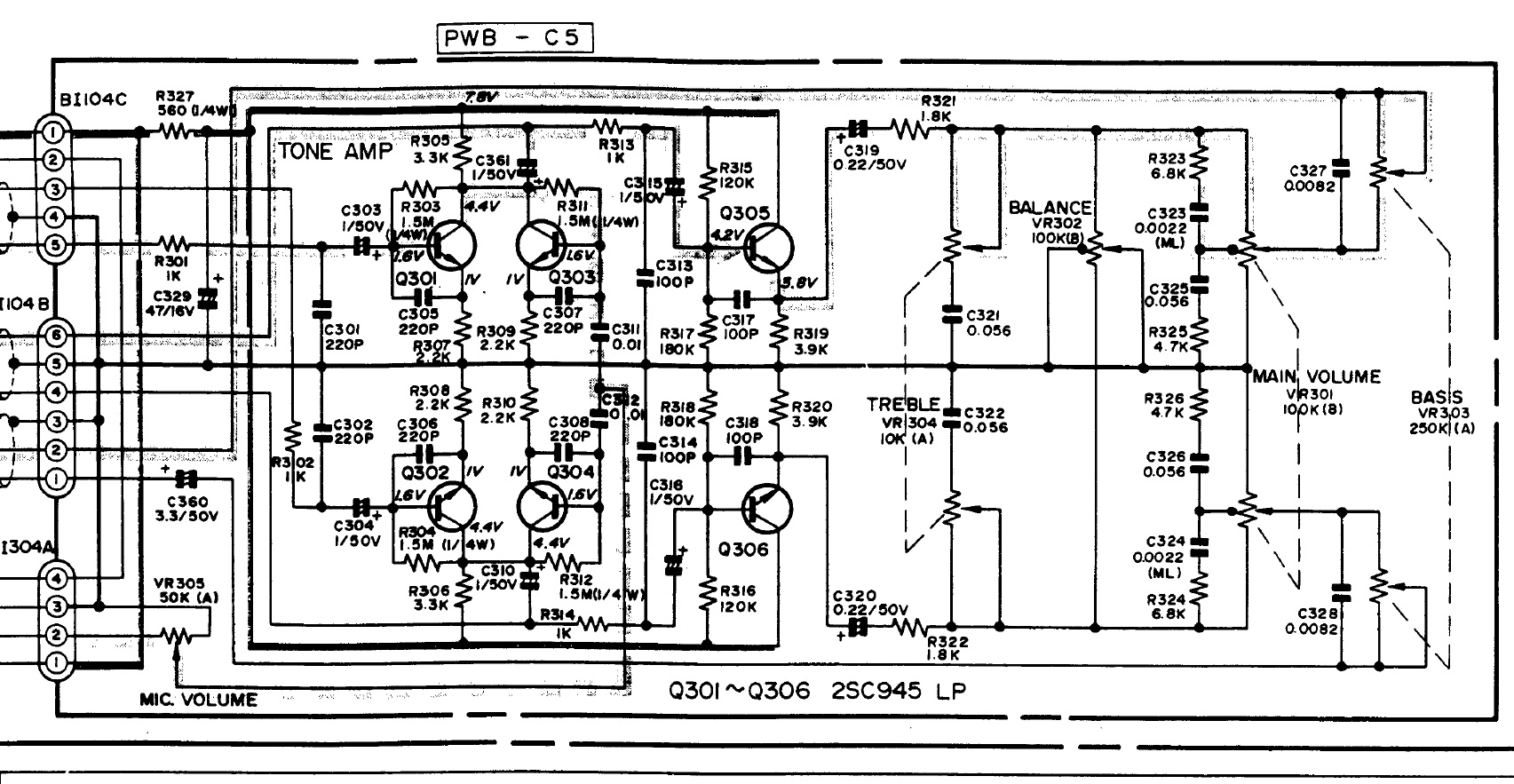
Чтобы наметить пути решения проблемы, забил схему регуляторов в Мультисим, но потенциометры в схеме хитрые, таких в Мультисиме-11 нет. Попытался изобразить РГ по другому, а баланс просто выкинул. Не знаю, насколько данная модель отражает реальность, но АЧХ как-то регулируется![]()
РГ оказался тонкомпенсированным. От положения РГ изменяется АЧХ, но на слух эти изменения не особо слышны.
В аппарате винил на борту, поэтому магнитола спроектирована так, чтобы не было много НЧ - вдруг начнет игла скакать по пластинкеСудя по всему, именно в темброблоке и идет основной срез по НЧ - если посмотреть АЧХ фильтра, то все становится ясно.
![]()
![]()
![]()
Мне кажется, что если убрать это срез по НЧ (наброски на фото и в модели), а тембрами ничего не задирать при воспроизведении винила, то звук будет намного лучше, а игла скакать не должна, по идее. Сейчас, если включить на максимальную неискаженную мощность и выкрутить бас, то винил работает устойчиво, игла даже не пытается прыгать через дорожки, хотя корпус вибрирует прилично.
Выкладываю схему темброблока и мои модели (их схемы на картинках) - может у кого возникнут какие идеи и уточнения. Не все же время лютым хай-эндом заниматься
---------- Сообщение добавлено 20:12 ---------- Предыдущее сообщение было 10:29 ----------
Ладно, раз идей нет никаких, начал разбирать аппарат. Потом могу рассказать, что получилось, если кому-то будет интересно![]()




Социальные закладки