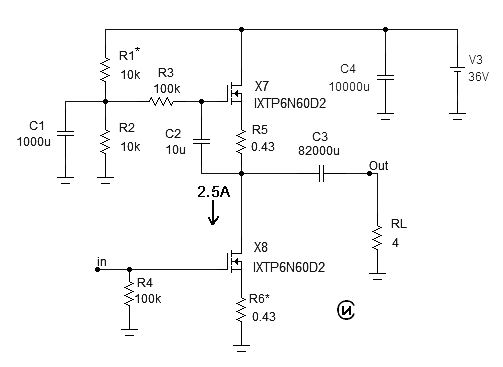
Нарыл в загашниках эту,довольно интересную,на мой взгляд, "схему выходного дня" и вчера вечером собрал.Цепь коррекции (R11,14.18 и C5,6,9) выкинул,как ненужную для моих целей.
В результате 30-вольтовый источник питания просаживается до 15в при токе 4.5А,который не поддается регулировке.Пробовал КТ825,SB1560,TIP137-никакой разницы.
Может быть,кто-нибудь увидит "косяки" в схеме,подскажет,где копать.На основе этой схемы собирался делать активную четырехполоску.
Спасибо.![]()
![]()
![]()
![]()
![]()





Социальные закладки